Abstract
Electroencephalography (EEG) waves and other biological signals can be deciphered with a deeper understanding of the human body. The benefits of EEG are growing. EEG studies have expanded globally. Research on EEG covers data gathering, analysis, energy renewal, and more. EEG-gathering devices include encoding, digital transfer, head sensor placement, and separate amplifiers. The EEG detects periodic noise. Head movement, sensor lines, and hair sweat produce low-frequency noise. Low-frequency noise alters EEG signals over time. Muscle actions and electromagnetic waves create high-frequency noise (especially in the facial and neck muscles). EEG shifts are saw-toothed by high-frequency noise. High- and low-frequency noises are usually lower and higher than human EEG, respectively. Lowering signal power above and below the testing level without altering the signs of interest lowers noise. Aliasing may affect low-frequency impacts in the original data because high-frequency noise is mirrored in the data. This work designed a non-binary Complementary metal oxide semiconductor (CMOS) Consecutive guesstimate register (CGR) reconfigurable analogue-to-digital converter (ADC) integrated with the instrumental amplifier. CGR ADC model comprises the bio-signal device monitoring for the EEG signals. This study focused on acquiring the EEG signals for amplification. The model uses the AC-coupled chopper stabilisation model with 1 A low power with a noise level of 1 A. The neural amplifier uses an optimised current technique to maximise the transconductance for a good noise efficiency factor. The simulation analysis estimates a bandwidth range of 0.05–120 Hz with a power consumption level of 0.271 µW. The computed noise level is observed as 1.1 µVrms and a gain of 45 dB. The comparative analysis of the proposed ADC model achieves the minimal energy consumption value of ∼12%, which is minimal than the nonlinear and switch-end capacitor. Also, the time consumed is ∼9% less than the nonlinear and switch-end Capacitor.18 nm CMOS technology is used to implement the proposed data acquisition system for low-power and density-optimised applications.
Graphical abstract

1 Introduction
People’s aspirations for a stress-free and hassle-free existence are evolving alongside the rise of modern technology. The health of humans is monitored by paying heed to biological signals. Therefore, studying human biochemical signals is growing in significance. Physiological data such as heart rate, respiration rate, blood pressure, and pulse are all examples of typical signals. Since electroencephalogram (EEG) data originate in the brain’s crucial processes, they have received more attention.
Furthermore, scientists can use the data to learn how the brain operates. The EEG is a microvolt-level magnitude time-varying non-stationary signal. Frequency-domain and time-domain analysis, wavelet transform, wavelet entropy, improved multi-scale entropy algorithm, and EEG feature extraction based on a constrained independent component are popular approaches for analysing and processing EEG signals. EEG is currently used in the medical field but will expand into new areas, such as the military, athletics, educational psychology, entertainment industry, etc. Moreover, the application of EEG in various domains will profoundly impact our civilization.
Humans have maintained their EEG research long after Adolf Beck’s first studies. The first human EEG, recorded by Hans Berger, represents a watershed moment in the history of clinical neuroscience. The interictal surge was the first thing that Gibbs and Jasper noticed as different about people with epilepsy. After that, EEG was first used in clinical practice. The development of the brain–computer interface (BCI) made it possible for the first time for people to use their thoughts to direct real objects through a labyrinth. In addition, tetraplegic Matt Nagle was the first to control an artificial hand via a BCI. Researchers are getting closer to developing “Wearable EEG” technology by decreasing the size of EEG equipment.
The BCI and illness diagnosis might both gain from this development. Modern EEG and machine learning can automatically assess data, leading to more accurate illness detection. Recently, the advancement of the analogue world with digitisation exhibits technological advancement with the implementation of the Internet of Things, big data, and cloud [1]. The data acquisition device incorporates an analog-to-digital converter (ADC) to increase the big data accuracy. The advancement in the design of ADC focused on precision digital designing throughout the applications [2,3,4,5,6]. Through historical metrology, the speed and resolution are increased within the ADC devices [7]. Different applications require high performance to achieve desired ADC in different areas [8]. Examples of ADC are program controllers, process control, control of the electric motor, and electrical energy distribution. With minimal instrumentation, domain testing, development, research, and qualification are adopted to achieve higher precision in the conversion of digital transformation [9]. At present, a vast range of ADC architectures are implemented to increase the precision aligned with the principle of ADC. The example of those is successive approximation register (SAR). The design of SAR comprises 24 bits resolution with minimal MSPS and 32 bits of several hundred Kbps [10]. Conventionally, the ADC belongs to the class of analogue signals provided with a fixed frequency range [11].
The uniform time grid consequences provide the sampling instants denoted as the spectral aliasing [12]. Spectral aliasing is shown by the frequency components that are higher than the Nyquist frequency and are folded back into the Nyquist zone [13]. The wireless communication comprises the multi-stand and multi-band operations for the tunable analogue filters or switched filter bands that provide the effective antialiasing filtering with the uniform sampling of Nyquist ADC conversion to eliminate the out-of-band signal process. The sampling scheme is also stated as non-uniform sampling to achieve effective cross-level quantisation [14]. To eliminate anti-aliasing effects in EEG signal data collection, this work obtained a Consecutive guesstimate Register (CGR) ADC design. Digital low-pass filters (LPFs), A/D converters, and compensators make up the model. The suggested model’s performance is assessed with 3 and 5 V input voltage signals. Comparative investigation showed that the suggested ADC model consumes 12% less energy than the nonlinear and switch-end capacitor. The time is ∼9% less than the nonlinear and switch-end capacitor.
The EEG picks up periodic noise. Head movement, sensor lines, and hair sweat make low-frequency noise. Low-frequency noise changes EEG signals over time. High-frequency noise is made by muscle actions and electromagnetic waves, especially in the facial and neck muscles. High-frequency noise makes EEG shifts look like a sawtooth. High-frequency noise is usually lower than human EEG, and low-frequency noise is usually higher.
1.1 Contribution to the work
This article proposed a non-binary Complementary metal oxide semiconductor (CMOS) CGR reconfigurable ADC combined with the instrumental amplifier. CGR ADC model monitors EEG biosignals.
The proposed technique is centred on capturing EEG data for the amplification procedure and employs a low-power, high-noise version of the AC-coupled chopper stabilisation scheme.
The optimised current technique of the neural amplifier helps it attain high transconductance and low-noise efficiency.
The proposed model simulation analysis estimates a bandwidth range of 0.05–120 Hz with a power consumption level of 0.271 µW. The computed noise level is observed as 1.1 µVrms and a gain of 45 dB.
The automated model shows less power consumption by the proposed reconfigurable ADC in the front-end devices. The data-acquisition circuitry is used in reconfigurable ADCs. Based on the input amplitude and resolution, the circuit works well for the specified configuration at the sample rate of the input signal frequency.
The suggested ADC model is 12% more efficient in energy usage than the nonlinear and switch-end capacitors. Compared to the nonlinear and switch-end capacitors, the time required is also significantly reduced by 9%. The suggested data collection system uses 18 nm CMOS technology, allowing low power consumption and high density.
The remaining sections of the study are organised as follows. Recent research on the proposed method is discussed in Section 2. Section 3 defines the proposed method. Section 4 shows the simulation results of the proposed method. Finally, the Conclusion is described in Section 5.
2 Related works
Using the ADC front-end ADS1299FE, an FPGA Zedboard (Diligent, USA)-based EEG data acquisition device has been built. The voltage potential of an EEG signal is typically between 0.5 and 100 V, and its frequency is typically between 0.5 and 40 Hz, both of which are measured using an EEG instrument placed on the head. The 2-chip ADS1299 Daisy-Chain mode and Zedboard FPGA-based computing comprise the data acquisition system’s configuration. Because of its amazing speed at which it can collect data from the ADC devices, FPGA was included in the data acquisition system [15]. The EEG data have been transferred from the data acquisition device to a personal computer and displayed graphically. The EEG device has been verified with an EEG Simulator (NETECH Mini-Sim EEG) at 2 Hz, 5 Hz, 30 µV, 50 µV, and 100 µV for voltage. The 2 Hz validation result was measured with a maximum average variation of 0.15 µV, and the 5 Hz result was measured with a maximum average deviation of 0.18 µV.
Research into the human body continues to advance, and with it comes a new understanding of human biological signs, most notably the EEG signal. The advantages of EEG are also becoming increasingly well-known. As a result, interest in EEG studies has increased globally. Research into EEG is currently being conducted in many areas and phases, including data acquisition, data analysis, energy recovery, etc. Behaviour and electrophysiology, neural networks, multi-lead EEGs, non-invasive brain imaging technology, etc., are all hot topics among academics. Brain structure is best understood by looking at how the brain forms during development, a new study area and a major trend in neuroscience today. This overview focuses on three areas: EEG analysis, EEG acquisition, and EEG application. Li et al. presented four different EEG acquisition techniques, five EEG processing systems, and three application patterns. Electrode scalp placement, isolating amplification, digitising, and wireless transmission are the main components of an EEG acquisition device. The primary goals are low power usage, compact size, and portability [16]. Current research progress and future directions for suitable electrodes, a high integration acquisition chip, and an analysis method are discussed. Recent developments in EEG signal processing have enabled it to be used in settings outside its initial use in medical rehabilitation, including car safety, academic help, and even entertainment.
EEG is a biosignal that differs greatly from person to person due to its sensitivity and weakness. It is highly susceptible to distortions and background noise. Therefore, building an EEG acquisition system with signal integrity in mind is essential. Alkhorshid et al. suggested an analogue design for acquiring EEG signals [17]. The proposed design consists of eight blocks: (1) a radio-frequency interference filter and electro-static discharge protection, (2) a preamplifier and second-order high-pass filter with feedback topology and an unblocking mechanism, (3) a driven right leg circuit, (4) two-stage main and variable amplifiers, (5) an eight-order anti-aliasing filter (AAF), (6) a six-order 50 Hz notch filter (optional), (7) an optoisolator circuit, and (8) an isolated power supply. The design has the highest gain of about 94 dB and a bandwidth of about 0.18−120 Hz. The notch filter has a depth of −35 dB at 50 Hz. Because of issues with EEG integrity at frequencies between 40 and 60 Hz, its use is entirely discretionary.
The primary purpose of the paper by Jalagam and Mittal is to acquire EEG data, analyse it, and present the results [18]. A novel preprocessing technique using a high-impedance, high-CMRR amplifier is included. The system also includes anti-noise and anti-aliasing analogue filters. The MATLAB FFT method is used for the analysis. The presentation of EEG signals includes the discovery of the signals’ frequency corresponding to maximal magnitude. Due to their low frequency and amplitude, preprocessing, filtering, and converting biomedical signals accurately necessitate sufficient sampling rate, processing speed, gain, power consumption, and size.
The aim of Usakli’s research was to show some realistic state-of-the-art factors to consider when acquiring good signals for electroencephalographic signal acquisition. Users and system creators alike should keep these things in mind. Improving the system’s measurement performance depends on several factors, including the selection of appropriate electrodes and the design strategy of the original electronic circuitry front end [19]. Accuracy in biopotential measurements can be improved by keeping potential pitfalls in mind during system design and session recording. Electrode efficacy in EEGs is affected by system electronics (such as filtering, amplification, signal conversion, and data storage) and environmental factors. The principles of EEG electrodes and the main points of electronic noise reduction techniques in the front end of EEG signal acquisition are addressed in this work, along with some ideas for enhancing signal acquisition.
Many studies have been conducted in an attempt to explain human social contact because of its significance to the human condition. Some researchers have been trying to implement cutting-edge brain signal acquisition systems that track real-time neural activity during conversations. Even though multilateral contacts are the norm, most prior studies have only examined dyadic interactions. Because of methodological constraints, however, it is reportedly difficult to design a well-controlled experiment for multiple users at a reasonable cost. Most studies have instead concentrated on interactions between two users. As a result, multi-user devices for simultaneous acquisition are still a challenge. Lee et al. proposed a design framework for an acquisition device that can collect EEG data from a group of ten or more individuals in a single session [20]. Using the proposed framework, we collected EEG data from as many as 20 individuals at once at a frequency of up to 1 kHz. The hardware and software that comprise our acquisition system are explained in detail. Problems with synchronisation, system loads, electrodes, and applications are also addressed as they emerged during the system’s development. Nine participants took part in a series of simultaneous visual event related potentials experiments to further verify the efficacy of the suggested EEG acquisition framework. Our system performed admirably, with an average loss rate of only 1% and a delay of less than 4 ms. This method has potential applications in a wide range of hyper-scanning research, including studies of crowd behaviour, large-scale human interactions, and BCI collaboration.
After selecting the appropriate settings and electrode, the device can obtain real-time acquisition of EEG data, and the data can be displayed and saved, as described by Xingpan and Yang. It is highly accurate, compact, and energy-efficient [21]. The device is built around ST’s STM32F103VET6 microcontroller and TI’s ADS1299 analogue front-end IC, cutting out unnecessary peripheral circuitry. The source code for the application has been compiled with VC to receive EEG data and correctly show it in the display software. The acquisition device communicates with the host computer for data transfer via a wireless protocol. The research paves the way for BCI’s implementation in real-world settings.
In their short paper, Ren et al. described an analog front end (AFE) that can be used to identify EEG signals. The AFE has four parts: a chopper-stabilised amplifier, a ripple reduction circuit, a low-pass FIR filter based on random access memory, and an 8 bit SAR ADC [22]. For the first time, the bio-plausible characteristics of RRAM are used to efficiently evaluate signals in the analogue domain in an EEG AFE using a lowpass finite-impulse-response (FIR) filter. The symmetrical OTA design in the preamp minimises power usage while providing adequate gain. The noise characteristics and offset voltage are significantly enhanced by the ripple reduction circuit. A cutoff frequency of 40 Hz is achieved by the RRAM-based LPF, making it appropriate for the study of EEG data. The SAR ADC uses a segmented capacitor construction to reduce the energy used for capacitor switching. The test chip is built with 40 nm CMOS technology. Ultra-low-power operation is achieved with a total power usage of about 13 W [23 24 25].
3 The proposed method
3.1 Architecture for ADC
The data acquisition comprises the AAF integrated with the CGR ADC model. The constructed model comprises the input analogue signal with the analogue LPF. The data acquisition system comprises the analogue-to-digital conversion followed by the digital filter. The complete process for the data acquisition scheme is presented in Figure 1.

Process flow in data acquisition system.
The system comprises a DAQ signal for the sensor waveform with the application of the LPF or AAF. The operational amplifier (OP-AMP) model comprises the buffer configuration model. The output of the amplifier buffer comprises the resistor or capacitor pair to achieve the ADC input. The signal is processed with a successive approximation converter, and data acquisition is performed [26 27 28].
3.2 AAF
The analogue signal forms an active LPF with the conversion of analogue signal bandwidth in the frequency of 1 kHz. The LPF eliminates the high-frequency signals and the aliasing errors in the ADC. Based on the design parameter, the implementation order of the filter is altered. The use of SAR ADC segments the LPF components with the 12- bit frequency of operation. The ADC segments the LPF with the 12-bit SAR to process the ADC. The sampling rate of the ADC is stated as 20 kHz, with a Nyquist rate of 10 kHz. The AAF’s signal-to-noise ratio is the 12-bit ADC with a frequency of 74 dB. Figure 2 illustrates the Bessel filter implemented with the AAF for data acquisition. The filter’s cutoff frequency is observed as the fifth-order, with a frequency of 1 kHz utilised for implementation. The circuit design for the Sallen–Key filter is combined with the passive LPF presented in Figure 3. The attenuation in the filter has an analogue input signal value of 79 dB with a pass band value of 10 kHz. The Bessel response frequency with the fifth-order filter is presented in Figure 2.

Frequency response of fifth-order Bessel design.

Fifth-order Bessel design implemented with two Sallen–Key filters using the passive filter.
The Bessel filter is designed with the AAF with a cutoff frequency of 1 kHz and a stop band frequency of ∼5 kHz.
3.3 ADC design
The ADC model design estimates the data acquisition process in the EEG signal by eliminating the aliasing using low-pass Bessel filters. The design of the CGR ADC is presented as follows.
The pipelined N-stage ADC architecture operates simultaneous, consecutive samples N for the input analogue signal. Each pipelined ADC comprises the input voltage. Those are quantised with the high-resolution M-bit ADC to generate digital estimation, Vin. The estimation of digital coarse is converted into the form of a sub-digital-to-analogue converter (sub-DAC) eliminated from the input voltage for the factor gain of G = 2M. The pipelined architecture model comprises the backend stage-1, stage-3 and N. Each pipeline architecture estimates the redundancy to eliminate the residue for the clipping. Each stage output is integrated with the inverse gain for the estimation of analogue input as in equation (1).
Switched capacitor output characteristics for the M-bit stages are presented in equation (2).
which can be rewritten as in equation (3).
where
and
The infinite precision residue is computed as in equation (4).
The equivalent digital estimation is computed for the analogue input and is presented as in equation (5).
The estimation output topology is presented as in equation (6).
The non-flip output topology is estimated as in equation (7).
The calibration is performed to estimate the mismatch in the capacitance-voltage topology.
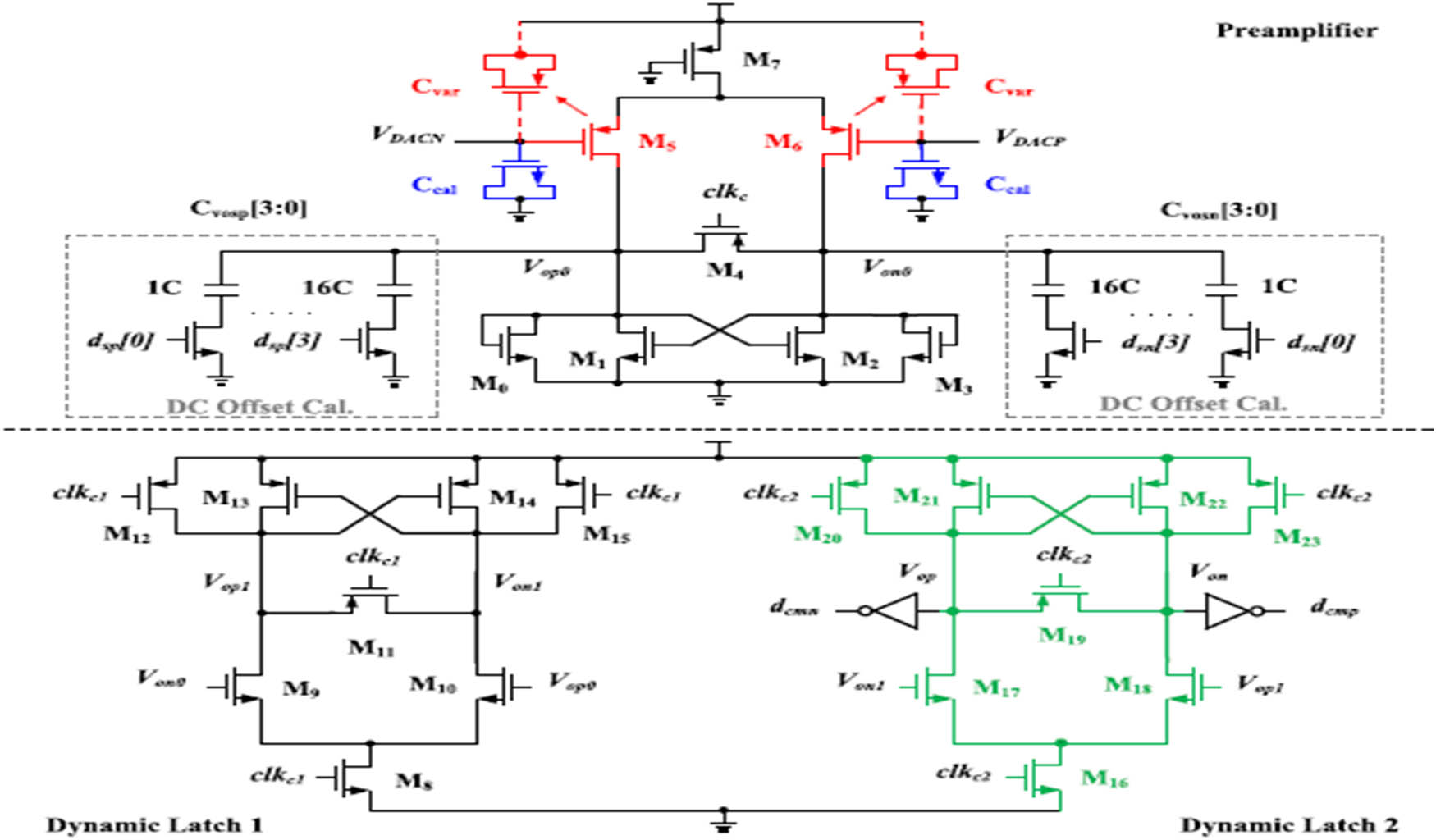
Figure 4 illustrates a 12-bit fully asynchronous differential process with the CGR ADC with the array of the non-binary capacitor. The configuration comprises the full differential improved with the rejection of the common-mode noises by doubling the signal voltage range and reducing the harmonic distortion. However, the key modules comprise CGR ADC design with the operation in low voltage for the DAC (non-binary and small capacitor unit) and comparator (preamplifier and latches in two stages). The asynchronous CGR ADCs comprise loop 1 and loop 2. The lowest loop determines the CGR ADC with the maximal speed value. Figure 4 comprises the CGR ADC with the Loop 2 delay with the main factor limits within ADC speed values. The high-speed CGR comprises a sampling rate of 100 MHz with a period of 10 ns generated with the multiphase clock generator with the master clock frequency of 1.2 GHz. The multi-phase clock circuit comprises the sample clock value of clks in ADC pulse value of 10/12:10 ns, with the sample pulse width of 833 ps. To eliminate the error, the pulse width is adjusted to 800 ps with the sampling signal reset of rst with low SAR logic and reset logic, settling DAC and the high set is stated as rst. The sample clock triggers comprise the falling edge with a comparison of a comparator, and subsequent cycle clocks are generated with a self-timed loop. The setup time of DAC comprises the adjustable delay cell with quantisation of Q13 varying from low to high end of conversion. The plate at the top is in reset state based on the next sampling signal values.

The proposed non-binary capacitor CGR ADC.
Although the flip-around topology is less attractive from a calibration perspective, it has two distinct advantages over the non-flip-around topology. First, the flip-around topology has a higher feedback factor and larger closed-loop bandwidth than the non-flip-around topology. Second, ignoring OP-AMP noise, the thermal noise contribution due to the sampling switches for both the flip-around and non-flip-around topology given in equations (8) and (9), respectively, clearly show that the non-flip-around topology is noisier.
The DAC capacitor mismatch and low OP-AMP DC gain are the major sources of distortion or non-linearity in the residue characteristics, degrading the pipelined ADC’s overall linearity. In order to mitigate the effects of low OP-AMP DC gain and mismatched capacitors, digital calibration techniques have been used to measure and correct the errors introduced by the same. Digital calibration is incredibly popular in the modern era, with the new deep sub-micron technologies offering faster, low-power, and area-effective digital circuits compared to older technologies.
Ideal residue characteristics for a 2-bit pipelined stage and how they are impacted by primary mistakes. Ideally, a 2-bit stage has input-output characteristics given by
where
The ideal characteristic shows that the residue gain α is the same in all four regions, ideally equal to 2. However, if there is a capacitor mismatch between the capacitors C 1 and C 4 and with CF, accumulation of these mismatches in the numerator and other non-idealities like finite OP-AMP gain, input parasitic etc., in the denominator results in a residue gain not equal to 2. The mismatch between sampling capacitors also affects the linearity of the DAC, resulting in vertical jumps ∆V in the residue characteristics every time the output code is. According to capacitor mismatch, the vertical shift ∆V varies from region to region. During a transition from region j to region j + 1, the vertical jump ∆V is given in equations (11) and (12).
Assuming that the residue is quantised by an infinite resolution backend ADC, we can say that the digital jump is equal to the analogue value ∆V. If there is a mismatch such as
To eliminate the missing codes, we need a minimum OP-AMP DC gain which can be obtained by referring the gain error ∆ to the input and forcing the total input referred error to be less than the quantisation error of the ADC. If n-bits are resolved in the first stage, then the input referred gain error is given in equation (15).
The input-referred error should be less than the quantisation error 1/2 N for an N-bit pipelined ADC. Assuming only gain error is present in the ADC as in equation (16).
Hence,
3.4 Capacitor-mismatch calibration
The residue characteristics architecture model comprises of 2 bits with 2 bits/stage output voltage as presented in equation (17)
where
where
To achieve a high-accuracy sampling structure, the bottom plate is utilised as the switches in the bottom plate are controlled with the bootstrapped clock signal, as illustrated in Figure 5. The bootstrap circuit provides the minimal supply voltage with the small unit of the capacitor. The capacitor uses a pMOS/nMOS ratio (Wp/Lp:Wn/Ln) of 3:2 to incorporate charge injection and overcome the top plate leakage using CMOS switches in the top plate for lowering the injection charge and the clock feed. To reduce the leakage, the long channel length devices are implemented with the top plate switches controlled by a bootstrapped clock signal with the reduced switches in ON-resistance. Additionally, three switches are introduced with π-type, reducing ON-resistance to increase the VCM settling speed and accuracy.

The proposed non-binary weighted capacitor array.
The digital output goes from 0 to 3 as the input ranges from
Equating equations (19) and (20) gives the equation (21)
Similarly, the
This provides equations (23)–(25).
Implying the matrix form in equation (26)
Thus, the capacitor mismatch coefficients β1–β4 compute the backend value β as shown below in equation (27).
The capacitors C 1 and C 4 in by connecting C 4 to ±V REF controlled by thermometer code T0 and C 1 to VCM. Instead of the β 1–β 4 values, we can obtain the new values defined as γ1–γ4. The new γ values for each region can calculate the gain as in equation (28).
The schematic of the low-latency comparator is presented in Figure 6, which are non-linear parasitic capacitor calibrations with the offset of 62 controllers with dsp[3:0] and dsn[3:0].

The proposed power optimised low-latency comparator.
The capacitance unit is stated as 200 aF. The preamplifier output is equalised in the reset phase, and the preamplifier states M4. Adjustment for large-to-small signal swings caused by differential input voltage variations. Consider the data acquisition power consumption with the dynamic latch of the comparator. The circuit noises are minimised using input pair of p-type MOS. The ADC unit capacitor is at a shrinking level based on high speed and low power energy consumption for the parasitic capacitor at the input considered. The input pair of the parasitic capacitors Cvar for the capacitor MOS transistor is nonlinear.
4 Simulation results
The performance of the CGR is evaluated in the simulation software Spice for the computation of efficiency. To reduce the anti-aliasing effects for the EEG signal acquisition and amplification, non-binary CGR is implemented for the analysis. The OP-AMP design provides the 50 dB gain for the peak-to-peak linearity value of 75 dB with a swing value of 1.5 V with the UMC 65 nm process. The design comprises the 20 mA with a power supply of 1.5 V for the capacitor mismatch of 3% in the backend stage considered ideal. An effective number of bits (ENOB) of 11.8 bits is reported for the pipelined design of the ADC model. The nonlinearity estimation with the pipeline architecture for the bottom plate sampling with switches is focused on eliminating nonlinearity in the sampling switches, as presented in Figure 7.

The layout of ADC.
Table 1 compares this ADC’s performance with prior ADCs with comparable resolution and sampling rates.
Comparison of the performance of the ADC with that of prior art
[2] | [29] | Proposed model | |
---|---|---|---|
Technology (nm) | 65 nm CMOS | 90 nm CMOS | UMC 65 nm |
Resolution (bits) | 11 | 10 | 12 |
Conversion rate | 1 GHz | 500 MHz | 500 MHz |
SNDR (dB) | 52.4 | 53 | 65.5 |
Power (mW) | 33 | 55 | 103 |
Supply voltage (V) | 1.2 | 1.2 | 1.2/2.5 |
Input voltage (V) | 1.2Vpp | 1.2Vpp | 1.2Vpp |
Active ADC area | 750 µm x 300 µm | 0.5 mm × 0.5 mm | 2.5 mm × 2.5 mm |
The proposed model is implemented in the TANNER simulation software based on considering different conditions. Twelve bits of pipelined architecture are used for the simulation analysis, with three phases providing either four bits of resolution or three bits of resolution. Each stage’s redundancy value is measured as the 1 bit, and the inter-stage gain is 8 for the overall resolution value of 12 bits and 15 raw bits in ADC. The developed model comprises the calibration technique incorporating 2 states with the pipelined architecture for the backend process in an ideal state. Table 2 provides the key parameters incorporated in the two stages for the calibration of the noise circuit for every state with a resolution of 11.3 bits.
Simulation Parameters
Stage no. | Gain of OP-AMP (%) | Comparator offset (mV) | Mismatch in capacitor (%) |
---|---|---|---|
1 | 100 ± 20 | 15 | 3 |
2 | 100 ± 20 | 15 | 3 |
The maximum code for the estimation incorporating counters and comparators with the simulation comprises the 9-bits with 10-bit counters with a maximum count value of 1,024. The obtained power is presented in Table 3.
Power obtained for various subcircuits
Circuits simulated | Total power | Average power |
---|---|---|
Dynamic comparator | 941.31 µW | 806.6 nW |
Sub-ADC | 349.45 µW | 3.136 µW |
Sub-DAC | 412.00 µW | 177.3 µW |
Stage 1 | 2.0327 mW | 411.6 µW |
OP-AMP sharing stage | 1.887 mW | 719.0 µW |
Flash ADC | 2.414 mW | 55.39 µW |
Final block | 9.77 mW | 4.748 µW |
The conversion time of the 10-bit pipelined ADC can be calculated using equation (11)
Conversion time = 1/(clock frequency × No. of bits)
Clock frequency = 80 MHz, No. of bits = 10
Therefore, the conversion time obtained = 1.25 ns
The proposed pipelined ADC is implemented in 180 nm CMOS technology and occupies a die area of 1.3 mm². The measured DNL and the INL are +0.32/−0.32 LSB and +0.67/−0.67 LSB, respectively. Figure 7 shows the DNL and INL plots of 10-bit pipelined ADC, respectively. The measured SNDR for the input frequency of 2 MHz at 40MSPS is 55.67 dB, and ENOB is 8.95 and consumes 9.77 mW from 1.8 V. Figures 6 and 7 show the SNDR plot of a 10-bit pipelined ADC. Table 4 shows the power obtained for various subcircuits.
Characteristics of OP-AMP
Reference | Technology (nm) | Supply Voltage (V) | Resolution (bits) | Sampling rate (MSPS) | SNDR (dB) | SFDR (dB) | ENOB (bits) | DNL/INL (LSB) | Power (mW) | Area (mm2) |
---|---|---|---|---|---|---|---|---|---|---|
[11] | 180 | 1.8 | 10 | 30 | 58.50 | 66.10 | − | 0.30/0.46 | 21.6 | 1.85 |
[12] | 180 | 1.8 | 10 | 30 | 57.41 | 65.93 | 9.10 | 0.57/0.80 | 21.6 | 0.70 |
[2] | 28 | 2.0 | 12 | 30 | 52.5 | 66.70 | 8.6 | 0.37/0.87 | 11.0 | 0.94 |
[18] | 90 | 2.1 | 14 | 16 | 61 | 79.2 | 9.57 | +0.32/−0.28 + 0.62/−0.62 | 42.82 | 0.98 |
Present work | 18 | 1.8 | 10 | 30 | 65.64 | 62.00 | 8.95 | +0.32/−0.32/+0.67/−0.67 | 9.77 | 0.30 |
Figure 8 shows the layout of pipelined ADC. Various sub-blocks, including MDAC stage1, stage2, stage3, stage4, OP-AMP sharing MDAC, 4-bit flash ADC, and digital error correction logic, were integrated to form a 10-bit pipelined ADC.

The layout of 10-bit pipelined ADC using MCS and OP-AMP sharing technique.
Table 4 shows the performance specification of pipelined ADC. The CMOS design comprises the top and bottom plate comparators for eliminating anti-aliasing in the data acquisition process. Figure 9 provides the top module design of the comparators in the top view plate.

Top module schematic in S-edit.
The data acquisition module is a critical component in generating and processing the EEG signal. With the design of the top module plate in the ADC design, the generator is designed with a tiny function, as shown in Figure 10, for generating the input waveform signal.

Tiny function generator design for input wave generation.
Based on the tiny function generator modules, the design computed the input wave generation for the varying levels of the voltages. The CGR ADC module estimates the voltages of 3 and 5 V, respectively.
Figure 11 provides the function generator for the 3 V input voltage frequency for the data acquisition process. The output voltage measured for the 3 V input is computed as presented in Figure 12.

3 V input wave generated from function generator.

The proposed digital output for 3 V input sensor wave.
For the input sensor of 3 V, the performance of the designed ADC is evaluated in the Spice software, the time period measured is between 0 and 100 s for the variation in signal frequencies. The output voltage is measured as 3 V for the data acquisition process in the comparator. Figure 13 provides the 5 V input waveform for the data sensor to compute the signal frequencies.

5 V input wave generated from function generator.
Figure 14 provides the input signal provided for the EEG sensor to estimate the output signal. The analysis expressed that the developed non-binary ADC generates the output value 5 V for the proposed ADC model. Table 5 compares the proposed ADC model with the non-linear capacitance, switch capacitor time, and power.

The proposed digital output for 5 V input sensor wave.
Comparative analysis
Power | Time (s) | |
---|---|---|
Proposed | 0.71365 nW | 3.98 |
SAR ADC nonlinear capacitance | 2.6 mW | 10.5 |
IADC single-ended switch-capacitor | 677 mW | 32 |
4.1 Comparative discussion
The comparative analysis showed that the proposed model exhibits significant performance compared to the nonlinear capacitance and switch capacitor. The proposed model achieves a power consumption value of 0.713 nW, significantly less than the nonlinear and switch capacitors as those achieving a power consumption levels of 2.6 and 677 mW. Regarding time analysis, the proposed model exhibits a minimal processing time of 3.98 s, while the nonlinear capacitor achieves a time of 10.5 s and a switch capacitor value of 32 s.
5 Conclusion
Research on EEG covers data gathering, analysis, energy renewal, and more. EEG-gathering devices include encoding, digital transfer, head sensor placement, and separate amplifiers. The EEG detects periodic noise. Head movement, sensor lines, and hair sweat produce low-frequency noise. Low-frequency noise alters EEG signals over time. Muscle actions and electromagnetic waves create high-frequency noise. EEG shifts are saw-toothed by high-frequency noise. High- and low-frequency noises are usually lower and higher than human EEG, respectively. Lowering signal power above and below the testing level without altering the signs of interest lowers noise. Aliasing may affect low-frequency impacts in the original data because high-frequency noise is mirrored in the data. The SAR ADC system incorporates the filter evaluated based on the specification for the converter with DC- and AC-amplifier. The aliased signal path is considered with the elimination of the outside signal with sampling bandwidth in the ADC converter. The CGR ADC architecture utilises the high threshold for the voltage cells with the open loop comparator with an OP-AMP with high-voltage cells to minimise the power consumption and delay in CMOS. The DAC block comprises the resistor string designed with CMOS technology with higher threshold voltages. The constructed ADC techniques minimise the ADC power consumption and delay. The present study comprises the programmable ADC 1 A with low power to derive high efficiency from operating an appropriate field in ADC. The presented data acquisition scheme comprises the EEG signal monitoring for amplification with the digital codes of 8 or 12 cycles with the code size of 100kS/s/100 MS/s with a sampling rate. The adjustment unit in ADC comprises the reconfigured unit that is synchronised. The comparative analysis expressed that the proposed ADC model achieves the minimal energy consumption value of ∼12%, which is minimal than the nonlinear and switch end capacitor. Also, the time consumed is ∼9% less than the nonlinear and switch-end capacitor.
Acknowledgments
The author would like to thank the Department of ECE, JNTUA, Ananthapuramu, A.P, 515 002, India, for supporting this work.
-
Funding information: Authors state no funding involved.
-
Author contribution: Conceptualisation, methodology, software, validation, formal analysis, resources, data curation, and writing – original draft preparation: P.B. and investigation, writing – review and editing, visualisation, supervision, project administration, and funding acquisition: D.V.V.
-
Conflict of interest: Authors state no conflict of interest.
-
Data availability statement: The datasets generated during and/or analysed during the current study are available from the corresponding author on reasonable request.
References
[1] Furubayashi Y, Oshima T, Yamawaki T, Watanabe K, Mori K, Mori N, et al. A 22-ng/-Hz 17-mw capacitive MEMS accelerometer with electrically separated mass structure and digital noise-reduction techniques. IEEE J Solid-State Circuits. 2020;55(9):2539–52. 10.1109/JSSC.2020.2991533.Search in Google Scholar
[2] Vogelmann P, Luo Y, Mokhtar MA, Ortmanns M. Efficient high-resolution nyquist ADCs. In: Baschirotto A, Harpe P, Makinwa K, editors. Next-Generation ADCs, High-Performance Power Management, and Technology Considerations for Advanced Integrated Circuits. Cham: Springer; 2020. 10.1007/978-3-030-25267-0_3.Search in Google Scholar
[3] Tang X, Liu J, Shen Y, Li S, Shen L, Sanyal A, et al. Low-power SAR ADC design: overview and survey of state-of-the-art techniques. IEEE Trans Circuits Syst I: Regul Pap. 2022;69(6):2249–62. 10.1109/TCSI.2022.3166792.Search in Google Scholar
[4] Perez AR, Torres LM, Prefasi E, de Aranda RP. Multi-Gigabit transceivers for optical data communications from the standardization perspective. IEEE Trans Circuits Syst II: Express Briefs. 2020;68(1):56–62. 10.1109/TCSII.2020.3040476.Search in Google Scholar
[5] Zou X, Xiao F, Yu Z, Li Y, Lee YJ. Delving deeper into anti-aliasing in convents. Int J Computer Vis. 2022;131:1–15. 10.48550/arXiv.2008.09604.Search in Google Scholar
[6] Milenkovic PH, Wagner M, Kent RD, Story BH, Vorperian HK. Effects of sampling rate and type of anti-aliasing filter on linear-predictive estimates of formant frequencies in men, women, and children. J Acoustical Soc Am. 2020;147(3):EL221–7. 10.1121/10.0000824.Search in Google Scholar PubMed PubMed Central
[7] Wu G, Liu Y, Fang L, Chai T. Revisiting light field rendering with deep anti-aliasing neural network. In: IEEE Transactions on Pattern Analysis and Machine Intelligence. Vol. 44. Issue 9; 2022. p. 5430–44. 10.1109/TPAMI.2021.3073739.Search in Google Scholar PubMed
[8] Mozumi M, Nagaoka R, Cinthio M, Hasegawa H. Anti-aliasing method for ultrasonic 2D phase-sensitive motion estimator. Japanese J Appl Phys. 2020;59(SK):SKKE20. 10.35848/1347-4065/ab8c9a.Search in Google Scholar
[9] Shibata H, Taylor G, Schell B, Kozlov V, Patil S, Paterson D, et al. 16.6 An 800MHz-BW VCO-based continuous-time pipelined ADC with inherent anti-aliasing and on-chip digital reconstruction filter. In: 2020 IEEE International Solid-State Circuits Conference-(ISSCC), San Francisco, CA, USA; 2020. p. 260–2. 10.1109/ISSCC19947.2020.9062917.Search in Google Scholar
[10] Centurelli F, Monsurrò P, Scotti G, Tommasino P, Trifiletti A. A SiGe HBT 6th-order 10 GHz inductor-less anti-aliasing low-pass filter for high-speed ATI digitizers. IEEE Trans Circuits Syst I: Regul Pap. 2021;69(1):100–13. 10.1109/TCSI.2021.3091852.Search in Google Scholar
[11] Riem R, Raman J, Borgmans J, Rombouts P. A low-noise instrumentation amplifier with built-in anti-aliasing for hall sensors. IEEE Sens J. 2021;21(17):18932–44. 10.1109/JSEN.2021.3090251.Search in Google Scholar
[12] Zhao C, Dewey BE, Pham DL, Calabresi PA, Reich DS, Prince J, et al. SMORE: a self-supervised anti-aliasing and super-resolution algorithm for MRI using deep learning. IEEE Trans Med Imaging. 2020;40(3):805–17. 10.1109/TMI.2020.3037187.Search in Google Scholar PubMed PubMed Central
[13] Zhang Y, McGill PR, Ryan JP. Optimized design of windowed-sinc anti-aliasing filters for phase-preserving decimation of hydrophone data. J Acoustical Soc Am. 2022;151(3):2077–84. 10.1121/10.0009823.Search in Google Scholar PubMed
[14] Chermain X, Lucas S, Sauvage B, Dischler JM, Dachsbacher C. Real-time geometric glint anti-aliasing with normal map filtering. Proceedings of the ACM on Computer Graphics and Interactive Techniques. Vol. 4. Issue 1; 2021. p. 1–16. 10.1145/3451257.Search in Google Scholar
[15] Gani HS, Wijaya SK, Prawito LO, Husein ZT. Development of EEG data acquisition system based on FPGA Zedboard. 2017 5th International Conference on Instrumentation, Communications, Information Technology, and Biomedical Engineering (ICICI-BME), Bandung, Indonesia; 2017. p. 1–5. 10.1109/ICICI-BME.2017.8537777.Search in Google Scholar
[16] Li B, Cheng T, Guo Z. A review of EEG acquisition, processing and application. J Physics: Conf Ser. 2021;1907:012045. 10.1088/1742-6596/1907/1/012045.Search in Google Scholar
[17] Alkhorshid DR, Molaeezadeh SF, Alkhorshid MR. Analysis: Electroencephalography acquisition system: Analog design. Biomed Instrum Technol. 2020 Sep;54(5):346–51. 10.2345/0899-8205-54.5.346.Search in Google Scholar PubMed
[18] Kumar JM, Mittal VK. EEG data acquisition system and analysis of EEG Signals. 9/21; 2021. p. 1–5.10.1109/INCET51464.2021.9456431Search in Google Scholar
[19] Usakli AB. Improvement of EEG signal acquisition: An electrical aspect for state of the art of front end. Comput Intell Neurosci. 2010;2010;7. 10.1155/2010/630649.Search in Google Scholar PubMed PubMed Central
[20] Lee S, Cho H, Kim K, Jun SC. Simultaneous EEG acquisition system for multiple users: Development and related issues. Sensors. 2019;19(20):4592. 10.3390/s19204592.Search in Google Scholar PubMed PubMed Central
[21] Cui X, Yang P. The front-end design of portable EEG acquisition system based on the ADS1299. Int J Sci Res (IJSR). March 2016;5(3):1513–5.10.21275/v5i3.NOV162267Search in Google Scholar
[22] Ren Q, Chen C, Dong D, Xu X, Chen Y, Zhang F. A 13 µW analog front-end with RRAM-based lowpass FIR filter for EEG signal detection. Sensors. 2022;22(16):6096. 10.3390/s22166096.Search in Google Scholar PubMed PubMed Central
[23] Lei Z, Xiaolin Z, Wenxin J. A lateral field non-binary split weighted capacitor array based on fractal curve for SAR ADC. IEICE Electron Express. 2020;17(5):20200034. 10.1587/elex.17.20200034.Search in Google Scholar
[24] Liu M, Tang X, Zhu K, Chen H, Sun N, Pan DZ, et al. OpenSAR: an open source automated end-to-end SAR ADC compiler. 2021 IEEE/ACM International Conference On Computer Aided Design (ICCAD), Munich, Germany; 2021. p. 1–9. 10.1109/ICCAD51958.2021.9643494.Search in Google Scholar
[25] Bhat KG, Laxminidhi T, Bhat MS. Resolution-independent fully differential SCI-based SAR ADC architecture using six-unit capacitors. Sādhanā. 2020;45:1–4. 10.1007/s12046-020-01421-2.Search in Google Scholar
[26] Fan H, Wang Y, Wei Q, Feng Q, Zhou W. Capacitor recombination algorithm combined with LMS algorithm in 16-bit SAR ADC with redundancy. Circuits, Systems, Signal Process. 2023;42:1–19. 10.1007/s00034-022-02266-2.Search in Google Scholar
[27] Chen B, Maddox M, Coln MCW, Lu Y, Fernando LD. Precision passive-charge-sharing SAR ADC: analysis, design, and measurement results. IEEE J Solid-State Circuits. 2018;53(5):1481–92. 10.1109/JSSC.2018.2793558.Search in Google Scholar
[28] Chung YH, Tien CH, Zeng QF. A 16-bit calibration-free SAE ADC with binary-window and capacitor-swapping DACing switching schemes. In: IEEE Transactions on Circuits and Systems I: Regular Papers. 2022;69(1):88–99. 10.1109/TCSI.2021.3096242.Search in Google Scholar
[29] Shetty C, Nagabushanam M, Prasad VN. A 14-bit high speed 125ms/s low power SAR ADC using dual split capacitor DAC architecture in 90nm CMOS technology. Int J Circuits, Syst Signal Process. 2021;15(62):556–68. 10.46300/9106.2021.15.62.Search in Google Scholar
© 2023 the author(s), published by De Gruyter
This work is licensed under the Creative Commons Attribution 4.0 International License.
Articles in the same Issue
- Biomedical Sciences
- Systemic investigation of inetetamab in combination with small molecules to treat HER2-overexpressing breast and gastric cancers
- Immunosuppressive treatment for idiopathic membranous nephropathy: An updated network meta-analysis
- Identifying two pathogenic variants in a patient with pigmented paravenous retinochoroidal atrophy
- Effects of phytoestrogens combined with cold stress on sperm parameters and testicular proteomics in rats
- A case of pulmonary embolism with bad warfarin anticoagulant effects caused by E. coli infection
- Neutrophilia with subclinical Cushing’s disease: A case report and literature review
- Isoimperatorin alleviates lipopolysaccharide-induced periodontitis by downregulating ERK1/2 and NF-κB pathways
- Immunoregulation of synovial macrophages for the treatment of osteoarthritis
- Novel CPLANE1 c.8948dupT (p.P2984Tfs*7) variant in a child patient with Joubert syndrome
- Antiphospholipid antibodies and the risk of thrombosis in myeloproliferative neoplasms
- Immunological responses of septic rats to combination therapy with thymosin α1 and vitamin C
- High glucose and high lipid induced mitochondrial dysfunction in JEG-3 cells through oxidative stress
- Pharmacological inhibition of the ubiquitin-specific protease 8 effectively suppresses glioblastoma cell growth
- Levocarnitine regulates the growth of angiotensin II-induced myocardial fibrosis cells via TIMP-1
- Age-related changes in peripheral T-cell subpopulations in elderly individuals: An observational study
- Single-cell transcription analysis reveals the tumor origin and heterogeneity of human bilateral renal clear cell carcinoma
- Identification of iron metabolism-related genes as diagnostic signatures in sepsis by blood transcriptomic analysis
- Long noncoding RNA ACART knockdown decreases 3T3-L1 preadipocyte proliferation and differentiation
- Surgery, adjuvant immunotherapy plus chemotherapy and radiotherapy for primary malignant melanoma of the parotid gland (PGMM): A case report
- Dosimetry comparison with helical tomotherapy, volumetric modulated arc therapy, and intensity-modulated radiotherapy for grade II gliomas: A single‑institution case series
- Soy isoflavone reduces LPS-induced acute lung injury via increasing aquaporin 1 and aquaporin 5 in rats
- Refractory hypokalemia with sexual dysplasia and infertility caused by 17α-hydroxylase deficiency and triple X syndrome: A case report
- Meta-analysis of cancer risk among end stage renal disease undergoing maintenance dialysis
- 6-Phosphogluconate dehydrogenase inhibition arrests growth and induces apoptosis in gastric cancer via AMPK activation and oxidative stress
- Experimental study on the optimization of ANM33 release in foam cells
- Primary retroperitoneal angiosarcoma: A case report
- Metabolomic analysis-identified 2-hydroxybutyric acid might be a key metabolite of severe preeclampsia
- Malignant pleural effusion diagnosis and therapy
- Effect of spaceflight on the phenotype and proteome of Escherichia coli
- Comparison of immunotherapy combined with stereotactic radiotherapy and targeted therapy for patients with brain metastases: A systemic review and meta-analysis
- Activation of hypermethylated P2RY1 mitigates gastric cancer by promoting apoptosis and inhibiting proliferation
- Association between the VEGFR-2 -604T/C polymorphism (rs2071559) and type 2 diabetic retinopathy
- The role of IL-31 and IL-34 in the diagnosis and treatment of chronic periodontitis
- Triple-negative mouse breast cancer initiating cells show high expression of beta1 integrin and increased malignant features
- mNGS facilitates the accurate diagnosis and antibiotic treatment of suspicious critical CNS infection in real practice: A retrospective study
- The apatinib and pemetrexed combination has antitumor and antiangiogenic effects against NSCLC
- Radiotherapy for primary thyroid adenoid cystic carcinoma
- Design and functional preliminary investigation of recombinant antigen EgG1Y162–EgG1Y162 against Echinococcus granulosus
- Effects of losartan in patients with NAFLD: A meta-analysis of randomized controlled trial
- Bibliometric analysis of METTL3: Current perspectives, highlights, and trending topics
- Performance comparison of three scaling algorithms in NMR-based metabolomics analysis
- PI3K/AKT/mTOR pathway and its related molecules participate in PROK1 silence-induced anti-tumor effects on pancreatic cancer
- The altered expression of cytoskeletal and synaptic remodeling proteins during epilepsy
- Effects of pegylated recombinant human granulocyte colony-stimulating factor on lymphocytes and white blood cells of patients with malignant tumor
- Prostatitis as initial manifestation of Chlamydia psittaci pneumonia diagnosed by metagenome next-generation sequencing: A case report
- NUDT21 relieves sevoflurane-induced neurological damage in rats by down-regulating LIMK2
- Association of interleukin-10 rs1800896, rs1800872, and interleukin-6 rs1800795 polymorphisms with squamous cell carcinoma risk: A meta-analysis
- Exosomal HBV-DNA for diagnosis and treatment monitoring of chronic hepatitis B
- Shear stress leads to the dysfunction of endothelial cells through the Cav-1-mediated KLF2/eNOS/ERK signaling pathway under physiological conditions
- Interaction between the PI3K/AKT pathway and mitochondrial autophagy in macrophages and the leukocyte count in rats with LPS-induced pulmonary infection
- Meta-analysis of the rs231775 locus polymorphism in the CTLA-4 gene and the susceptibility to Graves’ disease in children
- Cloning, subcellular localization and expression of phosphate transporter gene HvPT6 of hulless barley
- Coptisine mitigates diabetic nephropathy via repressing the NRLP3 inflammasome
- Significant elevated CXCL14 and decreased IL-39 levels in patients with tuberculosis
- Whole-exome sequencing applications in prenatal diagnosis of fetal bowel dilatation
- Gemella morbillorum infective endocarditis: A case report and literature review
- An unusual ectopic thymoma clonal evolution analysis: A case report
- Severe cumulative skin toxicity during toripalimab combined with vemurafenib following toripalimab alone
- Detection of V. vulnificus septic shock with ARDS using mNGS
- Novel rare genetic variants of familial and sporadic pulmonary atresia identified by whole-exome sequencing
- The influence and mechanistic action of sperm DNA fragmentation index on the outcomes of assisted reproduction technology
- Novel compound heterozygous mutations in TELO2 in an infant with You-Hoover-Fong syndrome: A case report and literature review
- ctDNA as a prognostic biomarker in resectable CLM: Systematic review and meta-analysis
- Diagnosis of primary amoebic meningoencephalitis by metagenomic next-generation sequencing: A case report
- Phylogenetic analysis of promoter regions of human Dolichol kinase (DOLK) and orthologous genes using bioinformatics tools
- Collagen changes in rabbit conjunctiva after conjunctival crosslinking
- Effects of NM23 transfection of human gastric carcinoma cells in mice
- Oral nifedipine and phytosterol, intravenous nicardipine, and oral nifedipine only: Three-arm, retrospective, cohort study for management of severe preeclampsia
- Case report of hepatic retiform hemangioendothelioma: A rare tumor treated with ultrasound-guided microwave ablation
- Curcumin induces apoptosis in human hepatocellular carcinoma cells by decreasing the expression of STAT3/VEGF/HIF-1α signaling
- Rare presentation of double-clonal Waldenström macroglobulinemia with pulmonary embolism: A case report
- Giant duplication of the transverse colon in an adult: A case report and literature review
- Ectopic thyroid tissue in the breast: A case report
- SDR16C5 promotes proliferation and migration and inhibits apoptosis in pancreatic cancer
- Vaginal metastasis from breast cancer: A case report
- Screening of the best time window for MSC transplantation to treat acute myocardial infarction with SDF-1α antibody-loaded targeted ultrasonic microbubbles: An in vivo study in miniswine
- Inhibition of TAZ impairs the migration ability of melanoma cells
- Molecular complexity analysis of the diagnosis of Gitelman syndrome in China
- Effects of maternal calcium and protein intake on the development and bone metabolism of offspring mice
- Identification of winter wheat pests and diseases based on improved convolutional neural network
- Ultra-multiplex PCR technique to guide treatment of Aspergillus-infected aortic valve prostheses
- Virtual high-throughput screening: Potential inhibitors targeting aminopeptidase N (CD13) and PIKfyve for SARS-CoV-2
- Immune checkpoint inhibitors in cancer patients with COVID-19
- Utility of methylene blue mixed with autologous blood in preoperative localization of pulmonary nodules and masses
- Integrated analysis of the microbiome and transcriptome in stomach adenocarcinoma
- Berberine suppressed sarcopenia insulin resistance through SIRT1-mediated mitophagy
- DUSP2 inhibits the progression of lupus nephritis in mice by regulating the STAT3 pathway
- Lung abscess by Fusobacterium nucleatum and Streptococcus spp. co-infection by mNGS: A case series
- Genetic alterations of KRAS and TP53 in intrahepatic cholangiocarcinoma associated with poor prognosis
- Granulomatous polyangiitis involving the fourth ventricle: Report of a rare case and a literature review
- Studying infant mortality: A demographic analysis based on data mining models
- Metaplastic breast carcinoma with osseous differentiation: A report of a rare case and literature review
- Protein Z modulates the metastasis of lung adenocarcinoma cells
- Inhibition of pyroptosis and apoptosis by capsaicin protects against LPS-induced acute kidney injury through TRPV1/UCP2 axis in vitro
- TAK-242, a toll-like receptor 4 antagonist, against brain injury by alleviates autophagy and inflammation in rats
- Primary mediastinum Ewing’s sarcoma with pleural effusion: A case report and literature review
- Association of ADRB2 gene polymorphisms and intestinal microbiota in Chinese Han adolescents
- Tanshinone IIA alleviates chondrocyte apoptosis and extracellular matrix degeneration by inhibiting ferroptosis
- Study on the cytokines related to SARS-Cov-2 in testicular cells and the interaction network between cells based on scRNA-seq data
- Effect of periostin on bone metabolic and autophagy factors during tooth eruption in mice
- HP1 induces ferroptosis of renal tubular epithelial cells through NRF2 pathway in diabetic nephropathy
- Intravaginal estrogen management in postmenopausal patients with vaginal squamous intraepithelial lesions along with CO2 laser ablation: A retrospective study
- Hepatocellular carcinoma cell differentiation trajectory predicts immunotherapy, potential therapeutic drugs, and prognosis of patients
- Effects of physical exercise on biomarkers of oxidative stress in healthy subjects: A meta-analysis of randomized controlled trials
- Identification of lysosome-related genes in connection with prognosis and immune cell infiltration for drug candidates in head and neck cancer
- Development of an instrument-free and low-cost ELISA dot-blot test to detect antibodies against SARS-CoV-2
- Research progress on gas signal molecular therapy for Parkinson’s disease
- Adiponectin inhibits TGF-β1-induced skin fibroblast proliferation and phenotype transformation via the p38 MAPK signaling pathway
- The G protein-coupled receptor-related gene signatures for predicting prognosis and immunotherapy response in bladder urothelial carcinoma
- α-Fetoprotein contributes to the malignant biological properties of AFP-producing gastric cancer
- CXCL12/CXCR4/CXCR7 axis in placenta tissues of patients with placenta previa
- Association between thyroid stimulating hormone levels and papillary thyroid cancer risk: A meta-analysis
- Significance of sTREM-1 and sST2 combined diagnosis for sepsis detection and prognosis prediction
- Diagnostic value of serum neuroactive substances in the acute exacerbation of chronic obstructive pulmonary disease complicated with depression
- Research progress of AMP-activated protein kinase and cardiac aging
- TRIM29 knockdown prevented the colon cancer progression through decreasing the ubiquitination levels of KRT5
- Cross-talk between gut microbiota and liver steatosis: Complications and therapeutic target
- Metastasis from small cell lung cancer to ovary: A case report
- The early diagnosis and pathogenic mechanisms of sepsis-related acute kidney injury
- The effect of NK cell therapy on sepsis secondary to lung cancer: A case report
- Erianin alleviates collagen-induced arthritis in mice by inhibiting Th17 cell differentiation
- Loss of ACOX1 in clear cell renal cell carcinoma and its correlation with clinical features
- Signalling pathways in the osteogenic differentiation of periodontal ligament stem cells
- Crosstalk between lactic acid and immune regulation and its value in the diagnosis and treatment of liver failure
- Clinicopathological features and differential diagnosis of gastric pleomorphic giant cell carcinoma
- Traumatic brain injury and rTMS-ERPs: Case report and literature review
- Extracellular fibrin promotes non-small cell lung cancer progression through integrin β1/PTEN/AKT signaling
- Knockdown of DLK4 inhibits non-small cell lung cancer tumor growth by downregulating CKS2
- The co-expression pattern of VEGFR-2 with indicators related to proliferation, apoptosis, and differentiation of anagen hair follicles
- Inflammation-related signaling pathways in tendinopathy
- CD4+ T cell count in HIV/TB co-infection and co-occurrence with HL: Case report and literature review
- Clinical analysis of severe Chlamydia psittaci pneumonia: Case series study
- Bioinformatics analysis to identify potential biomarkers for the pulmonary artery hypertension associated with the basement membrane
- Influence of MTHFR polymorphism, alone or in combination with smoking and alcohol consumption, on cancer susceptibility
- Catharanthus roseus (L.) G. Don counteracts the ampicillin resistance in multiple antibiotic-resistant Staphylococcus aureus by downregulation of PBP2a synthesis
- Combination of a bronchogenic cyst in the thoracic spinal canal with chronic myelocytic leukemia
- Bacterial lipoprotein plays an important role in the macrophage autophagy and apoptosis induced by Salmonella typhimurium and Staphylococcus aureus
- TCL1A+ B cells predict prognosis in triple-negative breast cancer through integrative analysis of single-cell and bulk transcriptomic data
- Ezrin promotes esophageal squamous cell carcinoma progression via the Hippo signaling pathway
- Ferroptosis: A potential target of macrophages in plaque vulnerability
- Predicting pediatric Crohn's disease based on six mRNA-constructed risk signature using comprehensive bioinformatic approaches
- Applications of genetic code expansion and photosensitive UAAs in studying membrane proteins
- HK2 contributes to the proliferation, migration, and invasion of diffuse large B-cell lymphoma cells by enhancing the ERK1/2 signaling pathway
- IL-17 in osteoarthritis: A narrative review
- Circadian cycle and neuroinflammation
- Probiotic management and inflammatory factors as a novel treatment in cirrhosis: A systematic review and meta-analysis
- Hemorrhagic meningioma with pulmonary metastasis: Case report and literature review
- SPOP regulates the expression profiles and alternative splicing events in human hepatocytes
- Knockdown of SETD5 inhibited glycolysis and tumor growth in gastric cancer cells by down-regulating Akt signaling pathway
- PTX3 promotes IVIG resistance-induced endothelial injury in Kawasaki disease by regulating the NF-κB pathway
- Pancreatic ectopic thyroid tissue: A case report and analysis of literature
- The prognostic impact of body mass index on female breast cancer patients in underdeveloped regions of northern China differs by menopause status and tumor molecular subtype
- Report on a case of liver-originating malignant melanoma of unknown primary
- Case report: Herbal treatment of neutropenic enterocolitis after chemotherapy for breast cancer
- The fibroblast growth factor–Klotho axis at molecular level
- Characterization of amiodarone action on currents in hERG-T618 gain-of-function mutations
- A case report of diagnosis and dynamic monitoring of Listeria monocytogenes meningitis with NGS
- Effect of autologous platelet-rich plasma on new bone formation and viability of a Marburg bone graft
- Small breast epithelial mucin as a useful prognostic marker for breast cancer patients
- Continuous non-adherent culture promotes transdifferentiation of human adipose-derived stem cells into retinal lineage
- Nrf3 alleviates oxidative stress and promotes the survival of colon cancer cells by activating AKT/BCL-2 signal pathway
- Favorable response to surufatinib in a patient with necrolytic migratory erythema: A case report
- Case report of atypical undernutrition of hypoproteinemia type
- Down-regulation of COL1A1 inhibits tumor-associated fibroblast activation and mediates matrix remodeling in the tumor microenvironment of breast cancer
- Sarcoma protein kinase inhibition alleviates liver fibrosis by promoting hepatic stellate cells ferroptosis
- Research progress of serum eosinophil in chronic obstructive pulmonary disease and asthma
- Clinicopathological characteristics of co-existing or mixed colorectal cancer and neuroendocrine tumor: Report of five cases
- Role of menopausal hormone therapy in the prevention of postmenopausal osteoporosis
- Precisional detection of lymph node metastasis using tFCM in colorectal cancer
- Advances in diagnosis and treatment of perimenopausal syndrome
- A study of forensic genetics: ITO index distribution and kinship judgment between two individuals
- Acute lupus pneumonitis resembling miliary tuberculosis: A case-based review
- Plasma levels of CD36 and glutathione as biomarkers for ruptured intracranial aneurysm
- Fractalkine modulates pulmonary angiogenesis and tube formation by modulating CX3CR1 and growth factors in PVECs
- Novel risk prediction models for deep vein thrombosis after thoracotomy and thoracoscopic lung cancer resections, involving coagulation and immune function
- Exploring the diagnostic markers of essential tremor: A study based on machine learning algorithms
- Evaluation of effects of small-incision approach treatment on proximal tibia fracture by deep learning algorithm-based magnetic resonance imaging
- An online diagnosis method for cancer lesions based on intelligent imaging analysis
- Medical imaging in rheumatoid arthritis: A review on deep learning approach
- Predictive analytics in smart healthcare for child mortality prediction using a machine learning approach
- Utility of neutrophil–lymphocyte ratio and platelet–lymphocyte ratio in predicting acute-on-chronic liver failure survival
- A biomedical decision support system for meta-analysis of bilateral upper-limb training in stroke patients with hemiplegia
- TNF-α and IL-8 levels are positively correlated with hypobaric hypoxic pulmonary hypertension and pulmonary vascular remodeling in rats
- Stochastic gradient descent optimisation for convolutional neural network for medical image segmentation
- Comparison of the prognostic value of four different critical illness scores in patients with sepsis-induced coagulopathy
- Application and teaching of computer molecular simulation embedded technology and artificial intelligence in drug research and development
- Hepatobiliary surgery based on intelligent image segmentation technology
- Value of brain injury-related indicators based on neural network in the diagnosis of neonatal hypoxic-ischemic encephalopathy
- Analysis of early diagnosis methods for asymmetric dementia in brain MR images based on genetic medical technology
- Early diagnosis for the onset of peri-implantitis based on artificial neural network
- Clinical significance of the detection of serum IgG4 and IgG4/IgG ratio in patients with thyroid-associated ophthalmopathy
- Forecast of pain degree of lumbar disc herniation based on back propagation neural network
- SPA-UNet: A liver tumor segmentation network based on fused multi-scale features
- Systematic evaluation of clinical efficacy of CYP1B1 gene polymorphism in EGFR mutant non-small cell lung cancer observed by medical image
- Rehabilitation effect of intelligent rehabilitation training system on hemiplegic limb spasms after stroke
- A novel approach for minimising anti-aliasing effects in EEG data acquisition
- ErbB4 promotes M2 activation of macrophages in idiopathic pulmonary fibrosis
- Clinical role of CYP1B1 gene polymorphism in prediction of postoperative chemotherapy efficacy in NSCLC based on individualized health model
- Lung nodule segmentation via semi-residual multi-resolution neural networks
- Evaluation of brain nerve function in ICU patients with Delirium by deep learning algorithm-based resting state MRI
- A data mining technique for detecting malignant mesothelioma cancer using multiple regression analysis
- Markov model combined with MR diffusion tensor imaging for predicting the onset of Alzheimer’s disease
- Effectiveness of the treatment of depression associated with cancer and neuroimaging changes in depression-related brain regions in patients treated with the mediator-deuterium acupuncture method
- Molecular mechanism of colorectal cancer and screening of molecular markers based on bioinformatics analysis
- Monitoring and evaluation of anesthesia depth status data based on neuroscience
- Exploring the conformational dynamics and thermodynamics of EGFR S768I and G719X + S768I mutations in non-small cell lung cancer: An in silico approaches
- Optimised feature selection-driven convolutional neural network using gray level co-occurrence matrix for detection of cervical cancer
- Incidence of different pressure patterns of spinal cerebellar ataxia and analysis of imaging and genetic diagnosis
- Pathogenic bacteria and treatment resistance in older cardiovascular disease patients with lung infection and risk prediction model
- Adoption value of support vector machine algorithm-based computed tomography imaging in the diagnosis of secondary pulmonary fungal infections in patients with malignant hematological disorders
- From slides to insights: Harnessing deep learning for prognostic survival prediction in human colorectal cancer histology
- Ecology and Environmental Science
- Monitoring of hourly carbon dioxide concentration under different land use types in arid ecosystem
- Comparing the differences of prokaryotic microbial community between pit walls and bottom from Chinese liquor revealed by 16S rRNA gene sequencing
- Effects of cadmium stress on fruits germination and growth of two herbage species
- Bamboo charcoal affects soil properties and bacterial community in tea plantations
- Optimization of biogas potential using kinetic models, response surface methodology, and instrumental evidence for biodegradation of tannery fleshings during anaerobic digestion
- Understory vegetation diversity patterns of Platycladus orientalis and Pinus elliottii communities in Central and Southern China
- Studies on macrofungi diversity and discovery of new species of Abortiporus from Baotianman World Biosphere Reserve
- Food Science
- Effect of berrycactus fruit (Myrtillocactus geometrizans) on glutamate, glutamine, and GABA levels in the frontal cortex of rats fed with a high-fat diet
- Guesstimate of thymoquinone diversity in Nigella sativa L. genotypes and elite varieties collected from Indian states using HPTLC technique
- Analysis of bacterial community structure of Fuzhuan tea with different processing techniques
- Untargeted metabolomics reveals sour jujube kernel benefiting the nutritional value and flavor of Morchella esculenta
- Mycobiota in Slovak wine grapes: A case study from the small Carpathians wine region
- Elemental analysis of Fadogia ancylantha leaves used as a nutraceutical in Mashonaland West Province, Zimbabwe
- Microbiological transglutaminase: Biotechnological application in the food industry
- Influence of solvent-free extraction of fish oil from catfish (Clarias magur) heads using a Taguchi orthogonal array design: A qualitative and quantitative approach
- Chromatographic analysis of the chemical composition and anticancer activities of Curcuma longa extract cultivated in Palestine
- The potential for the use of leghemoglobin and plant ferritin as sources of iron
- Investigating the association between dietary patterns and glycemic control among children and adolescents with T1DM
- Bioengineering and Biotechnology
- Biocompatibility and osteointegration capability of β-TCP manufactured by stereolithography 3D printing: In vitro study
- Clinical characteristics and the prognosis of diabetic foot in Tibet: A single center, retrospective study
- Agriculture
- Biofertilizer and NPSB fertilizer application effects on nodulation and productivity of common bean (Phaseolus vulgaris L.) at Sodo Zuria, Southern Ethiopia
- On correlation between canopy vegetation and growth indexes of maize varieties with different nitrogen efficiencies
- Exopolysaccharides from Pseudomonas tolaasii inhibit the growth of Pleurotus ostreatus mycelia
- A transcriptomic evaluation of the mechanism of programmed cell death of the replaceable bud in Chinese chestnut
- Melatonin enhances salt tolerance in sorghum by modulating photosynthetic performance, osmoregulation, antioxidant defense, and ion homeostasis
- Effects of plant density on alfalfa (Medicago sativa L.) seed yield in western Heilongjiang areas
- Identification of rice leaf diseases and deficiency disorders using a novel DeepBatch technique
- Artificial intelligence and internet of things oriented sustainable precision farming: Towards modern agriculture
- Animal Sciences
- Effect of ketogenic diet on exercise tolerance and transcriptome of gastrocnemius in mice
- Combined analysis of mRNA–miRNA from testis tissue in Tibetan sheep with different FecB genotypes
- Isolation, identification, and drug resistance of a partially isolated bacterium from the gill of Siniperca chuatsi
- Tracking behavioral changes of confined sows from the first mating to the third parity
- The sequencing of the key genes and end products in the TLR4 signaling pathway from the kidney of Rana dybowskii exposed to Aeromonas hydrophila
- Development of a new candidate vaccine against piglet diarrhea caused by Escherichia coli
- Plant Sciences
- Crown and diameter structure of pure Pinus massoniana Lamb. forest in Hunan province, China
- Genetic evaluation and germplasm identification analysis on ITS2, trnL-F, and psbA-trnH of alfalfa varieties germplasm resources
- Tissue culture and rapid propagation technology for Gentiana rhodantha
- Effects of cadmium on the synthesis of active ingredients in Salvia miltiorrhiza
- Cloning and expression analysis of VrNAC13 gene in mung bean
- Chlorate-induced molecular floral transition revealed by transcriptomes
- Effects of warming and drought on growth and development of soybean in Hailun region
- Effects of different light conditions on transient expression and biomass in Nicotiana benthamiana leaves
- Comparative analysis of the rhizosphere microbiome and medicinally active ingredients of Atractylodes lancea from different geographical origins
- Distinguish Dianthus species or varieties based on chloroplast genomes
- Comparative transcriptomes reveal molecular mechanisms of apple blossoms of different tolerance genotypes to chilling injury
- Study on fresh processing key technology and quality influence of Cut Ophiopogonis Radix based on multi-index evaluation
- An advanced approach for fig leaf disease detection and classification: Leveraging image processing and enhanced support vector machine methodology
- Erratum
- Erratum to “Protein Z modulates the metastasis of lung adenocarcinoma cells”
- Erratum to “BRCA1 subcellular localization regulated by PI3K signaling pathway in triple-negative breast cancer MDA-MB-231 cells and hormone-sensitive T47D cells”
- Retraction
- Retraction to “Protocatechuic acid attenuates cerebral aneurysm formation and progression by inhibiting TNF-alpha/Nrf-2/NF-kB-mediated inflammatory mechanisms in experimental rats”
Articles in the same Issue
- Biomedical Sciences
- Systemic investigation of inetetamab in combination with small molecules to treat HER2-overexpressing breast and gastric cancers
- Immunosuppressive treatment for idiopathic membranous nephropathy: An updated network meta-analysis
- Identifying two pathogenic variants in a patient with pigmented paravenous retinochoroidal atrophy
- Effects of phytoestrogens combined with cold stress on sperm parameters and testicular proteomics in rats
- A case of pulmonary embolism with bad warfarin anticoagulant effects caused by E. coli infection
- Neutrophilia with subclinical Cushing’s disease: A case report and literature review
- Isoimperatorin alleviates lipopolysaccharide-induced periodontitis by downregulating ERK1/2 and NF-κB pathways
- Immunoregulation of synovial macrophages for the treatment of osteoarthritis
- Novel CPLANE1 c.8948dupT (p.P2984Tfs*7) variant in a child patient with Joubert syndrome
- Antiphospholipid antibodies and the risk of thrombosis in myeloproliferative neoplasms
- Immunological responses of septic rats to combination therapy with thymosin α1 and vitamin C
- High glucose and high lipid induced mitochondrial dysfunction in JEG-3 cells through oxidative stress
- Pharmacological inhibition of the ubiquitin-specific protease 8 effectively suppresses glioblastoma cell growth
- Levocarnitine regulates the growth of angiotensin II-induced myocardial fibrosis cells via TIMP-1
- Age-related changes in peripheral T-cell subpopulations in elderly individuals: An observational study
- Single-cell transcription analysis reveals the tumor origin and heterogeneity of human bilateral renal clear cell carcinoma
- Identification of iron metabolism-related genes as diagnostic signatures in sepsis by blood transcriptomic analysis
- Long noncoding RNA ACART knockdown decreases 3T3-L1 preadipocyte proliferation and differentiation
- Surgery, adjuvant immunotherapy plus chemotherapy and radiotherapy for primary malignant melanoma of the parotid gland (PGMM): A case report
- Dosimetry comparison with helical tomotherapy, volumetric modulated arc therapy, and intensity-modulated radiotherapy for grade II gliomas: A single‑institution case series
- Soy isoflavone reduces LPS-induced acute lung injury via increasing aquaporin 1 and aquaporin 5 in rats
- Refractory hypokalemia with sexual dysplasia and infertility caused by 17α-hydroxylase deficiency and triple X syndrome: A case report
- Meta-analysis of cancer risk among end stage renal disease undergoing maintenance dialysis
- 6-Phosphogluconate dehydrogenase inhibition arrests growth and induces apoptosis in gastric cancer via AMPK activation and oxidative stress
- Experimental study on the optimization of ANM33 release in foam cells
- Primary retroperitoneal angiosarcoma: A case report
- Metabolomic analysis-identified 2-hydroxybutyric acid might be a key metabolite of severe preeclampsia
- Malignant pleural effusion diagnosis and therapy
- Effect of spaceflight on the phenotype and proteome of Escherichia coli
- Comparison of immunotherapy combined with stereotactic radiotherapy and targeted therapy for patients with brain metastases: A systemic review and meta-analysis
- Activation of hypermethylated P2RY1 mitigates gastric cancer by promoting apoptosis and inhibiting proliferation
- Association between the VEGFR-2 -604T/C polymorphism (rs2071559) and type 2 diabetic retinopathy
- The role of IL-31 and IL-34 in the diagnosis and treatment of chronic periodontitis
- Triple-negative mouse breast cancer initiating cells show high expression of beta1 integrin and increased malignant features
- mNGS facilitates the accurate diagnosis and antibiotic treatment of suspicious critical CNS infection in real practice: A retrospective study
- The apatinib and pemetrexed combination has antitumor and antiangiogenic effects against NSCLC
- Radiotherapy for primary thyroid adenoid cystic carcinoma
- Design and functional preliminary investigation of recombinant antigen EgG1Y162–EgG1Y162 against Echinococcus granulosus
- Effects of losartan in patients with NAFLD: A meta-analysis of randomized controlled trial
- Bibliometric analysis of METTL3: Current perspectives, highlights, and trending topics
- Performance comparison of three scaling algorithms in NMR-based metabolomics analysis
- PI3K/AKT/mTOR pathway and its related molecules participate in PROK1 silence-induced anti-tumor effects on pancreatic cancer
- The altered expression of cytoskeletal and synaptic remodeling proteins during epilepsy
- Effects of pegylated recombinant human granulocyte colony-stimulating factor on lymphocytes and white blood cells of patients with malignant tumor
- Prostatitis as initial manifestation of Chlamydia psittaci pneumonia diagnosed by metagenome next-generation sequencing: A case report
- NUDT21 relieves sevoflurane-induced neurological damage in rats by down-regulating LIMK2
- Association of interleukin-10 rs1800896, rs1800872, and interleukin-6 rs1800795 polymorphisms with squamous cell carcinoma risk: A meta-analysis
- Exosomal HBV-DNA for diagnosis and treatment monitoring of chronic hepatitis B
- Shear stress leads to the dysfunction of endothelial cells through the Cav-1-mediated KLF2/eNOS/ERK signaling pathway under physiological conditions
- Interaction between the PI3K/AKT pathway and mitochondrial autophagy in macrophages and the leukocyte count in rats with LPS-induced pulmonary infection
- Meta-analysis of the rs231775 locus polymorphism in the CTLA-4 gene and the susceptibility to Graves’ disease in children
- Cloning, subcellular localization and expression of phosphate transporter gene HvPT6 of hulless barley
- Coptisine mitigates diabetic nephropathy via repressing the NRLP3 inflammasome
- Significant elevated CXCL14 and decreased IL-39 levels in patients with tuberculosis
- Whole-exome sequencing applications in prenatal diagnosis of fetal bowel dilatation
- Gemella morbillorum infective endocarditis: A case report and literature review
- An unusual ectopic thymoma clonal evolution analysis: A case report
- Severe cumulative skin toxicity during toripalimab combined with vemurafenib following toripalimab alone
- Detection of V. vulnificus septic shock with ARDS using mNGS
- Novel rare genetic variants of familial and sporadic pulmonary atresia identified by whole-exome sequencing
- The influence and mechanistic action of sperm DNA fragmentation index on the outcomes of assisted reproduction technology
- Novel compound heterozygous mutations in TELO2 in an infant with You-Hoover-Fong syndrome: A case report and literature review
- ctDNA as a prognostic biomarker in resectable CLM: Systematic review and meta-analysis
- Diagnosis of primary amoebic meningoencephalitis by metagenomic next-generation sequencing: A case report
- Phylogenetic analysis of promoter regions of human Dolichol kinase (DOLK) and orthologous genes using bioinformatics tools
- Collagen changes in rabbit conjunctiva after conjunctival crosslinking
- Effects of NM23 transfection of human gastric carcinoma cells in mice
- Oral nifedipine and phytosterol, intravenous nicardipine, and oral nifedipine only: Three-arm, retrospective, cohort study for management of severe preeclampsia
- Case report of hepatic retiform hemangioendothelioma: A rare tumor treated with ultrasound-guided microwave ablation
- Curcumin induces apoptosis in human hepatocellular carcinoma cells by decreasing the expression of STAT3/VEGF/HIF-1α signaling
- Rare presentation of double-clonal Waldenström macroglobulinemia with pulmonary embolism: A case report
- Giant duplication of the transverse colon in an adult: A case report and literature review
- Ectopic thyroid tissue in the breast: A case report
- SDR16C5 promotes proliferation and migration and inhibits apoptosis in pancreatic cancer
- Vaginal metastasis from breast cancer: A case report
- Screening of the best time window for MSC transplantation to treat acute myocardial infarction with SDF-1α antibody-loaded targeted ultrasonic microbubbles: An in vivo study in miniswine
- Inhibition of TAZ impairs the migration ability of melanoma cells
- Molecular complexity analysis of the diagnosis of Gitelman syndrome in China
- Effects of maternal calcium and protein intake on the development and bone metabolism of offspring mice
- Identification of winter wheat pests and diseases based on improved convolutional neural network
- Ultra-multiplex PCR technique to guide treatment of Aspergillus-infected aortic valve prostheses
- Virtual high-throughput screening: Potential inhibitors targeting aminopeptidase N (CD13) and PIKfyve for SARS-CoV-2
- Immune checkpoint inhibitors in cancer patients with COVID-19
- Utility of methylene blue mixed with autologous blood in preoperative localization of pulmonary nodules and masses
- Integrated analysis of the microbiome and transcriptome in stomach adenocarcinoma
- Berberine suppressed sarcopenia insulin resistance through SIRT1-mediated mitophagy
- DUSP2 inhibits the progression of lupus nephritis in mice by regulating the STAT3 pathway
- Lung abscess by Fusobacterium nucleatum and Streptococcus spp. co-infection by mNGS: A case series
- Genetic alterations of KRAS and TP53 in intrahepatic cholangiocarcinoma associated with poor prognosis
- Granulomatous polyangiitis involving the fourth ventricle: Report of a rare case and a literature review
- Studying infant mortality: A demographic analysis based on data mining models
- Metaplastic breast carcinoma with osseous differentiation: A report of a rare case and literature review
- Protein Z modulates the metastasis of lung adenocarcinoma cells
- Inhibition of pyroptosis and apoptosis by capsaicin protects against LPS-induced acute kidney injury through TRPV1/UCP2 axis in vitro
- TAK-242, a toll-like receptor 4 antagonist, against brain injury by alleviates autophagy and inflammation in rats
- Primary mediastinum Ewing’s sarcoma with pleural effusion: A case report and literature review
- Association of ADRB2 gene polymorphisms and intestinal microbiota in Chinese Han adolescents
- Tanshinone IIA alleviates chondrocyte apoptosis and extracellular matrix degeneration by inhibiting ferroptosis
- Study on the cytokines related to SARS-Cov-2 in testicular cells and the interaction network between cells based on scRNA-seq data
- Effect of periostin on bone metabolic and autophagy factors during tooth eruption in mice
- HP1 induces ferroptosis of renal tubular epithelial cells through NRF2 pathway in diabetic nephropathy
- Intravaginal estrogen management in postmenopausal patients with vaginal squamous intraepithelial lesions along with CO2 laser ablation: A retrospective study
- Hepatocellular carcinoma cell differentiation trajectory predicts immunotherapy, potential therapeutic drugs, and prognosis of patients
- Effects of physical exercise on biomarkers of oxidative stress in healthy subjects: A meta-analysis of randomized controlled trials
- Identification of lysosome-related genes in connection with prognosis and immune cell infiltration for drug candidates in head and neck cancer
- Development of an instrument-free and low-cost ELISA dot-blot test to detect antibodies against SARS-CoV-2
- Research progress on gas signal molecular therapy for Parkinson’s disease
- Adiponectin inhibits TGF-β1-induced skin fibroblast proliferation and phenotype transformation via the p38 MAPK signaling pathway
- The G protein-coupled receptor-related gene signatures for predicting prognosis and immunotherapy response in bladder urothelial carcinoma
- α-Fetoprotein contributes to the malignant biological properties of AFP-producing gastric cancer
- CXCL12/CXCR4/CXCR7 axis in placenta tissues of patients with placenta previa
- Association between thyroid stimulating hormone levels and papillary thyroid cancer risk: A meta-analysis
- Significance of sTREM-1 and sST2 combined diagnosis for sepsis detection and prognosis prediction
- Diagnostic value of serum neuroactive substances in the acute exacerbation of chronic obstructive pulmonary disease complicated with depression
- Research progress of AMP-activated protein kinase and cardiac aging
- TRIM29 knockdown prevented the colon cancer progression through decreasing the ubiquitination levels of KRT5
- Cross-talk between gut microbiota and liver steatosis: Complications and therapeutic target
- Metastasis from small cell lung cancer to ovary: A case report
- The early diagnosis and pathogenic mechanisms of sepsis-related acute kidney injury
- The effect of NK cell therapy on sepsis secondary to lung cancer: A case report
- Erianin alleviates collagen-induced arthritis in mice by inhibiting Th17 cell differentiation
- Loss of ACOX1 in clear cell renal cell carcinoma and its correlation with clinical features
- Signalling pathways in the osteogenic differentiation of periodontal ligament stem cells
- Crosstalk between lactic acid and immune regulation and its value in the diagnosis and treatment of liver failure
- Clinicopathological features and differential diagnosis of gastric pleomorphic giant cell carcinoma
- Traumatic brain injury and rTMS-ERPs: Case report and literature review
- Extracellular fibrin promotes non-small cell lung cancer progression through integrin β1/PTEN/AKT signaling
- Knockdown of DLK4 inhibits non-small cell lung cancer tumor growth by downregulating CKS2
- The co-expression pattern of VEGFR-2 with indicators related to proliferation, apoptosis, and differentiation of anagen hair follicles
- Inflammation-related signaling pathways in tendinopathy
- CD4+ T cell count in HIV/TB co-infection and co-occurrence with HL: Case report and literature review
- Clinical analysis of severe Chlamydia psittaci pneumonia: Case series study
- Bioinformatics analysis to identify potential biomarkers for the pulmonary artery hypertension associated with the basement membrane
- Influence of MTHFR polymorphism, alone or in combination with smoking and alcohol consumption, on cancer susceptibility
- Catharanthus roseus (L.) G. Don counteracts the ampicillin resistance in multiple antibiotic-resistant Staphylococcus aureus by downregulation of PBP2a synthesis
- Combination of a bronchogenic cyst in the thoracic spinal canal with chronic myelocytic leukemia
- Bacterial lipoprotein plays an important role in the macrophage autophagy and apoptosis induced by Salmonella typhimurium and Staphylococcus aureus
- TCL1A+ B cells predict prognosis in triple-negative breast cancer through integrative analysis of single-cell and bulk transcriptomic data
- Ezrin promotes esophageal squamous cell carcinoma progression via the Hippo signaling pathway
- Ferroptosis: A potential target of macrophages in plaque vulnerability
- Predicting pediatric Crohn's disease based on six mRNA-constructed risk signature using comprehensive bioinformatic approaches
- Applications of genetic code expansion and photosensitive UAAs in studying membrane proteins
- HK2 contributes to the proliferation, migration, and invasion of diffuse large B-cell lymphoma cells by enhancing the ERK1/2 signaling pathway
- IL-17 in osteoarthritis: A narrative review
- Circadian cycle and neuroinflammation
- Probiotic management and inflammatory factors as a novel treatment in cirrhosis: A systematic review and meta-analysis
- Hemorrhagic meningioma with pulmonary metastasis: Case report and literature review
- SPOP regulates the expression profiles and alternative splicing events in human hepatocytes
- Knockdown of SETD5 inhibited glycolysis and tumor growth in gastric cancer cells by down-regulating Akt signaling pathway
- PTX3 promotes IVIG resistance-induced endothelial injury in Kawasaki disease by regulating the NF-κB pathway
- Pancreatic ectopic thyroid tissue: A case report and analysis of literature
- The prognostic impact of body mass index on female breast cancer patients in underdeveloped regions of northern China differs by menopause status and tumor molecular subtype
- Report on a case of liver-originating malignant melanoma of unknown primary
- Case report: Herbal treatment of neutropenic enterocolitis after chemotherapy for breast cancer
- The fibroblast growth factor–Klotho axis at molecular level
- Characterization of amiodarone action on currents in hERG-T618 gain-of-function mutations
- A case report of diagnosis and dynamic monitoring of Listeria monocytogenes meningitis with NGS
- Effect of autologous platelet-rich plasma on new bone formation and viability of a Marburg bone graft
- Small breast epithelial mucin as a useful prognostic marker for breast cancer patients
- Continuous non-adherent culture promotes transdifferentiation of human adipose-derived stem cells into retinal lineage
- Nrf3 alleviates oxidative stress and promotes the survival of colon cancer cells by activating AKT/BCL-2 signal pathway
- Favorable response to surufatinib in a patient with necrolytic migratory erythema: A case report
- Case report of atypical undernutrition of hypoproteinemia type
- Down-regulation of COL1A1 inhibits tumor-associated fibroblast activation and mediates matrix remodeling in the tumor microenvironment of breast cancer
- Sarcoma protein kinase inhibition alleviates liver fibrosis by promoting hepatic stellate cells ferroptosis
- Research progress of serum eosinophil in chronic obstructive pulmonary disease and asthma
- Clinicopathological characteristics of co-existing or mixed colorectal cancer and neuroendocrine tumor: Report of five cases
- Role of menopausal hormone therapy in the prevention of postmenopausal osteoporosis
- Precisional detection of lymph node metastasis using tFCM in colorectal cancer
- Advances in diagnosis and treatment of perimenopausal syndrome
- A study of forensic genetics: ITO index distribution and kinship judgment between two individuals
- Acute lupus pneumonitis resembling miliary tuberculosis: A case-based review
- Plasma levels of CD36 and glutathione as biomarkers for ruptured intracranial aneurysm
- Fractalkine modulates pulmonary angiogenesis and tube formation by modulating CX3CR1 and growth factors in PVECs
- Novel risk prediction models for deep vein thrombosis after thoracotomy and thoracoscopic lung cancer resections, involving coagulation and immune function
- Exploring the diagnostic markers of essential tremor: A study based on machine learning algorithms
- Evaluation of effects of small-incision approach treatment on proximal tibia fracture by deep learning algorithm-based magnetic resonance imaging
- An online diagnosis method for cancer lesions based on intelligent imaging analysis
- Medical imaging in rheumatoid arthritis: A review on deep learning approach
- Predictive analytics in smart healthcare for child mortality prediction using a machine learning approach
- Utility of neutrophil–lymphocyte ratio and platelet–lymphocyte ratio in predicting acute-on-chronic liver failure survival
- A biomedical decision support system for meta-analysis of bilateral upper-limb training in stroke patients with hemiplegia
- TNF-α and IL-8 levels are positively correlated with hypobaric hypoxic pulmonary hypertension and pulmonary vascular remodeling in rats
- Stochastic gradient descent optimisation for convolutional neural network for medical image segmentation
- Comparison of the prognostic value of four different critical illness scores in patients with sepsis-induced coagulopathy
- Application and teaching of computer molecular simulation embedded technology and artificial intelligence in drug research and development
- Hepatobiliary surgery based on intelligent image segmentation technology
- Value of brain injury-related indicators based on neural network in the diagnosis of neonatal hypoxic-ischemic encephalopathy
- Analysis of early diagnosis methods for asymmetric dementia in brain MR images based on genetic medical technology
- Early diagnosis for the onset of peri-implantitis based on artificial neural network
- Clinical significance of the detection of serum IgG4 and IgG4/IgG ratio in patients with thyroid-associated ophthalmopathy
- Forecast of pain degree of lumbar disc herniation based on back propagation neural network
- SPA-UNet: A liver tumor segmentation network based on fused multi-scale features
- Systematic evaluation of clinical efficacy of CYP1B1 gene polymorphism in EGFR mutant non-small cell lung cancer observed by medical image
- Rehabilitation effect of intelligent rehabilitation training system on hemiplegic limb spasms after stroke
- A novel approach for minimising anti-aliasing effects in EEG data acquisition
- ErbB4 promotes M2 activation of macrophages in idiopathic pulmonary fibrosis
- Clinical role of CYP1B1 gene polymorphism in prediction of postoperative chemotherapy efficacy in NSCLC based on individualized health model
- Lung nodule segmentation via semi-residual multi-resolution neural networks
- Evaluation of brain nerve function in ICU patients with Delirium by deep learning algorithm-based resting state MRI
- A data mining technique for detecting malignant mesothelioma cancer using multiple regression analysis
- Markov model combined with MR diffusion tensor imaging for predicting the onset of Alzheimer’s disease
- Effectiveness of the treatment of depression associated with cancer and neuroimaging changes in depression-related brain regions in patients treated with the mediator-deuterium acupuncture method
- Molecular mechanism of colorectal cancer and screening of molecular markers based on bioinformatics analysis
- Monitoring and evaluation of anesthesia depth status data based on neuroscience
- Exploring the conformational dynamics and thermodynamics of EGFR S768I and G719X + S768I mutations in non-small cell lung cancer: An in silico approaches
- Optimised feature selection-driven convolutional neural network using gray level co-occurrence matrix for detection of cervical cancer
- Incidence of different pressure patterns of spinal cerebellar ataxia and analysis of imaging and genetic diagnosis
- Pathogenic bacteria and treatment resistance in older cardiovascular disease patients with lung infection and risk prediction model
- Adoption value of support vector machine algorithm-based computed tomography imaging in the diagnosis of secondary pulmonary fungal infections in patients with malignant hematological disorders
- From slides to insights: Harnessing deep learning for prognostic survival prediction in human colorectal cancer histology
- Ecology and Environmental Science
- Monitoring of hourly carbon dioxide concentration under different land use types in arid ecosystem
- Comparing the differences of prokaryotic microbial community between pit walls and bottom from Chinese liquor revealed by 16S rRNA gene sequencing
- Effects of cadmium stress on fruits germination and growth of two herbage species
- Bamboo charcoal affects soil properties and bacterial community in tea plantations
- Optimization of biogas potential using kinetic models, response surface methodology, and instrumental evidence for biodegradation of tannery fleshings during anaerobic digestion
- Understory vegetation diversity patterns of Platycladus orientalis and Pinus elliottii communities in Central and Southern China
- Studies on macrofungi diversity and discovery of new species of Abortiporus from Baotianman World Biosphere Reserve
- Food Science
- Effect of berrycactus fruit (Myrtillocactus geometrizans) on glutamate, glutamine, and GABA levels in the frontal cortex of rats fed with a high-fat diet
- Guesstimate of thymoquinone diversity in Nigella sativa L. genotypes and elite varieties collected from Indian states using HPTLC technique
- Analysis of bacterial community structure of Fuzhuan tea with different processing techniques
- Untargeted metabolomics reveals sour jujube kernel benefiting the nutritional value and flavor of Morchella esculenta
- Mycobiota in Slovak wine grapes: A case study from the small Carpathians wine region
- Elemental analysis of Fadogia ancylantha leaves used as a nutraceutical in Mashonaland West Province, Zimbabwe
- Microbiological transglutaminase: Biotechnological application in the food industry
- Influence of solvent-free extraction of fish oil from catfish (Clarias magur) heads using a Taguchi orthogonal array design: A qualitative and quantitative approach
- Chromatographic analysis of the chemical composition and anticancer activities of Curcuma longa extract cultivated in Palestine
- The potential for the use of leghemoglobin and plant ferritin as sources of iron
- Investigating the association between dietary patterns and glycemic control among children and adolescents with T1DM
- Bioengineering and Biotechnology
- Biocompatibility and osteointegration capability of β-TCP manufactured by stereolithography 3D printing: In vitro study
- Clinical characteristics and the prognosis of diabetic foot in Tibet: A single center, retrospective study
- Agriculture
- Biofertilizer and NPSB fertilizer application effects on nodulation and productivity of common bean (Phaseolus vulgaris L.) at Sodo Zuria, Southern Ethiopia
- On correlation between canopy vegetation and growth indexes of maize varieties with different nitrogen efficiencies
- Exopolysaccharides from Pseudomonas tolaasii inhibit the growth of Pleurotus ostreatus mycelia
- A transcriptomic evaluation of the mechanism of programmed cell death of the replaceable bud in Chinese chestnut
- Melatonin enhances salt tolerance in sorghum by modulating photosynthetic performance, osmoregulation, antioxidant defense, and ion homeostasis
- Effects of plant density on alfalfa (Medicago sativa L.) seed yield in western Heilongjiang areas
- Identification of rice leaf diseases and deficiency disorders using a novel DeepBatch technique
- Artificial intelligence and internet of things oriented sustainable precision farming: Towards modern agriculture
- Animal Sciences
- Effect of ketogenic diet on exercise tolerance and transcriptome of gastrocnemius in mice
- Combined analysis of mRNA–miRNA from testis tissue in Tibetan sheep with different FecB genotypes
- Isolation, identification, and drug resistance of a partially isolated bacterium from the gill of Siniperca chuatsi
- Tracking behavioral changes of confined sows from the first mating to the third parity
- The sequencing of the key genes and end products in the TLR4 signaling pathway from the kidney of Rana dybowskii exposed to Aeromonas hydrophila
- Development of a new candidate vaccine against piglet diarrhea caused by Escherichia coli
- Plant Sciences
- Crown and diameter structure of pure Pinus massoniana Lamb. forest in Hunan province, China
- Genetic evaluation and germplasm identification analysis on ITS2, trnL-F, and psbA-trnH of alfalfa varieties germplasm resources
- Tissue culture and rapid propagation technology for Gentiana rhodantha
- Effects of cadmium on the synthesis of active ingredients in Salvia miltiorrhiza
- Cloning and expression analysis of VrNAC13 gene in mung bean
- Chlorate-induced molecular floral transition revealed by transcriptomes
- Effects of warming and drought on growth and development of soybean in Hailun region
- Effects of different light conditions on transient expression and biomass in Nicotiana benthamiana leaves
- Comparative analysis of the rhizosphere microbiome and medicinally active ingredients of Atractylodes lancea from different geographical origins
- Distinguish Dianthus species or varieties based on chloroplast genomes
- Comparative transcriptomes reveal molecular mechanisms of apple blossoms of different tolerance genotypes to chilling injury
- Study on fresh processing key technology and quality influence of Cut Ophiopogonis Radix based on multi-index evaluation
- An advanced approach for fig leaf disease detection and classification: Leveraging image processing and enhanced support vector machine methodology
- Erratum
- Erratum to “Protein Z modulates the metastasis of lung adenocarcinoma cells”
- Erratum to “BRCA1 subcellular localization regulated by PI3K signaling pathway in triple-negative breast cancer MDA-MB-231 cells and hormone-sensitive T47D cells”
- Retraction
- Retraction to “Protocatechuic acid attenuates cerebral aneurysm formation and progression by inhibiting TNF-alpha/Nrf-2/NF-kB-mediated inflammatory mechanisms in experimental rats”