Abstract
This paper presents speed control analysis of an induction motor by a 6-switched 3-level inverter. In the analysis of topology, the study used the field oriented control technique which is widely used in the literature, easy and stable for operating systems. The field weaking technique was used for speeds exceeding nominal speed to reduce magnetic saturation and thermal losses. At the end of the process, it was observed to increase motor torque and inverter efficiency. Instead of using 12 switches in conventional 3-level inverters, 6 switches are used in this topology. Reduced number of switches is the greatest contribution of this study.
1 Introduction
Lately, studies on conversion from DC to AC has become more widespread across the world. Particularly, an induction motor is powered by AC, while various conversion methods are applied to convert DC to AC. Usage of inverters has become quite widespread among these studies. Nevertheless, the shape of the sinusoidal signal obtained in conversion from DC to AC by classic inverters is far from desired quality. Thus, the inverter output voltage level is increased to improve the quality of the sinusoidal signal that is generated.
Increasing the voltage level is inversely proportional to the amount of harmonics and it provides directly proportionate increase in efficiency. In this conversion process, while increasing efficiency, the converter must be easily applied and it must also be economical. For this reason, the cost of switches and control systems used in inverters must be in compliance with efficiency. Developing new topologies to keep these variables under control is inevitable.
Multi-level inverters create an output voltage which is close to a sinusoidal form by combining different types of DC voltage levels applied as input [1, 2]. They are superior to classic two-level inverter topologies in terms of circuit structure. Harmonic spectrum of the output signal, power factor and efficiency may be listed among the main advantages [3]. It was seen that, as the the number of input voltage levels going into the multilevel inverter increases, the output voltage is much closer to sinusoidal form; total harmonic distortion is reduced and performance is increased [2, 4, 5].
Various pulse width modulation (PWM) techniques are used in multi-level inverters to achieve voltages with minimal harmonic distortion and desired levels of frequency and amplitude. Nowadays, one of the most common modulation techniques is the space vector pulse width modulation (SVPWM) technique for two and multilevel converter systems. With this technique, three-phase voltages may be achieved as inverter output, which provides desired levels of amplitude and frequency with minimal harmonic distortion. The SVPWM technique has some features such as optimum usage of the DC input voltage, low current ripple and a good degree of harmonic performance [2, 6].
In recent years, alternative multilevel inverter topologies have been developed. One of these is a three-level inverter that has 6 IGBT switches, where a split-wound coil is coupled into each inverter output terminal. In this topology, split-wound coils are connected in series to the upper and lower switches. A significant disadvantage of this inverter topology is that there is a need for dead-time protection for the transition current during switching. However, the negative effects of dead-time are eliminated by the SVPWM method. The PWM voltage that is obtained has a potential to improve load efficiency and power density, and reduce high frequency losses on AC coils and the loads on the machine [7, 8, 9, 10].
In difference to others in the literature, this study contains simulation analysis of speed control of a 1 kW induction motor using a 6 switched 3-level inverter. When speed control of the induction motor was carried out, the field oriented control technique was preferred, as it is widely used in the literature, easy to use, and more stable. Increasing field weaking speeds above the rated speed reduced magnetic saturation and heat losses. At the end of this process, increases were observed in torque and efficiency. By using only 6 switches, switching losses decreased and efficiency of inverter increased.
2 Field oriented control technique
In the field oriented control technique, 3 phases of current, voltage and flux data of the motor are transferred into two planes with a 90° phase difference. Thus, the speed control of the induction was made similar to separately excited DC motors, which creates two planes independent of each other to provide speed control.
Stator and rotor voltage equations of the motor that were reduced to the two planes may be expressed in the d-q synchronous axis plane;
In the equation above, Rs: stator phase resistance, Rr: rotor phase resistance, ωe: synchronous speed, ωr: rotor speed and p: derivative operator. Flux and torque equation may be expressed as;
In the equation above, Ls: stator phase inductance, Lr: rotor phase inductance and Lm: common inductance. Using the electromagnetic torque equation, change of rotor speed may be expressed in terms of electrical speed as;
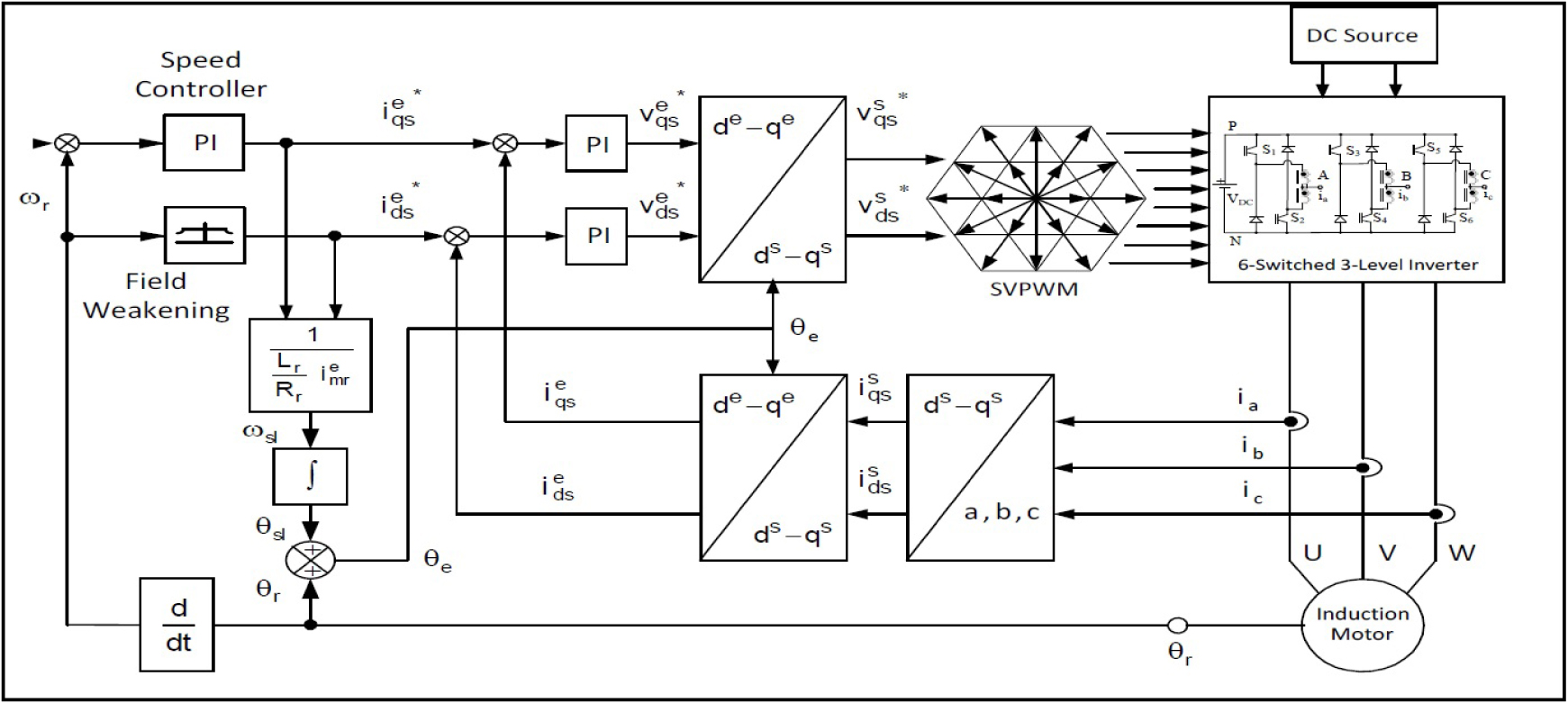
In the equation above, Te: electromagnetic moments, B: coefficient of friction, T1: load moments, j: moment of inertia, P: number of motor poles. Induction motor speed control is achieved using the equation above. Speed error may be found by calculating the difference between the actual speed and the desired speed. To compensate the speed error, it is necessary to change the conduction time and ranking of the semiconductor switches [11, 12]. Figure 1 illustrates the block diagram of field oriented control of the induction motor.

Block diagram of field oriented control of induction motor
3 6-switched 3-level inverter topology
This topology produces multi-level output voltages by appllying a DC source and connecting each output to a 3 phase split-wound inductor. In this 6-switched 3-level topology, 6 switches are used as shown in Figure 2.

6-switched 3-level inverter topology
+0.5 VDC, VDCand 0 voltage values are obtained, while the inverter output terminal voltage is called VAN [7, 8, 9, 12, 13, 14]. This is shown in Figure 3.

Switching states of one leg of the 6-switched 3-level inverter
This topology eliminates the requirement of dead-time protection and it allows upper and lower switches to pass through conduction at the same time. Dead-time effects disappear, an additional middle-point voltage is generated, and effective output switching frequency is doubled thanks to this aspect. Thus, harmonic distortion of output waves are largely resolved by ascending to the 3rd voltage level and doubling the effective switching frequency [7, 8, 9, 12, 13, 15].
4 Computer aided simulation studies
Simulation studies were carried out using the Dev C++ software and the plots were performed with MATLAB. Technical data of the study are given in Table 1.
Technical data of study
| Switching Frequency (KHz) | Control Technique | Source of DC input | Parameters of Induction Motor | |||
|---|---|---|---|---|---|---|
| Power | Volt | Pole | cosϕ | |||
| 10 | PI | 500V | 1 kW | 380 V | 4 | 0.78 |
Speed, torque and current curves of 300 r/m and 1500 r/m reference speeds are shown. While the induction motor was run at the reference speed of 300 r/m, it was given 1 s to reach the desired speed and allowed to run for a total of 1.6 s. Figure 4 shows the reference-real speed curves, phase currents, d-q plane currents and torque curves. The motor was run in the opposite direction during the inital running time, and then it reached the desired speed value. The motor currents was obtained as a 3-phase current. In the d-q plane, the moment id current remained constant; however, the current iq changed based on the speed profile. When the rated speed was reached, the current iq provided a value by the motor running without a load.

300 d/d induction motor variables
The harmonic spectrum of the current ia for 300 r/m in the induction motor is given in Figure 5.

iacurrent harmonic spectrum belongs to 300 d/d
In the study, the phase current consumed over time after reaching the nominal speed was referenced. The current ia was analysed and the THD value was observed to be 2.39%. It was an applicable value for inverters, as the THD value was desirably lower than 5%.
The reaction of the induction motor was then tested for 1500 r/m given in Figure 7. The current iq had a current value provided by the motor without a load while it reached the rated speed. The THD value for the 1500 r/m case was obtained as 3.55%, and is shown in Figure 6.

ia current harmonic spectrum belongs to 1500 d/d

1500 d/d induction motor variables
5 Conclusion
In this study, the speed of a 1kW induction motor was controlled using a 6-switched 3-level inverter and the motor’s responses to different frequencie values were examined. By split-wound coils connected to each output, the inverter obtained a 3-level output voltage. Split-wound coils were connected in series to the upper and lower keys to eliminate the necessity of dead-time protection, which is usually necessary to prevent short-circuits. Thus, inverter losses were reduced substantially.
According to results of the analysis, it was seen that the amount of generated harmonics contained quite low THD values (2.39%, 3.55%), which were on acceptable levels. This demonstrates that 6-switched 3-level inverter is structurally suitable for induction motor speed control and can be used in industrial applications in the future.
In the future, the need for low power - high speed drives will increase and they will be used more widely in industrial applications. Additionally, the 6-switched 3-level inverter topology will find a significant role in high speed drive systems, as expected in the light of the results of this study.
Acknowledgements
Digest version of this paper was presented and published in 18th International Symposium on Electromagnetic Fields in Mechatronics, Electrical and Electronic Engineering (ISEF 2017) Lodz, Poland which is indexed IEEE Xplore.
References
[1] Rodriguez J., Lai J. S., Peng F. Z., Multilevel inverters: a survey of topologies, controls, and applications, IEEE Transactions on Industrial Electronics, 2002, 49, 724-738.10.1109/TIE.2002.801052Search in Google Scholar
[2] Tuncer S., Five level inverter design and application with space vector pulse width modulation, PhD Thesis, Fırat University, Graduate School of Natural and Applied Sciences, 2004, ElaziğSearch in Google Scholar
[3] Sirisukprasert S., Jih-Sheng L., Tian-Hua L., Optimum harmonic reduction with a wide range of modulation indexes for multilevel converters. Industry Applications Conference, 2000, 2094–2099.10.1109/IAS.2000.883115Search in Google Scholar
[4] Zhou K., Wang D., Relationship between space-vector modulation and three-phase carrier-based PWM: a comprehensive analysis, IEEE Transactions on Industrial Electronics, 2002, 49, 186-196.10.1109/41.982262Search in Google Scholar
[5] Marchesoni M., Mazzucchelli M., Multilevel converters for high power ac drives, a review, Industrial Electronics Conference Proceedings, ISIE’93-Budapest, IEEE International Symposium,1-3 June, 1993, BudapestSearch in Google Scholar
[6] Tuncer S., Tatar Y., A svpwm algorithm with constant v/f for multilevel inverters, Journal of the Faculty of Enineering and Architecture of Gazi University, 2006, 21, 509-517.Search in Google Scholar
[7] Vafakhah B., Multilevel space vector pwm for multilevel coupled inductor inverters, Department of Electrical and Computer Engineering, PhD Thesis, 2010, AlbertaSearch in Google Scholar
[8] Ewanchuk J., Salmon J., Knight A., Performance of a high speed motor drive system using a novel multi-level inverter topology, IEEE Industry Applications Society Annual Meeting, IAS’ 08, 2008, 1-8.10.1109/08IAS.2008.192Search in Google Scholar
[9] Salmon J., Ewanchuk J., Knight A., PWM inverters using split-wound coupled inductors, Industry Applications IEEE Transactions on, 2009, 45, 2001-2009.10.1109/08IAS.2008.299Search in Google Scholar
[10] Saygin A., Speed control of induction motor by matrix converter, PhD Thesis, Gazi University Institute of Science and Technology, 2004, Ankara, TurkeySearch in Google Scholar
[11] Coşkun I., Saygin A., Speed control of induction motor by matrix converter, Gazi University Journal of Science, 2004, 17, 63-76.Search in Google Scholar
[12] Vafakhah B., Salmon J., Knight A., Interleaved discontinuous space-vector pwm for a multi-level pwm vsi using a 3-phase split-wound coupled inductor, IEEE Transactions on Industry Applications, 2010, 46, 2015-2024.10.1109/ECCE.2009.5316191Search in Google Scholar
[13] Vafakhah B., Masiala M., Salmon J., Knight A. M., Space-Vector pwm for inverters with split-wound coupled inductors, Electric Machines and Drives Conference, IEMDC ’09. IEEE International, 2009, 3-6 May10.1109/IEMDC.2009.5075285Search in Google Scholar
[14] Saygin A., Kerem A., Aksoz A., 6-switched 3-level inverter for pv power quality enhancement in smart grid application, 2017 4th International Conference on Electrical and Electronic Engineering, IEEE Conference Publications, 2017, 108-112.10.1109/ICEEE2.2017.7935803Search in Google Scholar
[15] Saygin A., Kerem A., Design of 6-switched 3-level inverter with rl load, Pamukkale University Journal of Engineering Sciences, 2016, 22, 349-352.10.5505/pajes.2015.45822Search in Google Scholar
© 2017 Ali Saygin and Alper Kerem
This work is licensed under the Creative Commons Attribution-NonCommercial-NoDerivatives 4.0 License.
Articles in the same Issue
- Regular Articles
- Analysis of a New Fractional Model for Damped Bergers’ Equation
- Regular Articles
- Optimal homotopy perturbation method for nonlinear differential equations governing MHD Jeffery-Hamel flow with heat transfer problem
- Regular Articles
- Semi- analytic numerical method for solution of time-space fractional heat and wave type equations with variable coefficients
- Regular Articles
- Investigation of a curve using Frenet frame in the lightlike cone
- Regular Articles
- Construction of complex networks from time series based on the cross correlation interval
- Regular Articles
- Nonlinear Schrödinger approach to European option pricing
- Regular Articles
- A modified cubic B-spline differential quadrature method for three-dimensional non-linear diffusion equations
- Regular Articles
- A new miniaturized negative-index meta-atom for tri-band applications
- Regular Articles
- Seismic stability of the survey areas of potential sites for the deep geological repository of the spent nuclear fuel
- Regular Articles
- Distributed containment control of heterogeneous fractional-order multi-agent systems with communication delays
- Regular Articles
- Sensitivity analysis and economic optimization studies of inverted five-spot gas cycling in gas condensate reservoir
- Regular Articles
- Quantum mechanics with geometric constraints of Friedmann type
- Regular Articles
- Modeling and Simulation for an 8 kW Three-Phase Grid-Connected Photo-Voltaic Power System
- Regular Articles
- Application of the optimal homotopy asymptotic method to nonlinear Bingham fluid dampers
- Regular Articles
- Analysis of Drude model using fractional derivatives without singular kernels
- Regular Articles
- An unsteady MHD Maxwell nanofluid flow with convective boundary conditions using spectral local linearization method
- Regular Articles
- New analytical solutions for conformable fractional PDEs arising in mathematical physics by exp-function method
- Regular Articles
- Quantum mechanical calculation of electron spin
- Regular Articles
- CO2 capture by polymeric membranes composed of hyper-branched polymers with dense poly(oxyethylene) comb and poly(amidoamine)
- Regular Articles
- Chain on a cone
- Regular Articles
- Multi-task feature learning by using trace norm regularization
- Regular Articles
- Superluminal tunneling of a relativistic half-integer spin particle through a potential barrier
- Regular Articles
- Neutrosophic triplet normed space
- Regular Articles
- Lie algebraic discussion for affinity based information diffusion in social networks
- Regular Articles
- Radiation dose and cancer risk estimates in helical CT for pulmonary tuberculosis infections
- Regular Articles
- A comparison study of steady-state vibrations with single fractional-order and distributed-order derivatives
- Regular Articles
- Some new remarks on MHD Jeffery-Hamel fluid flow problem
- Regular Articles
- Numerical investigation of magnetohydrodynamic slip flow of power-law nanofluid with temperature dependent viscosity and thermal conductivity over a permeable surface
- Regular Articles
- Charge conservation in a gravitational field in the scalar ether theory
- Regular Articles
- Measurement problem and local hidden variables with entangled photons
- Regular Articles
- Compression of hyper-spectral images using an accelerated nonnegative tensor decomposition
- Regular Articles
- Fabrication and application of coaxial polyvinyl alcohol/chitosan nanofiber membranes
- Regular Articles
- Calculating degree-based topological indices of dominating David derived networks
- Regular Articles
- The structure and conductivity of polyelectrolyte based on MEH-PPV and potassium iodide (KI) for dye-sensitized solar cells
- Regular Articles
- Chiral symmetry restoration and the critical end point in QCD
- Regular Articles
- Numerical solution for fractional Bratu’s initial value problem
- Regular Articles
- Structure and optical properties of TiO2 thin films deposited by ALD method
- Regular Articles
- Quadruple multi-wavelength conversion for access network scalability based on cross-phase modulation in an SOA-MZI
- Regular Articles
- Application of ANNs approach for wave-like and heat-like equations
- Special issue on Nonlinear Dynamics in General and Dynamical Systems in particular
- Study on node importance evaluation of the high-speed passenger traffic complex network based on the Structural Hole Theory
- Special issue on Nonlinear Dynamics in General and Dynamical Systems in particular
- A mathematical/physics model to measure the role of information and communication technology in some economies: the Chinese case
- Special issue on Nonlinear Dynamics in General and Dynamical Systems in particular
- Numerical modeling of the thermoelectric cooler with a complementary equation for heat circulation in air gaps
- Special issue on Nonlinear Dynamics in General and Dynamical Systems in particular
- On the libration collinear points in the restricted three – body problem
- Special issue on Nonlinear Dynamics in General and Dynamical Systems in particular
- Research on Critical Nodes Algorithm in Social Complex Networks
- Special issue on Nonlinear Dynamics in General and Dynamical Systems in particular
- A simulation based research on chance constrained programming in robust facility location problem
- Special issue on Nonlinear Dynamics in General and Dynamical Systems in particular
- A mathematical/physics carbon emission reduction strategy for building supply chain network based on carbon tax policy
- Special issue on Nonlinear Dynamics in General and Dynamical Systems in particular
- Mathematical analysis of the impact mechanism of information platform on agro-product supply chain and agro-product competitiveness
- Special issue on Nonlinear Dynamics in General and Dynamical Systems in particular
- A real negative selection algorithm with evolutionary preference for anomaly detection
- Special issue on Nonlinear Dynamics in General and Dynamical Systems in particular
- A privacy-preserving parallel and homomorphic encryption scheme
- Special issue on Nonlinear Dynamics in General and Dynamical Systems in particular
- Random walk-based similarity measure method for patterns in complex object
- Special issue on Nonlinear Dynamics in General and Dynamical Systems in particular
- A Mathematical Study of Accessibility and Cohesion Degree in a High-Speed Rail Station Connected to an Urban Bus Transport Network
- Special issue on Nonlinear Dynamics in General and Dynamical Systems in particular
- Design and Simulation of the Integrated Navigation System based on Extended Kalman Filter
- Special issue on Nonlinear Dynamics in General and Dynamical Systems in particular
- Oil exploration oriented multi-sensor image fusion algorithm
- Special issue on Nonlinear Dynamics in General and Dynamical Systems in particular
- Analysis of Product Distribution Strategy in Digital Publishing Industry Based on Game-Theory
- Special issue on Nonlinear Dynamics in General and Dynamical Systems in particular
- Expanded Study on the accumulation effect of tourism under the constraint of structure
- Special issue on Nonlinear Dynamics in General and Dynamical Systems in particular
- Unstructured P2P Network Load Balance Strategy Based on Multilevel Partitioning of Hypergraph
- Special issue on Nonlinear Dynamics in General and Dynamical Systems in particular
- Research on the method of information system risk state estimation based on clustering particle filter
- Special issue on Nonlinear Dynamics in General and Dynamical Systems in particular
- Demand forecasting and information platform in tourism
- Special issue on Nonlinear Dynamics in General and Dynamical Systems in particular
- Physical-chemical properties studying of molecular structures via topological index calculating
- Special issue on Nonlinear Dynamics in General and Dynamical Systems in particular
- Local kernel nonparametric discriminant analysis for adaptive extraction of complex structures
- Special issue on Nonlinear Dynamics in General and Dynamical Systems in particular
- City traffic flow breakdown prediction based on fuzzy rough set
- Special issue on Nonlinear Dynamics in General and Dynamical Systems in particular
- Conservation laws for a strongly damped wave equation
- Special issue on Nonlinear Dynamics in General and Dynamical Systems in particular
- Blending type approximation by Stancu-Kantorovich operators based on Pólya-Eggenberger distribution
- Special issue on Nonlinear Dynamics in General and Dynamical Systems in particular
- Computing the Ediz eccentric connectivity index of discrete dynamic structures
- Special issue on Nonlinear Dynamics in General and Dynamical Systems in particular
- A discrete epidemic model for bovine Babesiosis disease and tick populations
- Special issue on Nonlinear Dynamics in General and Dynamical Systems in particular
- Study on maintaining formations during satellite formation flying based on SDRE and LQR
- Special issue on Nonlinear Dynamics in General and Dynamical Systems in particular
- Relationship between solitary pulmonary nodule lung cancer and CT image features based on gradual clustering
- Special issue on Nonlinear Dynamics in General and Dynamical Systems in particular
- A novel fast target tracking method for UAV aerial image
- Special issue on Nonlinear Dynamics in General and Dynamical Systems in particular
- Fuzzy comprehensive evaluation model of interuniversity collaborative learning based on network
- Special issue on Nonlinear Dynamics in General and Dynamical Systems in particular
- Conservation laws, classical symmetries and exact solutions of the generalized KdV-Burgers-Kuramoto equation
- Special issue on Nonlinear Dynamics in General and Dynamical Systems in particular
- After notes on self-similarity exponent for fractal structures
- Special issue on Nonlinear Dynamics in General and Dynamical Systems in particular
- Excitation probability and effective temperature in the stationary regime of conductivity for Coulomb Glasses
- Special issue on Nonlinear Dynamics in General and Dynamical Systems in particular
- Comparisons of feature extraction algorithm based on unmanned aerial vehicle image
- Special issue on Nonlinear Dynamics in General and Dynamical Systems in particular
- Research on identification method of heavy vehicle rollover based on hidden Markov model
- Special issue on Nonlinear Dynamics in General and Dynamical Systems in particular
- Classifying BCI signals from novice users with extreme learning machine
- Special issue on Nonlinear Dynamics in General and Dynamical Systems in particular
- Topics on data transmission problem in software definition network
- Special issue on Nonlinear Dynamics in General and Dynamical Systems in particular
- Statistical inferences with jointly type-II censored samples from two Pareto distributions
- Special issue on Nonlinear Dynamics in General and Dynamical Systems in particular
- Estimation for coefficient of variation of an extension of the exponential distribution under type-II censoring scheme
- Special issue on Nonlinear Dynamics in General and Dynamical Systems in particular
- Analysis on trust influencing factors and trust model from multiple perspectives of online Auction
- Special Issue on Advances on Modelling of Flowing and Transport in Porous Media
- Coupling of two-phase flow in fractured-vuggy reservoir with filling medium
- Special Issue on Advances on Modelling of Flowing and Transport in Porous Media
- Production decline type curves analysis of a finite conductivity fractured well in coalbed methane reservoirs
- Special Issue on Advances on Modelling of Flowing and Transport in Porous Media
- Flow Characteristic and Heat Transfer for Non-Newtonian Nanofluid in Rectangular Microchannels with Teardrop Dimples/Protrusions
- Special Issue on Advances on Modelling of Flowing and Transport in Porous Media
- The size prediction of potential inclusions embedded in the sub-surface of fused silica by damage morphology
- Special Issue on Advances on Modelling of Flowing and Transport in Porous Media
- Research on carbonate reservoir interwell connectivity based on a modified diffusivity filter model
- Special Issue on Advances on Modelling of Flowing and Transport in Porous Media
- The method of the spatial locating of macroscopic throats based-on the inversion of dynamic interwell connectivity
- Special Issue on Advances on Modelling of Flowing and Transport in Porous Media
- Unsteady mixed convection flow through a permeable stretching flat surface with partial slip effects through MHD nanofluid using spectral relaxation method
- Special Issue on Advances on Modelling of Flowing and Transport in Porous Media
- A volumetric ablation model of EPDM considering complex physicochemical process in porous structure of char layer
- Special Issue on Advances on Modelling of Flowing and Transport in Porous Media
- Numerical simulation on ferrofluid flow in fractured porous media based on discrete-fracture model
- Special Issue on Advances on Modelling of Flowing and Transport in Porous Media
- Macroscopic lattice Boltzmann model for heat and moisture transfer process with phase transformation in unsaturated porous media during freezing process
- Special Issue on Advances on Modelling of Flowing and Transport in Porous Media
- Modelling of intermittent microwave convective drying: parameter sensitivity
- Special Issue on Advances on Modelling of Flowing and Transport in Porous Media
- Simulating gas-water relative permeabilities for nanoscale porous media with interfacial effects
- Special Issue on Advances on Modelling of Flowing and Transport in Porous Media
- Simulation of counter-current imbibition in water-wet fractured reservoirs based on discrete-fracture model
- Special Issue on Advances on Modelling of Flowing and Transport in Porous Media
- Investigation effect of wettability and heterogeneity in water flooding and on microscopic residual oil distribution in tight sandstone cores with NMR technique
- Special Issue on Advances on Modelling of Flowing and Transport in Porous Media
- Analytical modeling of coupled flow and geomechanics for vertical fractured well in tight gas reservoirs
- Special Issue on Ever-New "Loopholes" in Bell’s Argument and Experimental Tests
- Special Issue: Ever New "Loopholes" in Bell’s Argument and Experimental Tests
- Special Issue on Ever-New "Loopholes" in Bell’s Argument and Experimental Tests
- The ultimate loophole in Bell’s theorem: The inequality is identically satisfied by data sets composed of ±1′s assuming merely that they exist
- Special Issue on Ever-New "Loopholes" in Bell’s Argument and Experimental Tests
- Erratum to: The ultimate loophole in Bell’s theorem: The inequality is identically satisfied by data sets composed of ±1′s assuming merely that they exist
- Special Issue on Ever-New "Loopholes" in Bell’s Argument and Experimental Tests
- Rhetoric, logic, and experiment in the quantum nonlocality debate
- Special Issue on Ever-New "Loopholes" in Bell’s Argument and Experimental Tests
- What If Quantum Theory Violates All Mathematics?
- Special Issue on Ever-New "Loopholes" in Bell’s Argument and Experimental Tests
- Relativity, anomalies and objectivity loophole in recent tests of local realism
- Special Issue on Ever-New "Loopholes" in Bell’s Argument and Experimental Tests
- The photon identification loophole in EPRB experiments: computer models with single-wing selection
- Special Issue on Ever-New "Loopholes" in Bell’s Argument and Experimental Tests
- Bohr against Bell: complementarity versus nonlocality
- Special Issue on Ever-New "Loopholes" in Bell’s Argument and Experimental Tests
- Is Einsteinian no-signalling violated in Bell tests?
- Special Issue on Ever-New "Loopholes" in Bell’s Argument and Experimental Tests
- Bell’s “Theorem”: loopholes vs. conceptual flaws
- Special Issue on Ever-New "Loopholes" in Bell’s Argument and Experimental Tests
- Nonrecurrence and Bell-like inequalities
- Special Issue: The 18th International Symposium on Electromagnetic Fields in Mechatronics, Electrical and Electronic Engineering ISEF 2017
- Three-dimensional computer models of electrospinning systems
- Special Issue: The 18th International Symposium on Electromagnetic Fields in Mechatronics, Electrical and Electronic Engineering ISEF 2017
- Electric field computation and measurements in the electroporation of inhomogeneous samples
- Special Issue: The 18th International Symposium on Electromagnetic Fields in Mechatronics, Electrical and Electronic Engineering ISEF 2017
- Modelling of magnetostriction of transformer magnetic core for vibration analysis
- Special Issue: The 18th International Symposium on Electromagnetic Fields in Mechatronics, Electrical and Electronic Engineering ISEF 2017
- Comparison of the fractional power motor with cores made of various magnetic materials
- Special Issue: The 18th International Symposium on Electromagnetic Fields in Mechatronics, Electrical and Electronic Engineering ISEF 2017
- Dynamics of the line-start reluctance motor with rotor made of SMC material
- Special Issue: The 18th International Symposium on Electromagnetic Fields in Mechatronics, Electrical and Electronic Engineering ISEF 2017
- Inhomogeneous dielectrics: conformal mapping and finite-element models
- Special Issue: The 18th International Symposium on Electromagnetic Fields in Mechatronics, Electrical and Electronic Engineering ISEF 2017
- Topology optimization of induction heating model using sequential linear programming based on move limit with adaptive relaxation
- Special Issue: The 18th International Symposium on Electromagnetic Fields in Mechatronics, Electrical and Electronic Engineering ISEF 2017
- Detection of inter-turn short-circuit at start-up of induction machine based on torque analysis
- Special Issue: The 18th International Symposium on Electromagnetic Fields in Mechatronics, Electrical and Electronic Engineering ISEF 2017
- Current superimposition variable flux reluctance motor with 8 salient poles
- Special Issue: The 18th International Symposium on Electromagnetic Fields in Mechatronics, Electrical and Electronic Engineering ISEF 2017
- Modelling axial vibration in windings of power transformers
- Special Issue: The 18th International Symposium on Electromagnetic Fields in Mechatronics, Electrical and Electronic Engineering ISEF 2017
- Field analysis & eddy current losses calculation in five-phase tubular actuator
- Special Issue: The 18th International Symposium on Electromagnetic Fields in Mechatronics, Electrical and Electronic Engineering ISEF 2017
- Hybrid excited claw pole generator with skewed and non-skewed permanent magnets
- Special Issue: The 18th International Symposium on Electromagnetic Fields in Mechatronics, Electrical and Electronic Engineering ISEF 2017
- Electromagnetic phenomena analysis in brushless DC motor with speed control using PWM method
- Special Issue: The 18th International Symposium on Electromagnetic Fields in Mechatronics, Electrical and Electronic Engineering ISEF 2017
- Field-circuit analysis and measurements of a single-phase self-excited induction generator
- Special Issue: The 18th International Symposium on Electromagnetic Fields in Mechatronics, Electrical and Electronic Engineering ISEF 2017
- A comparative analysis between classical and modified approach of description of the electrical machine windings by means of T0 method
- Special Issue: The 18th International Symposium on Electromagnetic Fields in Mechatronics, Electrical and Electronic Engineering ISEF 2017
- Field-based optimal-design of an electric motor: a new sensitivity formulation
- Special Issue: The 18th International Symposium on Electromagnetic Fields in Mechatronics, Electrical and Electronic Engineering ISEF 2017
- Application of the parametric proper generalized decomposition to the frequency-dependent calculation of the impedance of an AC line with rectangular conductors
- Special Issue: The 18th International Symposium on Electromagnetic Fields in Mechatronics, Electrical and Electronic Engineering ISEF 2017
- Virtual reality as a new trend in mechanical and electrical engineering education
- Special Issue: The 18th International Symposium on Electromagnetic Fields in Mechatronics, Electrical and Electronic Engineering ISEF 2017
- Holonomicity analysis of electromechanical systems
- Special Issue: The 18th International Symposium on Electromagnetic Fields in Mechatronics, Electrical and Electronic Engineering ISEF 2017
- An accurate reactive power control study in virtual flux droop control
- Special Issue: The 18th International Symposium on Electromagnetic Fields in Mechatronics, Electrical and Electronic Engineering ISEF 2017
- Localized probability of improvement for kriging based multi-objective optimization
- Special Issue: The 18th International Symposium on Electromagnetic Fields in Mechatronics, Electrical and Electronic Engineering ISEF 2017
- Research of influence of open-winding faults on properties of brushless permanent magnets motor
- Special Issue: The 18th International Symposium on Electromagnetic Fields in Mechatronics, Electrical and Electronic Engineering ISEF 2017
- Optimal design of the rotor geometry of line-start permanent magnet synchronous motor using the bat algorithm
- Special Issue: The 18th International Symposium on Electromagnetic Fields in Mechatronics, Electrical and Electronic Engineering ISEF 2017
- Model of depositing layer on cylindrical surface produced by induction-assisted laser cladding process
- Special Issue: The 18th International Symposium on Electromagnetic Fields in Mechatronics, Electrical and Electronic Engineering ISEF 2017
- Detection of inter-turn faults in transformer winding using the capacitor discharge method
- Special Issue: The 18th International Symposium on Electromagnetic Fields in Mechatronics, Electrical and Electronic Engineering ISEF 2017
- A novel hybrid genetic algorithm for optimal design of IPM machines for electric vehicle
- Special Issue: The 18th International Symposium on Electromagnetic Fields in Mechatronics, Electrical and Electronic Engineering ISEF 2017
- Lamination effects on a 3D model of the magnetic core of power transformers
- Special Issue: The 18th International Symposium on Electromagnetic Fields in Mechatronics, Electrical and Electronic Engineering ISEF 2017
- Detection of vertical disparity in three-dimensional visualizations
- Special Issue: The 18th International Symposium on Electromagnetic Fields in Mechatronics, Electrical and Electronic Engineering ISEF 2017
- Calculations of magnetic field in dynamo sheets taking into account their texture
- Special Issue: The 18th International Symposium on Electromagnetic Fields in Mechatronics, Electrical and Electronic Engineering ISEF 2017
- 3-dimensional computer model of electrospinning multicapillary unit used for electrostatic field analysis
- Special Issue: The 18th International Symposium on Electromagnetic Fields in Mechatronics, Electrical and Electronic Engineering ISEF 2017
- Optimization of wearable microwave antenna with simplified electromagnetic model of the human body
- Special Issue: The 18th International Symposium on Electromagnetic Fields in Mechatronics, Electrical and Electronic Engineering ISEF 2017
- Induction heating process of ferromagnetic filled carbon nanotubes based on 3-D model
- Special Issue: The 18th International Symposium on Electromagnetic Fields in Mechatronics, Electrical and Electronic Engineering ISEF 2017
- Speed control of an induction motor by 6-switched 3-level inverter
Articles in the same Issue
- Regular Articles
- Analysis of a New Fractional Model for Damped Bergers’ Equation
- Regular Articles
- Optimal homotopy perturbation method for nonlinear differential equations governing MHD Jeffery-Hamel flow with heat transfer problem
- Regular Articles
- Semi- analytic numerical method for solution of time-space fractional heat and wave type equations with variable coefficients
- Regular Articles
- Investigation of a curve using Frenet frame in the lightlike cone
- Regular Articles
- Construction of complex networks from time series based on the cross correlation interval
- Regular Articles
- Nonlinear Schrödinger approach to European option pricing
- Regular Articles
- A modified cubic B-spline differential quadrature method for three-dimensional non-linear diffusion equations
- Regular Articles
- A new miniaturized negative-index meta-atom for tri-band applications
- Regular Articles
- Seismic stability of the survey areas of potential sites for the deep geological repository of the spent nuclear fuel
- Regular Articles
- Distributed containment control of heterogeneous fractional-order multi-agent systems with communication delays
- Regular Articles
- Sensitivity analysis and economic optimization studies of inverted five-spot gas cycling in gas condensate reservoir
- Regular Articles
- Quantum mechanics with geometric constraints of Friedmann type
- Regular Articles
- Modeling and Simulation for an 8 kW Three-Phase Grid-Connected Photo-Voltaic Power System
- Regular Articles
- Application of the optimal homotopy asymptotic method to nonlinear Bingham fluid dampers
- Regular Articles
- Analysis of Drude model using fractional derivatives without singular kernels
- Regular Articles
- An unsteady MHD Maxwell nanofluid flow with convective boundary conditions using spectral local linearization method
- Regular Articles
- New analytical solutions for conformable fractional PDEs arising in mathematical physics by exp-function method
- Regular Articles
- Quantum mechanical calculation of electron spin
- Regular Articles
- CO2 capture by polymeric membranes composed of hyper-branched polymers with dense poly(oxyethylene) comb and poly(amidoamine)
- Regular Articles
- Chain on a cone
- Regular Articles
- Multi-task feature learning by using trace norm regularization
- Regular Articles
- Superluminal tunneling of a relativistic half-integer spin particle through a potential barrier
- Regular Articles
- Neutrosophic triplet normed space
- Regular Articles
- Lie algebraic discussion for affinity based information diffusion in social networks
- Regular Articles
- Radiation dose and cancer risk estimates in helical CT for pulmonary tuberculosis infections
- Regular Articles
- A comparison study of steady-state vibrations with single fractional-order and distributed-order derivatives
- Regular Articles
- Some new remarks on MHD Jeffery-Hamel fluid flow problem
- Regular Articles
- Numerical investigation of magnetohydrodynamic slip flow of power-law nanofluid with temperature dependent viscosity and thermal conductivity over a permeable surface
- Regular Articles
- Charge conservation in a gravitational field in the scalar ether theory
- Regular Articles
- Measurement problem and local hidden variables with entangled photons
- Regular Articles
- Compression of hyper-spectral images using an accelerated nonnegative tensor decomposition
- Regular Articles
- Fabrication and application of coaxial polyvinyl alcohol/chitosan nanofiber membranes
- Regular Articles
- Calculating degree-based topological indices of dominating David derived networks
- Regular Articles
- The structure and conductivity of polyelectrolyte based on MEH-PPV and potassium iodide (KI) for dye-sensitized solar cells
- Regular Articles
- Chiral symmetry restoration and the critical end point in QCD
- Regular Articles
- Numerical solution for fractional Bratu’s initial value problem
- Regular Articles
- Structure and optical properties of TiO2 thin films deposited by ALD method
- Regular Articles
- Quadruple multi-wavelength conversion for access network scalability based on cross-phase modulation in an SOA-MZI
- Regular Articles
- Application of ANNs approach for wave-like and heat-like equations
- Special issue on Nonlinear Dynamics in General and Dynamical Systems in particular
- Study on node importance evaluation of the high-speed passenger traffic complex network based on the Structural Hole Theory
- Special issue on Nonlinear Dynamics in General and Dynamical Systems in particular
- A mathematical/physics model to measure the role of information and communication technology in some economies: the Chinese case
- Special issue on Nonlinear Dynamics in General and Dynamical Systems in particular
- Numerical modeling of the thermoelectric cooler with a complementary equation for heat circulation in air gaps
- Special issue on Nonlinear Dynamics in General and Dynamical Systems in particular
- On the libration collinear points in the restricted three – body problem
- Special issue on Nonlinear Dynamics in General and Dynamical Systems in particular
- Research on Critical Nodes Algorithm in Social Complex Networks
- Special issue on Nonlinear Dynamics in General and Dynamical Systems in particular
- A simulation based research on chance constrained programming in robust facility location problem
- Special issue on Nonlinear Dynamics in General and Dynamical Systems in particular
- A mathematical/physics carbon emission reduction strategy for building supply chain network based on carbon tax policy
- Special issue on Nonlinear Dynamics in General and Dynamical Systems in particular
- Mathematical analysis of the impact mechanism of information platform on agro-product supply chain and agro-product competitiveness
- Special issue on Nonlinear Dynamics in General and Dynamical Systems in particular
- A real negative selection algorithm with evolutionary preference for anomaly detection
- Special issue on Nonlinear Dynamics in General and Dynamical Systems in particular
- A privacy-preserving parallel and homomorphic encryption scheme
- Special issue on Nonlinear Dynamics in General and Dynamical Systems in particular
- Random walk-based similarity measure method for patterns in complex object
- Special issue on Nonlinear Dynamics in General and Dynamical Systems in particular
- A Mathematical Study of Accessibility and Cohesion Degree in a High-Speed Rail Station Connected to an Urban Bus Transport Network
- Special issue on Nonlinear Dynamics in General and Dynamical Systems in particular
- Design and Simulation of the Integrated Navigation System based on Extended Kalman Filter
- Special issue on Nonlinear Dynamics in General and Dynamical Systems in particular
- Oil exploration oriented multi-sensor image fusion algorithm
- Special issue on Nonlinear Dynamics in General and Dynamical Systems in particular
- Analysis of Product Distribution Strategy in Digital Publishing Industry Based on Game-Theory
- Special issue on Nonlinear Dynamics in General and Dynamical Systems in particular
- Expanded Study on the accumulation effect of tourism under the constraint of structure
- Special issue on Nonlinear Dynamics in General and Dynamical Systems in particular
- Unstructured P2P Network Load Balance Strategy Based on Multilevel Partitioning of Hypergraph
- Special issue on Nonlinear Dynamics in General and Dynamical Systems in particular
- Research on the method of information system risk state estimation based on clustering particle filter
- Special issue on Nonlinear Dynamics in General and Dynamical Systems in particular
- Demand forecasting and information platform in tourism
- Special issue on Nonlinear Dynamics in General and Dynamical Systems in particular
- Physical-chemical properties studying of molecular structures via topological index calculating
- Special issue on Nonlinear Dynamics in General and Dynamical Systems in particular
- Local kernel nonparametric discriminant analysis for adaptive extraction of complex structures
- Special issue on Nonlinear Dynamics in General and Dynamical Systems in particular
- City traffic flow breakdown prediction based on fuzzy rough set
- Special issue on Nonlinear Dynamics in General and Dynamical Systems in particular
- Conservation laws for a strongly damped wave equation
- Special issue on Nonlinear Dynamics in General and Dynamical Systems in particular
- Blending type approximation by Stancu-Kantorovich operators based on Pólya-Eggenberger distribution
- Special issue on Nonlinear Dynamics in General and Dynamical Systems in particular
- Computing the Ediz eccentric connectivity index of discrete dynamic structures
- Special issue on Nonlinear Dynamics in General and Dynamical Systems in particular
- A discrete epidemic model for bovine Babesiosis disease and tick populations
- Special issue on Nonlinear Dynamics in General and Dynamical Systems in particular
- Study on maintaining formations during satellite formation flying based on SDRE and LQR
- Special issue on Nonlinear Dynamics in General and Dynamical Systems in particular
- Relationship between solitary pulmonary nodule lung cancer and CT image features based on gradual clustering
- Special issue on Nonlinear Dynamics in General and Dynamical Systems in particular
- A novel fast target tracking method for UAV aerial image
- Special issue on Nonlinear Dynamics in General and Dynamical Systems in particular
- Fuzzy comprehensive evaluation model of interuniversity collaborative learning based on network
- Special issue on Nonlinear Dynamics in General and Dynamical Systems in particular
- Conservation laws, classical symmetries and exact solutions of the generalized KdV-Burgers-Kuramoto equation
- Special issue on Nonlinear Dynamics in General and Dynamical Systems in particular
- After notes on self-similarity exponent for fractal structures
- Special issue on Nonlinear Dynamics in General and Dynamical Systems in particular
- Excitation probability and effective temperature in the stationary regime of conductivity for Coulomb Glasses
- Special issue on Nonlinear Dynamics in General and Dynamical Systems in particular
- Comparisons of feature extraction algorithm based on unmanned aerial vehicle image
- Special issue on Nonlinear Dynamics in General and Dynamical Systems in particular
- Research on identification method of heavy vehicle rollover based on hidden Markov model
- Special issue on Nonlinear Dynamics in General and Dynamical Systems in particular
- Classifying BCI signals from novice users with extreme learning machine
- Special issue on Nonlinear Dynamics in General and Dynamical Systems in particular
- Topics on data transmission problem in software definition network
- Special issue on Nonlinear Dynamics in General and Dynamical Systems in particular
- Statistical inferences with jointly type-II censored samples from two Pareto distributions
- Special issue on Nonlinear Dynamics in General and Dynamical Systems in particular
- Estimation for coefficient of variation of an extension of the exponential distribution under type-II censoring scheme
- Special issue on Nonlinear Dynamics in General and Dynamical Systems in particular
- Analysis on trust influencing factors and trust model from multiple perspectives of online Auction
- Special Issue on Advances on Modelling of Flowing and Transport in Porous Media
- Coupling of two-phase flow in fractured-vuggy reservoir with filling medium
- Special Issue on Advances on Modelling of Flowing and Transport in Porous Media
- Production decline type curves analysis of a finite conductivity fractured well in coalbed methane reservoirs
- Special Issue on Advances on Modelling of Flowing and Transport in Porous Media
- Flow Characteristic and Heat Transfer for Non-Newtonian Nanofluid in Rectangular Microchannels with Teardrop Dimples/Protrusions
- Special Issue on Advances on Modelling of Flowing and Transport in Porous Media
- The size prediction of potential inclusions embedded in the sub-surface of fused silica by damage morphology
- Special Issue on Advances on Modelling of Flowing and Transport in Porous Media
- Research on carbonate reservoir interwell connectivity based on a modified diffusivity filter model
- Special Issue on Advances on Modelling of Flowing and Transport in Porous Media
- The method of the spatial locating of macroscopic throats based-on the inversion of dynamic interwell connectivity
- Special Issue on Advances on Modelling of Flowing and Transport in Porous Media
- Unsteady mixed convection flow through a permeable stretching flat surface with partial slip effects through MHD nanofluid using spectral relaxation method
- Special Issue on Advances on Modelling of Flowing and Transport in Porous Media
- A volumetric ablation model of EPDM considering complex physicochemical process in porous structure of char layer
- Special Issue on Advances on Modelling of Flowing and Transport in Porous Media
- Numerical simulation on ferrofluid flow in fractured porous media based on discrete-fracture model
- Special Issue on Advances on Modelling of Flowing and Transport in Porous Media
- Macroscopic lattice Boltzmann model for heat and moisture transfer process with phase transformation in unsaturated porous media during freezing process
- Special Issue on Advances on Modelling of Flowing and Transport in Porous Media
- Modelling of intermittent microwave convective drying: parameter sensitivity
- Special Issue on Advances on Modelling of Flowing and Transport in Porous Media
- Simulating gas-water relative permeabilities for nanoscale porous media with interfacial effects
- Special Issue on Advances on Modelling of Flowing and Transport in Porous Media
- Simulation of counter-current imbibition in water-wet fractured reservoirs based on discrete-fracture model
- Special Issue on Advances on Modelling of Flowing and Transport in Porous Media
- Investigation effect of wettability and heterogeneity in water flooding and on microscopic residual oil distribution in tight sandstone cores with NMR technique
- Special Issue on Advances on Modelling of Flowing and Transport in Porous Media
- Analytical modeling of coupled flow and geomechanics for vertical fractured well in tight gas reservoirs
- Special Issue on Ever-New "Loopholes" in Bell’s Argument and Experimental Tests
- Special Issue: Ever New "Loopholes" in Bell’s Argument and Experimental Tests
- Special Issue on Ever-New "Loopholes" in Bell’s Argument and Experimental Tests
- The ultimate loophole in Bell’s theorem: The inequality is identically satisfied by data sets composed of ±1′s assuming merely that they exist
- Special Issue on Ever-New "Loopholes" in Bell’s Argument and Experimental Tests
- Erratum to: The ultimate loophole in Bell’s theorem: The inequality is identically satisfied by data sets composed of ±1′s assuming merely that they exist
- Special Issue on Ever-New "Loopholes" in Bell’s Argument and Experimental Tests
- Rhetoric, logic, and experiment in the quantum nonlocality debate
- Special Issue on Ever-New "Loopholes" in Bell’s Argument and Experimental Tests
- What If Quantum Theory Violates All Mathematics?
- Special Issue on Ever-New "Loopholes" in Bell’s Argument and Experimental Tests
- Relativity, anomalies and objectivity loophole in recent tests of local realism
- Special Issue on Ever-New "Loopholes" in Bell’s Argument and Experimental Tests
- The photon identification loophole in EPRB experiments: computer models with single-wing selection
- Special Issue on Ever-New "Loopholes" in Bell’s Argument and Experimental Tests
- Bohr against Bell: complementarity versus nonlocality
- Special Issue on Ever-New "Loopholes" in Bell’s Argument and Experimental Tests
- Is Einsteinian no-signalling violated in Bell tests?
- Special Issue on Ever-New "Loopholes" in Bell’s Argument and Experimental Tests
- Bell’s “Theorem”: loopholes vs. conceptual flaws
- Special Issue on Ever-New "Loopholes" in Bell’s Argument and Experimental Tests
- Nonrecurrence and Bell-like inequalities
- Special Issue: The 18th International Symposium on Electromagnetic Fields in Mechatronics, Electrical and Electronic Engineering ISEF 2017
- Three-dimensional computer models of electrospinning systems
- Special Issue: The 18th International Symposium on Electromagnetic Fields in Mechatronics, Electrical and Electronic Engineering ISEF 2017
- Electric field computation and measurements in the electroporation of inhomogeneous samples
- Special Issue: The 18th International Symposium on Electromagnetic Fields in Mechatronics, Electrical and Electronic Engineering ISEF 2017
- Modelling of magnetostriction of transformer magnetic core for vibration analysis
- Special Issue: The 18th International Symposium on Electromagnetic Fields in Mechatronics, Electrical and Electronic Engineering ISEF 2017
- Comparison of the fractional power motor with cores made of various magnetic materials
- Special Issue: The 18th International Symposium on Electromagnetic Fields in Mechatronics, Electrical and Electronic Engineering ISEF 2017
- Dynamics of the line-start reluctance motor with rotor made of SMC material
- Special Issue: The 18th International Symposium on Electromagnetic Fields in Mechatronics, Electrical and Electronic Engineering ISEF 2017
- Inhomogeneous dielectrics: conformal mapping and finite-element models
- Special Issue: The 18th International Symposium on Electromagnetic Fields in Mechatronics, Electrical and Electronic Engineering ISEF 2017
- Topology optimization of induction heating model using sequential linear programming based on move limit with adaptive relaxation
- Special Issue: The 18th International Symposium on Electromagnetic Fields in Mechatronics, Electrical and Electronic Engineering ISEF 2017
- Detection of inter-turn short-circuit at start-up of induction machine based on torque analysis
- Special Issue: The 18th International Symposium on Electromagnetic Fields in Mechatronics, Electrical and Electronic Engineering ISEF 2017
- Current superimposition variable flux reluctance motor with 8 salient poles
- Special Issue: The 18th International Symposium on Electromagnetic Fields in Mechatronics, Electrical and Electronic Engineering ISEF 2017
- Modelling axial vibration in windings of power transformers
- Special Issue: The 18th International Symposium on Electromagnetic Fields in Mechatronics, Electrical and Electronic Engineering ISEF 2017
- Field analysis & eddy current losses calculation in five-phase tubular actuator
- Special Issue: The 18th International Symposium on Electromagnetic Fields in Mechatronics, Electrical and Electronic Engineering ISEF 2017
- Hybrid excited claw pole generator with skewed and non-skewed permanent magnets
- Special Issue: The 18th International Symposium on Electromagnetic Fields in Mechatronics, Electrical and Electronic Engineering ISEF 2017
- Electromagnetic phenomena analysis in brushless DC motor with speed control using PWM method
- Special Issue: The 18th International Symposium on Electromagnetic Fields in Mechatronics, Electrical and Electronic Engineering ISEF 2017
- Field-circuit analysis and measurements of a single-phase self-excited induction generator
- Special Issue: The 18th International Symposium on Electromagnetic Fields in Mechatronics, Electrical and Electronic Engineering ISEF 2017
- A comparative analysis between classical and modified approach of description of the electrical machine windings by means of T0 method
- Special Issue: The 18th International Symposium on Electromagnetic Fields in Mechatronics, Electrical and Electronic Engineering ISEF 2017
- Field-based optimal-design of an electric motor: a new sensitivity formulation
- Special Issue: The 18th International Symposium on Electromagnetic Fields in Mechatronics, Electrical and Electronic Engineering ISEF 2017
- Application of the parametric proper generalized decomposition to the frequency-dependent calculation of the impedance of an AC line with rectangular conductors
- Special Issue: The 18th International Symposium on Electromagnetic Fields in Mechatronics, Electrical and Electronic Engineering ISEF 2017
- Virtual reality as a new trend in mechanical and electrical engineering education
- Special Issue: The 18th International Symposium on Electromagnetic Fields in Mechatronics, Electrical and Electronic Engineering ISEF 2017
- Holonomicity analysis of electromechanical systems
- Special Issue: The 18th International Symposium on Electromagnetic Fields in Mechatronics, Electrical and Electronic Engineering ISEF 2017
- An accurate reactive power control study in virtual flux droop control
- Special Issue: The 18th International Symposium on Electromagnetic Fields in Mechatronics, Electrical and Electronic Engineering ISEF 2017
- Localized probability of improvement for kriging based multi-objective optimization
- Special Issue: The 18th International Symposium on Electromagnetic Fields in Mechatronics, Electrical and Electronic Engineering ISEF 2017
- Research of influence of open-winding faults on properties of brushless permanent magnets motor
- Special Issue: The 18th International Symposium on Electromagnetic Fields in Mechatronics, Electrical and Electronic Engineering ISEF 2017
- Optimal design of the rotor geometry of line-start permanent magnet synchronous motor using the bat algorithm
- Special Issue: The 18th International Symposium on Electromagnetic Fields in Mechatronics, Electrical and Electronic Engineering ISEF 2017
- Model of depositing layer on cylindrical surface produced by induction-assisted laser cladding process
- Special Issue: The 18th International Symposium on Electromagnetic Fields in Mechatronics, Electrical and Electronic Engineering ISEF 2017
- Detection of inter-turn faults in transformer winding using the capacitor discharge method
- Special Issue: The 18th International Symposium on Electromagnetic Fields in Mechatronics, Electrical and Electronic Engineering ISEF 2017
- A novel hybrid genetic algorithm for optimal design of IPM machines for electric vehicle
- Special Issue: The 18th International Symposium on Electromagnetic Fields in Mechatronics, Electrical and Electronic Engineering ISEF 2017
- Lamination effects on a 3D model of the magnetic core of power transformers
- Special Issue: The 18th International Symposium on Electromagnetic Fields in Mechatronics, Electrical and Electronic Engineering ISEF 2017
- Detection of vertical disparity in three-dimensional visualizations
- Special Issue: The 18th International Symposium on Electromagnetic Fields in Mechatronics, Electrical and Electronic Engineering ISEF 2017
- Calculations of magnetic field in dynamo sheets taking into account their texture
- Special Issue: The 18th International Symposium on Electromagnetic Fields in Mechatronics, Electrical and Electronic Engineering ISEF 2017
- 3-dimensional computer model of electrospinning multicapillary unit used for electrostatic field analysis
- Special Issue: The 18th International Symposium on Electromagnetic Fields in Mechatronics, Electrical and Electronic Engineering ISEF 2017
- Optimization of wearable microwave antenna with simplified electromagnetic model of the human body
- Special Issue: The 18th International Symposium on Electromagnetic Fields in Mechatronics, Electrical and Electronic Engineering ISEF 2017
- Induction heating process of ferromagnetic filled carbon nanotubes based on 3-D model
- Special Issue: The 18th International Symposium on Electromagnetic Fields in Mechatronics, Electrical and Electronic Engineering ISEF 2017
- Speed control of an induction motor by 6-switched 3-level inverter