Abstract
Field-circuit model of a brushless DC motor with speed control using PWM method was developed. Waveforms of electrical and mechanical quantities of the designed motor with a high pressure vane pump built in a rotor of the motor were computed. Analysis of electromagnetic phenomena in the system: single phase AC network – converter - BLDC motor was carried out.
1 Introduction
Brushless DC motors are known for their high performance and reliability, as well as their high torque and high power per volume unit [1, 2], that is why they are widely used in the automotive industry, industrial automation, computer drives, medical and military technology as well as in special purpose devices [1, 2, 3, 4, 5, 6, 7, 8]. Rotational speed of BLDC motors is proportional to power supply voltage, therefore it can be regulated by pulse width modulation (PWM) using an inverter [1, 2, 9, 10, 11]. Such operation results in phase currents pulsations and pulsations in torque with a frequency range of up to several dozen kHz. It can be particularly unfavorable for low inductance machines [6, 12]. Magnetic flux density pulsations in an air gap caused by stator slotting and motor phase currents pulsations resulting from commutation and inverter PWM operation, are responsible for power losses in permanent magnets and the rotor iron [13, 14]. Phase currents pulsations lead to the increase in power losses in the stator iron and in the winding. Currents changes result in a different magnetic flux density distribution within the magnetic circuit of the machine. It affects the change in power losses in the motor and the change of the winding inductance; and therefore it has an impact on the instantaneous values of electrical quantities in the drive system. In the available literature these phenomena are not sufficiently presented. Only field-circuit modelling using the finite element method can show a correlation between phenomena appearing in the magnetic circuit and electrical circuit of the motor along with the power converter.
This paper presents the field–circuit analysis of electromagnetic phenomena in a drive system with a new design solution of PM BLDC motor which speed is controlled using PWM method. The essence of the solution is presented in Figure 1. The magnetic circuit of the motor consists of a stator with a three-phase winding, and a rotor with neodymium magnets on its surface. Inside of the rotor there is a built-in inverted action high pressure vane pump. To prevent the pump from the incoming magnetic flux, a nonmagnetic sleeve was used between the rotating part of the pump and the yoke of the rotor.
The stator of the motor is a part of the body of the integrated motor-pump device. The pump external casing rotates along with the rotor of the electric motor. The internal part of the pump (with the vanes) is immovable [3, 8, 11]. The flow of the vane pump is controlled through the change in rotational speed of the motor by the PWM method.

Cross-section of the designed PM BLDC motor with the vane pump built in the rotor: 1 – stator sheet, 2 – winding, 3 – permanent magnet,4 – rotor yoke, 5 – non-magnetic sleeve, 6 – rotating part of the vane pump
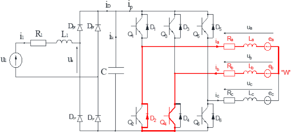
The BLDC motor power is P = 2,5 kW at maximum speed nmax = 3000 rpm. The motor is supplied (Figure 2) from the single-phase 230 VAC, 50 Hz network through the converter that consists of a rectifier, a smoothing capacitor and an inverter. The construction of the motor was shown in detail in [8] Both the motor and the converter were designed and built at the Department of Electrical Machines, Drives and Measurements at the Wroclaw University of Science and Technology [11].

Electric circuit diagram of the system: single-phase AC network – converter (rectifier – capacitor – inverter) – brushless DC motor
2 Field – circuit model
In order to analyze electromagnetic phenomena in the motor, it was necessary to develop a field-circuit model of the whole analyzed electromechanical system, i.e. the electric circuit (Figure 2), the motor magnetic circuit (Figure 3), and the waveform of the load torque generated by the vane pump. The model was developed using the ANSYS software.

Magnetic flux density module distribution
The following factors were included, among others [3, 15]:
geometrical dimensions of the machine magnetic circuit,
axial direction of the magnets magnetization,
magnetization characteristics and conductivity of the stator sheet and rotor yoke,
demagnetization characteristics and conductivity of permanent magnets,
eddy currents and hysteresis power losses in the stator and in the rotor,
source voltage waveform (u1) and parameters of the power supply network (R1, L1),
parameters of the converter (rectifier, smoothing capacitor, inverter),
resistance and inductance of the winding,
commutation of the winding phases,
the unipolar H_PWM_L_ON [10] speed control method,
limiting instantaneous values of motor phase currents to the level which does not lead to demagnetization of the magnets,
the load torque waveform generated by the vane pump experimentally determined.
The field-circuit model is described in details in Ref. [3].
3 Results of computations of the waveforms of electrical and mechanical quantities
Using the developed field-circuit model, magnetic field analysis of the motor was performed and waveforms of the electrical and mechanical quantities in the drive system were determined. The results shown in the Figures 3-14 refer to the rated torque of the motor.
4 Analysis of the electromagnetic phenomena in the system: single-phase AC network – converter – PM BLDC motor
The magnetic circuit computations of the integrated motor-pump device showed correct magnetic flux density values of its particular elements (Figure 3). The magnetic induction value at the rated motor torque does not exceed 1.6 T, and 2.0 T during overloading. This means that the magnetic circuit is used, but not oversaturated. The magnetic induction module value of the external (rotating) element of the pump reaches a few mT only. This means that the used non-magnetic sleeve successfully protects the inside of the pump from the magnetic flux generated by the magnets.
The converter input voltage waveform is a distorted sine wave. This is a result of source voltage deformation, and voltage drops in the single-phase AC network (Figure 4). The converter input current is drawn from the network during a time interval, when the instantaneous value of the converter input voltage is higher than the one of the capacitor (Figure 4). The converter input current charges the capacitor which smoothens the input voltage of the inverter.

Waveforms of: source voltage of the single-phase network (IUs), converter input voltage (IUp), converter input current (Vis) and inverter input voltage (IUkond)
As a result of the rectifier operation, the capacitor voltage (the input voltage of the inverter) has a ripple waveform with the frequency of 100 Hz. These ripples and pulsations result from converter input voltage deformations are transferred to the waveforms of: phase voltages and currents of the motor, inverter input current, and the motor torque (Figures 6-8, 10).
Waveform of the capacitor current (Figure 5) has two components: rectified current drawn from the single-phase AC network which charges the capacitor, and the inverter input current (Figure 6) which discharges it. The inverter input current waveform is a result of the load torque and rotational speed, commutation of the motor winding phases, the PWM operation of the inverter and the voltage ripples at its input.

Waveform of charging and discharging current of the capacitor

Waveform of inverter input current
In the waveforms of phase currents (Figure 7), the greatest part is played by ripples caused by winding phases commutation process and ripples caused by PWM operation of the inverter. Ripples, with the frequency of 100Hz, resulting from the rectifier operation are smaller.

Waveforms of motor phase currents
Using the unipolar H_PWM_L_ON method of rotational speed control, the upper group of inverter transistors are switched on/off with the PWM frequency of 15625 Hz. When one of them is switched off (e.g. the transistor Q1 while supplying phases ‘a’ and ‘b’ – Figure 1) the current decreases in the circuit: one of the winding phase (phase ‘a’) – second of the winding phase (phase ‘b’) – a transistor of the inverter lower group of the second winding phase (transistor Q4) – a flyback diode of the first winding phase (diode D2) – first of the winding phase (phase ‘a’). This circuit is marked in red in Figure 2.
In some time periods e.g. from approximately 292,9 ms to around 294 ms - Figure 7) there is a current flow in the “non-powered” phase ‘c’ when the upper group of inverter transistors are switched off due to the PWM system operation. The electric circuit diagram presenting this phenomenon (current flow in the “non –powered” phase ‘c’) is shown in Figure 15. The current in the phase ‘c’ begins to flow when the inverter diode D6 becomes conductive. It can happen when the transistor Q1 is switched off (which is caused by the PWM system operation) and the instantaneous value of the induced electromotive force ec is negative (with direction towards node ‘W’ in the electric circuit -Figure 15). Because of the fact that the ‘upper’ group transistors (Q1, Q3, Q5) of the inverter are switched off, electrical energy is not transferred to the motor. Magnetic energy accumulated in the winding phases ‘a’ and ‘b’ maintains the direction of currents flow ia and ib discharging itself within the circuit: phase ‘b’– transistor Q4 – flyback diode D2 – phase ‘a’ and the parallel circuit with the flyback diode D6 and phase ‘c’ (the circuits marked in red in Figure 15).
The current flow in the phase ‘c’ of the winding leads to a faster discharging of energy accumulated in phase ‘a’, so it decreases the instantaneous value of the current flowing in phase ‘a’. For this reason the current pulsations of the phase ‘a’, which are the result of the PWM system operation, are higher than in the phase ‘b’. The difference becomes higher with the growth of the instantaneous value of the phase ‘c’ current.
Waveforms of the phase voltages are not symmetrical to the time axis (Figure 8). This is a result of changes in the steepness in increase and decrease of currents during the current flow in the “non-powered” winding phase.

Waveforms of motor phase voltages
During the winding phases commutation process there are considerable changes of the instantaneous values of the phase voltages. These changes are caused by the changes in the steepness in the decrease and increase of phase currents, and by resulting from this the changes of the self-induced emfs.
Waveforms of flux linkage with the winding phases (Figure 9) are distorted sine waves. In these waveforms the deformations during winding phases commutation process, and to a much lesser degree ripples which results from phase currents ripples with PWM frequency can be noticed.

Waveforms of magnetic flux linkage with the motor winding phases ‘a’, ‘b’ and ‘c’
In waveform of the motor torque, the greatest part is played by both: the ripples resulting from the winding phases commutation, and the pulsations caused by the inverter PWM operation (Figure 10). These pulsations are much higher than the load torque pulsations generated by the vane pump. Despite high amplitude of the torque pulsations, rotational speed pulsations (Figure 11) do not exceed 1.3%.

Waveforms of PM BLDC motor torque and load torque generated by the vane pump

Waveform of rotational speed
In the waveforms of power losses in the stator iron, rotor and the winding, there are pulsations caused by the operation of the rectifier, as well as commutation of the motor winding phases and the inverter PWM operation (Figure 12-14). The main reason for power losses in the stator iron, in both eddy currents and hysteresis, lies in the magnetic flux pulsations with the PWM frequency (Figure 12). Power losses in the rotor also depends heavily upon the magnetic flux pulsations with the PWM frequency. The instantaneous values of power losses in the rotor during the commutation of the winding phases are higher than their average value (Figure 13). Waveforms computations of the electrical and mechanical quantities in the system: single phase AC network – converter – PM BLDC motor – vane pump enabled operating parameters of the designed drive system to be determined, including motor efficiency and converter efficiency. These efficiencies reached 87.1% and 97.3% respectively at the rated motor torque. The results of computations were verified and confirmed by experimental analyses. The differences between average values of computations and measurements do not exceed a few percent.

Waveform of power losses in the stator iron

Waveform of the summary power losses in the magnets and rotor yoke

Waveform of power losses in the winding

Ilustration of the current flow in the phase ‘c’ when it is “non-powered”
5 Conclusions
Due to the developed field-circuit model it was possible to determine the waveforms of electrical and mechanical quantities in the drive system with BLDC motor and PWM speed control.
The determined waveforms take into account interactions between electromagnetic and electromechanical phenomena in the: single phase AC network – converter – BLDC motor system. The analysis of electromagnetic phenomena in the drive system showed their complexity and that it is necessary to consider their mutual interactions. Computations of electrical and mechanical quantities waveforms at different values of the load torque allow the electromechanical characteristics and drive system performance to be determined. The developed drive system with the developed BLDC motor reached a high performance of 84.7%.
Acknowledgement
Computations were made using resources of the Wroclaw Centre for Networking and Supercomputing (http://wcss.pl). Grant No. 400.
References
[1] Gieras J.F., Wing M., Permanent magnet motor technology, Marcel Dekker, Inc. New York, Basel, 2002.Search in Google Scholar
[2] Hendershot J.R, Miller T.J.E., Design of brushless permanent-magnet motors, Magna Physics Publishing and Calderon Press, Oxford, 1994.10.1093/oso/9780198593898.001.0001Search in Google Scholar
[3] Ciurys M. P., Time-stepping finite element analysis of a brushless DC motor with the PWM speed control, IEEE Conference Publications, 2017 International Symposium on Electrical Machines (SME), Naleczow, Poland 18-21 June 2017, 10.1109/ISEM.2017.7993557.Search in Google Scholar
[4] Antaki J., Paden B. E., Piovoso M. J., Banda S. S., Award-winning control applications, IEEE Control System Magazine, 2002, 12, 8-20.Search in Google Scholar
[5] Yang F., Jiang C., Taylor A., Bai H., Kotrba A., Yetkin A., Gundogan A., Design of a High-Efficiency Minimum-Torque-Ripple 12-V/1-kW Three-Phase BLDC Motor Drive System for Diesel Engine Emission Reductions, IEEE Transactions on Vehicular Technology, 2014, 63, 7, 3107-3115.10.1109/TVT.2014.2300931Search in Google Scholar
[6] Li H., Li W., Ren H., Fault-Tolerant Inverter for High-Speed Low-Inductance BLDC Drives in Aerospace Applications, IEEE Transactions on Power Electronics, 2017, 32, 3, 2452-2463.10.1109/TPEL.2016.2569611Search in Google Scholar
[7] Piccigallo M., Scarfogliero U., Quaglia C., Petroni G., Valdastri P., Menciassi A., Dario P., Design of a Novel Bimanual Robotic for Single-Port Laparoscopy, System for Mechatronics, IEEE/ASME Transactions on Mechatronics, 2010, 15, 6, 871-878.10.1109/TMECH.2010.2078512Search in Google Scholar
[8] Ciurys M. P., Dudzikowski I., Analysis of a brushless dc motor integrated with a high-pressure vane pump, Technical Transactions Electrical Engineering, 2015, 1-E, 407-416.Search in Google Scholar
[9] Cui Ch., Liu G., Wang K., A Novel Drive Method for High-Speed Brushless DC Motor Operating in a Wide Range, IEEE Transactions on Power Electronics, 2015, 30, 9, 4998-5008.10.1109/TPEL.2014.2361752Search in Google Scholar
[10] Li Q., Huang H., Yin B., The study of PWM methods in permanent magnet brushless DC motor speed control system, ICEMS International Conference on Electrical Machines and Systems, 2008.Search in Google Scholar
[11] Ciurys M. P., Dudzikowski I., Pawlak M., Laboratory tests of a PM-BLDC motor drive, IEEE Conference Publications, Selected Problems of Electrical Engineering and Electronics (WZEE), Kielce, Poland 17-19 Sept. 2015, 10.1109/WZEE.2015.7394029.Search in Google Scholar
[12] Fang J., Zhou X., Liu G., Instantaneous torque control of small inductance brushless DC motor, IEEE Trans. Power Electron., 2012, 27, 12, 4952-4964.10.1109/TPEL.2012.2193420Search in Google Scholar
[13] Mijavec D., Zidari B., Eddy current losses in permanent magnets of the BLDC machine, COMPEL – the international journal for computation and mathematics in electrical and electroic enginneering, 2007, 26, 4, 1095-1104.10.1108/03321640710756410Search in Google Scholar
[14] Ishak D., Zhu Z. Q., Howe D., Eddy-current loss in the rotor magnets of permanent-magnet brushless machines having a fractional of slots per pole, IEEE Transactions on Magnetics, 2005, 41, 9, 2462-2469.10.1109/TMAG.2005.854337Search in Google Scholar
[15] Ciurys M. P., Brushless DC motor with a vane pump built in and with speed control using PWM method, IEEE Conference Publications, 18th International Symposium on Electromagnetic Fields in Mechatronics, Electrical and Electronic Engineering (ISEF) Book of Abstracts, Lodz, Poland, 14-16 Sept. 2017, 10.1109/ISEF.2017.8090704.Search in Google Scholar
© 2017 M. P. Ciurys
This work is licensed under the Creative Commons Attribution-NonCommercial-NoDerivatives 4.0 License.
Articles in the same Issue
- Regular Articles
- Analysis of a New Fractional Model for Damped Bergers’ Equation
- Regular Articles
- Optimal homotopy perturbation method for nonlinear differential equations governing MHD Jeffery-Hamel flow with heat transfer problem
- Regular Articles
- Semi- analytic numerical method for solution of time-space fractional heat and wave type equations with variable coefficients
- Regular Articles
- Investigation of a curve using Frenet frame in the lightlike cone
- Regular Articles
- Construction of complex networks from time series based on the cross correlation interval
- Regular Articles
- Nonlinear Schrödinger approach to European option pricing
- Regular Articles
- A modified cubic B-spline differential quadrature method for three-dimensional non-linear diffusion equations
- Regular Articles
- A new miniaturized negative-index meta-atom for tri-band applications
- Regular Articles
- Seismic stability of the survey areas of potential sites for the deep geological repository of the spent nuclear fuel
- Regular Articles
- Distributed containment control of heterogeneous fractional-order multi-agent systems with communication delays
- Regular Articles
- Sensitivity analysis and economic optimization studies of inverted five-spot gas cycling in gas condensate reservoir
- Regular Articles
- Quantum mechanics with geometric constraints of Friedmann type
- Regular Articles
- Modeling and Simulation for an 8 kW Three-Phase Grid-Connected Photo-Voltaic Power System
- Regular Articles
- Application of the optimal homotopy asymptotic method to nonlinear Bingham fluid dampers
- Regular Articles
- Analysis of Drude model using fractional derivatives without singular kernels
- Regular Articles
- An unsteady MHD Maxwell nanofluid flow with convective boundary conditions using spectral local linearization method
- Regular Articles
- New analytical solutions for conformable fractional PDEs arising in mathematical physics by exp-function method
- Regular Articles
- Quantum mechanical calculation of electron spin
- Regular Articles
- CO2 capture by polymeric membranes composed of hyper-branched polymers with dense poly(oxyethylene) comb and poly(amidoamine)
- Regular Articles
- Chain on a cone
- Regular Articles
- Multi-task feature learning by using trace norm regularization
- Regular Articles
- Superluminal tunneling of a relativistic half-integer spin particle through a potential barrier
- Regular Articles
- Neutrosophic triplet normed space
- Regular Articles
- Lie algebraic discussion for affinity based information diffusion in social networks
- Regular Articles
- Radiation dose and cancer risk estimates in helical CT for pulmonary tuberculosis infections
- Regular Articles
- A comparison study of steady-state vibrations with single fractional-order and distributed-order derivatives
- Regular Articles
- Some new remarks on MHD Jeffery-Hamel fluid flow problem
- Regular Articles
- Numerical investigation of magnetohydrodynamic slip flow of power-law nanofluid with temperature dependent viscosity and thermal conductivity over a permeable surface
- Regular Articles
- Charge conservation in a gravitational field in the scalar ether theory
- Regular Articles
- Measurement problem and local hidden variables with entangled photons
- Regular Articles
- Compression of hyper-spectral images using an accelerated nonnegative tensor decomposition
- Regular Articles
- Fabrication and application of coaxial polyvinyl alcohol/chitosan nanofiber membranes
- Regular Articles
- Calculating degree-based topological indices of dominating David derived networks
- Regular Articles
- The structure and conductivity of polyelectrolyte based on MEH-PPV and potassium iodide (KI) for dye-sensitized solar cells
- Regular Articles
- Chiral symmetry restoration and the critical end point in QCD
- Regular Articles
- Numerical solution for fractional Bratu’s initial value problem
- Regular Articles
- Structure and optical properties of TiO2 thin films deposited by ALD method
- Regular Articles
- Quadruple multi-wavelength conversion for access network scalability based on cross-phase modulation in an SOA-MZI
- Regular Articles
- Application of ANNs approach for wave-like and heat-like equations
- Special issue on Nonlinear Dynamics in General and Dynamical Systems in particular
- Study on node importance evaluation of the high-speed passenger traffic complex network based on the Structural Hole Theory
- Special issue on Nonlinear Dynamics in General and Dynamical Systems in particular
- A mathematical/physics model to measure the role of information and communication technology in some economies: the Chinese case
- Special issue on Nonlinear Dynamics in General and Dynamical Systems in particular
- Numerical modeling of the thermoelectric cooler with a complementary equation for heat circulation in air gaps
- Special issue on Nonlinear Dynamics in General and Dynamical Systems in particular
- On the libration collinear points in the restricted three – body problem
- Special issue on Nonlinear Dynamics in General and Dynamical Systems in particular
- Research on Critical Nodes Algorithm in Social Complex Networks
- Special issue on Nonlinear Dynamics in General and Dynamical Systems in particular
- A simulation based research on chance constrained programming in robust facility location problem
- Special issue on Nonlinear Dynamics in General and Dynamical Systems in particular
- A mathematical/physics carbon emission reduction strategy for building supply chain network based on carbon tax policy
- Special issue on Nonlinear Dynamics in General and Dynamical Systems in particular
- Mathematical analysis of the impact mechanism of information platform on agro-product supply chain and agro-product competitiveness
- Special issue on Nonlinear Dynamics in General and Dynamical Systems in particular
- A real negative selection algorithm with evolutionary preference for anomaly detection
- Special issue on Nonlinear Dynamics in General and Dynamical Systems in particular
- A privacy-preserving parallel and homomorphic encryption scheme
- Special issue on Nonlinear Dynamics in General and Dynamical Systems in particular
- Random walk-based similarity measure method for patterns in complex object
- Special issue on Nonlinear Dynamics in General and Dynamical Systems in particular
- A Mathematical Study of Accessibility and Cohesion Degree in a High-Speed Rail Station Connected to an Urban Bus Transport Network
- Special issue on Nonlinear Dynamics in General and Dynamical Systems in particular
- Design and Simulation of the Integrated Navigation System based on Extended Kalman Filter
- Special issue on Nonlinear Dynamics in General and Dynamical Systems in particular
- Oil exploration oriented multi-sensor image fusion algorithm
- Special issue on Nonlinear Dynamics in General and Dynamical Systems in particular
- Analysis of Product Distribution Strategy in Digital Publishing Industry Based on Game-Theory
- Special issue on Nonlinear Dynamics in General and Dynamical Systems in particular
- Expanded Study on the accumulation effect of tourism under the constraint of structure
- Special issue on Nonlinear Dynamics in General and Dynamical Systems in particular
- Unstructured P2P Network Load Balance Strategy Based on Multilevel Partitioning of Hypergraph
- Special issue on Nonlinear Dynamics in General and Dynamical Systems in particular
- Research on the method of information system risk state estimation based on clustering particle filter
- Special issue on Nonlinear Dynamics in General and Dynamical Systems in particular
- Demand forecasting and information platform in tourism
- Special issue on Nonlinear Dynamics in General and Dynamical Systems in particular
- Physical-chemical properties studying of molecular structures via topological index calculating
- Special issue on Nonlinear Dynamics in General and Dynamical Systems in particular
- Local kernel nonparametric discriminant analysis for adaptive extraction of complex structures
- Special issue on Nonlinear Dynamics in General and Dynamical Systems in particular
- City traffic flow breakdown prediction based on fuzzy rough set
- Special issue on Nonlinear Dynamics in General and Dynamical Systems in particular
- Conservation laws for a strongly damped wave equation
- Special issue on Nonlinear Dynamics in General and Dynamical Systems in particular
- Blending type approximation by Stancu-Kantorovich operators based on Pólya-Eggenberger distribution
- Special issue on Nonlinear Dynamics in General and Dynamical Systems in particular
- Computing the Ediz eccentric connectivity index of discrete dynamic structures
- Special issue on Nonlinear Dynamics in General and Dynamical Systems in particular
- A discrete epidemic model for bovine Babesiosis disease and tick populations
- Special issue on Nonlinear Dynamics in General and Dynamical Systems in particular
- Study on maintaining formations during satellite formation flying based on SDRE and LQR
- Special issue on Nonlinear Dynamics in General and Dynamical Systems in particular
- Relationship between solitary pulmonary nodule lung cancer and CT image features based on gradual clustering
- Special issue on Nonlinear Dynamics in General and Dynamical Systems in particular
- A novel fast target tracking method for UAV aerial image
- Special issue on Nonlinear Dynamics in General and Dynamical Systems in particular
- Fuzzy comprehensive evaluation model of interuniversity collaborative learning based on network
- Special issue on Nonlinear Dynamics in General and Dynamical Systems in particular
- Conservation laws, classical symmetries and exact solutions of the generalized KdV-Burgers-Kuramoto equation
- Special issue on Nonlinear Dynamics in General and Dynamical Systems in particular
- After notes on self-similarity exponent for fractal structures
- Special issue on Nonlinear Dynamics in General and Dynamical Systems in particular
- Excitation probability and effective temperature in the stationary regime of conductivity for Coulomb Glasses
- Special issue on Nonlinear Dynamics in General and Dynamical Systems in particular
- Comparisons of feature extraction algorithm based on unmanned aerial vehicle image
- Special issue on Nonlinear Dynamics in General and Dynamical Systems in particular
- Research on identification method of heavy vehicle rollover based on hidden Markov model
- Special issue on Nonlinear Dynamics in General and Dynamical Systems in particular
- Classifying BCI signals from novice users with extreme learning machine
- Special issue on Nonlinear Dynamics in General and Dynamical Systems in particular
- Topics on data transmission problem in software definition network
- Special issue on Nonlinear Dynamics in General and Dynamical Systems in particular
- Statistical inferences with jointly type-II censored samples from two Pareto distributions
- Special issue on Nonlinear Dynamics in General and Dynamical Systems in particular
- Estimation for coefficient of variation of an extension of the exponential distribution under type-II censoring scheme
- Special issue on Nonlinear Dynamics in General and Dynamical Systems in particular
- Analysis on trust influencing factors and trust model from multiple perspectives of online Auction
- Special Issue on Advances on Modelling of Flowing and Transport in Porous Media
- Coupling of two-phase flow in fractured-vuggy reservoir with filling medium
- Special Issue on Advances on Modelling of Flowing and Transport in Porous Media
- Production decline type curves analysis of a finite conductivity fractured well in coalbed methane reservoirs
- Special Issue on Advances on Modelling of Flowing and Transport in Porous Media
- Flow Characteristic and Heat Transfer for Non-Newtonian Nanofluid in Rectangular Microchannels with Teardrop Dimples/Protrusions
- Special Issue on Advances on Modelling of Flowing and Transport in Porous Media
- The size prediction of potential inclusions embedded in the sub-surface of fused silica by damage morphology
- Special Issue on Advances on Modelling of Flowing and Transport in Porous Media
- Research on carbonate reservoir interwell connectivity based on a modified diffusivity filter model
- Special Issue on Advances on Modelling of Flowing and Transport in Porous Media
- The method of the spatial locating of macroscopic throats based-on the inversion of dynamic interwell connectivity
- Special Issue on Advances on Modelling of Flowing and Transport in Porous Media
- Unsteady mixed convection flow through a permeable stretching flat surface with partial slip effects through MHD nanofluid using spectral relaxation method
- Special Issue on Advances on Modelling of Flowing and Transport in Porous Media
- A volumetric ablation model of EPDM considering complex physicochemical process in porous structure of char layer
- Special Issue on Advances on Modelling of Flowing and Transport in Porous Media
- Numerical simulation on ferrofluid flow in fractured porous media based on discrete-fracture model
- Special Issue on Advances on Modelling of Flowing and Transport in Porous Media
- Macroscopic lattice Boltzmann model for heat and moisture transfer process with phase transformation in unsaturated porous media during freezing process
- Special Issue on Advances on Modelling of Flowing and Transport in Porous Media
- Modelling of intermittent microwave convective drying: parameter sensitivity
- Special Issue on Advances on Modelling of Flowing and Transport in Porous Media
- Simulating gas-water relative permeabilities for nanoscale porous media with interfacial effects
- Special Issue on Advances on Modelling of Flowing and Transport in Porous Media
- Simulation of counter-current imbibition in water-wet fractured reservoirs based on discrete-fracture model
- Special Issue on Advances on Modelling of Flowing and Transport in Porous Media
- Investigation effect of wettability and heterogeneity in water flooding and on microscopic residual oil distribution in tight sandstone cores with NMR technique
- Special Issue on Advances on Modelling of Flowing and Transport in Porous Media
- Analytical modeling of coupled flow and geomechanics for vertical fractured well in tight gas reservoirs
- Special Issue on Ever-New "Loopholes" in Bell’s Argument and Experimental Tests
- Special Issue: Ever New "Loopholes" in Bell’s Argument and Experimental Tests
- Special Issue on Ever-New "Loopholes" in Bell’s Argument and Experimental Tests
- The ultimate loophole in Bell’s theorem: The inequality is identically satisfied by data sets composed of ±1′s assuming merely that they exist
- Special Issue on Ever-New "Loopholes" in Bell’s Argument and Experimental Tests
- Erratum to: The ultimate loophole in Bell’s theorem: The inequality is identically satisfied by data sets composed of ±1′s assuming merely that they exist
- Special Issue on Ever-New "Loopholes" in Bell’s Argument and Experimental Tests
- Rhetoric, logic, and experiment in the quantum nonlocality debate
- Special Issue on Ever-New "Loopholes" in Bell’s Argument and Experimental Tests
- What If Quantum Theory Violates All Mathematics?
- Special Issue on Ever-New "Loopholes" in Bell’s Argument and Experimental Tests
- Relativity, anomalies and objectivity loophole in recent tests of local realism
- Special Issue on Ever-New "Loopholes" in Bell’s Argument and Experimental Tests
- The photon identification loophole in EPRB experiments: computer models with single-wing selection
- Special Issue on Ever-New "Loopholes" in Bell’s Argument and Experimental Tests
- Bohr against Bell: complementarity versus nonlocality
- Special Issue on Ever-New "Loopholes" in Bell’s Argument and Experimental Tests
- Is Einsteinian no-signalling violated in Bell tests?
- Special Issue on Ever-New "Loopholes" in Bell’s Argument and Experimental Tests
- Bell’s “Theorem”: loopholes vs. conceptual flaws
- Special Issue on Ever-New "Loopholes" in Bell’s Argument and Experimental Tests
- Nonrecurrence and Bell-like inequalities
- Special Issue: The 18th International Symposium on Electromagnetic Fields in Mechatronics, Electrical and Electronic Engineering ISEF 2017
- Three-dimensional computer models of electrospinning systems
- Special Issue: The 18th International Symposium on Electromagnetic Fields in Mechatronics, Electrical and Electronic Engineering ISEF 2017
- Electric field computation and measurements in the electroporation of inhomogeneous samples
- Special Issue: The 18th International Symposium on Electromagnetic Fields in Mechatronics, Electrical and Electronic Engineering ISEF 2017
- Modelling of magnetostriction of transformer magnetic core for vibration analysis
- Special Issue: The 18th International Symposium on Electromagnetic Fields in Mechatronics, Electrical and Electronic Engineering ISEF 2017
- Comparison of the fractional power motor with cores made of various magnetic materials
- Special Issue: The 18th International Symposium on Electromagnetic Fields in Mechatronics, Electrical and Electronic Engineering ISEF 2017
- Dynamics of the line-start reluctance motor with rotor made of SMC material
- Special Issue: The 18th International Symposium on Electromagnetic Fields in Mechatronics, Electrical and Electronic Engineering ISEF 2017
- Inhomogeneous dielectrics: conformal mapping and finite-element models
- Special Issue: The 18th International Symposium on Electromagnetic Fields in Mechatronics, Electrical and Electronic Engineering ISEF 2017
- Topology optimization of induction heating model using sequential linear programming based on move limit with adaptive relaxation
- Special Issue: The 18th International Symposium on Electromagnetic Fields in Mechatronics, Electrical and Electronic Engineering ISEF 2017
- Detection of inter-turn short-circuit at start-up of induction machine based on torque analysis
- Special Issue: The 18th International Symposium on Electromagnetic Fields in Mechatronics, Electrical and Electronic Engineering ISEF 2017
- Current superimposition variable flux reluctance motor with 8 salient poles
- Special Issue: The 18th International Symposium on Electromagnetic Fields in Mechatronics, Electrical and Electronic Engineering ISEF 2017
- Modelling axial vibration in windings of power transformers
- Special Issue: The 18th International Symposium on Electromagnetic Fields in Mechatronics, Electrical and Electronic Engineering ISEF 2017
- Field analysis & eddy current losses calculation in five-phase tubular actuator
- Special Issue: The 18th International Symposium on Electromagnetic Fields in Mechatronics, Electrical and Electronic Engineering ISEF 2017
- Hybrid excited claw pole generator with skewed and non-skewed permanent magnets
- Special Issue: The 18th International Symposium on Electromagnetic Fields in Mechatronics, Electrical and Electronic Engineering ISEF 2017
- Electromagnetic phenomena analysis in brushless DC motor with speed control using PWM method
- Special Issue: The 18th International Symposium on Electromagnetic Fields in Mechatronics, Electrical and Electronic Engineering ISEF 2017
- Field-circuit analysis and measurements of a single-phase self-excited induction generator
- Special Issue: The 18th International Symposium on Electromagnetic Fields in Mechatronics, Electrical and Electronic Engineering ISEF 2017
- A comparative analysis between classical and modified approach of description of the electrical machine windings by means of T0 method
- Special Issue: The 18th International Symposium on Electromagnetic Fields in Mechatronics, Electrical and Electronic Engineering ISEF 2017
- Field-based optimal-design of an electric motor: a new sensitivity formulation
- Special Issue: The 18th International Symposium on Electromagnetic Fields in Mechatronics, Electrical and Electronic Engineering ISEF 2017
- Application of the parametric proper generalized decomposition to the frequency-dependent calculation of the impedance of an AC line with rectangular conductors
- Special Issue: The 18th International Symposium on Electromagnetic Fields in Mechatronics, Electrical and Electronic Engineering ISEF 2017
- Virtual reality as a new trend in mechanical and electrical engineering education
- Special Issue: The 18th International Symposium on Electromagnetic Fields in Mechatronics, Electrical and Electronic Engineering ISEF 2017
- Holonomicity analysis of electromechanical systems
- Special Issue: The 18th International Symposium on Electromagnetic Fields in Mechatronics, Electrical and Electronic Engineering ISEF 2017
- An accurate reactive power control study in virtual flux droop control
- Special Issue: The 18th International Symposium on Electromagnetic Fields in Mechatronics, Electrical and Electronic Engineering ISEF 2017
- Localized probability of improvement for kriging based multi-objective optimization
- Special Issue: The 18th International Symposium on Electromagnetic Fields in Mechatronics, Electrical and Electronic Engineering ISEF 2017
- Research of influence of open-winding faults on properties of brushless permanent magnets motor
- Special Issue: The 18th International Symposium on Electromagnetic Fields in Mechatronics, Electrical and Electronic Engineering ISEF 2017
- Optimal design of the rotor geometry of line-start permanent magnet synchronous motor using the bat algorithm
- Special Issue: The 18th International Symposium on Electromagnetic Fields in Mechatronics, Electrical and Electronic Engineering ISEF 2017
- Model of depositing layer on cylindrical surface produced by induction-assisted laser cladding process
- Special Issue: The 18th International Symposium on Electromagnetic Fields in Mechatronics, Electrical and Electronic Engineering ISEF 2017
- Detection of inter-turn faults in transformer winding using the capacitor discharge method
- Special Issue: The 18th International Symposium on Electromagnetic Fields in Mechatronics, Electrical and Electronic Engineering ISEF 2017
- A novel hybrid genetic algorithm for optimal design of IPM machines for electric vehicle
- Special Issue: The 18th International Symposium on Electromagnetic Fields in Mechatronics, Electrical and Electronic Engineering ISEF 2017
- Lamination effects on a 3D model of the magnetic core of power transformers
- Special Issue: The 18th International Symposium on Electromagnetic Fields in Mechatronics, Electrical and Electronic Engineering ISEF 2017
- Detection of vertical disparity in three-dimensional visualizations
- Special Issue: The 18th International Symposium on Electromagnetic Fields in Mechatronics, Electrical and Electronic Engineering ISEF 2017
- Calculations of magnetic field in dynamo sheets taking into account their texture
- Special Issue: The 18th International Symposium on Electromagnetic Fields in Mechatronics, Electrical and Electronic Engineering ISEF 2017
- 3-dimensional computer model of electrospinning multicapillary unit used for electrostatic field analysis
- Special Issue: The 18th International Symposium on Electromagnetic Fields in Mechatronics, Electrical and Electronic Engineering ISEF 2017
- Optimization of wearable microwave antenna with simplified electromagnetic model of the human body
- Special Issue: The 18th International Symposium on Electromagnetic Fields in Mechatronics, Electrical and Electronic Engineering ISEF 2017
- Induction heating process of ferromagnetic filled carbon nanotubes based on 3-D model
- Special Issue: The 18th International Symposium on Electromagnetic Fields in Mechatronics, Electrical and Electronic Engineering ISEF 2017
- Speed control of an induction motor by 6-switched 3-level inverter
Articles in the same Issue
- Regular Articles
- Analysis of a New Fractional Model for Damped Bergers’ Equation
- Regular Articles
- Optimal homotopy perturbation method for nonlinear differential equations governing MHD Jeffery-Hamel flow with heat transfer problem
- Regular Articles
- Semi- analytic numerical method for solution of time-space fractional heat and wave type equations with variable coefficients
- Regular Articles
- Investigation of a curve using Frenet frame in the lightlike cone
- Regular Articles
- Construction of complex networks from time series based on the cross correlation interval
- Regular Articles
- Nonlinear Schrödinger approach to European option pricing
- Regular Articles
- A modified cubic B-spline differential quadrature method for three-dimensional non-linear diffusion equations
- Regular Articles
- A new miniaturized negative-index meta-atom for tri-band applications
- Regular Articles
- Seismic stability of the survey areas of potential sites for the deep geological repository of the spent nuclear fuel
- Regular Articles
- Distributed containment control of heterogeneous fractional-order multi-agent systems with communication delays
- Regular Articles
- Sensitivity analysis and economic optimization studies of inverted five-spot gas cycling in gas condensate reservoir
- Regular Articles
- Quantum mechanics with geometric constraints of Friedmann type
- Regular Articles
- Modeling and Simulation for an 8 kW Three-Phase Grid-Connected Photo-Voltaic Power System
- Regular Articles
- Application of the optimal homotopy asymptotic method to nonlinear Bingham fluid dampers
- Regular Articles
- Analysis of Drude model using fractional derivatives without singular kernels
- Regular Articles
- An unsteady MHD Maxwell nanofluid flow with convective boundary conditions using spectral local linearization method
- Regular Articles
- New analytical solutions for conformable fractional PDEs arising in mathematical physics by exp-function method
- Regular Articles
- Quantum mechanical calculation of electron spin
- Regular Articles
- CO2 capture by polymeric membranes composed of hyper-branched polymers with dense poly(oxyethylene) comb and poly(amidoamine)
- Regular Articles
- Chain on a cone
- Regular Articles
- Multi-task feature learning by using trace norm regularization
- Regular Articles
- Superluminal tunneling of a relativistic half-integer spin particle through a potential barrier
- Regular Articles
- Neutrosophic triplet normed space
- Regular Articles
- Lie algebraic discussion for affinity based information diffusion in social networks
- Regular Articles
- Radiation dose and cancer risk estimates in helical CT for pulmonary tuberculosis infections
- Regular Articles
- A comparison study of steady-state vibrations with single fractional-order and distributed-order derivatives
- Regular Articles
- Some new remarks on MHD Jeffery-Hamel fluid flow problem
- Regular Articles
- Numerical investigation of magnetohydrodynamic slip flow of power-law nanofluid with temperature dependent viscosity and thermal conductivity over a permeable surface
- Regular Articles
- Charge conservation in a gravitational field in the scalar ether theory
- Regular Articles
- Measurement problem and local hidden variables with entangled photons
- Regular Articles
- Compression of hyper-spectral images using an accelerated nonnegative tensor decomposition
- Regular Articles
- Fabrication and application of coaxial polyvinyl alcohol/chitosan nanofiber membranes
- Regular Articles
- Calculating degree-based topological indices of dominating David derived networks
- Regular Articles
- The structure and conductivity of polyelectrolyte based on MEH-PPV and potassium iodide (KI) for dye-sensitized solar cells
- Regular Articles
- Chiral symmetry restoration and the critical end point in QCD
- Regular Articles
- Numerical solution for fractional Bratu’s initial value problem
- Regular Articles
- Structure and optical properties of TiO2 thin films deposited by ALD method
- Regular Articles
- Quadruple multi-wavelength conversion for access network scalability based on cross-phase modulation in an SOA-MZI
- Regular Articles
- Application of ANNs approach for wave-like and heat-like equations
- Special issue on Nonlinear Dynamics in General and Dynamical Systems in particular
- Study on node importance evaluation of the high-speed passenger traffic complex network based on the Structural Hole Theory
- Special issue on Nonlinear Dynamics in General and Dynamical Systems in particular
- A mathematical/physics model to measure the role of information and communication technology in some economies: the Chinese case
- Special issue on Nonlinear Dynamics in General and Dynamical Systems in particular
- Numerical modeling of the thermoelectric cooler with a complementary equation for heat circulation in air gaps
- Special issue on Nonlinear Dynamics in General and Dynamical Systems in particular
- On the libration collinear points in the restricted three – body problem
- Special issue on Nonlinear Dynamics in General and Dynamical Systems in particular
- Research on Critical Nodes Algorithm in Social Complex Networks
- Special issue on Nonlinear Dynamics in General and Dynamical Systems in particular
- A simulation based research on chance constrained programming in robust facility location problem
- Special issue on Nonlinear Dynamics in General and Dynamical Systems in particular
- A mathematical/physics carbon emission reduction strategy for building supply chain network based on carbon tax policy
- Special issue on Nonlinear Dynamics in General and Dynamical Systems in particular
- Mathematical analysis of the impact mechanism of information platform on agro-product supply chain and agro-product competitiveness
- Special issue on Nonlinear Dynamics in General and Dynamical Systems in particular
- A real negative selection algorithm with evolutionary preference for anomaly detection
- Special issue on Nonlinear Dynamics in General and Dynamical Systems in particular
- A privacy-preserving parallel and homomorphic encryption scheme
- Special issue on Nonlinear Dynamics in General and Dynamical Systems in particular
- Random walk-based similarity measure method for patterns in complex object
- Special issue on Nonlinear Dynamics in General and Dynamical Systems in particular
- A Mathematical Study of Accessibility and Cohesion Degree in a High-Speed Rail Station Connected to an Urban Bus Transport Network
- Special issue on Nonlinear Dynamics in General and Dynamical Systems in particular
- Design and Simulation of the Integrated Navigation System based on Extended Kalman Filter
- Special issue on Nonlinear Dynamics in General and Dynamical Systems in particular
- Oil exploration oriented multi-sensor image fusion algorithm
- Special issue on Nonlinear Dynamics in General and Dynamical Systems in particular
- Analysis of Product Distribution Strategy in Digital Publishing Industry Based on Game-Theory
- Special issue on Nonlinear Dynamics in General and Dynamical Systems in particular
- Expanded Study on the accumulation effect of tourism under the constraint of structure
- Special issue on Nonlinear Dynamics in General and Dynamical Systems in particular
- Unstructured P2P Network Load Balance Strategy Based on Multilevel Partitioning of Hypergraph
- Special issue on Nonlinear Dynamics in General and Dynamical Systems in particular
- Research on the method of information system risk state estimation based on clustering particle filter
- Special issue on Nonlinear Dynamics in General and Dynamical Systems in particular
- Demand forecasting and information platform in tourism
- Special issue on Nonlinear Dynamics in General and Dynamical Systems in particular
- Physical-chemical properties studying of molecular structures via topological index calculating
- Special issue on Nonlinear Dynamics in General and Dynamical Systems in particular
- Local kernel nonparametric discriminant analysis for adaptive extraction of complex structures
- Special issue on Nonlinear Dynamics in General and Dynamical Systems in particular
- City traffic flow breakdown prediction based on fuzzy rough set
- Special issue on Nonlinear Dynamics in General and Dynamical Systems in particular
- Conservation laws for a strongly damped wave equation
- Special issue on Nonlinear Dynamics in General and Dynamical Systems in particular
- Blending type approximation by Stancu-Kantorovich operators based on Pólya-Eggenberger distribution
- Special issue on Nonlinear Dynamics in General and Dynamical Systems in particular
- Computing the Ediz eccentric connectivity index of discrete dynamic structures
- Special issue on Nonlinear Dynamics in General and Dynamical Systems in particular
- A discrete epidemic model for bovine Babesiosis disease and tick populations
- Special issue on Nonlinear Dynamics in General and Dynamical Systems in particular
- Study on maintaining formations during satellite formation flying based on SDRE and LQR
- Special issue on Nonlinear Dynamics in General and Dynamical Systems in particular
- Relationship between solitary pulmonary nodule lung cancer and CT image features based on gradual clustering
- Special issue on Nonlinear Dynamics in General and Dynamical Systems in particular
- A novel fast target tracking method for UAV aerial image
- Special issue on Nonlinear Dynamics in General and Dynamical Systems in particular
- Fuzzy comprehensive evaluation model of interuniversity collaborative learning based on network
- Special issue on Nonlinear Dynamics in General and Dynamical Systems in particular
- Conservation laws, classical symmetries and exact solutions of the generalized KdV-Burgers-Kuramoto equation
- Special issue on Nonlinear Dynamics in General and Dynamical Systems in particular
- After notes on self-similarity exponent for fractal structures
- Special issue on Nonlinear Dynamics in General and Dynamical Systems in particular
- Excitation probability and effective temperature in the stationary regime of conductivity for Coulomb Glasses
- Special issue on Nonlinear Dynamics in General and Dynamical Systems in particular
- Comparisons of feature extraction algorithm based on unmanned aerial vehicle image
- Special issue on Nonlinear Dynamics in General and Dynamical Systems in particular
- Research on identification method of heavy vehicle rollover based on hidden Markov model
- Special issue on Nonlinear Dynamics in General and Dynamical Systems in particular
- Classifying BCI signals from novice users with extreme learning machine
- Special issue on Nonlinear Dynamics in General and Dynamical Systems in particular
- Topics on data transmission problem in software definition network
- Special issue on Nonlinear Dynamics in General and Dynamical Systems in particular
- Statistical inferences with jointly type-II censored samples from two Pareto distributions
- Special issue on Nonlinear Dynamics in General and Dynamical Systems in particular
- Estimation for coefficient of variation of an extension of the exponential distribution under type-II censoring scheme
- Special issue on Nonlinear Dynamics in General and Dynamical Systems in particular
- Analysis on trust influencing factors and trust model from multiple perspectives of online Auction
- Special Issue on Advances on Modelling of Flowing and Transport in Porous Media
- Coupling of two-phase flow in fractured-vuggy reservoir with filling medium
- Special Issue on Advances on Modelling of Flowing and Transport in Porous Media
- Production decline type curves analysis of a finite conductivity fractured well in coalbed methane reservoirs
- Special Issue on Advances on Modelling of Flowing and Transport in Porous Media
- Flow Characteristic and Heat Transfer for Non-Newtonian Nanofluid in Rectangular Microchannels with Teardrop Dimples/Protrusions
- Special Issue on Advances on Modelling of Flowing and Transport in Porous Media
- The size prediction of potential inclusions embedded in the sub-surface of fused silica by damage morphology
- Special Issue on Advances on Modelling of Flowing and Transport in Porous Media
- Research on carbonate reservoir interwell connectivity based on a modified diffusivity filter model
- Special Issue on Advances on Modelling of Flowing and Transport in Porous Media
- The method of the spatial locating of macroscopic throats based-on the inversion of dynamic interwell connectivity
- Special Issue on Advances on Modelling of Flowing and Transport in Porous Media
- Unsteady mixed convection flow through a permeable stretching flat surface with partial slip effects through MHD nanofluid using spectral relaxation method
- Special Issue on Advances on Modelling of Flowing and Transport in Porous Media
- A volumetric ablation model of EPDM considering complex physicochemical process in porous structure of char layer
- Special Issue on Advances on Modelling of Flowing and Transport in Porous Media
- Numerical simulation on ferrofluid flow in fractured porous media based on discrete-fracture model
- Special Issue on Advances on Modelling of Flowing and Transport in Porous Media
- Macroscopic lattice Boltzmann model for heat and moisture transfer process with phase transformation in unsaturated porous media during freezing process
- Special Issue on Advances on Modelling of Flowing and Transport in Porous Media
- Modelling of intermittent microwave convective drying: parameter sensitivity
- Special Issue on Advances on Modelling of Flowing and Transport in Porous Media
- Simulating gas-water relative permeabilities for nanoscale porous media with interfacial effects
- Special Issue on Advances on Modelling of Flowing and Transport in Porous Media
- Simulation of counter-current imbibition in water-wet fractured reservoirs based on discrete-fracture model
- Special Issue on Advances on Modelling of Flowing and Transport in Porous Media
- Investigation effect of wettability and heterogeneity in water flooding and on microscopic residual oil distribution in tight sandstone cores with NMR technique
- Special Issue on Advances on Modelling of Flowing and Transport in Porous Media
- Analytical modeling of coupled flow and geomechanics for vertical fractured well in tight gas reservoirs
- Special Issue on Ever-New "Loopholes" in Bell’s Argument and Experimental Tests
- Special Issue: Ever New "Loopholes" in Bell’s Argument and Experimental Tests
- Special Issue on Ever-New "Loopholes" in Bell’s Argument and Experimental Tests
- The ultimate loophole in Bell’s theorem: The inequality is identically satisfied by data sets composed of ±1′s assuming merely that they exist
- Special Issue on Ever-New "Loopholes" in Bell’s Argument and Experimental Tests
- Erratum to: The ultimate loophole in Bell’s theorem: The inequality is identically satisfied by data sets composed of ±1′s assuming merely that they exist
- Special Issue on Ever-New "Loopholes" in Bell’s Argument and Experimental Tests
- Rhetoric, logic, and experiment in the quantum nonlocality debate
- Special Issue on Ever-New "Loopholes" in Bell’s Argument and Experimental Tests
- What If Quantum Theory Violates All Mathematics?
- Special Issue on Ever-New "Loopholes" in Bell’s Argument and Experimental Tests
- Relativity, anomalies and objectivity loophole in recent tests of local realism
- Special Issue on Ever-New "Loopholes" in Bell’s Argument and Experimental Tests
- The photon identification loophole in EPRB experiments: computer models with single-wing selection
- Special Issue on Ever-New "Loopholes" in Bell’s Argument and Experimental Tests
- Bohr against Bell: complementarity versus nonlocality
- Special Issue on Ever-New "Loopholes" in Bell’s Argument and Experimental Tests
- Is Einsteinian no-signalling violated in Bell tests?
- Special Issue on Ever-New "Loopholes" in Bell’s Argument and Experimental Tests
- Bell’s “Theorem”: loopholes vs. conceptual flaws
- Special Issue on Ever-New "Loopholes" in Bell’s Argument and Experimental Tests
- Nonrecurrence and Bell-like inequalities
- Special Issue: The 18th International Symposium on Electromagnetic Fields in Mechatronics, Electrical and Electronic Engineering ISEF 2017
- Three-dimensional computer models of electrospinning systems
- Special Issue: The 18th International Symposium on Electromagnetic Fields in Mechatronics, Electrical and Electronic Engineering ISEF 2017
- Electric field computation and measurements in the electroporation of inhomogeneous samples
- Special Issue: The 18th International Symposium on Electromagnetic Fields in Mechatronics, Electrical and Electronic Engineering ISEF 2017
- Modelling of magnetostriction of transformer magnetic core for vibration analysis
- Special Issue: The 18th International Symposium on Electromagnetic Fields in Mechatronics, Electrical and Electronic Engineering ISEF 2017
- Comparison of the fractional power motor with cores made of various magnetic materials
- Special Issue: The 18th International Symposium on Electromagnetic Fields in Mechatronics, Electrical and Electronic Engineering ISEF 2017
- Dynamics of the line-start reluctance motor with rotor made of SMC material
- Special Issue: The 18th International Symposium on Electromagnetic Fields in Mechatronics, Electrical and Electronic Engineering ISEF 2017
- Inhomogeneous dielectrics: conformal mapping and finite-element models
- Special Issue: The 18th International Symposium on Electromagnetic Fields in Mechatronics, Electrical and Electronic Engineering ISEF 2017
- Topology optimization of induction heating model using sequential linear programming based on move limit with adaptive relaxation
- Special Issue: The 18th International Symposium on Electromagnetic Fields in Mechatronics, Electrical and Electronic Engineering ISEF 2017
- Detection of inter-turn short-circuit at start-up of induction machine based on torque analysis
- Special Issue: The 18th International Symposium on Electromagnetic Fields in Mechatronics, Electrical and Electronic Engineering ISEF 2017
- Current superimposition variable flux reluctance motor with 8 salient poles
- Special Issue: The 18th International Symposium on Electromagnetic Fields in Mechatronics, Electrical and Electronic Engineering ISEF 2017
- Modelling axial vibration in windings of power transformers
- Special Issue: The 18th International Symposium on Electromagnetic Fields in Mechatronics, Electrical and Electronic Engineering ISEF 2017
- Field analysis & eddy current losses calculation in five-phase tubular actuator
- Special Issue: The 18th International Symposium on Electromagnetic Fields in Mechatronics, Electrical and Electronic Engineering ISEF 2017
- Hybrid excited claw pole generator with skewed and non-skewed permanent magnets
- Special Issue: The 18th International Symposium on Electromagnetic Fields in Mechatronics, Electrical and Electronic Engineering ISEF 2017
- Electromagnetic phenomena analysis in brushless DC motor with speed control using PWM method
- Special Issue: The 18th International Symposium on Electromagnetic Fields in Mechatronics, Electrical and Electronic Engineering ISEF 2017
- Field-circuit analysis and measurements of a single-phase self-excited induction generator
- Special Issue: The 18th International Symposium on Electromagnetic Fields in Mechatronics, Electrical and Electronic Engineering ISEF 2017
- A comparative analysis between classical and modified approach of description of the electrical machine windings by means of T0 method
- Special Issue: The 18th International Symposium on Electromagnetic Fields in Mechatronics, Electrical and Electronic Engineering ISEF 2017
- Field-based optimal-design of an electric motor: a new sensitivity formulation
- Special Issue: The 18th International Symposium on Electromagnetic Fields in Mechatronics, Electrical and Electronic Engineering ISEF 2017
- Application of the parametric proper generalized decomposition to the frequency-dependent calculation of the impedance of an AC line with rectangular conductors
- Special Issue: The 18th International Symposium on Electromagnetic Fields in Mechatronics, Electrical and Electronic Engineering ISEF 2017
- Virtual reality as a new trend in mechanical and electrical engineering education
- Special Issue: The 18th International Symposium on Electromagnetic Fields in Mechatronics, Electrical and Electronic Engineering ISEF 2017
- Holonomicity analysis of electromechanical systems
- Special Issue: The 18th International Symposium on Electromagnetic Fields in Mechatronics, Electrical and Electronic Engineering ISEF 2017
- An accurate reactive power control study in virtual flux droop control
- Special Issue: The 18th International Symposium on Electromagnetic Fields in Mechatronics, Electrical and Electronic Engineering ISEF 2017
- Localized probability of improvement for kriging based multi-objective optimization
- Special Issue: The 18th International Symposium on Electromagnetic Fields in Mechatronics, Electrical and Electronic Engineering ISEF 2017
- Research of influence of open-winding faults on properties of brushless permanent magnets motor
- Special Issue: The 18th International Symposium on Electromagnetic Fields in Mechatronics, Electrical and Electronic Engineering ISEF 2017
- Optimal design of the rotor geometry of line-start permanent magnet synchronous motor using the bat algorithm
- Special Issue: The 18th International Symposium on Electromagnetic Fields in Mechatronics, Electrical and Electronic Engineering ISEF 2017
- Model of depositing layer on cylindrical surface produced by induction-assisted laser cladding process
- Special Issue: The 18th International Symposium on Electromagnetic Fields in Mechatronics, Electrical and Electronic Engineering ISEF 2017
- Detection of inter-turn faults in transformer winding using the capacitor discharge method
- Special Issue: The 18th International Symposium on Electromagnetic Fields in Mechatronics, Electrical and Electronic Engineering ISEF 2017
- A novel hybrid genetic algorithm for optimal design of IPM machines for electric vehicle
- Special Issue: The 18th International Symposium on Electromagnetic Fields in Mechatronics, Electrical and Electronic Engineering ISEF 2017
- Lamination effects on a 3D model of the magnetic core of power transformers
- Special Issue: The 18th International Symposium on Electromagnetic Fields in Mechatronics, Electrical and Electronic Engineering ISEF 2017
- Detection of vertical disparity in three-dimensional visualizations
- Special Issue: The 18th International Symposium on Electromagnetic Fields in Mechatronics, Electrical and Electronic Engineering ISEF 2017
- Calculations of magnetic field in dynamo sheets taking into account their texture
- Special Issue: The 18th International Symposium on Electromagnetic Fields in Mechatronics, Electrical and Electronic Engineering ISEF 2017
- 3-dimensional computer model of electrospinning multicapillary unit used for electrostatic field analysis
- Special Issue: The 18th International Symposium on Electromagnetic Fields in Mechatronics, Electrical and Electronic Engineering ISEF 2017
- Optimization of wearable microwave antenna with simplified electromagnetic model of the human body
- Special Issue: The 18th International Symposium on Electromagnetic Fields in Mechatronics, Electrical and Electronic Engineering ISEF 2017
- Induction heating process of ferromagnetic filled carbon nanotubes based on 3-D model
- Special Issue: The 18th International Symposium on Electromagnetic Fields in Mechatronics, Electrical and Electronic Engineering ISEF 2017
- Speed control of an induction motor by 6-switched 3-level inverter