Abstract
As an emerging material, nanomaterials have attracted extensive attention due to their small size, surface effect and quantum tunneling effect, as well as potential applications in traditional materials, medical devices, electronic devices, coatings and other industries. Herein, the influence of nanoparticle selection, production process, grain size, and grain boundary structures on the mechanical properties of nanomaterials is introduced. The current research progress and application range of nano-materials are presented. The unique properties of nano-materials make them superior over traditional materials. Therefore, nanomaterials will have a broader application prospect in the future. Research on nanomaterials is significant for the development and application of materials science.
1 Introduction
A nanomaterial refers to a material that has at least one dimension in a three-dimensional space or is reduced in composition to a nanoscale (1–100 nm) [1]. Nanomaterials can generally be classified into two types: nanostructured materials and nanostructured elements. In nanostructured materials, its structural dimensions are nanoscale. In nanostructured elements, at least one of the structural elements has an outer dimension within the nanometer range [2, 3]. Nanomaterials have unique properties compared with general materials. For example, the compressive and flexural strength of cement mortar with nano-SiO2 or nano-Fe2O3 measured at the 28th day are both higher than those of the blank group [4]. Compared with microscale monolithic alumina ceramics, nano-Al2O3 ceramics have higher flexural strength [5].
Mechanical properties refer to the mechanical characteristics of materials under different environments and various external loads. Different materials exhibit different mechanical properties. As for the traditional materials, the mechanical properties of metals generally consist of ten parts, which are brittleness, strength, plasticity, hardness, toughness, fatigue strength, elasticity, ductility, rigidity and yield stress. Most inorganic non-metallic materials are brittle materials, which do not have properties such as plasticity, toughness, elasticity, ductility and so on. Besides, some organic materials are flexible materials, which do not have properties such as brittleness and rigidity.
Nanomaterials have excellent mechanical properties due to the volume, surface and quantum effects of nanoparticles. As nanoparticles are added to a common material, these particles will refine the grain to a certain extent, forming an intragranular structure or an intergranular structure, thereby improving the grain boundary and promoting the mechanical properties of materials [6, 7, 8]. For example, adding 3 wt/% nano-SiO2 to concrete can improve its compressive strength, bending strength, and splitting tensile strength [9]. Adding 3% nano oil palm empty fruit string filler into kenaf epoxy composites can considerably improve their tensile strength, elongation at break, and impact strength [10].
Given that nanomaterials have excellent mechanical properties and unique properties that are not found in macroscopic materials, they have broad application prospects in the future.However, further research on nano-materials must be conducted. We need to determine the mechanical properties of various nanomaterials to identify their possible engineering applications and industrial productions.
2 Factors affecting mechanical performance of nanomaterials
2.1 Nanoparticle selection
Since Uyeda fabricated metal nanoparticles by gas evaporation condensation in the 1960s, research on nanomaterials has expanded. Thus far, scientists have made progress in nanotechnology research, discovering and developing many kinds of nanomaterials. Different nanomaterials have different mechanical properties. Hence, comparing the toughness of nanoceramic materials and natural nanomaterials is unreasonable. Thus, the selection of nanomaterials herein primarily refers to the nano-enhancement phase in the nanocomposites. We take nanoceramic composites as an example to introduce the influence of nanoparticle selection.
Figure 1 shows the variation law of fracture toughness and hardness with the increase of nano-Al2O3 content [11]. The fracture toughness and hardness obviously decrease after initially increasing with the increase in nano-Al2O3 content. When the nano-Al2O3 content reaches 4 vol.%, its fracture toughness and hardness reach the maximum. Therefore, adding a lot of nanoparticles to the matrix may reduce the mechanical properties of a nanocomposite [12].
![Figure 1 The effects of the content of nano-Al2O3 on the fracture toughness and hardness of a ceramic tool material [11]](/document/doi/10.1515/ntrev-2020-0021/asset/graphic/j_ntrev-2020-0021_fig_001.jpg)
The effects of the content of nano-Al2O3 on the fracture toughness and hardness of a ceramic tool material [11]
Figure 2 shows the scanning electron micrographs of fracture surface with different nano-Al2O3 content. The grains become smaller with the decrease in nano-Al2O3, because SiC suppresses the grain growth process. According to the Hall–Petch relationship, flexural strength increases as the grain size decrease. Therefore, adding a lot of nanoparticles does not improve the mechanical properties of nanomaterials.
![Figure 2 Scanning electron micrographs of fracture surface with different content of nano-Al2O3 [12]. (a) 80 wt% nano-Al2O3, (b) 70 wt% nano-Al2O3, (c) 60 wt% nano-Al2O3](/document/doi/10.1515/ntrev-2020-0021/asset/graphic/j_ntrev-2020-0021_fig_002.jpg)
Scanning electron micrographs of fracture surface with different content of nano-Al2O3 [12]. (a) 80 wt% nano-Al2O3, (b) 70 wt% nano-Al2O3, (c) 60 wt% nano-Al2O3
The addition of nano-TiN to cermet can also improve its mechanical properties. Table 1 shows the partial mechanical properties of general cermet and nano-TiN-modified cermet. Compared with general cermet, the nano-TiN-modified cermet has approximately 7%, 25% and 4% higher fracture toughness, bending strength, and hardness, respectively [13].
Mechanical properties of nano-modified cermet and ordinary cermet [13]
| Mechanical properties | Fracture toughness (MPa/m2) | Bending strength (MPa) | Hardness (HRA) |
|---|---|---|---|
| Nano-modified cermet | 12.7 | 1310 | 92.9 |
| Ordinary cermet | 11.9 | 1050 | 89.3 |
The addition of nano-ZrO2 and micro-WC to cermet reduces its wear rate and surface friction coefficient [14]. Under the same conditions, the mechanical properties of nanocomposites with micro-TiB2 and Al2O3 as the main body and nano-ZrO2 as the second phase are higher than those of pure ZrO2 nanomaterials [15].
A number of nano-reinforcing phases are added to the matrix to obtain nanocomposites with excel lent mechanical properties. Yi et al. [16] found that the mechanical properties of nanocomposites increase first and then decrease with the increase in TiB2 content in the material; afterwards, these properties gradually increase with the increase in Al2O3 content. Liu et al. [17] added nanographene oxide and nano-SiO2 in cement to enhance its mechanical properties. The flexural strength of the mixed cement increases by 42%, whereas the flexural strength of the nano-graphene oxide cement and nano-silica cement increases by 35.5% and 27.5%, respectively.
In general, the addition of nanoparticles can usually promote mechanical properties of matrix [18]. However, adding nanoparticles can reduce its mechanical properties in some cases [19, 20]. The fracture toughness, flexural strength, and hardness of a cermet composite can be better promoted by adding nano-TiN than by adding nano-Al2O3 to the matrix. In addition, the amount, ratio, and nanoparticle size have a certain impact on the mechanical properties of nanocomposites [21].
Therefore, when modifying materials to obtain better mechanical properties, we should consider not only the types of nanoparticles but also factors such as the number or ratio of nanoparticles [22].
2.2 Production process
The effect of the production process on the mechanical properties of nanomaterials is mainly reflected in the processing parameters. The temperature, method, treatment time, nanoparticle dosage, and ratio will influence the mechanical properties of nanomaterials to some extent.
Different sintering temperatures have different influences on the mechanical properties of materials. Karimzadeh et al. [23] found that increasing the sintering temperature from 1000∘C to 1300∘C can improve the hardness of nano-hydroxyapatite (nano-HA), but further increase will reduce its hardness (Figure 3).
![Figure 3 Variation law of normal hardness and scratch hardness with increasing sintering temperature [23]](/document/doi/10.1515/ntrev-2020-0021/asset/graphic/j_ntrev-2020-0021_fig_003.jpg)
Variation law of normal hardness and scratch hardness with increasing sintering temperature [23]
As the sintering temperature increases, the relative density, bending strength, and fracture toughness of Al2O3–TiC composite will gradually increase due to the decreasing number of pores and material densification (Figure 4) [24]. Compared with unsintered nano-HA, the powdered crystallinity of nano-HA after sintering is substantially increased, and its elastic modulus and hardness are correspondingly increased [25].
![Figure 4 Variation law in the properties of Al2O3–TiC composites with sintering temperature [24] (a) Variation law of relative density with sintering temperature, (b) Variation law of Vickers hardness with sintering temperature, (c) Variation law of bending strength with sintering temperature, (d) Variation law of fracture toughness with sintering temperature](/document/doi/10.1515/ntrev-2020-0021/asset/graphic/j_ntrev-2020-0021_fig_004.jpg)
Variation law in the properties of Al2O3–TiC composites with sintering temperature [24] (a) Variation law of relative density with sintering temperature, (b) Variation law of Vickers hardness with sintering temperature, (c) Variation law of bending strength with sintering temperature, (d) Variation law of fracture toughness with sintering temperature
The effects of different nanoparticle contents on the mechanical properties of the matrix are also different. Thind et al. [26] reported that nanocomposites with improved tensile strength, flexural strength, hardness, and specific wear rate can be obtained by adding 2 wt/% nanoclay to the epoxy resin matrix. However, as the content of nano-clay continues to increase, their mechanical properties decrease to varying degrees. The addition of graphene oxide can accelerate cement hydration, improve the microstructure of hydrated crystals, and considerably reduce the pore size of graphene oxide-modified cement slurry, thereby improving the mechanical properties of composites [27]. When the amount of graphene oxide is 0.03 wt/%, the tensile strength, flexural strength, and compressive strength of the cement are remarkably improved [28]. As the content of graphene oxide reaches 0.05%, its compressive strength and flexural strength increase by 33% and 41%, respectively [29]. As shown in Figure 5A, the distribution of hydrated phases is non-uniform. Many macropores and microcracks exist. However, the addition of graphene oxide nanoplatelets (GONPs) modifies the microstructure and results in more uniform and compact structure as they cause bridging between cement hydrates (Figures 5a-5f).
![Figure 5 Scanning electron micrographs of cement composites obtained at the 28th day after curing for ordinary Portland cement–GONPs composites modified by different contents of GONPs [27] (a) no GONPs, (b) 0.01% GONPs, (c) 0.02% GONPs, (d) 0.03% GONPs, (e) 0.04% GONPs, (f) 0.05% GONPs](/document/doi/10.1515/ntrev-2020-0021/asset/graphic/j_ntrev-2020-0021_fig_005.jpg)
Scanning electron micrographs of cement composites obtained at the 28th day after curing for ordinary Portland cement–GONPs composites modified by different contents of GONPs [27] (a) no GONPs, (b) 0.01% GONPs, (c) 0.02% GONPs, (d) 0.03% GONPs, (e) 0.04% GONPs, (f) 0.05% GONPs
Different wet states can also have different effects on the mechanical properties of nanomaterials. Khorasani et al. [30] found that the tensile strength and maximum load capacity of polyvinyl alcohol/chitosan/nano-ZnO hydrogel increase with the increase in nano-ZnO content in the dry state, whereas the elongation at break increases first and then decreases. In the wet state, the tensile strength and maximum load capacity remarkably decrease, whereas the elongation at break obviously increases.
The processing time of ultrasonic wave also has a certain effect on the mechanical properties of nanomaterials [31]. As the ultrasonic treatment time increases, the density of nanocomposites decreases after it initially increases. The maximum density is obtained when the treatment time is 30 min [32], which may be caused by the cavitation effect of ultrasonic processing [33]. At the initial stage, the ultrasonic vibration promotes the movement of nanoparticles within the material. The pores inside the material are gradually filled by nanoparticles, and the material becomes dense, resulting in excellent mechanical properties [34]. With the increase of vibration time, the nanoparticles that have been in the pores of the matrix material continue to move, forcing their way out of the pores and into the positions between the crystals of the matrix material, which weakens the grain boundary strength of the matrix material. Thus, the mechanical properties of the material are reduced.Whenthe sonication time exceeds 30 min, the elongation at break of the nanomaterial remarkably increases, but the tensile strength decreases. When the treatment time is 1 h, additional pores are formed on the surface of the material, leading to a decrease in the mechanical properties of the material [35].
2.3 Grain size
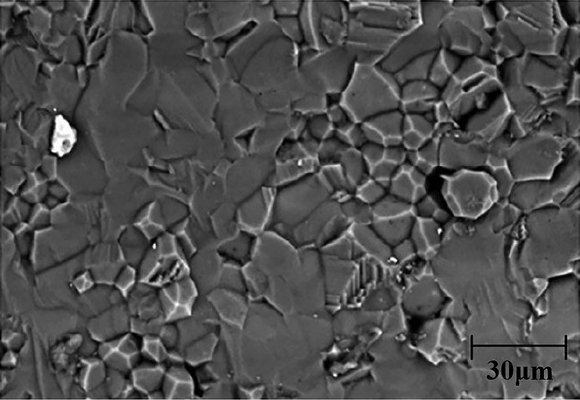
Nanomaterials are mainly composed of nanograins and grain boundaries. Therefore, grain size is one of the main factors affecting the mechanical properties of nanomaterials [36]. In recent years, the relationship between grain size and mechanical properties has been widely investigated [37, 38]. Wang et al. [39] used X-FEM and Voronoi models to simulate the crack propagation of ceramic materials and studied the effect of grain size on the process. Zhou et al. [40] used the Voronoi mosaic method to characterize the microstructure of unidirectional ceramic tool and studied the effect of grain size on the fracture form and fracture resistance of the material. Acchar et al. [41] found that the addition of nano-NbC particles to nano-alumina increases its porosity, resulting in a slight decrease in flexural strength. Trombini et al. [42] found that the addition of nano-NbC in Al2O3 matrix was efficient in inhibition grain growth which will result in an increase in mechanical strength. However, larger NbC particles may act as a defect in the structure, causing a small reduction in strength. Figure 6 shows that the addition of NbC does not effectively inhibit grain growth as compared with earlier studies that used micro-alumina [43, 44, 45].
![Figure 6 Surface fracture of alumina-NbC [41]](/document/doi/10.1515/ntrev-2020-0021/asset/graphic/j_ntrev-2020-0021_fig_006.jpg)
Surface fracture of alumina-NbC [41]
The effect of grain size on the mechanical properties of nanomaterials is mainly reflected in the microstructure. Nanoparticles have a considerable size effect and high surface activity. Given that nanoparticles are small, their addition can fill the matrix’s pores, reduce its porosity, increase its relative density, and improve its mechanical properties. Liu et al. [17] found that adding nanomaterials to cement slurry can improve the pore structure of hardened cement paste and make it denser (Table 2). The average pore size and total porosity of nano-cement has obviously decreased by 16.9% and 25.5%, respectively, compared with that of the blank cement.
Pore structure parameters of different samples [17]
| Sample | Mercury intrusion volume (mL/g) | Average pore diameter (nm) | Total porosity (%) | Total surface to volume ratio (mL/g) |
|---|---|---|---|---|
| Blank cement | 0.220 | 19.5 | 32.38 | 46.374 |
| GO cement | 0.207 | 18. | 32.04 | 44.475 |
| Nano-silica cement | 0.196 | 17.1 | 30.01 | 44.233 |
| Hybrid cement | 0.171 | 16.2 | 24.12 | 42.880 |
Moreover, the addition of nanoparticles can reduce the size of crystal grains, promote the densification of materials, and reduce defects such as pores. The pinning effect of nanoparticles can improve the growth of twins during sintering, inhibit the abnormal growth of crystal grains, and limit the shape so that the grains inside the material exhibit reasonable shape and size. Fine grains can inhibit the cleavage fracture of the material. Therefore, the mechanical properties of the material can be improved. Yi et al. [11] found that the addition of a proper amount of nano-Al2O3 can reduce the grain size of ceramic tool materials and inhibit the abnormal growth of grains. However, excessive nano-Al2O3 results in the appearance of agglomerates that increase the porosity of the materials and eventually lead to the decline in their mechanical properties. The variation in the microstructure with the amount of nano-alumina is shown in Figure 7.
![Figure 7 Scanning electron micrographs of the fractured surface of nano-micro composite self-lubricating ceramic tool material with different content of Al2O3 [11] (a) 0 vol.% nano-Al2O3, (b) 4 vol.% nano-Al2O3, (c) 20 vol.% nano-Al2O3, (d) 40 vol.% nano-Al2O3](/document/doi/10.1515/ntrev-2020-0021/asset/graphic/j_ntrev-2020-0021_fig_007.jpg)
Scanning electron micrographs of the fractured surface of nano-micro composite self-lubricating ceramic tool material with different content of Al2O3 [11] (a) 0 vol.% nano-Al2O3, (b) 4 vol.% nano-Al2O3, (c) 20 vol.% nano-Al2O3, (d) 40 vol.% nano-Al2O3
2.4 Grain boundary structure
Owing to the size effect of nanomaterials, the grain boundaries of nanomaterials have a higher volume fraction than microscale and traditional materials [46]. In composites, good bonding between the filler and the matrix is critical to improving their mechanical properties [47, 48, 49]. Therefore, grain boundaries are one of the important factors affecting the mechanical properties of nanomaterials, especially nanocomposites. In general, the denseness, chemical bonding properties, and structural properties of the grain boundaries affect the mechanical properties of nano-materials. Accordingly, the factors that can affect grain boundary structure also indirectly affect the mechanical properties of nanomaterials.
Researchers can modify the matrixes by adding nanoparticles to improve their mechanical properties [50]. Thind et al. [26] increased the flexural strength of epoxy resin matrix by adding nano-clay. When the mass fraction of nano-clay in the composite was2%, its flexural strength was increased by 77%. The principle of this method is to improve the interfacial structure of the matrix by adding nanoparticles and to use the size effect of the nanoparticles to fill the pores in the interface of the matrix to make it denser, thereby indirectly improving its stress transmission and elasticity. The interface performance caused by deformation improves the mechanical properties. Zhu et al. [51] found that adding 20 wt% nano-HA to poly-L-lactic acid (PLLA) can improve its toughness because of the formation of a coating of polymer matrix-coated nano-HA at the interface. The coating facilitates stress transfer and prevents crack propagation, thereby increasing the toughness of the composite. Figure 8 shows the scanning electron micrographs of the fracture surfaces of nano-HA/PLLA composites with different nano-HA contents.
![Figure 8 Scanning electron micrographs of fracture surfaces with different nano-HA contents [51] (a) PLLA; (b) 10% nano-HA; (c) 20% nano-HA; (d) 30% nano-HA; (e) 40% nano-HA](/document/doi/10.1515/ntrev-2020-0021/asset/graphic/j_ntrev-2020-0021_fig_008.jpg)
Scanning electron micrographs of fracture surfaces with different nano-HA contents [51] (a) PLLA; (b) 10% nano-HA; (c) 20% nano-HA; (d) 30% nano-HA; (e) 40% nano-HA
Many other methods, such as high-temperature sintering and thermal cycle loading, are used to improve the mechanical properties of nanomaterials. Zucchelli et al. [52] found that high-temperature sintering of enamel–steel systems can increase its complex diffusion process and the diffusion of iron in steel (Figure 9). Fe3+ is the best network modifier [53]. The diffusion of Fe3+ improves the structure of the enamel–steel interface. The combination of the two phases promotes the mechanical properties and improves the interface hardness and elastic modulus of the enamel–steel interface. Zhang et al. [54] improved the elastic modulus and hardness of Cu/Cr nano-interface by thermal cycling. By controlling the parameters such as loading speed and cooling rate, grain growth, nucleation, and other processes can be controlled, and defects such as pores in the Cu/Cr nano-interface can be reduced. Lin et al. [55] made nanofibers and matrix interpenetrate and entangle each other through photopolymerization technology, forming an in situ nano-interface that has a strong interface bond between nanofibers and matrix (Figure 10).
![Figure 9 In situ micrographs of studied enamel during heating at different temperatures [52]](/document/doi/10.1515/ntrev-2020-0021/asset/graphic/j_ntrev-2020-0021_fig_009.jpg)
In situ micrographs of studied enamel during heating at different temperatures [52]
![Figure 10 Scanning electron micrographs of fracture surfaces of three-point flexural testing specimens [55] (a) Low magnification of PAN–PMMA nanofibers, (b) high magnification of PAN–PMMA nanofibers, (c) low magnification of PAN nanofiber, (d) high magnification of PAN nanofiber](/document/doi/10.1515/ntrev-2020-0021/asset/graphic/j_ntrev-2020-0021_fig_010.jpg)
Scanning electron micrographs of fracture surfaces of three-point flexural testing specimens [55] (a) Low magnification of PAN–PMMA nanofibers, (b) high magnification of PAN–PMMA nanofibers, (c) low magnification of PAN nanofiber, (d) high magnification of PAN nanofiber
In addition to the aforementioned methods for modifying the interfacial properties of nanomaterials, many other modification methods can achieve the same purpose. Their principles are undeniably similar and can be roughly divided into two types. The first type is to improve the interfacial properties and increase the interfacial bonding of nanomaterials by adding nanoparticles to the matrix to fill the pores of the interface structure of the matrix. The second type is to improve the interface of nanomaterials by processing nanomaterials, enhancing the component diffusion process between two-phase or multi-phase materials, or controlling the growth process of crystal grains.
3 Mechanical properties of nanomaterials
Mechanical properties of nanomaterials refer to the mechanical characteristics of nanomaterials under different environments and various external loads. A large amount of literature has studied the mechanical properties of nanomaterials. However, these studies mainly focus on improving the mechanical properties of nanomaterials by adding nanoparticles to the matrix which is generally not a nanomaterial. Few researches on the mechanical properties of pure nanomaterials are studied. More details of mechanical properties of metal nanomaterials obtained including Vickers hardness, fracture toughness, fracture strength, ultimate tensile strength, as well as impact strength are provided in Table 3.
| Sample | Vickers hardness (GPa) | Fracture toughness (MPa√m) | Fracture strength (MPa) | Ultimate Tensile Strength (MPa) | Impact Strength (J/cm2) |
|---|---|---|---|---|---|
| Monolithic Al2O3 | 17.8 | 3.6±0.3 | 536±35 | ‒‒ | ‒‒ |
| Al2O3/Cu(oxide) | 17.0 | 4.9±0.7 | 819±53 | ‒‒ | ‒‒ |
| Al2O3/Cu(nitrate) | 17.2 | 4.8±0.2 | 953±59 | ‒‒ | ‒‒ |
| Al2O3/Ni-Co | 19.0 | 4.3±0.5 | 1070±72 | ‒‒ | ‒‒ |
| AA6061/nano SiC | 96.38 | ‒‒ | ‒‒ | 190.21 | 15.5 |
| AA6061/nano B4C | 69.39 | ‒‒ | ‒‒ | 201.54 | 12.36 |
| AA6061/1.5SiC+1.5B4C | 173.97 | ‒‒ | ‒‒ | 280.18 | 19.75 |
It can be seen that nanomaterials with metal nanoparticles have higher fracture toughness and fracture strength than monolithic Al2O3. This phenomenon should be attributed to the addition of nanoparticles. The pinning effect of metal particles inhibits the grain growth of Al2O3 matrix, making the grain size of the nanocomposite smaller than that of monolithic Al2O3, resulting in grain refinement, and leading to the improvement of mechanical properties of the nanocomposite [56]. Interestingly, the hardness of nanocomposites with nano-Cu is lower than that of monolithic Al2O3, while the hardness of nanocomposites with nano-Ni-Co is higher than that of monolithic Al2O3,which is probably due to the reason that the hardness of Cu is lower than that of Al2O3, and the addition of nano-Cu weakens the hardness of nanocomposites to some extent. Similarly, the hardness of nano-Ni-Co is higher than that of Al2O3. The addition of nano-Ni-Co increases the hardness of nanocomposites to a certain extent. In addition, the last three sets of data in Table 3 show that the hybrid composites have higher Vickers hardness, impact strength and ultimate tensile strength compared to the single reinforced composites due to the combined effect of SiC and B4C.
Table 4 shows the mechanical properties of non-metallic nanomaterials. It is obviously that the addition of multi-walled carbon nanotubes to skutterudites will lead to a decrease in the mechanical properties of the nanocomposite. This is due to the formation of carbon nanotubes agglomerates inside the skutterudites. The plane like agglomerates act as slip planes and planes in which cracks can easily propagate, thereby leading to sample fracture already at low mechanical loads [58]. It is undeniable that most organic nanomaterials do not have mechanical properties like hardness and compressive strength, because most nanomaterials are flexible materials.
| Sample | Vickers hardness (GPa) | Compressive strength (MPa) | Flexural strength (MPa) | Tensile strength (MPa) | Elongation at break (%) | Young’s/ Bending modulus (GPa) |
|---|---|---|---|---|---|---|
| p-type skutterudites | 576±52 | 630±20 | 105±10 | ‒‒ | ‒‒ | 44±8 |
| p-type skutterudites+ 0.5 wt% multi-walled carbon nano tubes | 513±52 | 355±15 | 65±7 | ‒‒ | ‒‒ | 40±6 |
| p-type skutterudites+ 1.0 wt% multi-walled carbon nano tubes | 563±85 | 320±15 | 54±7 | ‒‒ | ‒‒ | 39±8 |
| p-type skutterudites+ 1.5 wt% multi-walled carbon nano tubes | 569±70 | 255±10 | 45±5 | ‒‒ | ‒‒ | 33±10 |
| oil palm empty fruit bunch fiber | ‒‒ | ‒‒ | ‒‒ | 50-400 | 8-18 | 1-9 |
| Kenaf fiber | ‒‒ | ‒‒ | ‒‒ | 500-600 | 1.5-3.5 | 40-53 |
| 100% nano-PLLA | ‒‒ | ‒‒ | 135.6 | 55.6 | ‒‒ | 3.3 |
| 90% nano- PLLA+ 10% nano-HA | ‒‒ | ‒‒ | 142.5 | 53.2 | ‒‒ | 3.5 |
| 80% nano- PLLA+ 20% nano-HA | ‒‒ | ‒‒ | 156.8 | 48.6 | ‒‒ | 3.8 |
| 70% nano- PLLA+ 30% nano-HA | ‒‒ | ‒‒ | 130.3 | 42.3 | ‒‒ | 3.9 |
| 60% nano- PLLA+ 40% nano-HA | ‒‒ | ‒‒ | 125.9 | 38.6 | ‒‒ | 4.1 |
The last five groups of data in Table 4 show that the tensile strength gradually decreases with the increase of nano-HA which may be related to the fragile interface between nano-HA and nano-PLLA. The flexural strength of the nanocomposites first increased and then decreased with the increase of nano-HA. When the nano-HA content reaches 20%, the bending strength reaches a maximum of 156.8 MPa.
4 Research progress
In recent years, nanomaterials have received widespread attention due to their unique properties and their importance in technical applications. Many researchers have begun research work on nanomaterials [60]. These researches mainly focus on three aspects: theoretical research, simulation analysis and experimental study.
In theoretical research, Tseng et al. [61] proposed a constitutive model framework to predict the mechanical properties of nanoparticle-reinforced composites and compared the predicted results of the model with the experimental results. Zahedmanesh et al. [62] proposed a method for fast derivation of the effective orthotropic elastic moduli of complex multilayer nano-interconnects and corroborated it with the finite element modelling.
As for simulation analysis, Wu [63] studied the mechanical behavior of Cu nanowires by molecular dynamics method, and obtained the stress-strain relationship of nanowires through numerical simulation (Figure 11). Wang et al. [64] simulated the uni-axial tension process of nano-twinned Cu with silver inclusions by molecular dynamics method, and found that decreasing the volume fraction of Ag or increasing the size of Ag will lead to the increase of the ultimate strength of nano-twinned materials (Figure 12).
![Figure 11 Simulation model of Cu nanowire [63]](/document/doi/10.1515/ntrev-2020-0021/asset/graphic/j_ntrev-2020-0021_fig_011.jpg)
Simulation model of Cu nanowire [63]
![Figure 12 The three-dimensional schematic diagram of the simulated nano-twinned Cu with spherical Ag inclusions [64] (a) Simulation model (b) The same structure without Cu atoms. In addition, the green and red atoms are respectively the atoms which are in local fcc and hcp lattices. The blue atoms represent the silver atoms](/document/doi/10.1515/ntrev-2020-0021/asset/graphic/j_ntrev-2020-0021_fig_012.jpg)
The three-dimensional schematic diagram of the simulated nano-twinned Cu with spherical Ag inclusions [64] (a) Simulation model (b) The same structure without Cu atoms. In addition, the green and red atoms are respectively the atoms which are in local fcc and hcp lattices. The blue atoms represent the silver atoms
In terms of experimental study, researchers are focusing on modifying nanomaterials, that is, improving the mechanical properties of nanomaterials [65]. At present, a common method is to add nanoparticles to the matrix to improve the mechanical properties of the nanomaterials. For example, the strength of functionally graded materials can be enhanced by adding carbon nanotubes [66]. The mechanical and tribological properties of bone cement can be improved by adding nano-HA [67]. The mechanical properties of the matrix can be improved by adding electrospun polymer nanofibers to the matrix [68, 69]. Lin et al. [70] found that strong interfacial interactions between graphene oxide fillers and polyvinyl alcohol matrices can be achieved by metal ion coordination, providing a new way to prepare polymer-based nanocomposites with considerably improved mechanical properties. In addition, some researchers are also investigating the process parameters to promote nanomaterial performance or microstructure. They are attempting to identify the mechanisms that improve the performance of nanomaterials by determining the optimal process parameters or methods to construct nanomaterials [71, 72]. Daudin et al. [73] found that the modification of the casting conditions can obtain different microstructures, thereby improving the high temperature mechanical response of the Elektron21+AlN materials.
5 Application
Metal nanoparticles are the first artificially prepared nanoparticles. Compared with other nanomaterials, nanometal materials have the longest development time, and thus, they have been extensively researched. Nanometals, such as gold, silver, and zinc, have been widely used to improve the physical, chemical, and mechanical properties of various materials, including paper, archaeological stone, paint, wood, and medical equipment. A functionalized polymer containing nano-Ag can be used not only as an effective fungicide but also as a reinforcement of historical and cultural relics [74]. The addition of nano-Zn can improve the leaching and corrosion resistance of Nanhuang pine [75]. Nano-Ag and nano-Cu can improve the antibacterial properties of commercial particleboard and increase its lifespan [76]. In addition, some nano metal compounds have also been used in catalysts, antibacterial and antiseptic research [77, 78, 79].
With regard to inorganic non-metallic nanomaterials, researchers are focusing on nano-cement and nano-concrete. Their mechanical properties are improved by adding nanoparticles to cement-based materials or concrete and promoting the dispersion of nanoparticles in the matrix [80, 81]. Nano-Si has excellent properties, such as high melting point, high hardness, and high chemical stability. It is a promising candidate for improving the performance of cement-based materials [82, 83, 84]. The addition of the nano-Si could produce an increase in the compressive and flexural strengths of the cement mortar [85].
Aside from nanometal materials and inorganic non-metal nanomaterials, scientists have made progress in organic nanomaterial research [86, 87, 88]. They have attempted to incorporate graphene oxide into polyvinyl alcohol nanofibers to obtain nanocomposites with bettermechanical properties [89, 90]. Wang et al. [91] used graphene oxide (GO) in the improvement of polyvinyl alcohol (PVA) nanofibers to increase the degree of crystallinity and tensile strength. Kashyap et al. [92] observed ~150% increment both in elastic modulus and tensile strength while adding 0.3 wt% GO to PVA. Graphene oxide-doped polyvinyl alcohol nanofibers can be used as a hard template to assist the growth of TiO2. Compared with nano-SiO2 coated and uncoated samples, nanographene oxide/graphene oxide coating has more effective antibacterial activity and higher corrosion resistance in vitro; hence, these materials are expected to be applied to food packaging or protective coating of metal parts such as gears and rods [83].
6 Analysis and conclusion
This article mainly introduced the influence of four different factors on the mechanical properties of nanomaterials, namely, nanoparticle selection, production process, grain size, and grain boundary structure. These factors do not affect the mechanical properties of nanomaterials individually but interact and depend on each other. Using different materials and processing techniques will allow us to obtain nanomaterials with different microstructures and mechanical properties. The accumulation of various factors leads to the differences in mechanical properties between nanomaterials. In addition, on the basis of previous studies,we also introduced the current research progress of the mechanical properties and application prospects of nanomaterials.
Some studies on nanomaterials have achieved substantial results. Some nanomaterials have been applied to industrial production. However, related works on the molding mechanism and strengthening process of the microstructure of nanomaterials are still relatively few, and many areas still need to be explored. The unique properties of nanomaterials endow them with broad application prospects and huge potential value in the future. Therefore, we need to continue investigating nanomaterials and deepen our understanding of their molding mechanism, strengthening process, and modification methods to improve their properties.
Acknowledgement
This work was supported by the National Natural Science Foundation of China (51875024); Beijing Municipal Natural Science Foundation (3172021); National Defense Basic Scientific Research program of China (JCKY2018601C002).
-
Conflict of Interest
Conflict of Interests: The authors declare no conflict of interest regarding the publication of this paper.
References
[1] Wu C., MA W.X., CHEN Y.P., Li Y., Chen Y., Li J., Nano Materials and its Application in Space, Appl. Mech. Mater., 2014, 482, 34-37.10.4028/www.scientific.net/AMM.482.34Search in Google Scholar
[2] Dingreville R., Qu J., Cherkaoui M., Surface free energy and its effect on the elastic behavior of nano-sized particles, wires and films, J. Mech. Phys. Solids, 2005, 53, 1827-1854.10.1016/j.jmps.2005.02.012Search in Google Scholar
[3] Koutsawa Y., Tiem S., Yu W.B., Addiego F., Giunta G., A micromechanics approach for effective elastic properties of nano-composites with energetic surfaces/interfaces, Compos. Struct., 2017, 159, 278-287.10.1016/j.compstruct.2016.09.066Search in Google Scholar
[4] Li H., Xiao H.G., Ou J.P., A study on mechanical and pressure-sensitive properties of cement mortar with nanophase materials, Cem. Concr. Res., 2004, 34, 435-438.10.1016/j.cemconres.2003.08.025Search in Google Scholar
[5] Teng X., Liu H., Huang C., Effect of Al2O3 particle size on the mechanical properties of alumina-based ceramics, Mater. Sci. Eng. A, 2007, 452-453, 545-551.10.1016/j.msea.2006.10.073Search in Google Scholar
[6] Zou B., Huang C.Z., Wang J., Liu B.Q., Effect of Nano-Scale TiN on the Mechanical Properties and Microstructure of Si3N4 Based Ceramic Tool Materials, Key Eng. Mater., 2006, 315-316, 154-158.10.4028/www.scientific.net/KEM.315-316.154Search in Google Scholar
[7] Wang X.H., Xu C.H., Yi M.D., Zhang H.F., Effects of Nano-ZrO2 on the Microstructure and Mechanical Properties of Ti (C, N) - Based Cermet Die Materials, Adv. Mater. Rese., 2011, 154-155, 1319-1323.10.4028/www.scientific.net/AMR.154-155.1319Search in Google Scholar
[8] Wang J.L., Meng L.J., Influence of Carbon Nano-Fiber on Mechanical Property of PALC, Applied Mech. Mater., 2014, 535, 785-787.10.4028/www.scientific.net/AMM.535.785Search in Google Scholar
[9] Ghabban A.A., Zubaidi A.B.A., Jafar M., Fakhri Z., Effect of Nano SiO2 and Nano CaCO3 on The Mechanical Properties, Durability and flowability of Concrete, IOP Conf. Series: Mater. Sci. Eng., 2018, 454(012016), 1-10.10.1088/1757-899X/454/1/012016Search in Google Scholar
[10] Saba N., Paridah M.T., Abdan K., Ibrahim N.A., Effect of oil palm nano filler on mechanical and morphological properties of kenaf reinforced epoxy composites, Constr. Build. Mater., 2016, 123, 15-26.10.1016/j.conbuildmat.2016.06.131Search in Google Scholar
[11] Yi M.D., XU C.H., CHEN Z.Q., WU G.Y., Effects of Nano-Al2O3 on the Mechanical Property and Microstructure of Nano-Micro Composite Self-Lubricating Ceramic Tool Material, Mater. Sci. Form, 2014, 770, 308-311.10.4028/www.scientific.net/MSF.770.308Search in Google Scholar
[12] Li X., Fang B., Xu X.G., Xu C.H., Fabrication and Mechanical Properties of Nano-Al2O3 Based Composite Ceramic Tool Material, Adv. Mater. Rese., 2011, 335-336, 736-739.10.4028/www.scientific.net/AMR.335-336.736Search in Google Scholar
[13] Xie F., Yang H.D., Zhang C.G., Liu N., Development of Nano-TiN Modified Cermet Cutter, Mater. Sci. Form, 2004, 471-472, 711-715.10.4028/www.scientific.net/MSF.471-472.711Search in Google Scholar
[14] Ma J., Xu C.H., Yi M.D., Xiao G.C., Wang X.H., Friction and Wear Property of Ti (C, N)/ZrO2/WC Nano-Composite Cermet Die Material, Adv. Mater. Rese., 2014, 834-836, 23-28.10.4028/www.scientific.net/AMR.834-836.23Search in Google Scholar
[15] Yi M.D., Xu C.H., Zhang J.J., Jiang Z.Y., Influences of Sintering Process on the Microstructure and Mechanical Behavior of ZrO2 Nano-Composite Ceramic Tool and Die Material, Adv. Mater. Rese., 2011, 154-155, 1356-1360.10.4028/www.scientific.net/AMR.154-155.1356Search in Google Scholar
[16] Yi M.D., Xu C.H., Wang X.H., Zhang H.F., Tribological Design of Zirconia Nanocomposite Ceramic Tool and Die Material, Mater. Sci. Forum, 2012, 697-698, 142-146.10.4028/www.scientific.net/MSF.697-698.142Search in Google Scholar
[17] Liu H.T., Yu Y.J., Liu H.M., Jin J.Z., Liu S.Q., Hybrid effects of nano-silica and graphene oxide on mechanical properties and hydration products of oil well cement, Constr. Build. Mater., 2018, 191, 311-319.10.1016/j.conbuildmat.2018.10.029Search in Google Scholar
[18] Gao T.M., Huang M.F., Xie R.H., Chen H.L., Preparation and Characterization of Nano-crystalline Cellulose/Natural Rubber (NCC/NR) Composites, Adv. Mater. Rese., 2013, 712-715, 111-114.10.4028/www.scientific.net/AMR.712-715.111Search in Google Scholar
[19] Geng D.B., Zeng L.M., Li Y., Fu Q.Z., Hu B., Effect of nano-SiO2 on bismaleimide composite, International Conference on Smart Materials and Nanotechnology in Engineering (1 July 2007, Harbin, China), SPIE Proceedings, 2007, 6423, 6423Z, 1-7.10.1117/12.780097Search in Google Scholar
[20] ZhangW., Zhang C., Li H., Research on LLDPE-inorganic Nanocomposites, IEEE International Nanoelectronics Conference (24-27 March 2008, Shanghai, China), IEEE, 2008, 58, 255-260.10.1109/INEC.2008.4585481Search in Google Scholar
[21] Li P., Wang Q., Shi S., Differential scheme for the effective elastic properties of nano-particle composites with interface effect, Comput. Mater. Sci., 2011, 50, 3230-3237.10.1016/j.commatsci.2011.06.006Search in Google Scholar
[22] Porwal H., Tatarko P., Saggar R., Grasso S., Mani M.K., Dlouhý I., et al., Tribological properties of silica-graphene nano-platelet composites, Ceram. Int., 2014, 40, 12067-12074.10.1016/j.ceramint.2014.04.046Search in Google Scholar
[23] Karimzadeh A., Ayatollahi M.R., Bushroa A.R., Herliansyah M.K., Effect of sintering temperature on mechanical and tribological properties of hydroxyapatite measured by nanoindentation and nanoscratch experiments, Ceram. Int., 2014, 40, 9159-9164.10.1016/j.ceramint.2014.01.131Search in Google Scholar
[24] Liu N., Shi M., Xu Y.D., You X.Q., Ren P.P., Feng J.P., Effect of starting powders size on the Al2O3–TiC composites, Int. J. Refract. Met. Hard Mat., 2004, 22, 265-269.10.1016/j.ijrmhm.2004.09.001Search in Google Scholar
[25] Ayatollahi M.R., Yahya M.Y., Shirazi H.A., Hassan S.A., Mechanical and tribological properties of hydroxyapatite nanoparticles extracted from natural bovine bone and the bone cement developed by nano-sized bovine hydroxyapatite filler, Ceram. Int., 2015, 41, 10818-10827.10.1016/j.ceramint.2015.05.021Search in Google Scholar
[26] Thind K.S., Singh J., Saini J.S., Bhunia H., Mechanical and wear properties of hybrid epoxy nanocomposites, Indian J. Eng. Mat. Sci., 2015, 22, 421-428.Search in Google Scholar
[27] Mokhtar M.M., Abo-El-Enein S.A., Hassaan M.Y., Morsy M.S., Khalil M.H., Mechanical performance, pore structure and micro-structural characteristics of graphene oxide nano platelets reinforced cement, Constr. Build. Mater., 2017, 138, 333-339.10.1016/j.conbuildmat.2017.02.021Search in Google Scholar
[28] Lv S.H., Liu J.J., Sun T.,Ma Y.J., Zhou Q.F., Effect of GO nanosheets on shapes of cement hydration crystals and their formation process, Constr. Build. Mater., 2014, 64, 231-239.10.1016/j.conbuildmat.2014.04.061Search in Google Scholar
[29] Pan Z., He L., Qiu L., Korayem A.H., Li G., Zhu J.W., et al., Mechanical properties and microstructure of a graphene oxide-cement composite, Cem. Concr. Compos., 2015, 58, 140-147.10.1016/j.cemconcomp.2015.02.001Search in Google Scholar
[30] Khorasani M.T., Joorabloo A., Moghaddam A., Shamsi H., Moghadam Z.M., Incorporation of ZnO nanoparticles into heparinised polyvinyl alcohol/chitosan hydrogels for wound dressing application, Int. J. Biol. Macromol., 2018, 114, 1203-1215.10.1016/j.ijbiomac.2018.04.010Search in Google Scholar PubMed
[31] He F., Han Q., Chen Y.C., Xu C., Shao L., STUDY ON MECHANICAL PROPERTIES OF AL METAL MATRIX NANOCOMPOSITES PROCESSED USING ULTRASONIC VIBRATION, Proceeding of the ASME 2009 International Manufacturing Science and Engineering Conference (4-7 October 2009, West Lafayette, Indiana, USA), MSEC, 2009, 1-4.10.1115/MSEC2009-84197Search in Google Scholar
[32] Zhang R., Wang Y.H., Ma D.H., Ahmed S., Qin W., Liu Y.W., Effects of ultrasonication duration and graphene oxide and nano-zinc oxide contents on the properties of polyvinyl alcohol nanocomposites. Ultrason. Sonochem., 2019, 59 (104731), 1-15.10.1016/j.ultsonch.2019.104731Search in Google Scholar
[33] Yao Y., Enhancement of mass transfer by ultrasound: Application to adsorbent regeneration and food drying/dehydration, Ultrason. Sonochem., 2016, 31, 512-531.10.1016/j.ultsonch.2016.01.039Search in Google Scholar
[34] Abral H., Lawrensius V., Handayani D., Sugiarti E., Preparation of nano-sized particles from bacterial cellulose using ultrasonication and their characterization, Carbohydr. Polym., 2018, 191, 161-167.10.1016/j.carbpol.2018.03.026Search in Google Scholar
[35] Wang D.L., Lv R.L., Ma X.B., Zou M.M., Wang W.J., Yan L.F., Lysozyme immobilization on the calciumalginate film under sonication: Development of an antimicrobial film, Food Hydrocolloids, 2018, 83, 1-8.10.1016/j.foodhyd.2018.04.021Search in Google Scholar
[36] Wang D., Zhao J., Xue C., Cao Y., Finite element simulation of Vickers micro-indentation test of micro-nano-composite ceramic tool materialsbased on microstructure model, Int. J. Refract. Met. Hard Mat., 2016, 58, 34-41.10.1016/j.ijrmhm.2016.03.011Search in Google Scholar
[37] Gong J.H., Miao H.Z., Zhao Z., Guan Z.D., Effect of TiC particle size on the toughness characteristics of Al2O3-TiC composites, Mater. Lett., 2001, 49, 235-238.10.1016/S0167-577X(00)00376-1Search in Google Scholar
[38] Wang C.N., Lin H.S., Hsueh M.H., Wang Y.H., Vu T.H., Lin T.F., The Sustainable Improvement of Manufacturing for Nano-Titanium, Sustainability, 2016, 8(402), 1-13.10.3390/su8040402Search in Google Scholar
[39] Wang D., Zhao J., Zhou Y.H., Chen X.X., Li A.H., Gong Z.C., Extended finite element modeling of crack propagation in ceramic tool materials by considering the microstructural features, Comput. Mater. Sci., 2013, 77, 236-244.10.1016/j.commatsci.2013.04.045Search in Google Scholar
[40] Zhou T., Huang C.Z., Simulation of crack propagation in single phase ceramic tool materials, Comput. Mater. Sci., 2015, 104, 177-184.10.1016/j.commatsci.2015.03.048Search in Google Scholar
[41] Acchar W., Cairo C.A.A., Chiberio P., Nano-structured alumina reinforced with NbC, Compos. Struct., 2019, 225(111109), 1-3.10.1016/j.compstruct.2019.111109Search in Google Scholar
[42] Trombini V., Tonello K.P.S., Santos T., Bressiani J.C., Bressiani A.H.D.A., Sintering Study of Al2O3/NbC/WC Micro-Nanocomposite, Mater. Sci. Forum, 2012, 727-728, 597-602.10.4028/www.scientific.net/MSF.727-728.597Search in Google Scholar
[43] Acchar W., Segadaes A.M., Properties of sintered alumina reinforced with niobium carbide,Int. J. Refract. Met. Hard Mat.,2009, 27, 427-430.10.1016/j.ijrmhm.2008.05.004Search in Google Scholar
[44] Acchar W., Camara C.R.F.D., Cario C.A.A., Filgueira M., Mechanical performance of alumina reinforced with NbC, TiC and WC, Mater. Rese., 2012, 15(6), 821-824.10.1590/S1516-14392012005000120Search in Google Scholar
[45] Acchar W., Cario C.A., Segadaes A.M., TEM study of a hot-pressed Al2O3-NbC composite material,Mater. Rese., 2005, 8(1), 109-112.10.1590/S1516-14392005000100019Search in Google Scholar
[46] Zou B., Huang C.Z., Liu H.L.,Wang S.L., A Study on the Microstructure of Nano-Scale Ceramic Tool Materials, Mater. Sci. Forum, 2004, 471-472, 260-263.10.4028/www.scientific.net/MSF.471-472.260Search in Google Scholar
[47] Zhao F.M., Takeda N., Effect of interfacial adhesion and statistical fiber strength on tensile strength of unidirectional glass fiber/epoxy composites. Part. II: comparison with prediction, Compos. Pt. A, 2000, 31, 1215-1224.10.1016/S1359-835X(00)00086-5Search in Google Scholar
[48] Kessler A., Bledzki A., Correlation between interphase-relevant tests and the impact-damage resistance of glass/epoxy laminates with different fibre surface treatments, Compos. Sci. Technol., 2000, 60, 125-130.10.1016/S0266-3538(99)00105-0Search in Google Scholar
[49] Debnath S., Ranade R., Wunder S.L., McCool J., Boberick K., Baran G., Interface effects on mechanical properties of particle-reinforced composites, Dent. Mater., 2004, 20, 677-686.10.1016/j.dental.2003.12.001Search in Google Scholar PubMed
[50] Zhang B.C., Bi G.J., Wang P., Bai J.M., Chen Y.X., Nai M.S., Microstructure and mechanical properties of Inconel 625/nano-TiB2 composite fabricated by LAAM, Mater. Des., 2016, 111, 70-79.10.1016/j.matdes.2016.08.078Search in Google Scholar
[51] Zhu W.M., Huang J.H., Lu W., Sun Q.F., Peng L.Q., Fen W.Z., Performance test of Nano-HA/PLLA composites for interface fixation, Artif. Cell. Nanomed. Biotechnol., 2014, 42, 331-335.10.3109/21691401.2013.827120Search in Google Scholar PubMed
[52] Zucchelli A., Dignatici M., Montorsi M., Carlotti R., Siligardi C., Characterization of vitreous enamel-steel interface by using hot stage ESEM and nano-indentation techniques, J. Eur. Ceram. Soc., 2012, 32, 2243-2251.10.1016/j.jeurceramsoc.2012.03.008Search in Google Scholar
[53] Sørensen P.M., Pind M., Yue Y.Z., Rawlings R.D., Boccaccini A.R., Nielsen E.R., Effect of the Redox State and Concentration of Iron on the Crystallization Behavior of Iron-Rich Aluminosilicate Glasses, J. Non-Cryst. Solids, 2005, 351, 1246-1253.10.1016/j.jnoncrysol.2005.03.015Search in Google Scholar
[54] Zhang L.Q., Yang P., Li C., Wang X.N., Li X.L., Zhao Y.F., Comparison Approach on Mechanical Behavior of Al /Cr Nano-Interface and Cu/Cr Nano-Interface, Curr. Nanosci., 2012, 8, 715-719.10.2174/157341312802884526Search in Google Scholar
[55] Lin S., Cai Q., Ji J.Y., Sui G., Yu Y.H., Yang X.P., Electrospun nanofiber reinforced and toughened composites through in situ nano-interface formation, Compos. Sci. Technol., 2008, 68, 3322-3329.10.1016/j.compscitech.2008.08.033Search in Google Scholar
[56] Oh S.T., Yoon S.J., Choa Y.H., Jeong Y.K., Niihara K., Wear Behavior of Nano-sized Metal Particle Dispersed Al2O3 Nanocomposites, Key Eng. Mater., 2006, 317-318, 369-372.10.4028/www.scientific.net/KEM.317-318.369Search in Google Scholar
[57] Das S., Chandrasekaran M., Samanta S., Comparison of Mechanical properties of AA6061 reinforced with (SiC/B4C) micro/nano ceramic particle reinforcements, ICMPC, Materials Today: Proceedings, 2018, 5, 18110-18119.10.1016/j.matpr.2018.06.146Search in Google Scholar
[58] Schmitz A., Schmid C., Boor J.D., Müller E., Dispersion of Multi-Walled Carbon Nanotubes in Skutterudites and Its Effect on Thermoelectric and Mechanical Properties, J. Nanosci. Nanotechnol., 2017, 17, 1547-1554.10.1166/jnn.2017.13727Search in Google Scholar PubMed
[59] Saba N., Paridah M.T., Abdan K., Ibrahim N.A., Dynamic mechanical properties of oil palm nano filler/kenaf/epoxy hybrid nanocomposites, Constr. Build. Mater., 2016, 124, 133-138.10.1016/j.conbuildmat.2016.07.059Search in Google Scholar
[60] Nahm S.H., Jang H.S., Jeon S.K., Lee H.J., Mechanical Properties Evaluation of Nano-Structured Materials in Scanning Electron Microscope, Mater. Sci. Forum, 2010, 654-656, 2312-2315.10.4028/www.scientific.net/MSF.654-656.2312Search in Google Scholar
[61] Tseng K.K., Wang L., Modeling and simulation of mechanical properties of nano-particle filled materials, J. Nanopart. Res., 2004, 6, 489-494.10.1007/s11051-004-2606-2Search in Google Scholar
[62] Zahedmanesh H., Vanstreels K., Le Q.T., Verdonck P., Gonzalez M., Mechanical integrity of nano-interconnects as brittle-matrix nanocomposites, Theor. Appl. Fract. Mech., 2018, 95, 194-207.10.1016/j.tafmec.2018.03.003Search in Google Scholar
[63] Wu H.A., Molecular dynamics study on mechanics of metal nanowire, Mech. Res. Commun., 2006, 33, 9-16.10.1016/j.mechrescom.2005.05.012Search in Google Scholar
[64] Wang L., Li Q., Sun J., Li Z.M., Zheng Y.G., Tensile mechanical properties of nano-twinned copper containing silver inclusions, Physica B, 2019, 554, 97-101.10.1016/j.physb.2018.11.015Search in Google Scholar
[65] Wong W.L.E., Gupta M., Development of Mg/Cu nanocomposites using microwave assisted rapid sintering, Compos. Sci. Technol., 2007, 67, 1541-1552.10.1016/j.compscitech.2006.07.015Search in Google Scholar
[66] Kumar L., Harsha S.P., Effect of Carbon Nanotubes on CNT Reinforced FGM Nano Plate under Thermo Mechanical Loading, Procedia Technol., 2016, 23, 130-137.10.1016/j.protcy.2016.03.008Search in Google Scholar
[67] Shirazi H.A., Ayatollahi M.R., Naimi-Jamal M.R., Influence of Hydroxyapatite Nano-particles on the Mechanical and Tribological Properties of Orthopedic Cement-Based Nano-composites Measured by Nano-indentation and Nano-scratch Experiments, J. Mater. Eng. Perform., 2015, 24(9), 3300-3306.10.1007/s11665-015-1593-zSearch in Google Scholar
[68] Fong H., Electrospun nylon 6 nanofiber reinforced BISGMA/TEGDMA dental restorative composite resins, Polymer, 2004, 45, 2427-2432.10.1016/j.polymer.2004.01.067Search in Google Scholar
[69] Tian M., Gao Y., Liu Y., Liao Y.L., Xu R.W., Hedin N.E., et al., Bis-GMA/TEGDMA dental composites reinforced with electrospun nylon 6 nanocomposite nanofibers containing highly aligned fibrillar silicate single crystals, Polymer, 2007, 48, 2720-2728.10.1016/j.polymer.2007.03.032Search in Google Scholar PubMed PubMed Central
[70] Lin C., Liu Y., Xie X., GO/PVA nanocomposites with significantly enhanced mechanical properties through metal ion coordination, Chin. Chem. Lett., 2019, 30, 1100-1104.10.1016/j.cclet.2018.11.027Search in Google Scholar
[71] Rajeshwari P., Dey T.K., Novel HDPE nanocomposites containing aluminum nitride (nano) particles: Micro-structural and nano-mechanical properties correlation, Mater. Chem. Phys., 2017, 190, 175-186.10.1016/j.matchemphys.2017.01.020Search in Google Scholar
[72] Lin G., Mu X., Qu D., Research on Structure and Mechanical Properties of Epoxy Resin/Clay Nanocomposites by Shock Wave Method, Key Eng. Mater., 2012, 501, 366-371.10.4028/www.scientific.net/KEM.501.366Search in Google Scholar
[73] Daudin R., Terzi S., Mallmann C., Martín R.S., Lhuissier P., Boller E., et al., Indirect improvement of high temperature mechanical properties of a Mg-based alloy Elektron21 by addition of AlN nanoparticles, Mater. Sci. Eng. A, 2017, 688, 76-82.10.1016/j.msea.2017.01.103Search in Google Scholar
[74] Essa A.M.M., Khallaf M.K., Biological nanosilver particles for the protection of archaeological stones against microbial colonization, Int. Biodeterior. Biodegrad., 2014, 94, 31-37.10.1016/j.ibiod.2014.06.015Search in Google Scholar
[75] Kartal S.N., Green F., Clausen C.A., Do the unique properties of nanometals affect leachability or efficacy against fungi and termites? Int. Biodeterior. Biodegrad., 2009, 63, 490-495.10.1016/j.ibiod.2009.01.007Search in Google Scholar
[76] Taghiyari H.R., Moradi-Malek B., Kookandeh M.G., Bibalan O.F., Effects of silver and copper nanoparticles in particleboard to control Trametes versicolor fungus, Int. Biodeterior. Biodegrad., 2014, 94, 69-72.10.1016/j.ibiod.2014.05.029Search in Google Scholar
[77] Ali A., Phull A.R., Zia M., Elemental zinc to zinc nanoparticles: is ZnO NPs crucial for life? Synthesis, toxicological, and environmental concerns, Nanotechnol. Rev., 2018, 7(5), 413–441.10.1515/ntrev-2018-0067Search in Google Scholar
[78] Ali A., Ambreen S., Maqbool Q., Naz S., Shams M.F., Ahmad M., et al., Zinc impregnated cellulose nanocomposites: Synthesis, characterization and applications, J. Phys. Chem. Solids, 2016, 98, 174-182.10.1016/j.jpcs.2016.07.007Search in Google Scholar
[79] Kazemi M., Ghobadi M., Mirzaie A., Cobalt ferrite nanoparticles (CoFe2O4 MNPs) as catalyst and support: magnetically recoverable nanocatalysts in organic synthesis, Nanotechnol. Rev., 2018, 7(1), 43–68.10.1515/ntrev-2017-0138Search in Google Scholar
[80] Guo X.Y., Cai L.S., Nan Z., Research Progress and Existent Problem of Nano Cement, Adv.Mater. Rese., 2014, 834-836, 689-692.10.4028/www.scientific.net/AMR.834-836.689Search in Google Scholar
[81] Safiuddin M., Gonzalez M., Cao J.W., Tighe S.L., State-of-the-art report on use of nano-materials in concrete, Int. J. Pavement Eng., 2014, 15(10), 940-949.10.1080/10298436.2014.893327Search in Google Scholar
[82] Ulm F.J., James S., The scratch test for strength and fracture toughness determination of oil well cements cured at high temperature and pressure, Cem. Concr. Res., 2011, 41, 942-946.10.1016/j.cemconres.2011.04.014Search in Google Scholar
[83] Nazari A., Riahi S., Microstructural, thermal, physical and mechanical behavior of the self-compacting concrete containing SiO2 nanoparticles, Mater. Sci. Eng. A, 2010, 527, 7663-7672.10.1016/j.msea.2010.08.095Search in Google Scholar
[84] Quercia G., Hüsken G., Brouwers H.J.H., Water demand of amorphous nano silica and its impact on the workability of cement paste, Cem. Concr. Res., 2012, 42, 344-357.10.1016/j.cemconres.2011.10.008Search in Google Scholar
[85] Choolaei M., Rashidi A.M., Ardjmand M., Yadegari A., Soltanian H., The effect of nanosilica on the physical properties of oil well cement, Mater. Sci. Eng. A, 2012, 538, 288-294.10.1016/j.msea.2012.01.045Search in Google Scholar
[86] Christy A., Purohit R., Rana R.S., Singh S.K., Rana S., Development and Analysis of Epoxy/nano SiO2 Polymer Matrix Composite fabricated by Ultrasonic Vibration assisted Processing, Mater. Today Proc., 2017, 4, 2748-2754.10.1016/j.matpr.2017.02.152Search in Google Scholar
[87] Zangabad P.S., Mirkiani S., Shahsavari S., Masoudi B., Masroor M., Hamed H., et al., Stimulus-responsive liposomes as smartnanoplatforms for drug delivery applications, Nanotechnol. Rev., 2018, 7(1), 95–122.10.1515/ntrev-2017-0154Search in Google Scholar PubMed PubMed Central
[88] Chen W.F., Lv G., Hu W.M., Li D.J., Chen S.N., Dai Z.X., Synthesis and applications of graphene quantum dots: a review, Nanotechnol. Rev., 2018, 7(2), 157–185.10.1515/ntrev-2017-0199Search in Google Scholar
[89] Morimune-Moriya S., Ariyoshi M., Goto T., Nishino T., Ultradrawing of poly (vinyl alcohol)/Graphene oxide nanocomposite fibers toward high mechanical performances, Compos. Sci. Technol., 2017, 152, 159-164.10.1016/j.compscitech.2017.09.024Search in Google Scholar
[90] Li J.H., Song Y.N., Ma Z., Li N., Niu S., Li Y.S., Preparation of polyvinyl alcohol graphene oxide phosphonate film and research of thermal stability and mechanical properties, Ultrason. Sonochem., 2018, 43, 1-8.10.1016/j.ultsonch.2018.01.003Search in Google Scholar PubMed
[91] Wang B., Chen Z.M., Zhang J.N., Cao J.J., Wang S.X., Tian Q.G., et al., Fabrication of PVA/graphene oxide/TiO2 composite nanofibers through electrospinning and interface sol-gel reaction: Effect of graphene oxide on PVA nanofibers and growth of TiO2 Colloid Surf. A, 2014, 457, 318-325.10.1016/j.colsurfa.2014.06.006Search in Google Scholar
[92] Kashyap S., Pratihar S.K., Behera S.K., Strong and ductile graphene oxide reinforced PVA nanocomposites, J. Alloy. Compd., 2016, 684, 254-260.10.1016/j.jallcom.2016.05.162Search in Google Scholar
[93] Bakhsheshi-Rad H.R., Hamzah E., Kasiri-Asgarani M., Saud S.N., Yaghoubidoust F., Akbari E., Structure, corrosion behavior, and antibacterial properties of nano-silica/graphene oxide coating on biodegradable magnesium alloy for biomedical applications, Vacuum, 2016, 131, 106-110.10.1016/j.vacuum.2016.05.021Search in Google Scholar
© 2020 Q. Wu et al., published by De Gruyter
This work is licensed under the Creative Commons Attribution 4.0 International License.
Articles in the same Issue
- Research Articles
- Generalized locally-exact homogenization theory for evaluation of electric conductivity and resistance of multiphase materials
- Enhancing ultra-early strength of sulphoaluminate cement-based materials by incorporating graphene oxide
- Characterization of mechanical properties of epoxy/nanohybrid composites by nanoindentation
- Graphene and CNT impact on heat transfer response of nanocomposite cylinders
- A facile and simple approach to synthesis and characterization of methacrylated graphene oxide nanostructured polyaniline nanocomposites
- Ultrasmall Fe3O4 nanoparticles induce S-phase arrest and inhibit cancer cells proliferation
- Effect of aging on properties and nanoscale precipitates of Cu-Ag-Cr alloy
- Effect of nano-strengthening on the properties and microstructure of recycled concrete
- Stabilizing effect of methylcellulose on the dispersion of multi-walled carbon nanotubes in cementitious composites
- Preparation and electromagnetic properties characterization of reduced graphene oxide/strontium hexaferrite nanocomposites
- Interfacial characteristics of a carbon nanotube-polyimide nanocomposite by molecular dynamics simulation
- Preparation and properties of 3D interconnected CNTs/Cu composites
- On factors affecting surface free energy of carbon black for reinforcing rubber
- Nano-silica modified phenolic resin film: manufacturing and properties
- Experimental study on photocatalytic degradation efficiency of mixed crystal nano-TiO2 concrete
- Halloysite nanotubes in polymer science: purification, characterization, modification and applications
- Cellulose hydrogel skeleton by extrusion 3D printing of solution
- Crack closure and flexural tensile capacity with SMA fibers randomly embedded on tensile side of mortar beams
- An experimental study on one-step and two-step foaming of natural rubber/silica nanocomposites
- Utilization of red mud for producing a high strength binder by composition optimization and nano strengthening
- One-pot synthesis of nano titanium dioxide in supercritical water
- Printability of photo-sensitive nanocomposites using two-photon polymerization
- In situ synthesis of expanded graphite embedded with amorphous carbon-coated aluminum particles as anode materials for lithium-ion batteries
- Effect of nano and micro conductive materials on conductive properties of carbon fiber reinforced concrete
- Tribological performance of nano-diamond composites-dispersed lubricants on commercial cylinder liner mating with CrN piston ring
- Supramolecular ionic polymer/carbon nanotube composite hydrogels with enhanced electromechanical performance
- Genetic mechanisms of deep-water massive sandstones in continental lake basins and their significance in micro–nano reservoir storage systems: A case study of the Yanchang formation in the Ordos Basin
- Effects of nanoparticles on engineering performance of cementitious composites reinforced with PVA fibers
- Band gap manipulation of viscoelastic functionally graded phononic crystal
- Pyrolysis kinetics and mechanical properties of poly(lactic acid)/bamboo particle biocomposites: Effect of particle size distribution
- Manipulating conductive network formation via 3D T-ZnO: A facile approach for a CNT-reinforced nanocomposite
- Microstructure and mechanical properties of WC–Ni multiphase ceramic materials with NiCl2·6H2O as a binder
- Effect of ball milling process on the photocatalytic performance of CdS/TiO2 composite
- Berberine/Ag nanoparticle embedded biomimetic calcium phosphate scaffolds for enhancing antibacterial function
- Effect of annealing heat treatment on microstructure and mechanical properties of nonequiatomic CoCrFeNiMo medium-entropy alloys prepared by hot isostatic pressing
- Corrosion behaviour of multilayer CrN coatings deposited by hybrid HIPIMS after oxidation treatment
- Surface hydrophobicity and oleophilicity of hierarchical metal structures fabricated using ink-based selective laser melting of micro/nanoparticles
- Research on bond–slip performance between pultruded glass fiber-reinforced polymer tube and nano-CaCO3 concrete
- Antibacterial polymer nanofiber-coated and high elastin protein-expressing BMSCs incorporated polypropylene mesh for accelerating healing of female pelvic floor dysfunction
- Effects of Ag contents on the microstructure and SERS performance of self-grown Ag nanoparticles/Mo–Ag alloy films
- A highly sensitive biosensor based on methacrylated graphene oxide-grafted polyaniline for ascorbic acid determination
- Arrangement structure of carbon nanofiber with excellent spectral radiation characteristics
- Effect of different particle sizes of nano-SiO2 on the properties and microstructure of cement paste
- Superior Fe x N electrocatalyst derived from 1,1′-diacetylferrocene for oxygen reduction reaction in alkaline and acidic media
- Facile growth of aluminum oxide thin film by chemical liquid deposition and its application in devices
- Liquid crystallinity and thermal properties of polyhedral oligomeric silsesquioxane/side-chain azobenzene hybrid copolymer
- Laboratory experiment on the nano-TiO2 photocatalytic degradation effect of road surface oil pollution
- Binary carbon-based additives in LiFePO4 cathode with favorable lithium storage
- Conversion of sub-µm calcium carbonate (calcite) particles to hollow hydroxyapatite agglomerates in K2HPO4 solutions
- Exact solutions of bending deflection for single-walled BNNTs based on the classical Euler–Bernoulli beam theory
- Effects of substrate properties and sputtering methods on self-formation of Ag particles on the Ag–Mo(Zr) alloy films
- Enhancing carbonation and chloride resistance of autoclaved concrete by incorporating nano-CaCO3
- Effect of SiO2 aerogels loading on photocatalytic degradation of nitrobenzene using composites with tetrapod-like ZnO
- Radiation-modified wool for adsorption of redox metals and potentially for nanoparticles
- Hydration activity, crystal structural, and electronic properties studies of Ba-doped dicalcium silicate
- Microstructure and mechanical properties of brazing joint of silver-based composite filler metal
- Polymer nanocomposite sunlight spectrum down-converters made by open-air PLD
- Cryogenic milling and formation of nanostructured machined surface of AISI 4340
- Braided composite stent for peripheral vascular applications
- Effect of cinnamon essential oil on morphological, flammability and thermal properties of nanocellulose fibre–reinforced starch biopolymer composites
- Study on influencing factors of photocatalytic performance of CdS/TiO2 nanocomposite concrete
- Improving flexural and dielectric properties of carbon fiber epoxy composite laminates reinforced with carbon nanotubes interlayer using electrospray deposition
- Scalable fabrication of carbon materials based silicon rubber for highly stretchable e-textile sensor
- Degradation modeling of poly-l-lactide acid (PLLA) bioresorbable vascular scaffold within a coronary artery
- Combining Zn0.76Co0.24S with S-doped graphene as high-performance anode materials for lithium- and sodium-ion batteries
- Synthesis of functionalized carbon nanotubes for fluorescent biosensors
- Effect of nano-silica slurry on engineering, X-ray, and γ-ray attenuation characteristics of steel slag high-strength heavyweight concrete
- Incorporation of redox-active polyimide binder into LiFePO4 cathode for high-rate electrochemical energy storage
- Microstructural evolution and properties of Cu–20 wt% Ag alloy wire by multi-pass continuous drawing
- Transparent ultraviolet-shielding composite films made from dispersing pristine zinc oxide nanoparticles in low-density polyethylene
- Microfluidic-assisted synthesis and modelling of monodispersed magnetic nanocomposites for biomedical applications
- Preparation and piezoresistivity of carbon nanotube-coated sand reinforced cement mortar
- Vibrational analysis of an irregular single-walled carbon nanotube incorporating initial stress effects
- Study of the material engineering properties of high-density poly(ethylene)/perlite nanocomposite materials
- Single pulse laser removal of indium tin oxide film on glass and polyethylene terephthalate by nanosecond and femtosecond laser
- Mechanical reinforcement with enhanced electrical and heat conduction of epoxy resin by polyaniline and graphene nanoplatelets
- High-efficiency method for recycling lithium from spent LiFePO4 cathode
- Degradable tough chitosan dressing for skin wound recovery
- Static and dynamic analyses of auxetic hybrid FRC/CNTRC laminated plates
- Review articles
- Carbon nanomaterials enhanced cement-based composites: advances and challenges
- Review on the research progress of cement-based and geopolymer materials modified by graphene and graphene oxide
- Review on modeling and application of chemical mechanical polishing
- Research on the interface properties and strengthening–toughening mechanism of nanocarbon-toughened ceramic matrix composites
- Advances in modelling and analysis of nano structures: a review
- Mechanical properties of nanomaterials: A review
- New generation of oxide-based nanoparticles for the applications in early cancer detection and diagnostics
- A review on the properties, reinforcing effects, and commercialization of nanomaterials for cement-based materials
- Recent development and applications of nanomaterials for cancer immunotherapy
- Advances in biomaterials for adipose tissue reconstruction in plastic surgery
- Advances of graphene- and graphene oxide-modified cementitious materials
- Theories for triboelectric nanogenerators: A comprehensive review
- Nanotechnology of diamondoids for the fabrication of nanostructured systems
- Material advancement in technological development for the 5G wireless communications
- Nanoengineering in biomedicine: Current development and future perspectives
- Recent advances in ocean wave energy harvesting by triboelectric nanogenerator: An overview
- Application of nanoscale zero-valent iron in hexavalent chromium-contaminated soil: A review
- Carbon nanotube–reinforced polymer composite for electromagnetic interference application: A review
- Functionalized layered double hydroxide applied to heavy metal ions absorption: A review
- A new classification method of nanotechnology for design integration in biomaterials
- Finite element analysis of natural fibers composites: A review
- Phase change materials for building construction: An overview of nano-/micro-encapsulation
- Recent advance in surface modification for regulating cell adhesion and behaviors
- Hyaluronic acid as a bioactive component for bone tissue regeneration: Fabrication, modification, properties, and biological functions
- Theoretical calculation of a TiO2-based photocatalyst in the field of water splitting: A review
- Two-photon polymerization nanolithography technology for fabrication of stimulus-responsive micro/nano-structures for biomedical applications
- A review of passive methods in microchannel heat sink application through advanced geometric structure and nanofluids: Current advancements and challenges
- Stress effect on 3D culturing of MC3T3-E1 cells on microporous bovine bone slices
- Progress in magnetic Fe3O4 nanomaterials in magnetic resonance imaging
- Synthesis of graphene: Potential carbon precursors and approaches
- A comprehensive review of the influences of nanoparticles as a fuel additive in an internal combustion engine (ICE)
- Advances in layered double hydroxide-based ternary nanocomposites for photocatalysis of contaminants in water
- Analysis of functionally graded carbon nanotube-reinforced composite structures: A review
- Application of nanomaterials in ultra-high performance concrete: A review
- Therapeutic strategies and potential implications of silver nanoparticles in the management of skin cancer
- Advanced nickel nanoparticles technology: From synthesis to applications
- Cobalt magnetic nanoparticles as theranostics: Conceivable or forgettable?
- Progress in construction of bio-inspired physico-antimicrobial surfaces
- From materials to devices using fused deposition modeling: A state-of-art review
- A review for modified Li composite anode: Principle, preparation and challenge
- Naturally or artificially constructed nanocellulose architectures for epoxy composites: A review
Articles in the same Issue
- Research Articles
- Generalized locally-exact homogenization theory for evaluation of electric conductivity and resistance of multiphase materials
- Enhancing ultra-early strength of sulphoaluminate cement-based materials by incorporating graphene oxide
- Characterization of mechanical properties of epoxy/nanohybrid composites by nanoindentation
- Graphene and CNT impact on heat transfer response of nanocomposite cylinders
- A facile and simple approach to synthesis and characterization of methacrylated graphene oxide nanostructured polyaniline nanocomposites
- Ultrasmall Fe3O4 nanoparticles induce S-phase arrest and inhibit cancer cells proliferation
- Effect of aging on properties and nanoscale precipitates of Cu-Ag-Cr alloy
- Effect of nano-strengthening on the properties and microstructure of recycled concrete
- Stabilizing effect of methylcellulose on the dispersion of multi-walled carbon nanotubes in cementitious composites
- Preparation and electromagnetic properties characterization of reduced graphene oxide/strontium hexaferrite nanocomposites
- Interfacial characteristics of a carbon nanotube-polyimide nanocomposite by molecular dynamics simulation
- Preparation and properties of 3D interconnected CNTs/Cu composites
- On factors affecting surface free energy of carbon black for reinforcing rubber
- Nano-silica modified phenolic resin film: manufacturing and properties
- Experimental study on photocatalytic degradation efficiency of mixed crystal nano-TiO2 concrete
- Halloysite nanotubes in polymer science: purification, characterization, modification and applications
- Cellulose hydrogel skeleton by extrusion 3D printing of solution
- Crack closure and flexural tensile capacity with SMA fibers randomly embedded on tensile side of mortar beams
- An experimental study on one-step and two-step foaming of natural rubber/silica nanocomposites
- Utilization of red mud for producing a high strength binder by composition optimization and nano strengthening
- One-pot synthesis of nano titanium dioxide in supercritical water
- Printability of photo-sensitive nanocomposites using two-photon polymerization
- In situ synthesis of expanded graphite embedded with amorphous carbon-coated aluminum particles as anode materials for lithium-ion batteries
- Effect of nano and micro conductive materials on conductive properties of carbon fiber reinforced concrete
- Tribological performance of nano-diamond composites-dispersed lubricants on commercial cylinder liner mating with CrN piston ring
- Supramolecular ionic polymer/carbon nanotube composite hydrogels with enhanced electromechanical performance
- Genetic mechanisms of deep-water massive sandstones in continental lake basins and their significance in micro–nano reservoir storage systems: A case study of the Yanchang formation in the Ordos Basin
- Effects of nanoparticles on engineering performance of cementitious composites reinforced with PVA fibers
- Band gap manipulation of viscoelastic functionally graded phononic crystal
- Pyrolysis kinetics and mechanical properties of poly(lactic acid)/bamboo particle biocomposites: Effect of particle size distribution
- Manipulating conductive network formation via 3D T-ZnO: A facile approach for a CNT-reinforced nanocomposite
- Microstructure and mechanical properties of WC–Ni multiphase ceramic materials with NiCl2·6H2O as a binder
- Effect of ball milling process on the photocatalytic performance of CdS/TiO2 composite
- Berberine/Ag nanoparticle embedded biomimetic calcium phosphate scaffolds for enhancing antibacterial function
- Effect of annealing heat treatment on microstructure and mechanical properties of nonequiatomic CoCrFeNiMo medium-entropy alloys prepared by hot isostatic pressing
- Corrosion behaviour of multilayer CrN coatings deposited by hybrid HIPIMS after oxidation treatment
- Surface hydrophobicity and oleophilicity of hierarchical metal structures fabricated using ink-based selective laser melting of micro/nanoparticles
- Research on bond–slip performance between pultruded glass fiber-reinforced polymer tube and nano-CaCO3 concrete
- Antibacterial polymer nanofiber-coated and high elastin protein-expressing BMSCs incorporated polypropylene mesh for accelerating healing of female pelvic floor dysfunction
- Effects of Ag contents on the microstructure and SERS performance of self-grown Ag nanoparticles/Mo–Ag alloy films
- A highly sensitive biosensor based on methacrylated graphene oxide-grafted polyaniline for ascorbic acid determination
- Arrangement structure of carbon nanofiber with excellent spectral radiation characteristics
- Effect of different particle sizes of nano-SiO2 on the properties and microstructure of cement paste
- Superior Fe x N electrocatalyst derived from 1,1′-diacetylferrocene for oxygen reduction reaction in alkaline and acidic media
- Facile growth of aluminum oxide thin film by chemical liquid deposition and its application in devices
- Liquid crystallinity and thermal properties of polyhedral oligomeric silsesquioxane/side-chain azobenzene hybrid copolymer
- Laboratory experiment on the nano-TiO2 photocatalytic degradation effect of road surface oil pollution
- Binary carbon-based additives in LiFePO4 cathode with favorable lithium storage
- Conversion of sub-µm calcium carbonate (calcite) particles to hollow hydroxyapatite agglomerates in K2HPO4 solutions
- Exact solutions of bending deflection for single-walled BNNTs based on the classical Euler–Bernoulli beam theory
- Effects of substrate properties and sputtering methods on self-formation of Ag particles on the Ag–Mo(Zr) alloy films
- Enhancing carbonation and chloride resistance of autoclaved concrete by incorporating nano-CaCO3
- Effect of SiO2 aerogels loading on photocatalytic degradation of nitrobenzene using composites with tetrapod-like ZnO
- Radiation-modified wool for adsorption of redox metals and potentially for nanoparticles
- Hydration activity, crystal structural, and electronic properties studies of Ba-doped dicalcium silicate
- Microstructure and mechanical properties of brazing joint of silver-based composite filler metal
- Polymer nanocomposite sunlight spectrum down-converters made by open-air PLD
- Cryogenic milling and formation of nanostructured machined surface of AISI 4340
- Braided composite stent for peripheral vascular applications
- Effect of cinnamon essential oil on morphological, flammability and thermal properties of nanocellulose fibre–reinforced starch biopolymer composites
- Study on influencing factors of photocatalytic performance of CdS/TiO2 nanocomposite concrete
- Improving flexural and dielectric properties of carbon fiber epoxy composite laminates reinforced with carbon nanotubes interlayer using electrospray deposition
- Scalable fabrication of carbon materials based silicon rubber for highly stretchable e-textile sensor
- Degradation modeling of poly-l-lactide acid (PLLA) bioresorbable vascular scaffold within a coronary artery
- Combining Zn0.76Co0.24S with S-doped graphene as high-performance anode materials for lithium- and sodium-ion batteries
- Synthesis of functionalized carbon nanotubes for fluorescent biosensors
- Effect of nano-silica slurry on engineering, X-ray, and γ-ray attenuation characteristics of steel slag high-strength heavyweight concrete
- Incorporation of redox-active polyimide binder into LiFePO4 cathode for high-rate electrochemical energy storage
- Microstructural evolution and properties of Cu–20 wt% Ag alloy wire by multi-pass continuous drawing
- Transparent ultraviolet-shielding composite films made from dispersing pristine zinc oxide nanoparticles in low-density polyethylene
- Microfluidic-assisted synthesis and modelling of monodispersed magnetic nanocomposites for biomedical applications
- Preparation and piezoresistivity of carbon nanotube-coated sand reinforced cement mortar
- Vibrational analysis of an irregular single-walled carbon nanotube incorporating initial stress effects
- Study of the material engineering properties of high-density poly(ethylene)/perlite nanocomposite materials
- Single pulse laser removal of indium tin oxide film on glass and polyethylene terephthalate by nanosecond and femtosecond laser
- Mechanical reinforcement with enhanced electrical and heat conduction of epoxy resin by polyaniline and graphene nanoplatelets
- High-efficiency method for recycling lithium from spent LiFePO4 cathode
- Degradable tough chitosan dressing for skin wound recovery
- Static and dynamic analyses of auxetic hybrid FRC/CNTRC laminated plates
- Review articles
- Carbon nanomaterials enhanced cement-based composites: advances and challenges
- Review on the research progress of cement-based and geopolymer materials modified by graphene and graphene oxide
- Review on modeling and application of chemical mechanical polishing
- Research on the interface properties and strengthening–toughening mechanism of nanocarbon-toughened ceramic matrix composites
- Advances in modelling and analysis of nano structures: a review
- Mechanical properties of nanomaterials: A review
- New generation of oxide-based nanoparticles for the applications in early cancer detection and diagnostics
- A review on the properties, reinforcing effects, and commercialization of nanomaterials for cement-based materials
- Recent development and applications of nanomaterials for cancer immunotherapy
- Advances in biomaterials for adipose tissue reconstruction in plastic surgery
- Advances of graphene- and graphene oxide-modified cementitious materials
- Theories for triboelectric nanogenerators: A comprehensive review
- Nanotechnology of diamondoids for the fabrication of nanostructured systems
- Material advancement in technological development for the 5G wireless communications
- Nanoengineering in biomedicine: Current development and future perspectives
- Recent advances in ocean wave energy harvesting by triboelectric nanogenerator: An overview
- Application of nanoscale zero-valent iron in hexavalent chromium-contaminated soil: A review
- Carbon nanotube–reinforced polymer composite for electromagnetic interference application: A review
- Functionalized layered double hydroxide applied to heavy metal ions absorption: A review
- A new classification method of nanotechnology for design integration in biomaterials
- Finite element analysis of natural fibers composites: A review
- Phase change materials for building construction: An overview of nano-/micro-encapsulation
- Recent advance in surface modification for regulating cell adhesion and behaviors
- Hyaluronic acid as a bioactive component for bone tissue regeneration: Fabrication, modification, properties, and biological functions
- Theoretical calculation of a TiO2-based photocatalyst in the field of water splitting: A review
- Two-photon polymerization nanolithography technology for fabrication of stimulus-responsive micro/nano-structures for biomedical applications
- A review of passive methods in microchannel heat sink application through advanced geometric structure and nanofluids: Current advancements and challenges
- Stress effect on 3D culturing of MC3T3-E1 cells on microporous bovine bone slices
- Progress in magnetic Fe3O4 nanomaterials in magnetic resonance imaging
- Synthesis of graphene: Potential carbon precursors and approaches
- A comprehensive review of the influences of nanoparticles as a fuel additive in an internal combustion engine (ICE)
- Advances in layered double hydroxide-based ternary nanocomposites for photocatalysis of contaminants in water
- Analysis of functionally graded carbon nanotube-reinforced composite structures: A review
- Application of nanomaterials in ultra-high performance concrete: A review
- Therapeutic strategies and potential implications of silver nanoparticles in the management of skin cancer
- Advanced nickel nanoparticles technology: From synthesis to applications
- Cobalt magnetic nanoparticles as theranostics: Conceivable or forgettable?
- Progress in construction of bio-inspired physico-antimicrobial surfaces
- From materials to devices using fused deposition modeling: A state-of-art review
- A review for modified Li composite anode: Principle, preparation and challenge
- Naturally or artificially constructed nanocellulose architectures for epoxy composites: A review