Home Physical Sciences Investigation on the conversion of rapeseed oil via supercritical ethanol condition in the presence of a heterogeneous catalyst
Article Open Access

Investigation on the conversion of rapeseed oil via supercritical ethanol condition in the presence of a heterogeneous catalyst

  • Dung Hoang

    Dung Hoang graduated in Chemical Engineering from Ha Noi University of Science and Technology. Since 2011, he has been an employee of PetroVietnam University. He is currently a doctoral student at Politecnico di Torino (Italy): the focus of his research is the synthesis of biodiesel via supercritical fluids, with the addition of heterogeneous catalysts.

    , Samir Bensaid EMAIL logo , Guido Saracco , Raffaele Pirone and Debora Fino
Published/Copyright: October 24, 2016
Become an author with De Gruyter Brill

Abstract

This article presents an environmentally friendly approach for the conversion of rapeseed oil via supercritical ethanol condition, with and without the presence of a solid catalyst, to produce biodiesel. The experiment was conducted in a batch reactor at various temperatures, reaction times, and ethanol to oil molar ratios. The evolution of process was followed by high performance liquid chromatography to determine accurately and quickly the content of final reaction mixture in a single analysis. The results show that the highest biodiesel yields of 93% (with ZnO) and 88% (with CaO) were obtained after the reaction time of 60 min at a temperature of 270°C. This process has high potential in minimizing the production cost of biodiesel due to its simplicity and technical advantage.

1 Introduction

The depletion of fossil fuels and the alarming environment deterioration have encouraged research aimed at finding alternative energy. Biodiesel is increasingly recognized as an alternative fuel due to its environmental benefits [1]. Biodiesel is defined as the mono-alkyl ester of fatty acids derived from vegetable oil or animal fat via trans-esterification. Due to the similar characteristics of biodiesel and conventional diesel, it constitutes a potential alternative to petroleum diesel and can be used in the diesel engine without the need of motor modification. In addition, biodiesel has better fuel properties in terms of sulfur content, flash point, aromatic content, and cetane number [2].

Biodiesel production has been extensively investigated by academia and industries. Its biggest concern is related to the expense for raw materials and operating cost, which leads to a higher cost of the final product than traditional petro-diesel [3]. The most popular and simplest method is trans-esterification, which involves the reaction between an oil and an alcohol (normally methanol and ethanol), with or without the presence of a catalyst. The common catalysts are alkali, acid, and enzyme compounds. The alkalis such as sodium hydroxide and potassium hydroxide give an excellent oil conversion and high purity of biodiesel but are not applicable for the feedstock with high free fatty acid content. One of the drawbacks of this process is the long reaction time and low catalyst recovery. To solve this disadvantage, Saka was the first author who performed the production of biodiesel under supercritical fluid (SCF) condition in the absence of catalyst [4], [5]. Saka et al. obtained the complete conversion of rapeseed oil into biodiesel at 350°C and 400°C, at a pressure of 45–60 MPa, and with a fixed methanol to oil ratio of 42:1. It was stated that, at a temperature of 350°C, after 4 min of treatment with SCF methanol, the biodiesel yield was found to be higher than that of the common method with a base catalyst. Madras et al. [6] conducted experiments (with sunflower oil employed as feedstock) over a temperature of 200°C–400°C at a constant pressure of 20 MPa. The highest fatty acid methyl ester (FAME) yield was 96% at the following optimal conditions: temperature 400°C, methanol to oil ratio 40:1, reaction time of 40 min.

Supercritical fluid is a promising approach for biodiesel production due to its unique properties. In the SCF medium, only a single phase is formed between oil and alcohol in contrast to the two-phase nature at ambient condition, which is caused by the decrease in dielectric constant of alcohol at SCF condition [7]. There are numerous studies on SCF methanol to produce biodiesel from various feedstock. However, methanol is toxic and is mainly produced from fossil fuel based resource. In addition, the selection of the alcohol is based on the consideration of cost, performance, and sustainability [8]. Moreover, the application of fatty acid ethyl ester (FAEE) derived from ethanol and triglyceride (TG) is more beneficial than that of FAME if being viewed from the environmental consideration. Ethanol can be prepared from agricultural renewable feedstock, thereby gaining total independence from petroleum-based alcohols. Ethanol being used as an extraction solvent is preferable to methanol because of its much higher dissolving power for oils. Thus, using ethanol would enhance the sustainability of biodiesel and minimize its environmental impact. Additionally, as bioethanol is currently used as a commercial product and as a substitute fuel for gasoline in some nations, the supply of ethanol for the biodiesel production will be very promising. As a result of the bioethanol utilization, the biodiesel obtained can then be claimed as 100% renewable based. Most of the research on trans-esterification in supercritical ethanol (SCE) have been carried out in batch reactors. It has been found that the reaction takes place in the 250°C–350°C temperature range at various reaction times and molar ratios of ethanol to oil. One of the big differences between these studies on SCE is the reactor size. The first study on SCE reported the FAEE yield of 95% after 45 min treatment of rapeseed oil with ethanol on a vial-scale reactor (5 ml) at 300°C [9]. However, the FAEE yield was obtained only 80% with a 100-ml and 200-ml cylindrical autoclave [10], [11].

The major benefits in performing SCF trans-esterification reaction are: rate enhancement, increased yield, and lowered impurity of products. Although the SCF method is strongly believed to be promising, the harsh operating conditions (high pressure and high temperature) remain a huge obstacle for applying it widely in industry. In an attempt to decrease the temperature and pressure, many authors studied the addition of solid catalyst into SCF for biodiesel production such as: calcium oxide CaO [12], magnesium oxide [13], sulphated zirconia [14], zinc oxide ZnO [15], Cs-doped heteropolyacid [16], MnCO3/ZnO [17], CaO/KI/γ-Al2O3 [18], and calcium lanthanum mixed oxide [19]. All of the catalysts mentioned above were tested in SCF methanol. To the best knowledge of the authors, there is only one study on SCF ethanol in the presence of a solid catalyst [20]. This group conducted the SCF ethanol with CaO/Al2O3 catalyst with a fixed bed reactor with the following optimal conditions: 285°C, 20 MPa, an ethanol/oil molar ratio of 30:1, a residence time of 4.85 min. However, this work was performed in a continuous mode.

Most authors have only analyzed the oil conversion and FAEE yield without considering the evolution of intermediate products [monoglyceride (MG) and diglyceride (DG)]. Numerous methods are being applied to characterize a mixture of reactants and products of trans-esterification such as: gas chromatography (GC) [21], thermo-gravimetric analyzer [22], [23], infrared spectroscopy [24], and proton nuclear magnetic resonance [25], [26]. GC has been widely employed in accordance with international standards such as: American Society for Testing and Materials D6584 and EN 14105, which instruct the use of GC coupled with a flame ionization detector. However, this method is not very convenient for determining nonvolatile TG, DG, and MG which need to be derivatized and analyzed at high temperature of 350°C that shorten the column’s life. To avoid this disadvantage, high performance liquid chromatography (HPLC) methods have been developed to analyze directly the biodiesel sample in the original liquid state without any pre-treatment. A general advantage of HPLC compared to GC is that derivatization is not necessary, thereby reducing analysis times, operation cost, and risk of isomerization of unsaturated compounds. In this work, HPLC is adopted to distinguish accurately the compositions of biodiesel sample in a viable direct analysis.

In this context, this work aims to investigate the effect of operating conditions on the SCE trans-esterification of rapeseed oil in a batch reactor with and without the presence of a catalyst (using CaO and ZnO). In addition, HPLC technique was employed to determine quickly the conversion of TG, the FAEE yield as well as intermediate products (DG, MG) in a single run.

2 Materials and methods

2.1 Chemicals and catalyst preparation

Rapeseed oil (fatty acid compositions as being shown in Table 1) and absolute ethanol 99.5% wt were supplied by Sigma Aldrich. In addition, fatty acids and ethyl esters were obtained from Sigma Aldrich as standard references for HPLC analysis, which include: linolenic acid, linoleic acid, oleic acid, palmitic acid, stearic acid, ethyl palmitate, ethyl stearate, ethyl oleate, ethyl linoleate, and ethyl linolenate. Mobile phases for HPLC analysis include: methanol Chromasolv Plus for HPLC≥99.9%, acetonitrile Chromasolv for HPLC, n-hexane Chromasolv for HPLC, and isopropanol Chromasolv for HPLC. All these chemicals were used without further treatment and purification.

Table 1:

Fatty acids profile of the rapeseed oil used in this work (determined by HPLC from the products of rapeseed oil hydrolysis in supercritical water at 270°C, 20 min and oil/water=1/1).

Fatty acidContent (mol%)
Palmitic acid (C16:0)4.1
Stearic acid (C18:0)1.7
Oleic acid (C18:1)58.9
Linoleic acid (C18:2)25.1
Linolenic acid (C18:3)8.6
Others acids1.6
Total100

ZnO and CaO were prepared via the calcination of zinc hydroxide and calcium carbonate. Zinc hydroxide was precipitated from zinc chloride and potassium hydroxide while calcium carbonate was produced from calcium chloride and sodium carbonate. All chemicals were supplied by Sigma-Aldrich, Milano, Italy.

2.2 Catalyst characterization

The powder X-ray diffraction patterns have been collected on a X’Pert Philips PW3040 diffractometer using Cu K radiation (2θ range=20°–80°; step=0.05° time per step=0.2 s). The diffraction peaks were indexed according to the Powder Data File database (PDF 2000, International Center of Diffraction Data, PA, USA).

The surface area of the catalyst was determined with the Brunauer-Emmett-Teller (BET) method using N2 physisorption at −196°C (Micrometrics ASAP 2020) on samples previously outgassed at 200°C for 2h to remove water and other contaminants.

The morphology of the samples was investigated by scanning electron microscopy equipment, model Quanta Inspect 20 of FEI Corporation (USA).

2.3 Trans-esterification reaction

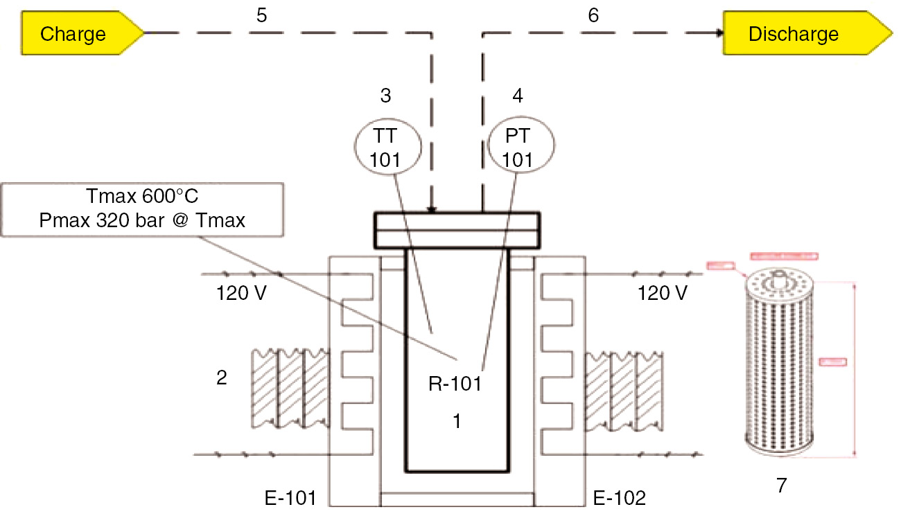
Supercritical reactions were performed in a batch-type 100 ml autoclave reactor made of stainless steel 316 as shown in Figure 1. Reaction temperature was set by the controller so that the heating jacket on the reactor vessel starts heating the vessel to the pre-set reaction temperature. The pressure inside the reactor was monitored with a pressure gauge attached to the reactor and varied from 8 to 15 MPa depending on the temperature tested and the amount of ethanol. The chosen temperature (from 270°C to 440°C) was measured by a thermocouple placed inside the reactor and monitored in real time on the controller display. The other investigated operating parameters were changed to find out the optimized conditions for the process (ethanol to oil molar ratio: 5/1 to 60/1, reaction time: 5–120 min, the catalyst mount: 1–4% wt).

Figure 1: Experimental apparatus: 1, reactor; 2, heater; 3, temperature sensor; 4, pressure gauge; 5, feedstock; 6, product; 7, catalyst basket.
Figure 1:

Experimental apparatus: 1, reactor; 2, heater; 3, temperature sensor; 4, pressure gauge; 5, feedstock; 6, product; 7, catalyst basket.

Ethanol and rapeseed oil were charged separately after being weighed with the predefined molar ratio. The powder catalyst was prepared as pellet-shaped and placed inside the basket specially designed for the system as shown in Figure 1. After a fixed reaction period, the reactor was cooled and the products were taken out to be settled in a separator. After the removal of unreacted ethanol by a rotary vacuum evaporator at 70°C; the sample, consisting of FAEEs, was analyzed by HPLC.

2.4 Product analysis

The biodiesel sample was diluted with solvent (mixture of n-hexane and i-propanol) at 1:30 w/w and was analyzed with a Shimadzu HPLC system equipped with a C18 column with 5 µm particle, length 250 mm and inner diameter 4.6 mm (Ascentis®—Sigma). The system consists of: two solvent delivery units for binary gradient elution, a photo diode array detector, an automatic sample injector, a column oven for precise temperature control at sub-ambient temperature, and a controller and software for remote management and data processing.

The HPLC gradient elution with two mobile phases were used: acetonitrile: methanol (4:1, v/v) and n-hexane: i-propanol (8:5, v/v). A flow rate was constantly maintained at 1.3 ml/min with the programmed time as given in Table 2. A 1:30 dilution of biodiesel in the mixture of n-hexane and i-propanol was used for the HPLC analysis.

Table 2:

Gradient profile of HPLC analysis.

Time (min)Mobile phase
0Acetonitrile: methanol
2.2Acetonitrile: methanol
25.5Acetonitrile: methanol 34%-n-hexane: i-propanol 66%
30Acetonitrile: methanol 34%-n-hexane: i-propanol 66%
32Acetonitrile: methanol

It is essential to identify the chemical species contained in the actual mixture after the reaction. The elution order among fatty acid compounds depends mainly on the characteristics of the solutes in approximate correspondence to the order of their polarities, such as the chain lengths, degree, and position of unsaturation [27]. FAEEs, MGs, DGs, and TGs are accurately distinguished and some of the main individual TGs can also be separated within the equivalent carbon number (ECN) [28], [29], [30]. The ECN is defined as ECN=CN−2DB where CN is the number of carbon atoms and DB is the number of double bonds, and it is a parameter for categorizing fatty compounds. Analyzing the rapeseed oil provided information on the positions of DGs and TGs in the chromatogram, also considering the ECN of TGs and the most important fatty acids (FAs) in rapeseed oil, which has a large proportion of triolein, the TG with the ECN of 48 and trilinolein with the lowest ECN of 36. DGs have retention times below the peak for trilinolenin. The retention time of FAEE was determined by comparing with the standard compounds under the similar HPLC analysis. In general, the order of elution is MGs>FAEEs>DGs>TGs (Figure 2). This pattern is consistent with the previous reports [31]. This preliminary procedure helps to separate the chemical species, but identifying individual compounds involves analyzing the standards and dividing the peaks into families with the same ECN.

Figure 2: HPLC chromatogram of biodiesel sample from rapeseed oil and ethanol.
Figure 2:

HPLC chromatogram of biodiesel sample from rapeseed oil and ethanol.

Peak identification was made by comparing the retention times of the peaks obtained with the peaks of equivalent authentic samples. The weight of each group of chemical species (FAEEs, MGs, DGs, and TGs) in the final mixture was calculated based on the area peak extracted from the HPLC data.

The following parameters were employed to monitor the process: the yield of FAEE, conversion of TG (moles of TG reacted/moles of initial TG), yield of DG (moles of DG produced/moles of initial TG), and yield of MG (moles of MG produced/moles of initial TG). Experimental yield of FAEE is defined as the mole of TG being converted to FAEE divided by the initial mole TG. The yield was calculated by using Equation (1):

(1)YEE=noil initialnMGnDGnoil finalnoil initial

The TG conversion was determined by Equation (2)

(2)CTG=noil initial noil finalnoil initial

The yield of MG, DG were calculated based on Equation (3)

(3)YMG or DG=nMG or DG noil initial

where: CTG refers to the conversion of TG; YEE, YMG, and YDG denote the yield of ethyl esters, MG, and DG; noil initial and noil final are the moles of TG in the feedstock and in the product mixture; nMG and nDG represent the moles of MG and DG.

The external calibration curves were employed to determine the composition of five main ethyl esters in samples. Standard solutions of ethyl palmitate, ethyl stearate, ethyl linoleate, ethyl linolenate, and ethyl oleate were prepared in the mixture of 2-propanol and hexane. Further dilutions were carried out to prepare 50, 100, 200, and 500 ug/ml solutions. Ten microliters of the latter solutions were injected into the HPLC for analysis.

3 Results and discussion

3.1 Noncatalytic supercritical ethanol

3.1.1 Effect of temperature

Temperature has a crucial impact on biodiesel yield regardless of the type of alcohol used for the trans-esterification. As the critical temperature of ethanol is 243°C, the experiment temperature must be higher than this value. Hence, in this work, the reaction temperature was varied from 270°C to 440°C to investigate the effect of temperature on biodiesel production via SCE. On the other hand, the molar ratio of ethanol to oil and reaction time were fixed at 42 and 30 min, respectively. The various times of FAEE yield for each temperature is shown in Figure 3. The FAEE yields of 23%; 42%; 68%, and 77% were obtained at 270°C, 300°C, 320°C, and 340°C, respectively, after the trans-esterification of 30 min. It can be seen that the increase in temperature enhanced the FAEE yield for the same reaction time. Figure 4 proves that the FAEE yield increases along with the TG conversion and reached a maximum of 77% at 340°C. However, further increase of temperature leads to the decrease of FAEE yield. This result is perfectly in agreement with the previous literatures, where the biodiesel decomposition occurs at temperature beyond the optimum value and subsequently lowers the FAEE yield due to the loss of unsaturated FAEEs whose structures have two or more double bonds [22], [23]. Although the high temperature clearly enhances the rate reaction, an excessively high temperature has a negative influence on the FAEE content [32]. Some authors carried out the extensive studies on the thermal degradation reaction, dehydrogenation reaction, and other side reaction [19], [20], [21], [22], [23].

Figure 3: FAEE yield as a function of time at varied temperature.
Figure 3:

FAEE yield as a function of time at varied temperature.

Figure 4: Effect of temperature at reaction conditions: molar ratio 42/1 and 30 min reaction time.
Figure 4:

Effect of temperature at reaction conditions: molar ratio 42/1 and 30 min reaction time.

The evolution of intermediate products (DG and MG) that were generated during the process is shown in Figure 4. After the maximum, the yield of DG and MG decreased to a minimum value when the temperature increased. As predicted, the yield of DG is always higher than that of MG, which is typical in the reactions with successive steps such as trans-esterification [21].

Figure 5 presents the composition of FAEEs in terms of percentage of each fatty acid akyl obtained from the trans-esterification reactions for the optimized conditions of temperature: 340°C, ethanol to oil ratio of 42/1, reaction time: 30 min and pressure of 15 MPa. One can observe that the FAEEs compositions were similar to that of the fatty acids in the original (nonreacted) rapeseed oil.

Figure 5: Ethyl ester compositions in origin rapeseed oil and biodiesel at reaction conditions: temperature 340°C, molar ratio 42/1, and 30 min.
Figure 5:

Ethyl ester compositions in origin rapeseed oil and biodiesel at reaction conditions: temperature 340°C, molar ratio 42/1, and 30 min.

As ethyl palmitate (C16:0) is highly considered being stable against the decomposition process, a more accurate determination of the ethyl ester composition change could be depicted referring all the percentages related to the C16:0 percentage. Figure 6 shows the mole ratio between the different ethyl ester and C16:0 for the original rapeseed oil and biodiesel product. It can be clearly seen that the relative amount of each component did not change after the treatment at 270°C and 340°C, while there was a drastic reduction of the polyunsaturated ethyl ester (C18:3) at 350°C. It is worthy to note that there were no significant changes after the rapeseed oil was converted at the lowest temperature, 270°C. Under the reaction conditions at high temperature, namely above 340°C, the other side reactions already took place. In this regard, there are three main processes of decomposition under supercritical conditions: isomerization (270°C–400°C), polymerization or Diels-Alder reaction at 300°C–420°C, and pyrolysis above 350°C. In addition, thermal cracking of TG usually occurred above 400°C. These steps consumed the unsaturated FAEE, especially C18:2 and C18:3.

Figure 6: Molar ratio of ethyl ester to ethyl palmitate at different temperatures.
Figure 6:

Molar ratio of ethyl ester to ethyl palmitate at different temperatures.

3.1.2 Effect of residence time

Generally, the reaction rate is higher under supercritical condition compared to trans-esterification in conventional conditions. This is the result of the formation of a single-phase system of oil-ethanol due to the decomposition of the hydrogen bonds, then the decrease in polarity of ethanol [33]. The reaction time, an essential aspect of process, is also studied in this work. The reaction time was varied from 5 to 30 min (excluding the time of heat up) with temperature hold at 340°C at a fixed pressure of 15 MPa and the ethanol to oil molar ratio of 42:1. As being indicated in Figure 7, the FAEE yield increased gradually with the increment of time until the optimum value of 30 min with FAEE yield of 77%. This is an advantage of the supercritical technology compared to traditional catalytic process that requires long reaction time (approximately 1.5 h) to gain a similar yield [34]. The high content of intermediate compounds, DG and MG, was detected in the initial reaction time, demonstrating the obvious formation and consumption of both compounds as the reaction proceeded. The yield of MG and DG reached the maximum after 5 min, then declined gradually to minimum value.

Figure 7: Effect of time at reaction conditions: temperature 340°C and ratio 42/1.
Figure 7:

Effect of time at reaction conditions: temperature 340°C and ratio 42/1.

3.1.3 Effect of ethanol to oil molar ratio

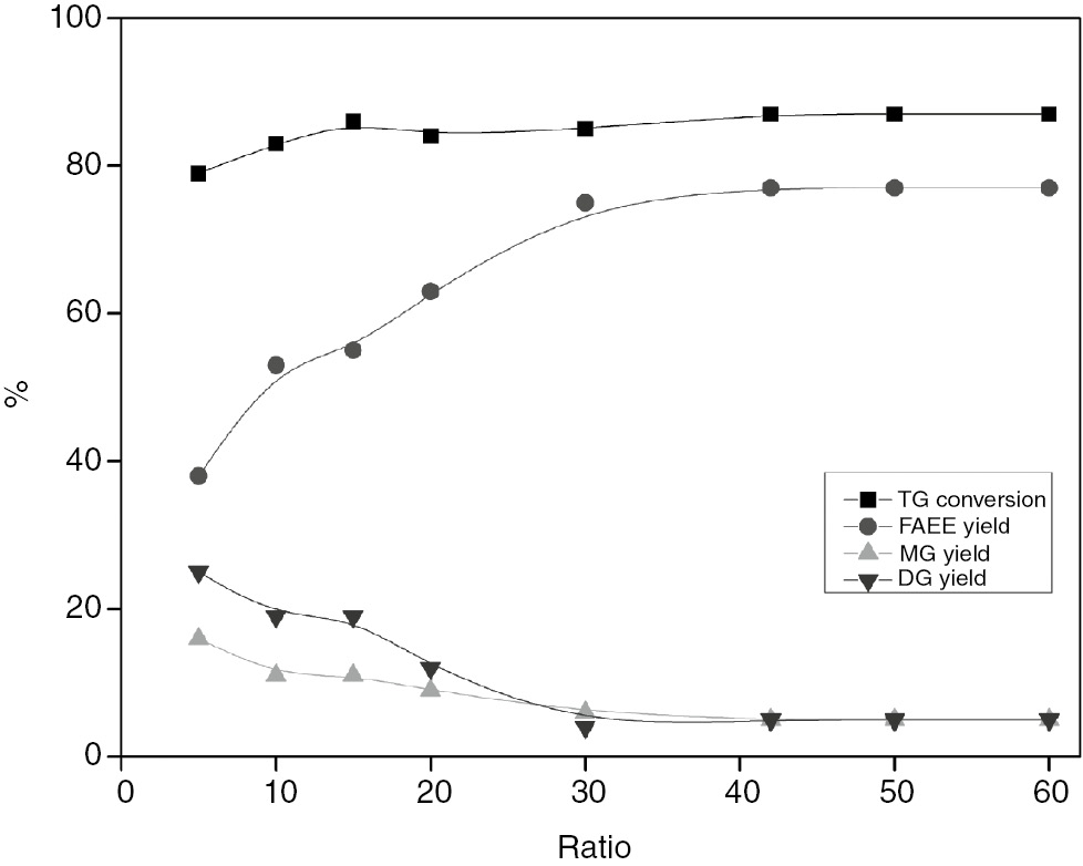
Theoretically, trans-esterification of TG required three molecules of ethanol. However, as the trans-esterification process is reversible, an enormous amount of ethanol is needed to achieve a complete conversion. In a supercritical reaction, an excessive amount of ethanol is employed to drive the equilibrium towards the formation of biodiesel. In our case, the ethanol to oil ratio was varied from 5 to 60 to investigate the effect of this parameter on biodiesel yield as shown in Figure 8. The FAEE yield increased steadily when the molar ratio increased from 5 to 42. However, the FAEE remained constant when the ratio was increased from 42 to 60. Further increase of ratio to 42 did not result in additional FAEE production. This observation can be explained from the thermodynamic point of oil-ethanol in supercritical conditions [35]. Ethanol and oil are immiscible in normal conditions. The dielectric constant of ethanol decreases at high temperature and, therefore, its polarity decreases. Due to this solubility of nonpolar compounds (oil) in ethanol increases. The oil can be more easily dissolved in ethanol at supercritical conditions. When the ethanol to oil molar ratio is very high, the amount of ethanol is much higher than that of the oil and, therefore, the oil and ethanol create a homogeneous mixture. As a result, the reaction rate increases and reaches the equilibrium at the ratio of 42:1. Therefore, the further increase of ethanol amount did not produce more FAEEs. Besides, the higher content of ethanol contributes to the lower critical temperature of the mixture. When the ethanol is above its critical point, it plays a role as a reactant and a solvent, which dissolve oil completely and makes the reaction quasi-homogenous. However, the reaction is not benefited from the excess ethanol due to the dilution of the reactant. Therefore, further increase of ethanol amount did not result in more FAEEs. In this case, one might consider the ethanol to oil molar ratio of 42 suitable to conduct the trans-esterification with a TG conversion of approximately 90% and FAEEs yield of 79% after a reaction time of 30 min at 340°C.

Figure 8: Effect of molar ratio at reaction conditions: temperature 340°C and 30 min.
Figure 8:

Effect of molar ratio at reaction conditions: temperature 340°C and 30 min.

3.2 Catalytic supercritical ethanol

3.2.1 Catalyst characterization

The X-ray diffraction (XRD) patterns of as-synthesized CaO and ZnO are shown in Figure 9. Cubic CaO gave very intensified and narrowed peaks at 2 θ of 32.1°, 37.2°, 53.9°, 64.0°, and 67.5° (JPDS File No. 00-037-1497). Whereas, the XRD pattern of ZnO revealed the crystalline phases at 2 θ=31.85°, 34.50°, 36.34°, 47.61°, and 56.67° (Joint Committee on powder diffraction standards File No. 36-1451), which can be indexed in the hexagonal structure of crystalline.

Figure 9: XRD pattern of ZnO (A) and CaO (B).
Figure 9:

XRD pattern of ZnO (A) and CaO (B).

The BET surface area, pore volume, and average pore diameter of all catalysts are presented in Table 3. The surface area of the CaO and ZnO were small: 2.56 and 1.97 m2/g, respectively. As the pore volume of them was all <0.03 cm3/g, the materials appeared to have nonporous structures. The detected pore size and pore volume should belong to the inter-particle voids.

Table 3:

BET surface area and porosity measurement.

CatalystZnOCaO
BET area (m2/g)1.972.56
Total pore volume (cm3/g)0.00810.0056
Average pore diameter (nm)16.3015.82

The morphology of the catalyst was studied by scanning electron microscopy (SEM) technique. The SEM images of CaO and ZnO were shown in Figure 10. All particles have uniform distribution of miniature agglomerates with irregular shapes. These agglomerated structures of the catalysts indicated the formation of metal oxides upon heat treatment. The SEM image of CaO showed a cluster of well-developed cubic crystal with obvious edges. It is observed that CaO was found to be compact and evenly distributed globular granules. The SEM micrographs of ZnO gave a small round-shape particles on its surface.

Figure 10: SEM images of catalyst of ZnO (A) and CaO (B).
Figure 10:

SEM images of catalyst of ZnO (A) and CaO (B).

3.2.2 Effect of the reaction temperature and reaction time

The effects of time and temperature on the FAEE yield and TG conversion were conducted by varying the reaction time from 10 to 120 min and temperature from 270°C to 320°C, a molar ratio of ethanol to oil 42:1, and the catalyst amount of 3% wt. The oil conversion was shown in Figure 11A and B for both ZnO and CaO. Evidently, the catalyst greatly promoted the reaction rate when the conversion for catalytic SCF reaction was achieved at higher valued than that of noncatalytic SCF for all temperature tested (250°C, 270°C, 300°C, 320°C). The conversion significantly increased with the temperature at the same reaction (10, 30, 60, 90, 120 min). As can be observed in Figure 12A and B, the increase of temperature favored the formation of FAEE yield. These results are conformed to Arrhenius law in which the rate constant is a function of temperature. At 270°C, the yield drastically increased to 93% (with ZnO) and 89% (with CaO) after 60 min of reaction. The previous work [20] obtained only 80% of FAEE yield at 300°C with the solid base catalyst CaO/Al2O3. Meanwhile, one study reported a biodiesel yield of 92% using ZnO at 270°C after 10 min, but the authors employed methanol for the trans-esterification of rapeseed oil. As expected, the FAEE yield increased at all the test times from 270°C to 300°C. In all the investigated time, the maximum yield was obtained at 60 min. If the time was increased further than 60 min (for example: at 90, 120 min), the yield slightly declined. This can be explained from the loss of catalyst activity due to the surface agglomeration when the reaction time changed from 60 to 120 min. However, the FAEE yield suffered a drop from 300°C to 320°C although the TG conversion still increased at higher temperatures. The FAEE yield declined after maximum yield may be due to the thermal breaking leading to the loss of poly-unsaturated FAEE, especially ethyl linolenate with three double bonds [36], [37], [38].

Figure 11: TG conversion as function of temperature at different reaction time of ZnO (A) and CaO (B) (reaction conditions: catalyst amount=3%, molar ratio 42/1).
Figure 11:

TG conversion as function of temperature at different reaction time of ZnO (A) and CaO (B) (reaction conditions: catalyst amount=3%, molar ratio 42/1).

Figure 12: FAEE yield as function of temperature at different reaction time of ZnO (A) and CaO (B) (reaction conditions: catalyst amount=3%, molar ratio 42/1).
Figure 12:

FAEE yield as function of temperature at different reaction time of ZnO (A) and CaO (B) (reaction conditions: catalyst amount=3%, molar ratio 42/1).

It is worthy to note that, despite having lower surface area, ZnO gave the highest biodiesel yield. Although the basic strength of CaO is higher than that of ZnO, the catalytic activity increased in the order of CaO<ZnO. Both the ionic radii and alkalinities of the alkaline earth metals increase in the same order. It suggests that the catalytic activities of alkaline earth metal oxides toward the trans-esterification are associated with their alkalinities. Besides the specific surface area, acidity/basicity, and acid/base sites, metal leaching tendency is also the contributing factor of catalysts in biodiesel formation. These facts could be reasons of higher activity of ZnO than CaO although the surface area of ZnO possess a lower value.

In the conditions at high temperature under catalytic-SCF, namely above 300°C, there are thermal decomposition and other side reactions such as: isomerization and dehydrogenation [19], [20], [21], [22], [23]. From Figure 13, it can be clearly observed that the mole percentage of ethyl linolenate drops to 2.3% from 8.4% when temperature was increased to 320°C. The degradation of ethyl linolenate during the catalytic SCF took place at a lower temperature (320°C) than that of the noncatalytic SCF (350°C). This phenomenon could be due to the effect of catalyst activity of the side reactions which accelerated the decomposition process. On the other side, the mono-unsaturated FAEE (C18:1), was relatively stable, and prolonging the reaction time did not cause severe decomposition. The mole percentages of C18:1 were 59%; 58.5%; 60%; and 59.5% when the temperature underwent 250°C, 270°C, 300°C, and 320°C. The composition of other ethyl esters is in good agreement with the fatty acid profiles of rapeseed oil.

Figure 13: Effect of temperature on fatty acid ethyl ester composition at reaction conditions: 60 min, 3% wt ZnO, molar ratio 42/1.
Figure 13:

Effect of temperature on fatty acid ethyl ester composition at reaction conditions: 60 min, 3% wt ZnO, molar ratio 42/1.

3.2.3 Effect of the catalyst amount

Figure 14 shows the relationship between the reaction time and the catalyst amount of the transesterification of rapeseed oil with ethanol at 270°C and molar ratio of 42:1. The results indicate that the FAEE yield sharply increased as the catalyst dosage increased from 0 to 3 wt% for both CaO and ZnO. It is strongly proved that the catalyst accelerates the reaction rate. In noncatalytic SCF, the yield was 60% under the same reaction conditions and greatly increased with the addition of the catalyst. However, further content (4%) slightly decreased the FAEE content due to the agglomeration occurring on the catalyst which deactivated the active sites of the catalyst. The use of 3.0 wt% of ZnO and CaO produced the highest FAEE yield: 92% and 88%, respectively, after 60 min. Hence, 3 wt% of catalyst was adopted as the optimum dosage for further experiments.

Figure 14: Effect of the catalyst amount of ZnO (A) and CaO (B) at reaction conditions: temperature 270°C, molar ratio 42/1.
Figure 14:

Effect of the catalyst amount of ZnO (A) and CaO (B) at reaction conditions: temperature 270°C, molar ratio 42/1.

3.2.4 Effect of ethanol to oil molar ratio

In order to evaluate the effect of varying the molar ratio of ethanol to oil on the formation of FAEEs, the trans-esterification of rapeseed oil was performed at a fixed catalyst/oil ratio of 3 wt%, a temperature of 270°C, and a constant reaction time of 60 min. As shown in Figure 15, the higher the molar ratio of ethanol to oil was charged, the more quickly the reaction rate was achieved. Fundamentally, three moles of alcohol and one mole of TG are required to produce three moles of FAEE and one mole of glycerol. Clearly, the yield exhibited a remarkably increase with the molar ratio increased from 10:1–42:1 for trans-esterification of rapeseed oil. However, at and beyond a methanol/oil molar ratio at 42:1, the FAEE yield almost remained constant. Therefore, the optimum molar ratio of ethanol/oil for trans-esterification of rapeseed oil was 42:1. For noncatalytic supercritical test, it was found that the trans-esterification of rapeseed oil required similar ethanol/oil ratio which is 42:1 to achieve high FAEE yield production under SCE.

Figure 15: Effect of molar ratio at reaction conditions: temperature 270°C, 60 min and 3 wt% catalyst amount.
Figure 15:

Effect of molar ratio at reaction conditions: temperature 270°C, 60 min and 3 wt% catalyst amount.

4 Conclusion

This work demonstrates that the conversion of rapeseed oil into the FAEE via SCE condition can be optimized at different reaction temperature, time, and molar ratio of ethanol to oil. Without catalyst, the highest FAEE yield was 79% at a temperature of 340°C, reaction time of 30 min, and molar ratio of 42:1. In the presence of a heterogeneous catalyst, the FAEE yield was 93% (for ZnO) and 88% (with CaO) at the milder conditions: 270°C, reaction time of 60 min, and molar ratio of 42:1. The HPLC technique offers the capability of quick determination of TG conversion, FAEE yield as well as the reaction compositions including MG and DG to evaluate the process.

In the current study, a high yield of FAEEs (93%) was obtained at milder reaction conditions compared to the noncatalytic supercritical process. Therefore, the catalytic supercritical process of trans-esterification of rapeseed oil over a ZnO and CaO catalyst can be more profitable than any other processes including the alkali-catalyzed process and noncatalytic supercritical process.

About the author

Dung Hoang

Dung Hoang graduated in Chemical Engineering from Ha Noi University of Science and Technology. Since 2011, he has been an employee of PetroVietnam University. He is currently a doctoral student at Politecnico di Torino (Italy): the focus of his research is the synthesis of biodiesel via supercritical fluids, with the addition of heterogeneous catalysts.

Acknowledgements

The AREAS project of Erasmus Mundus Action 2 program is gratefully acknowledged for financial support. The authors thanks Vito Stanzione for the valuable and helpful suggestions on the HPLC analysis.

References

[1] Hoang D, Bensaid S, Saracco, G. Green Process. Synth. 2013, 2, 407–425.10.1515/gps-2013-0046Search in Google Scholar

[2] Caroca JC, Millo F, Vezza D, Vlachos T, De Filippo A, Bensaid S, Russo N, Fino D. Ind. Eng. Chem Res. 2011, 50, 2650–2658.10.1021/ie1006799Search in Google Scholar

[3] Soltani S, Rashid U, Yunus R, Taufiq-Yap YH. Catal. Rev. 2015, 57, 1–29.10.1080/01614940.2015.1066640Search in Google Scholar

[4] Saka S, Kusdiana D. Fuel 2001, 80, 225–231.10.1016/S0016-2361(00)00083-1Search in Google Scholar

[5] Kusdiana D, Saka S. Fuel 2001, 80, 693–698.10.1016/S0016-2361(00)00140-XSearch in Google Scholar

[6] Madras G, Kolluru C, Kamar R. Fuel 2004, 83, 2029–2033.10.1016/j.fuel.2004.03.014Search in Google Scholar

[7] Santana A, Maçaira J, Larrayoz MA. Fuel Process. Technol. 2012, 102, 110–115.10.1016/j.fuproc.2012.04.014Search in Google Scholar

[8] Bensaid S, Hoang D, Bellantoni P, Saracco G. Green Process. Synth. 2013, 2, 397–406.10.1515/gps-2013-0065Search in Google Scholar

[9] Warabi Y, Kusdiana D, Saka S. Appl. Biochem. Biotechnol. 2004, 115, 793–801.10.1385/ABAB:115:1-3:0793Search in Google Scholar

[10] Balat M. Energy Sources Part A 2008, 30, 429–440.10.1080/15567030600826531Search in Google Scholar

[11] Demirbas A. Energy Convers. Manage. 2009, 50, 923–927.10.1016/j.enconman.2008.12.023Search in Google Scholar

[12] Demirbas A. Energy Convers. Manage. 2007, 8, 937–941.10.1016/j.enconman.2006.08.004Search in Google Scholar

[13] Wang L, Yang J. Fuel 2007, 86, 328–333.10.1016/j.fuel.2006.07.022Search in Google Scholar

[14] Petchmala A, Laosiripojana N, Jongsomjit B, Goto M, Panpranot J, Mekasuwandumrong O, Shotipruk A. Fuel 2010, 89, 2387–2392.10.1016/j.fuel.2010.04.010Search in Google Scholar

[15] Yoo SJ, Lee HS, Veriansyah B, Kim J, Kim JD, Lee YW. Bioresour. Technol. 2010, 101, 8686–8689.10.1016/j.biortech.2010.06.073Search in Google Scholar PubMed

[16] Shin HY, An SH, Sheikh R, Park YH, Bae SY. Fuel 2012, 96, 572–578.10.1016/j.fuel.2011.12.076Search in Google Scholar

[17] Wan L, Liu H, Skala D. Appl. Catal. B 2014, 152, 352–359.10.1016/j.apcatb.2014.01.033Search in Google Scholar

[18] Asri NP, Machmudah S, Budikarjono, K, Roesyadi A, Goto M. Chem. Eng. Process. 2013, 72, 63–67.10.1016/j.cep.2013.07.003Search in Google Scholar

[19] Teo, SH, Goto M, Taufiq-Yap YH. J. Supercrit. Fluids 2015, 104, 243–250.10.1016/j.supflu.2015.06.023Search in Google Scholar

[20] Sawangkeaw R, Tejvirat P, Ngamcharassrivichai C, Ngamprasertsith S. Energies 2012, 5, 1062–1080.10.3390/en5041062Search in Google Scholar

[21] Olivares-Carrillo P, Quesada-Medina J. J. Supercrit. Fluids 2012, 72, 52–58.10.1016/j.supflu.2012.08.012Search in Google Scholar

[22] Sun Y, Ponnusamy S, Muppaneni T, Reddy HK, Wang J, Zeng Z, Deng S. Energy Convers. Manage. 2015, 101, 402–409.10.1016/j.enconman.2015.05.056Search in Google Scholar

[23] Salar-García MJ, Ortiz-Martínez VM, Olivares-Carrillo P, Quesada-Medina J, de los Ríos AP, Hernández-Fernández FJ. J. Supercrit. Fluids 2016, 112, 1–6.10.1016/j.supflu.2016.02.004Search in Google Scholar

[24] Muppaneni T, Reddy HK, Ponnusamy S, Patil PD, Sun Y, Dailey P, Deng S. Fuel 2013, 107, 633–640.10.1016/j.fuel.2012.11.046Search in Google Scholar

[25] Naureen R, Tariq M, Yusoff I, Chowdhury, AJK, Ashraf MA. Saudi J. Biol. Sci. 2015, 22, 332–339.10.1016/j.sjbs.2014.11.017Search in Google Scholar

[26] Samios D, Pedrotti F, Nicolau A, Reiznautt QB, Martini DD, Dalcin FM. Fuel Process. Technol. 2009, 90, 599–605.10.1016/j.fuproc.2008.12.011Search in Google Scholar

[27] Chen SH, Chuang YJ. Anal. Chim. Acta 2002, 465, 145–155.10.1016/S0003-2670(02)00095-8Search in Google Scholar

[28] Holčapek M, Jandera P, Fischer J, Prokeš, B. J. Chromatogr. A 1999, 858, 13–31.10.1016/S0021-9673(99)00790-6Search in Google Scholar

[29] Türkan A, Kalay Ş. J. Chromatogr. A 2006, 1127, 34–44.10.1016/j.chroma.2006.05.065Search in Google Scholar PubMed

[30] Di Nicola G, Pacetti M, Polonara F, Santori G, Stryjek R. J. Chromatogr. A 2008, 1190, 120–126.10.1016/j.chroma.2008.02.085Search in Google Scholar PubMed

[31] Santori G, Arteconi A, Di Nicola G, Moglie M, Stryjek R. Energy Fuels 2009, 23, 3783–3789.10.1021/ef900140rSearch in Google Scholar

[32] Imahara H, Minami E, Hari S, Saka S. Fuel 2008, 87, 1–6.10.1016/j.fuel.2007.04.003Search in Google Scholar

[33] Kiss FE, Micic RD, Tomić MD, Nikolić-Djorić EB, Simikić Md. J. Supercrit. Fluids 2014, 86, 23–32.10.1016/j.supflu.2013.11.015Search in Google Scholar

[34] Buasri A, Chaiyut N, Loryuenyong V, Rodklum C, Chaikwan T, Kumphan N. Appl. Sci. 2012, 2, 641–653.10.3390/app2030641Search in Google Scholar

[35] He H, Wang T, Zhu S. Fuel 2007, 86, 442–447.10.1016/j.fuel.2006.07.035Search in Google Scholar

[36] Lin R, Zhu Y, Tavlarides LL. Fuel 2013, 106, 593–604.10.1016/j.fuel.2012.12.013Search in Google Scholar

[37] Shin HY, Lim SM, Bae SY, Oh SC. J. Anal. Appl. Pyrolysis 2011, 92, 332–338.10.1016/j.jaap.2011.07.003Search in Google Scholar

[38] Niza NM, Tan KT, Lee KT, Ahmad Z. Appl. Energy 2013, 101, 198–202.10.1016/j.apenergy.2012.03.033Search in Google Scholar

Received: 2016-4-25
Accepted: 2016-8-16
Published Online: 2016-10-24
Published in Print: 2017-2-1

©2017 Walter de Gruyter GmbH, Berlin/Boston

This article is distributed under the terms of the Creative Commons Attribution Non-Commercial License, which permits unrestricted non-commercial use, distribution, and reproduction in any medium, provided the original work is properly cited.

Articles in the same Issue

  1. Frontmatter
  2. In this issue
  3. Review
  4. Biomass processing into ethanol: pretreatment, enzymatic hydrolysis, fermentation, rheology, and mixing
  5. Original articles
  6. Shora (Capparis petiolaris) fruit mediated green synthesis and application of silver nanoparticles
  7. Hydrothermal green synthesis of silver nanoparticles using Pelargonium/Geranium leaf extract and evaluation of their antifungal activity
  8. Green synthesis of gold nanoparticles using quail egg yolk and investigation of potential application areas
  9. Low temperature green synthesis of LaAlO3 using microcrystalline LaOCl and amorphous Al2O3 precursors derived from spray pyrolysis
  10. Intensification of enzyme catalysed synthesis of hexyl acetate using sonication
  11. The development and numerical simulation of a plasma microreactor dedicated to chemical synthesis
  12. Ultrasound promoted green synthesis of benzofuran substituted thiazolo[3,2-b][1,2,4]triazoles
  13. Solventless synthesis of solketal with commercially available sulfonic acid based ion exchange resins and their catalytic performance
  14. Investigation on the conversion of rapeseed oil via supercritical ethanol condition in the presence of a heterogeneous catalyst
  15. Investigation on drying characteristics of high titanium slag using microwave heating
  16. Effects of waste eggshells and SiC addition in the synthesis of aluminum hybrid green metal matrix composite
  17. Conference announcements
  18. 4th International Conference Implementation of Microreactor Technology in Biotechnology (IMTB 2017), Bled, Slovenia, April 23–26, 2017
  19. 7th Advances in Microfluidics & Nanofluidics (AMN)/9th International Symposium on Microchemistry and Microsystems (ISMM)/5th Asia-Pacific Chemical and Biological Microfluidic Conference (APCBM)/8th Australia New Zealand Nano-Microfluidics Symposium (ANZNMF) (Hobart, Australia, June 26–29, 2017)
  20. Book review
  21. Alternative energy sources for green chemistry
Downloaded on 30.12.2025 from https://www.degruyterbrill.com/document/doi/10.1515/gps-2016-0081/html
Scroll to top button