Abstract
Using optical add–drop multiplexer/remover multiplexer (OADM), it is possible to add or remove wavelengths and change or route them through the various nodes and networks. At this moment, key problems in add–drop multiplexer (ADM) are the bandwidth, modulation format, and reuse wavelength. In this article, the Optisystem software simulation is used as a platform to design, test, and verify the method applied to the current work; the OADM is proposed based on the metro network to get distribution between nodes over a transmission link; OADM analysis was presented with four channels (193.1, 193.2, 193.3, and 193.4 THz) at total bandwidth of 1.6 Tb/s, none-return-to-zero (NRZ), and return to zero coding types. Experiment one shows that the average output power is −17.997 dBm, the average drop power is −17.997 dBm, and the average add power is −18.338 dBm, the average gain is −0.0429 dB, the average noise figure is 0 dB, the average power input signal is 10.679 dBm, the average of power output signal is 10.633 dBm, and the average output optical signal-to-noise ratio (OSNR) is 0 dB, However, the second experiment shows that the average output power is −24.238 dBm, the average drop power is −24.288 dBm, and the average add power is −24.753 dBm, the average gain is −0.0417 dB, the average noise figure is 0 dB, average power input signal is 7.691 dBm, average of power output signal is 7.677 dBm, and the average output OSNR 0 dB. The system supports four input channels, four add channels, four output channels, and four drop channels. The results are acceptable after three spans of Solitons fiber with 600 km length, 200 km for each span. Nonetheless, it is believed that it is well justified to adopt these schemes in the current optical network with a low cost for overall expenditure.
1 Motivation
Nowadays, the Internet as an industry is based mainly on fiber. This leads to a vast range of misunderstandings, misconceptions, and errors when working with fiber-optic networks. Definitely, several attempts have been made to assist a large number of individuals using the same transmission medium. This term refers to the different multiplexing techniques used by hackers. Wave division multiplexing allows the use of the fibers’ broad bandwidth [1]. Due to the recent development of dense wavelength division multiplexing (DWDM) systems, it is now possible to transmit hundreds of channels at a total capacity of more than terabits per second. Another technique has been attempted in conjunction with wavelength division multiplexing the best performers on a multiprocessor and being one of the multiprocessor’s top weapons (optical add–drop multiplexer/remover multiplexer [OADM]) [2]. ADM is the most critical component of a fiber-optic communication network. If the traffic is ascending, it may be bidirectional or unidirectional. In OADM, the wavelength modulation may be reduced or increased selectively. Wavelength coexists within a fiber, resulting in channel concurrence. It then applies the same wavelength but in a different direction to the same signal but an additional input, this time with the same signal but a different input [3].
An optical multiplexer’s primary purpose is to integrate multiple wavelengths into a single fiber. When used in conjunction with a multiplexer, it is evident that the spectrum contains two distinct wavelengths (or channels). This enables the separation and addition of wavelengths separately. It is colloquially referred to as an add–drop demultiplexer, but when an optical wavelength is defined, it is referred to as a multiplexer. Although these units are small, monolithic integration will undoubtedly play a significant role in future designs of smaller, lighter, and more affordable devices [4].
The discussion of an all-fiber unidirectional ring in the article is almost entirely confined to ring WDM networks. Each node in OADM subtracts a distinct wavelength, allowing for stage-by-stage wavelength selection. The transmission uses longer data wavelengths, while reception uses shorter data wavelengths. Each OADM converts the data from the ring to an optical signal. Infrastructures are being strained to the breaking point as bandwidth demands grow. Metros have been fitted with this capability to fulfil this requirement. Optical add/drop multiplexers are well suited for wavelength handling due to their ability to connect and remove optical channels. Due to the OADM’s low-loss, low-cost passive systems, low-cost, and scalable technology enables a highly stable network with very little electricity consumption [5,6,7]. The article is divided into four sections: one devoted to prior research on the topic, one to the proposal itself, one to a comparison, conclusion, and discussion, and one to two experiments.
2 OADM architecture
A conventional OADM comprises three components: an optical (multiplexer (MUX)/De-MUX) system for reconfiguring the paths between the (MUX/De-MUX) and a series of add–drop ports. A multiplexer is a device that couples two or more wavelengths into a single fiber. A fiber patch panel or optical switches that guide wavelengths to the optical (MUX) or drop ports can then reconfigure the system. The De-MUXs reverse the multiplexer’s behavior. They divide a fiber’s multiple wavelengths and send them to multiple fibers. “Add” refers to an OADM’s ability to adding one or more new wavelength channels to an existing multiwavelength WDM signal. Although “delete” refers to dropping or removing one or more channels and routing those signals to a different network direction. OADM eliminates (drops) a wavelength from a group of wavelengths in fiber, thus from traffic on that channel. It then adds a wavelength in the same direction as the data flow but with different data materials [1].
3 Related studies
Many previous studies were conducted by many researchers in relation to OADM including Lee and Koh [8]; they discuss a proposal of the hybrid ring-mesh network in survivable network communication by specifying a location for traffic demands. The difficulty lies in assigning each traffic demand to rings and mesh such that the cost of ADM and DCS equipment’s required is minimized. Fishman et al. [9] state that this OADM has shown to have a unique asymmetric bandwidth that could be used to optimally support 50 GHz DWDM transmissions with 10 Gb/s and 40 Gb/s DWDM spacing. Numerous OADMs accept 10 Gb/s RZ-OOK and 40 Gb/s DPSK signals with a reasonable penalty. Konishi et al. [10] propose and demonstrate a wavelength- and time-selective reconfigurable optical add–drop multiplexer (ROADM) using time-frequency domain processing with equivalent 3.2 Tb/s (0.64 Tb/s five channels) and reconfigurability through the MEMS optical switch switching operation. Chung and Mo [11] consider the routing and wavelength assignment problem on synchronous optical network over WDM ring networks. To deal with the complexity of the problem, Udalcovs et al. [12] develop a combined system model that can be considered under the next-generation optical network as a model for the future design of backbone networks. Zabir et al. [13] propose a novel method for dealing with crosstalk using an optical add–drop multiplexer based on fiber Bragg gratings. The authors demonstrate through an analytical model that various parameters improve when their proposed OADM is used. Mahiuddin and Islam [14] develop an investigative model for low crosstalk in an OADM with a fiber Bragg grating and isolator. Syuhaimi Ab-Rahman [15] develop a design to combine the operational concepts of (OADM) and an optical cross-connect (OXC). It is developed by analyzing the shortcomings of existing devices and adding some superior features. Optical cross-connect add drop multiplexer is introduced to increase the ring network’s survivability. Ibrahim Essa et al. [16] demonstrate the simulation of an architecture enabled by an optical coaster wavelength division multiplexer that satisfies reconfiguration requirements and enhances network security. Their architecture is truly scalable in terms of efficiently handling additional wavelengths or nodes. Mohan and Anisha [17] demonstrate how to achieve full-duplex transmission of RoF using WDM and OADM, where WDM enables the transmission of multiple signals over a long distance via a single-mode fiber and OADM enables the transmission of both downlink and uplink data via the same SMF. El-Naser et al. [18] have numerically and parametrically modelled the high and best performance functions of optical add–drop multiplexers (OADMs) for ultrawide wavelength division multiplexing technique processed to handle bit rate either per link or per channel for multilink cables (20–120 links/core). According to Udalcovs and Bobrovs [19], energy-consuming per transmitted bit could increase more than twofold when WDM channels are added at the OADM/OXC station, compared to wavelengths transmitted over point-to-point fiber-optical links and then reduced at the receiving node. Bajaj and colleagues [20] propose a work-based OADM that consists of three parts: initially, the DWDM network is modeled in OptiSystem (an optical simulating tool), and parameters such as optical signal-to-noise ratio (OSNR), jittering, chromatic dispersion, and bit error rate are obtained. These parameters are used to train the feed-forward artificial neural network in the second phase. Bala and Dewra [21] investigate the presence of a ring-star-tree hybrid topology using OADM. They discover that at a transmission power of −17 dBm, the hybrid network supports 32 and 128 users for the star and tree topologies, respectively. Miladic et al. [22] demonstrate the optical technologies that will help smart cities use sensors and reliable optical infrastructure. Boubakri et al. [23] figure the relation between the 5 G networks based on the optical networks to applications in smart cities.
The work contributions fall into many considerations like:
Overcoming group velocity dispersion (GVD) and self-phase modulation (SPM) phenomena using solitons fiber as transmission link.
Overcoming the reuse of wavelength in the optical network by using WDM systems.
Applying this work to the metro optical network currently used by the Ministry of Communication in the Republic of Iraq by designing two experiments with two different modulation codings.
4 Proposal methodology
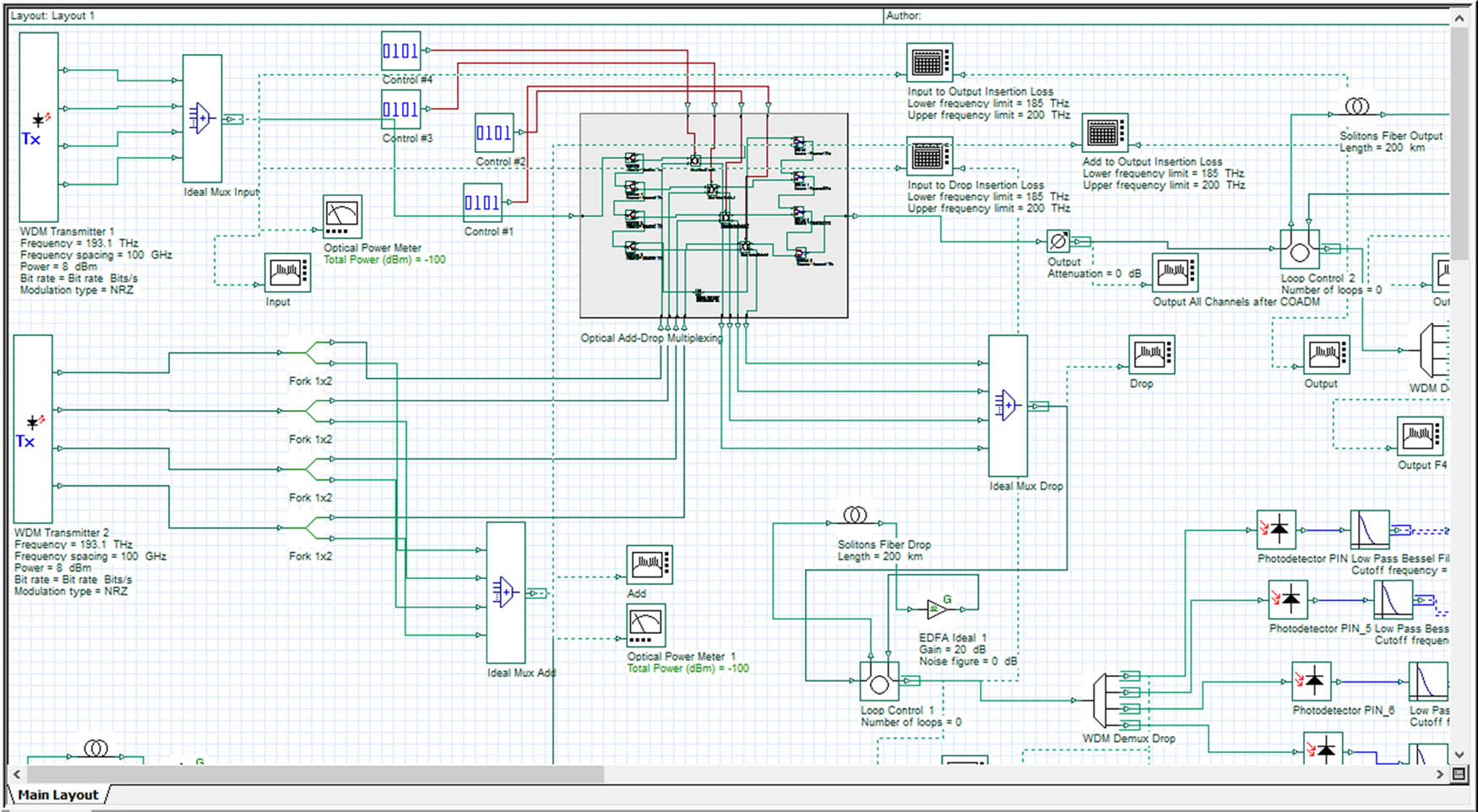
There are several possible implementations of OADMs depending on the physical concept and the deployed optical components. Besides the general use of (passive/active) optical components, this work presents an attempt to design and simulate a ring optical network based on OADM with some different fiber lengths, additional bandwidth, and advanced modulation format for overcoming some problems mentioned by the Ministry of Communication in the Republic of Iraq including the reuse wavelengths, bandwidth amount, network monitoring, and the addition of new nodes over fiber. Therefore, the current study aims at finding solutions for these problems without re-changing the current infrastructure. It also attempts to add a unique wavelength and drop it from another node. Figure 1 shows the current work’s block diagram. This project will be simulated, tested, verified, and performed with a series of loops by the Optisystem package. It presents a software simulation funded by the Optiwave Canadian company [24].

The block diagram of the OADM node.
4.1 Proposal experiment OADM @200 km solitons fiber, 40 Gbps, and NRZ modulation format
The main layout for our design consists of many properties, namely, the bitrate is 40 Gbps, the total bitrate is 1.6 Tb/s = 40 × 4, the sample rate is 64 × 1010 Hz, the sample length is 64 bit, the sample per bit is 256, and the number of pieces is 16,384. There are four frequencies (193.1, 193.2, 193.3, and 193.4 THz) for Frequency 1 through Frequency 4. The control is 0, and the project builds up from four stages (optical transmitter, optical link, ADM system, and optical receiver). The first one consists of two WDM transmitters; each produces four channels (four frequencies F1–F4). The input power is 8 dBm, the frequency is 193.1 THz, the frequency spacing is 100 GHz, and the modulation type is set to NRZ. Figure 2 shows the main four stages of proposal architecture.

Demonstrate the four main stages for proposal architecture.
The second stage is the wavelength division multiplexer WDM as three Ideal Mux (4 × 1) (one for input, second for drop, and third for add) that is, four inputs and one output multiplexers a user-defined number of input WDM signal channels. When signal added is immediately attenuated, there is no power splitting and filtering in this component because the user defines parameter, and three demultiplexers (1 × 4) with a bandwidth of 40 GHz, insertion loss of 0 dB, depth of 100 dB, filter of Bessel type, and filter order as 2. The ADM techniques are organized as reconfigurable optical add–drop multiplexer with four WDMs add, four WDMs drop, and four digital optical switches. The properties of it are as follows: F1–F4 is 193.1–193.4 THz, respectively; bandwidth is 40 GHz; insertion loss is 0 dB; depth is 40 dB; filter type is Bessel; filter order is 2; noise threshold is −100 dB; and noise dynamic is 3 dB. The bandwidth, ripple, and depth of the filter are important parameters to determine the crosstalk amount. The digital optical switch is responsible for managing the optical switch processing. It has five optical ports, that is, three as input ports and two as output ports. The optical switch directs the optical signals at input ports 1 and 2 to the two output ports, according to the control signal as in so far as when the control signal is 1, optical signals from both inputs are combined. This component operates similarly to the optical switch component; when the control signal is 0, the phase shift is set to π; and when the control signal is 1, the phase shift is set to 0, as shown in Figure 3.

The subsystem of optical add–drop multiplexing components.
The third part is the transmission link. Here, the three spans are used with a length of 200 km for each, the total is 600 km of Solitons fiber of certain balance of nonlinear and dispersive effects with properties of reference wavelength of 1,300 nm, attenuation of 0.4 dB/km, dispersion of 1.67 ps/nm/km, dispersion slope of 0.08 ps/nm2/km, Beta 2 of 20 ps2/km, Beta 3 of 0 ps2/km, effective area of 62.8 µm2, n 2 of 2.6−20 m2/W, and the fraction Raman contribution is 0.8. The optical amplification was processed by the erbium-doped fiber amplifier (EDFA) with the following properties: gain = 20 dB, power = 10 dB, saturation power = 10 dB, noise figure = 0 dB, noise center frequency = 193.4 THz, noise bandwidth = 13 THz, and noise bins spacing = 125 GHz.
Finally, part four consists of 12 photodiodes of positive intensive negative (PIN) type with properties of responsivity of 1 A/W, the dark current of 10 mA, the sample rate of 3.2 × 1012, and the thermal noise of 1 × 10−22 W/Hz, and 12 low-pass Bessel filters with properties of cutoff frequency of 7.5 × 109 Hz, insertion loss of 0 dB, depth of 100 dB, and order as (4). The mathematical model for the low-pass Bessel filter is shown in equations (1)–(6). The system behaviors are monitored by oscilloscopes, optical spectrum analyzer, optical power meters, dual-port analyzer, and radio frequency spectrum analyzer.
where insertion loss is α, the nth-order Bessel polynomial is the BN, it is the frequency that is set by the filter cutoff parameter, and w b is the 3 dB bandwidth, which can be estimated by using equation (6). For values of N less than 10, a separate table is used to calculate the actual bandwidth.
4.2 Proposal experiment OADM @200 km solitons fiber, 40 Gbps, and return-to-zero (RZ) modulation format
In this experiment, the same components that were used in previous experiment, except the modulation type in the WDM transmitter is set to RZ modulation format as a coding technique.
5 Output results and discussion
After simulating our designed proposal and performing a series of tests, the following results are obtained and summarized in the following subsections.
5.1 Results of proposal experiment OADM @200 km solitons fiber, 40 Gbps, and NRZ modulation format
Figure 4 illustrates the power vs frequency for the drop signals for all four channels, that is, after multiplexer directly. It is clear that the signals do not have any degradation because the span link = 0 km.
In Figure 5, from the oscilloscope visualizer, the comparison of amplitude vs time is shown as add channel_1 (193.1 THz) to channel_4 (193.4 THz) after 200 km of fiber optic transmission link directly of Solitons type after photodiode and filter at the receiver side, which are good in the figure.
In Figure 6, from the oscilloscope visualizer, the comparison of amplitude vs time is shown as drop channel_1 (193.1 THz) to channel_4 (193.4 THz) after 200 km of fiber optic transmission link of Solitons type directly after photodiode and filter at the receiver side, which have a good quality in the figure.
In Figure 7, from the oscilloscope visualizer, the comparison of amplitude vs time is shown as output channel_1 (193.1 THz) to channel_4 (193.4 THz) after 200 km of fiber optic transmission link of Solitons type directly after photodiode and filter at the receiver side, which have a good quality in the figure.

The power vs frequency of the drop signals for all channels directly after the ideal multiplexer before the transmission link.

Amplitude vs time directly after photodetector (PIN) at the side receiver for add: (a) signal_1 = 193.1 THz and (b) signal_4 = 193.4 THz @span = 200 km, and bitrate = 40 Gbps.

Amplitude vs time directly after Photodetector (PIN) at the side receiver for drop: (a) signal_1 = 193.1 THz and (b) signal_4 = 193.4 THz @span = 200 km, and bitrate = 40 Gbps.

Amplitude vs time directly after Photodetector (PIN) at the side receiver for output: (a) signal_1 = 193.1 THz and (b) signal_4 = 193.4 THz @span = 200 km, and bitrate = 40 Gbps.
From the optical power meter at the wide receiver, in Table 1, the total output power (dBm) is summarized for three nodes for four channels as the output, drop, and input.
Output, drop, and add power obtained from the electrical power meter visualizer at the receiver side
| Channel frequency (THz) | Output power (dBm) | Drop power (dBm) | Add power (dBm) |
|---|---|---|---|
| 193.1 | −18.352 | −18.005 | −18.005 |
| 193.2 | −18.31 | −18.0033 | −18.0033 |
| 193.3 | −18.285 | −17.9707 | −17.9707 |
| 193.4 | −18.4048 | −18.0063 | −18.0063 |
| Average | −17.997 | −17.997 | −18.338 |
From the dual-port WDM analyzer between multiplexer and demultiplexer, the signals are monitored from end to end; Table 2 summarizes these values.
The ratio of the total parameter related to the input, output, add, and drop calculated by dual-port WDM analyzer
| Parameters | Total input–output | Total add–output | Total input–drop | Average |
|---|---|---|---|---|
| Gain (dB) | −0.0595 | −0.0643 | 0.00492 | −0.0429 |
| Noise figure (dB) | 0 | 0 | 0 | 0 |
| Power input signal (dBm) | 10.6777 | 10.682 | 10.6777 | 10.679 |
| Power output signal (dBm) | 10.618 | 10.618 | 10.682 | 10.633 |
| Output OSNR (dB) | 0 | 0 | 0 | 0 |
5.2 Results of proposal experiment OADM @200 km solitons fiber, 40 Gbps, and RZ modulation format
Many series of the software simulations are performed to test this experiment as OADM at 600 km of Solitons fiber, 1.6 Tbps, four channels WDM based on RZ modulation format to the coded input data. The following results are obtained:
Figure 8 shows the power vs frequency as output add channel_1 (193.1 THz) and channel_4 (193.4 THz) after 200 km of fiber optic transmission link directly after demultiplexer at the receiver side. They have a good shape.
In Figure 9, from the oscilloscope visualizer, the comparison of amplitude vs time shows the output drop channel_1 (193.1 THz) to channel_4 (193.4 THz) after 200 km of fiber optic transmission link Solitons type directly after photodiode and filter at the receiver side. They have a good shape.
In Figure 10, from the oscilloscope visualizer, the comparison of amplitude vs time shows the output channel_1 (193.1 THz) to channel_4 (193.4 THz) after 200 km of fiber optic transmission link Solitons type directly after photodiode and filter at the receiver side. They have a good quality in shape, but there are some noise and inter-symbol interference (ISI) caused by the unwanted contributions from other symbols.

Amplitude vs time directly after Photodetector (PIN) at the side receiver for output add: (a) signal_1 = 193.1 THz and (b) signal_4 = 193.4 THz @span = 200 km, and bitrate = 40 Gbps.

Amplitude vs time directly after Photodetector (PIN) at the side receiver for output drop: (a) signal_1 = 193.1 THz and (b) signal_4 = 193.4 THz @span = 200 km, and bitrate = 40 Gbps.

Amplitude vs time directly after Photodetector (PIN) at the side receiver for output: (a) signal_1 = 193.1 THz and (b) signal_4 = 193.4 THz @span = 200 km, and bitrate = 40 Gbps.
From the dual-port WDM analyzer between multiplexer and demultiplexer, the signals are monitored from end to end. Tables 3 and 4 summarize these values.
The output power for add, drop, and output calculated by the electrical power meter analyzer
| Channel frequency (THz) | Output power (dBm) | Drop power (dBm) | Add power (dBm) |
|---|---|---|---|
| 193.1 | −24.7997 | −24.4556 | −24.2556 |
| 193.2 | −24.6989 | −24.146 | −24.146 |
| 193.3 | −24.6996 | −24.2539 | −24.2539 |
| 193.4 | −24.8116 | −24.2944 | −24.2944 |
| Average | −24.238 | −24.288 | −24.753 |
The total ratio for the input, output, and drop signals calculated by dual port WDM analyzer
| Parameter | Total input–output | Total add–output | Total input–drop | Average |
|---|---|---|---|---|
| Gain (dB) | −0.0359 | −0.0625 | −0.0266 | −0.0417 |
| Noise figure (dB) | 0 | 0 | 0 | 0 |
| Power input signal (dBm) | 7.683 | 7.7098 | 7.683 | 7.691 |
| Power output signal (dBm) | 7.647 | 7.647 | 7.709 | 7.677 |
| Output OSNR (dB) | 0 | 0 | 0 | 0 |
Table 5 summarizes the average parameters concluded from the two proposals with different modulation formats.
The average parameters obtained from two proposals
| Parameter | NRZ | RZ |
|---|---|---|
| Output power (dBm) | −17.997 | −24.238 |
| Drop power (dBm) | −17.997 | −24.288 |
| Add power (dBm) | −18.338 | −24.753 |
| Gain (dB) | −0.0429 | −0.0417 |
| Noise figure (dB) | 0 | 0 |
| Power input signal (dBm) | 10.679 | 7.691 |
| Power output signal (dBm) | 10.633 | 7.677 |
| Output OSNR (dB) | 0 | 0 |
As shown in Table 5, the average values for the evaluation parameters for the two types of modulation format are acceptable for this software simulation due to choosing suitable elements with their properties.
The applicability of these new results is tested for the current infrastructure used by the Ministry of Communications in the Republic of Iraq. In spite of being widely accepted, it suffers from some limitations due to polarization mode dispersion management. This is particularly important when investigating the third-order dispersion. In contrast, this makes it possible to implement this work in smart cities. There are reasons to doubt these networks to overcome the nonlinearities problem and high bandwidth. As discussed, this is because the Solitons fiber is an attractive selection in the OADM networks.
6 Conclusion
The findings of this article can have the way for adopting the upgrading current optical infrastructure with low cost of the overall system by eliminating the conversions of optical-to-electrical-to-optical and perform these conversions as optical–optical–optical. This is an important finding in the understanding of the switching processes. The bandwidth, distance, and monitoring are important issues in the optical infrastructure. In this article, the evaluation of OADM-based metro network is evaluated. The presentation of OADM is analyzed with four input channels (193.1, 193.2, 193.3, and 193.4 THz) at a total bandwidth of 1.6 Tb/s of NRZ and RZ coding types. Experiment reveals the values of the average output power (−17.997 dBm), the average drop power (−17.997 dBm), and the average add power (−18.338 dBm), the average gain (−0.0429 dB), the average noise figure (0 dB), the average power input signal (10.679 dBm), the average of power output signal (10.633 dBm), the average output OSNR (0 dB). While the second experiment shows the average output power (−24.238 dBm), the average drop power (−24.288 dBm), the average add power (−24.753 dBm), the average gain (−0.0417 dB), the average noise figure (0 dB), the average power input signal (7.691 dBm), the average of power output signal (7.677 dBm), the average output OSNR (0 dB). As the bandwidth and the transmission link increase, the monitoring nodes are used to monitor the network using add–drop. So far, to overcome the GVD and SPM phenomena, we use EDFA is used with Solitons fiber. The system supports four add channels, four output channels, and four drop channels. The results are acceptable and significant after three spans of Solitons fiber with 600 km length, 200 km for each span.
-
Conflict of interest: Authors state no conflict of interest.
References
[1] Ramaswami R, Sivarajan KN. Optical networks: a practical perspective. 2nd ed. India: Elsevier; 2009.Search in Google Scholar
[2] Rani A, Singh Bhamrah M, Dewra S. Performance evaluation of the dense wavelength division multiplexing system using reconfigurable optical add/drop multiplexer based on digital switches. Optical Quantum Electron. 2020;52(11):1–3. 10.1007/s11082-020-02608-x.Search in Google Scholar
[3] Ip J. Demultiplexer for next generation DWDM network. In: Nolan DA, ed. OSA Trends in Optics and Photonics, WDM Components. Vol. 29. USA: Optical Society of America, DC; 1999. p. 34–41.10.1364/WDM.1999.34Search in Google Scholar
[4] Simmons JM. Optical Network design and planning. New York: Springer; 2014. ISBN 978-3-319-05227-4.10.1007/978-3-319-05227-4Search in Google Scholar
[5] Maier M. Metropolitan area WDM networks an AWG based approach. USA: Springer Science; 2004. ISBN 978-1-4615-0511-2.10.1007/978-1-4615-0511-2Search in Google Scholar
[6] Kr. Tripathi D, Singh P, Shukla NK, Dixit HK. Reconfigurable optical add and drop multiplexers a review. Electr Computer Engineering: An Int J (ECIJ). March 2014;3(1):1–13. 10.14810/Ecij.2014.31011.Search in Google Scholar
[7] Jiang Y, Zhang Z, Yang J, Han X, Xiao H, Ma W, et al. A flexible and reconfigurable optical add-drop multiplexer for mode division multiplexing systems. IEEE Photonics Technol Lett. Dec. 15, 2020;32(24):1515–8. 10.1109/LPT.2020.3033714.Search in Google Scholar
[8] Lee CY, Koh SJ. Assignment of ADM rings and DCS mesh in telecommunication network. Project report, Protocol Engineering Center, ETRI, 161 Kajung Dong, Taejon, Korea; 2001. p. 305–350.Search in Google Scholar
[9] Fishman DA, Ying J, Liu X, Chandrasekhar S, Gnauck AH. Optical add/drop multiplexer with asymmetric bandwidth allocation and dispersion compensation for hybrid 10-Gb/s and 40-Gb/s DWDM transmission. Conference Paper Optical Fiber Communication Conference Anaheim. California: Optical Society of America; March 5, 2006. OFC Poster Session (OWI) © 2006.10.1109/OFC.2006.215548Search in Google Scholar
[10] Konishi T, Itoh R, Itoh K. Wavelength- and time-selective reconfigurable optical add/drop multiplexer using time-frequency domain processing. EURASIP J Adv Signal Process. 2010;2010:807521. 10.1155/2010/807521.Search in Google Scholar
[11] Chung J, Mo J. Optimal routing and wavelength assignment to minimize the number of SONET ADMs in WDM rings. Photonic Netw Commun. February 2011;21(1):13–20.10.1007/s11107-010-0274-ySearch in Google Scholar
[12] Udalcovs A, Bobrovs V, Ivanovs G. Investigation of differently modulated optical signals transmission in HDWDM systems. Comput Technol Appl Academic J. 2011;2(9):801.Search in Google Scholar
[13] Zabir S, Abawajy JH, Ahmed F, Kamruzaman J, Karim MA, Sarkar NI. Analysis of performance limitations in fiber bragg grating based optical add-drop multiplexer due to crosstalk. J Netw. Mar 2012;7(3):409–11. 10.4304/jnw.7.3.409-411.Search in Google Scholar
[14] Mahiuddin M, Islam MS. Analysis of performance limitations in fiber bragg grating based optical add-drop multiplexer due to crosstalk. J Netw. March 2012;7(3):450–5.10.4304/jnw.7.3.450-455Search in Google Scholar
[15] Syuhaimi Ab-Rahman M. Flexible topology migration in optical cross add and drop multiplexer in metropolitan ring network. J Computer Sci. 2012;8(4):474–81. ISSN-1549-3636.10.3844/jcssp.2012.474.481Search in Google Scholar
[16] Ibrahim Essa E, Ayied Ahmad A, Asker MA, Sedeeq FT. Transmission power optimization of high speed 32 channels × 12.8 Tbps CWDM based on multi-span SSMF using RZ modulation format. Periodical Eng Nat Sci. 2019;7(3):1546–54. 10.21533/pen.v7i3.Search in Google Scholar
[17] Mohan A, Anisha AP. Full duplex transmission in RoF system using WDM and OADM technology. Int J Eng Res Technol (IJERT). January-2015;4(1):513–6. ISSN: 2278-0181.Search in Google Scholar
[18] El-Naser A, Mohammed A, Nabih Zaki Rashed A, Eid MMA. Important role of optical add drop multiplexers (OADMs) with different multiplexing techniques in optical communication networks; 2015. https://www.researchgate.net/publication/266862906.Search in Google Scholar
[19] Udalcovs A, Bobrovs V. Energy efficiency in WDM fiber-optical links considering OADM/OXC nodes. Opt Commun. 2016;359:102–8. 10.1016/j.optcom.2015.09.061.Search in Google Scholar
[20] Bajaj P, Goel AK, Singh H. Application of soft computing technique for optical add/drop multiplexer in terms of OSNR and optical noise power. In 2016 3rd International Conference on Computing for Sustainable Global Development (INDIACom). India: IEEE; 31, October 2016. p. 1793–8.Search in Google Scholar
[21] Bala A, Dewra S. Hybrid ring-star-tree topology with optical add drop multiplexer: cost effective and capacity enhancement. J Eng Sci Technol Rev. 2017;10(3):195–9.10.25103/jestr.103.25Search in Google Scholar
[22] Miladic SD, Markovic GZ, Nonkovic NP. Optical technologies in support of the smart city concept. TEHNIKA-SAOBRACAJ. 2020;67(2):209–15.10.5937/tehnika2002209MSearch in Google Scholar
[23] Boubakri W, Abdallah W, Boudriga N. An optical wireless communication based 5G architecture to enable smart city applications. In 2018 20th, IEEE International Conference On Transparent Optical Networks (ICTON). Romania: IEEE; 2018. p. 1–6. 10.1109/ICTON.2018.8473657.Search in Google Scholar
[24] http://www.optiwave.com/.Search in Google Scholar
© 2022 Essa Ibrahim Essa et al., published by De Gruyter
This work is licensed under the Creative Commons Attribution 4.0 International License.
Articles in the same Issue
- Research Articles
- Construction of 3D model of knee joint motion based on MRI image registration
- Evaluation of several initialization methods on arithmetic optimization algorithm performance
- Application of visual elements in product paper packaging design: An example of the “squirrel” pattern
- Deep learning approach to text analysis for human emotion detection from big data
- Cognitive prediction of obstacle's movement for reinforcement learning pedestrian interacting model
- The application of neural network algorithm and embedded system in computer distance teach system
- Machine translation of English speech: Comparison of multiple algorithms
- Automatic control of computer application data processing system based on artificial intelligence
- A secure framework for IoT-based smart climate agriculture system: Toward blockchain and edge computing
- Application of mining algorithm in personalized Internet marketing strategy in massive data environment
- On the correction of errors in English grammar by deep learning
- Research on intelligent interactive music information based on visualization technology
- Extractive summarization of Malayalam documents using latent Dirichlet allocation: An experience
- Conception and realization of an IoT-enabled deep CNN decision support system for automated arrhythmia classification
- Masking and noise reduction processing of music signals in reverberant music
- Cat swarm optimization algorithm based on the information interaction of subgroup and the top-N learning strategy
- State feedback based on grey wolf optimizer controller for two-wheeled self-balancing robot
- Research on an English translation method based on an improved transformer model
- Short-term prediction of parking availability in an open parking lot
- PUC: parallel mining of high-utility itemsets with load balancing on spark
- Image retrieval based on weighted nearest neighbor tag prediction
- A comparative study of different neural networks in predicting gross domestic product
- A study of an intelligent algorithm combining semantic environments for the translation of complex English sentences
- IoT-enabled edge computing model for smart irrigation system
- A study on automatic correction of English grammar errors based on deep learning
- A novel fingerprint recognition method based on a Siamese neural network
- A hidden Markov optimization model for processing and recognition of English speech feature signals
- Crime reporting and police controlling: Mobile and web-based approach for information-sharing in Iraq
- Convex optimization for additive noise reduction in quantitative complex object wave retrieval using compressive off-axis digital holographic imaging
- CRNet: Context feature and refined network for multi-person pose estimation
- Improving the efficiency of intrusion detection in information systems
- Research on reform and breakthrough of news, film, and television media based on artificial intelligence
- An optimized solution to the course scheduling problem in universities under an improved genetic algorithm
- An adaptive RNN algorithm to detect shilling attacks for online products in hybrid recommender system
- Computing the inverse of cardinal direction relations between regions
- Human-centered artificial intelligence-based ice hockey sports classification system with web 4.0
- Construction of an IoT customer operation analysis system based on big data analysis and human-centered artificial intelligence for web 4.0
- An improved Jaya optimization algorithm with ring topology and population size reduction
- Review Articles
- A review on voice pathology: Taxonomy, diagnosis, medical procedures and detection techniques, open challenges, limitations, and recommendations for future directions
- An extensive review of state-of-the-art transfer learning techniques used in medical imaging: Open issues and challenges
- Special Issue: Explainable Artificial Intelligence and Intelligent Systems in Analysis For Complex Problems and Systems
- Tree-based machine learning algorithms in the Internet of Things environment for multivariate flood status prediction
- Evaluating OADM network simulation and an overview based metropolitan application
- Radiography image analysis using cat swarm optimized deep belief networks
- Comparative analysis of blockchain technology to support digital transformation in ports and shipping
- IoT network security using autoencoder deep neural network and channel access algorithm
- Large-scale timetabling problems with adaptive tabu search
- Eurasian oystercatcher optimiser: New meta-heuristic algorithm
- Trip generation modeling for a selected sector in Baghdad city using the artificial neural network
- Trainable watershed-based model for cornea endothelial cell segmentation
- Hessenberg factorization and firework algorithms for optimized data hiding in digital images
- The application of an artificial neural network for 2D coordinate transformation
- A novel method to find the best path in SDN using firefly algorithm
- Systematic review for lung cancer detection and lung nodule classification: Taxonomy, challenges, and recommendation future works
- Special Issue on International Conference on Computing Communication & Informatics
- Edge detail enhancement algorithm for high-dynamic range images
- Suitability evaluation method of urban and rural spatial planning based on artificial intelligence
- Writing assistant scoring system for English second language learners based on machine learning
- Dynamic evaluation of college English writing ability based on AI technology
- Image denoising algorithm of social network based on multifeature fusion
- Automatic recognition method of installation errors of metallurgical machinery parts based on neural network
- An FCM clustering algorithm based on the identification of accounting statement whitewashing behavior in universities
- Emotional information transmission of color in image oil painting
- College music teaching and ideological and political education integration mode based on deep learning
- Behavior feature extraction method of college students’ social network in sports field based on clustering algorithm
- Evaluation model of multimedia-aided teaching effect of physical education course based on random forest algorithm
- Venture financing risk assessment and risk control algorithm for small and medium-sized enterprises in the era of big data
- Interactive 3D reconstruction method of fuzzy static images in social media
- The impact of public health emergency governance based on artificial intelligence
- Optimal loading method of multi type railway flatcars based on improved genetic algorithm
- Special Issue: Evolution of Smart Cities and Societies using Emerging Technologies
- Data mining applications in university information management system development
- Implementation of network information security monitoring system based on adaptive deep detection
- Face recognition algorithm based on stack denoising and self-encoding LBP
- Research on data mining method of network security situation awareness based on cloud computing
- Topology optimization of computer communication network based on improved genetic algorithm
- Implementation of the Spark technique in a matrix distributed computing algorithm
- Construction of a financial default risk prediction model based on the LightGBM algorithm
- Application of embedded Linux in the design of Internet of Things gateway
- Research on computer static software defect detection system based on big data technology
- Study on data mining method of network security situation perception based on cloud computing
- Modeling and PID control of quadrotor UAV based on machine learning
- Simulation design of automobile automatic clutch based on mechatronics
- Research on the application of search algorithm in computer communication network
- Special Issue: Artificial Intelligence based Techniques and Applications for Intelligent IoT Systems
- Personalized recommendation system based on social tags in the era of Internet of Things
- Supervision method of indoor construction engineering quality acceptance based on cloud computing
- Intelligent terminal security technology of power grid sensing layer based upon information entropy data mining
- Deep learning technology of Internet of Things Blockchain in distribution network faults
- Optimization of shared bike paths considering faulty vehicle recovery during dispatch
- The application of graphic language in animation visual guidance system under intelligent environment
- Iot-based power detection equipment management and control system
- Estimation and application of matrix eigenvalues based on deep neural network
- Brand image innovation design based on the era of 5G internet of things
- Special Issue: Cognitive Cyber-Physical System with Artificial Intelligence for Healthcare 4.0.
- Auxiliary diagnosis study of integrated electronic medical record text and CT images
- A hybrid particle swarm optimization with multi-objective clustering for dermatologic diseases diagnosis
- An efficient recurrent neural network with ensemble classifier-based weighted model for disease prediction
- Design of metaheuristic rough set-based feature selection and rule-based medical data classification model on MapReduce framework
Articles in the same Issue
- Research Articles
- Construction of 3D model of knee joint motion based on MRI image registration
- Evaluation of several initialization methods on arithmetic optimization algorithm performance
- Application of visual elements in product paper packaging design: An example of the “squirrel” pattern
- Deep learning approach to text analysis for human emotion detection from big data
- Cognitive prediction of obstacle's movement for reinforcement learning pedestrian interacting model
- The application of neural network algorithm and embedded system in computer distance teach system
- Machine translation of English speech: Comparison of multiple algorithms
- Automatic control of computer application data processing system based on artificial intelligence
- A secure framework for IoT-based smart climate agriculture system: Toward blockchain and edge computing
- Application of mining algorithm in personalized Internet marketing strategy in massive data environment
- On the correction of errors in English grammar by deep learning
- Research on intelligent interactive music information based on visualization technology
- Extractive summarization of Malayalam documents using latent Dirichlet allocation: An experience
- Conception and realization of an IoT-enabled deep CNN decision support system for automated arrhythmia classification
- Masking and noise reduction processing of music signals in reverberant music
- Cat swarm optimization algorithm based on the information interaction of subgroup and the top-N learning strategy
- State feedback based on grey wolf optimizer controller for two-wheeled self-balancing robot
- Research on an English translation method based on an improved transformer model
- Short-term prediction of parking availability in an open parking lot
- PUC: parallel mining of high-utility itemsets with load balancing on spark
- Image retrieval based on weighted nearest neighbor tag prediction
- A comparative study of different neural networks in predicting gross domestic product
- A study of an intelligent algorithm combining semantic environments for the translation of complex English sentences
- IoT-enabled edge computing model for smart irrigation system
- A study on automatic correction of English grammar errors based on deep learning
- A novel fingerprint recognition method based on a Siamese neural network
- A hidden Markov optimization model for processing and recognition of English speech feature signals
- Crime reporting and police controlling: Mobile and web-based approach for information-sharing in Iraq
- Convex optimization for additive noise reduction in quantitative complex object wave retrieval using compressive off-axis digital holographic imaging
- CRNet: Context feature and refined network for multi-person pose estimation
- Improving the efficiency of intrusion detection in information systems
- Research on reform and breakthrough of news, film, and television media based on artificial intelligence
- An optimized solution to the course scheduling problem in universities under an improved genetic algorithm
- An adaptive RNN algorithm to detect shilling attacks for online products in hybrid recommender system
- Computing the inverse of cardinal direction relations between regions
- Human-centered artificial intelligence-based ice hockey sports classification system with web 4.0
- Construction of an IoT customer operation analysis system based on big data analysis and human-centered artificial intelligence for web 4.0
- An improved Jaya optimization algorithm with ring topology and population size reduction
- Review Articles
- A review on voice pathology: Taxonomy, diagnosis, medical procedures and detection techniques, open challenges, limitations, and recommendations for future directions
- An extensive review of state-of-the-art transfer learning techniques used in medical imaging: Open issues and challenges
- Special Issue: Explainable Artificial Intelligence and Intelligent Systems in Analysis For Complex Problems and Systems
- Tree-based machine learning algorithms in the Internet of Things environment for multivariate flood status prediction
- Evaluating OADM network simulation and an overview based metropolitan application
- Radiography image analysis using cat swarm optimized deep belief networks
- Comparative analysis of blockchain technology to support digital transformation in ports and shipping
- IoT network security using autoencoder deep neural network and channel access algorithm
- Large-scale timetabling problems with adaptive tabu search
- Eurasian oystercatcher optimiser: New meta-heuristic algorithm
- Trip generation modeling for a selected sector in Baghdad city using the artificial neural network
- Trainable watershed-based model for cornea endothelial cell segmentation
- Hessenberg factorization and firework algorithms for optimized data hiding in digital images
- The application of an artificial neural network for 2D coordinate transformation
- A novel method to find the best path in SDN using firefly algorithm
- Systematic review for lung cancer detection and lung nodule classification: Taxonomy, challenges, and recommendation future works
- Special Issue on International Conference on Computing Communication & Informatics
- Edge detail enhancement algorithm for high-dynamic range images
- Suitability evaluation method of urban and rural spatial planning based on artificial intelligence
- Writing assistant scoring system for English second language learners based on machine learning
- Dynamic evaluation of college English writing ability based on AI technology
- Image denoising algorithm of social network based on multifeature fusion
- Automatic recognition method of installation errors of metallurgical machinery parts based on neural network
- An FCM clustering algorithm based on the identification of accounting statement whitewashing behavior in universities
- Emotional information transmission of color in image oil painting
- College music teaching and ideological and political education integration mode based on deep learning
- Behavior feature extraction method of college students’ social network in sports field based on clustering algorithm
- Evaluation model of multimedia-aided teaching effect of physical education course based on random forest algorithm
- Venture financing risk assessment and risk control algorithm for small and medium-sized enterprises in the era of big data
- Interactive 3D reconstruction method of fuzzy static images in social media
- The impact of public health emergency governance based on artificial intelligence
- Optimal loading method of multi type railway flatcars based on improved genetic algorithm
- Special Issue: Evolution of Smart Cities and Societies using Emerging Technologies
- Data mining applications in university information management system development
- Implementation of network information security monitoring system based on adaptive deep detection
- Face recognition algorithm based on stack denoising and self-encoding LBP
- Research on data mining method of network security situation awareness based on cloud computing
- Topology optimization of computer communication network based on improved genetic algorithm
- Implementation of the Spark technique in a matrix distributed computing algorithm
- Construction of a financial default risk prediction model based on the LightGBM algorithm
- Application of embedded Linux in the design of Internet of Things gateway
- Research on computer static software defect detection system based on big data technology
- Study on data mining method of network security situation perception based on cloud computing
- Modeling and PID control of quadrotor UAV based on machine learning
- Simulation design of automobile automatic clutch based on mechatronics
- Research on the application of search algorithm in computer communication network
- Special Issue: Artificial Intelligence based Techniques and Applications for Intelligent IoT Systems
- Personalized recommendation system based on social tags in the era of Internet of Things
- Supervision method of indoor construction engineering quality acceptance based on cloud computing
- Intelligent terminal security technology of power grid sensing layer based upon information entropy data mining
- Deep learning technology of Internet of Things Blockchain in distribution network faults
- Optimization of shared bike paths considering faulty vehicle recovery during dispatch
- The application of graphic language in animation visual guidance system under intelligent environment
- Iot-based power detection equipment management and control system
- Estimation and application of matrix eigenvalues based on deep neural network
- Brand image innovation design based on the era of 5G internet of things
- Special Issue: Cognitive Cyber-Physical System with Artificial Intelligence for Healthcare 4.0.
- Auxiliary diagnosis study of integrated electronic medical record text and CT images
- A hybrid particle swarm optimization with multi-objective clustering for dermatologic diseases diagnosis
- An efficient recurrent neural network with ensemble classifier-based weighted model for disease prediction
- Design of metaheuristic rough set-based feature selection and rule-based medical data classification model on MapReduce framework