Abstract
In the new competitive electric world, it is compulsory for the electrical industry to make effective utilization of the available resources. Optimal tuning of generators and implementation of FACTS devices has been found to be very effective in this regard. In this paper, a combination strategy of optimal tuning of generators using Krill herd (KH) algorithm in the presence of Static VAR Compensator (SVC) has been proposed. A combinatory index (CI), which is a combination of Vi/Vo index and L-index, has been formulated and verified for obtaining the optimal location of SVC. A multi objective function has been formulated for tuning the generators. The results obtained after performing Optimal Power Flow on an IEEE 30 bus system for normal loading and for severe system conditions due to line outage in the presence of SVC using KH has been verified with that of GA, to prove the effectiveness of the chosen methodology.
1 Introduction
There is a high increase in the complexity of power systems of today’s times due to deregulation of the electric power market. Due to the pronounced increase in the competition, optimal utilization of the existing power supplies has become mandatory. On the other hand, due to increase in power flow the transmission lines are constantly facing a problem of congestion because of carrying power at their maximum transmission limits and sometimes higher. Continued congestion in the lines can pose a great risk to power system security, reliability and stability. FACTS devices have been suggested by researchers for various power system related issues [1]. Proper placement and tuning of the devices are necessary for utilizing the benefits of the devices to the utmost level. Various metaheuristic methods [2] have been used of late for placement and tuning of the FACTS devices for various purposes.
Several authors have used Genetic algorithm and its variants for obtaining the optimal location of FACTS devices and have applied OPF technique for various objective functions [3-5]. Ya-Chin et al. [6] implemented Particle Swarm optimization method for a multi-objective function using SVC to improve transmission system loading margin (LM) to a certain degree and reduce network expansion cost. Rao et al. [8] have used OPF technique in the presence of SVC for the improvement of network security under contingency condition. The performance of BAT and Firefly algorithm have been compared to find the optimal location and size of Static VAR Compensator (SVC) in a power system for a multi objective function to improve voltage stability. Khandani et al. [10] improved the voltage profile by optimal placement of Static VAR Compensator (SVC) using a novel hybrid Genetic Algorithm and Sequential Quadratic Programming (GA-SQP) method. Phadke et al. [10] have used a fuzzy based index for the effective location of SVC for a multi-objective function. Jirapong et al. [11] determined the optimal placement of multi-type FACTS devices with new hybrid evolutionary algorithm (HEA) for simultaneously maximizing the total transfer capability (TTC) and minimizing system real power losses of power transfers between different control areas. Roselyn et al. [12] has used multi-objective GA to solve the OPF problem to improve voltage stability of the system.
Mishra et al. [13] proposed the placement of IPFC based on Composite Severity Index (CSI). CSI is a combination of line stability index and real power performance index for management of contingency. The IPFC was then tuned using Differential Evolution (DE). CSI is found to be a more accurate measure of severity in comparison to the individual indices. Voltage instability has been quoted as the major indication of power system instability and insecurity. Parallel FACTS devices are apt at resolving the voltage related issues in the power systems. SVC is a parallel FACTS device; hence it is a suitable choice to overcome the voltage instability problem. Optimal placement and tuning of SVC is important for proper use of the device. Index-based method of placement of the FACTS device has been found to be a simple and effective method. L-index and Vi/Vo index can be a very effective combination to rank the vulnerable buses. Optimal tuning of the generators and FACTS devices is very well achieved with metaheuristic algorithm. Krill Herd algorithm [14] was introduced in the year 2012 and has been found to be very successful.
In this paper, a metaheuristic method, namely, Krill herd algorithm has been used for the optimal power flow in the presence of SVC. A Combinatory Index (CI), composing of L-index and Vi/Vo has been formulated to obtain the optimal location of the SVC device. The optimal tuning of generators has been done for a multi-objective function. The multiple objectives are reduction in voltage deviation, reduction of fuel cost and reduction in transmission line loss. The constraints taken are real and reactive power generation values and voltage limits for buses during the optimization. The results obtained by OPF in the presence of Krill-herd algorithm has been compared with Genetic algorithm. The results of optimal tuning without and with SVC have been compared to prove the effectiveness of the proposed method.
2 Proposed Combinatory Index
A combinatory index is formulated using L-index and Vi/Vo index given in equation (1).
Where, Z1 and Z2 are the weighting factors. The values of Z1 and Z2 are 0.5 respectively.
I1 is the L-Index given by equation (2)
L-index I1 has value between 0 to 1. Lower is the value of the index enhanced is the stability of the system.
Fji which is one of elements in F-matrix is Load participation factor. F-matrix is the sub-array of partial inverse for node admittance matrix. Fji represents complex elements. Vi represents voltage magnitude at bus I and Vj represents voltage magnitude at bus j.
Index I2 is the Vi/Vo index given by equation (3) in which Vi is the reference voltageand Vo is the output voltage.
3 Problem Formulation
A multi-objective function comprising of fuel cost, real power loss and voltage deviation is used for the optimal tuning of generators.
Where, F1 is the Fuel cost given by
Ng is the number of generators in the power system and a, b, c are the fuel cost coefficients. The value for the coefficients for various generators has been mentioned in Table 1.
Values of a, b, c for fuel cost
| Generator bus No. | a (p.u.) | b (p.u.) | C (p.u.) |
|---|---|---|---|
| 1 | 0.005 | 2.45 | 105 |
| 2 | 0.005 | 3.51 | 44.1 |
| 5 | 0.005 | 3.89 | 40.6 |
| 8 | 0.005 | 3.25 | 0 |
| 11 | 0.005 | 3 | 0 |
| 13 | 0.005 | 2.45 | 105 |
F2 is the Real power loss
Where number of transmission lines is ntl and the total complex power flows from bus j to bus k in line I is Sjk.
F3 is the Voltage deviation
Vk is the actual value of voltage magnitude at bus k and Vkref is the reference value of voltage magnitude at the bus.
Power Balance Constraint
Where i=1, 2, 3, …N and N = no. of. Bus, PL is the active power loss of the system.
Voltage balance constraint
Where, Gi=1, 2, 3, …ng and ng = number of Generator buses.
Generation limit real power
Where, Gi=1, 2, 3, …ng
PGi is the active power generated at bus i, PDi is the power demand at bus i. The voltage limits of the generator buses are taken between 0.9 p.u and 1.1 pu.
4 Proposed Methodology
The steps involved for minimization of objective function using SVC are listed below in Fig. 1.

Proposed methodology for multi-objective optimization using KH
5 Results and Discussion
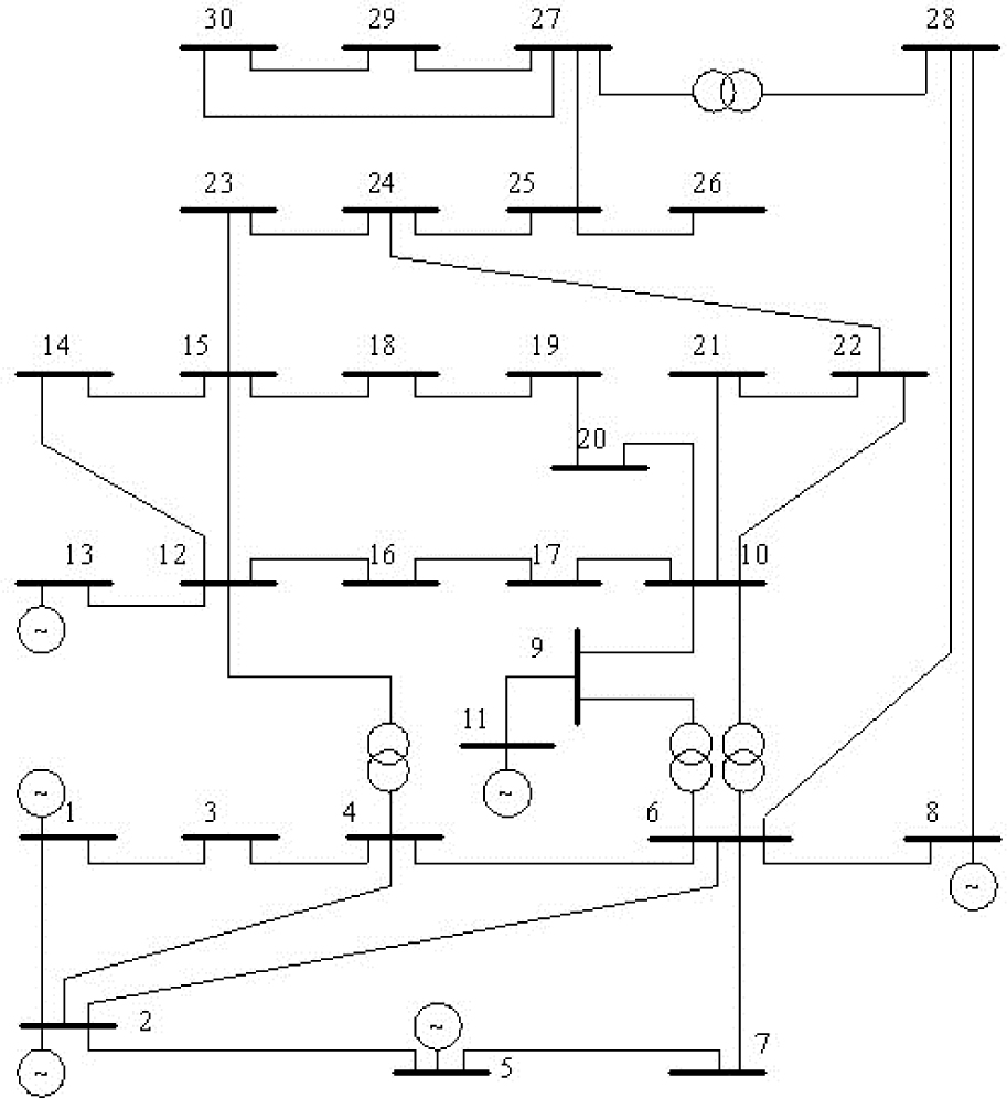
The proposed methodology has been tested on an IEEE 30 bus system shown in Fig. 2. Initially the proposed methodology has been tested for normal condition. A line outage condition has then been taken into consideration to test the proposed method under adverse conditions.

Typical IEEE 30 bus system
The parameters of SVC used are Qsvc = 0.06789 p.u. and B = 0.06789 p.u.The CI value at each bus is calculated and the results have been presented in Fig. 3. It is observed that Bus no. 30 has maximum CI of 0.10495 p.u. Hence, Bus 30 is the weakest bus of the system. Different combinations of NR and NK have been used and the value of the objective function has been presented in Fig. 4. It is observed that NR = 20 = NK, which has been used for the study, gives the minimum average and best value of the objective function.

Weak bus in IEEE 30 bus System

Objective Function value with the Variation of Krill Herd Parameters
5.1 OPF for Normal Condition
Different combinations of weights of the objective function have been used and the objective function values have been observed and tabulated in Table 2. It is observed that w1 = 0.7, w2 = 0.15, w3 = 0.15 gives the minimum value of the objective function and hence has been chosen for the study.
Non dominant solutions for Cost, Losses and Voltage deviation objectives krill
| SOLUTION NUMBER | WEIGHT | |||
|---|---|---|---|---|
| w1 | w2 | w3 | F1 | |
| 1 | 0.7 | 0.15 | 0.15 | 209.7 |
| 2 | 0.55 | 0.3 | 0.15 | 420.4 |
| 3 | 0.4 | 0.45 | 0.15 | 618.5 |
| 4 | 0.25 | 0.6 | 0.15 | 846.4 |
| 5 | 0.3 | 0.4 | 0.3 | 550 |
The voltage profile for OPF without and with SVC has been compared in Fig. 5. OPF in the presence of SVC improves the voltage at the buses. The real power generation of the system and at individual generators, real and reactive power loss, voltage deviation and real power generation cost for KH-OPF without SVC, GA-OPF without SVC, KH-OPF with SVC and GA-OPF with SVC have been compared in Table 3. It is observed that krill herd is much more suitable for the multi-objective optimization problem chosen in comparison to GA. Also, it is observed that OPF in the presence of SVC is much more effective in comparison to without SVC. Thus, the device proves to be highly effective for the optimization of the generators. The performance of a single objective function has been compared with multi-objective function in Table 4. A multi-objective function is found to be more suitable for improvement multiple parameters of the power system.

Comparison of voltage magnitude of optimal power flow without and with SVC
Comparison of OPF solution for 30 bus system without and with SVC using Krill-OPF
| S.No | Parameter | Krill-OPF without SVC | GA-OPF without SVC | Krill-OPF with SVC | GA-OPF with SVC | |
|---|---|---|---|---|---|---|
| PG1 | 122 | 126.6562 | 119.62 | 165.9437 | ||
| PG2 | 50 | 27.3374 | 50 | 45.707 | ||
| 1 | Real power generation (MW) | PG5 | 26.47 | 27.3348 | 32.7 | 28.1988 |
| PG8 | 40.22 | 21.3279 | 37.45 | 10.1949 | ||
| PG11 | 42 | 84.8224 | 39 | 34.5105 | ||
| PG13 | 10 | 3.9926 | 10 | 6.6718 | ||
| 2 | Total real power generation (MW) | 290.69 | 291.4713 | 288.8 | 291.2267 | |
| 3 | Total real power loss (MW) | 6.618 | 8.0713 | 5.42 | 7.8267 | |
| 4 | Total reactive power loss (MVAR) | 19.16 | 35.35 | 8.632 | 15.55 | |
| 5 | Voltage Deviation (p.u.) | 1.8355 | 2.5 | 0.2852 | 0.2853 | |
| 6 | Total real power generation cost ($/h) | 1355.33 | 1366.9 | 1258.37 | 1283.2 | |
Comparison of different objective using different objective functions using Krill Algorithm without SVC
| Variables | OF1 | OF2 | OF3 | OF4 |
|---|---|---|---|---|
| PG1(MW) | 184.76 | 147.4329 | 154.81 | 122 |
| PG2(MW) | 50 | 50 | 29.25 | 50 |
| PG5(MW) | 17.36347 | 24.44 | 44.66 | 26.47 |
| PG8(MW) | 12.86 | 22.79 | 23.78 | 40.22 |
| PG11(MW) | 14.5 | 37.67 | 29.03 | 42 |
| PG13(MW) | 10 | 10 | 10 | 10 |
| Total real power generation (MW) | 289.4 | 292.34 | 291.5443 | 290.69 |
| Total real power generation | 1407 | 1360 | 1380.9 | 1365.33 |
| cost($/h) | ||||
| Active power Loss (MW) | 6 | 8.9451 | 8.145 | 6.618 |
| Voltage deviation (p.u.) | 2.5156 | 2.1545 | 1.8125 | 1.8355 |
| Objective function | 6 (MW) | 1360($/h) | 1.8125(p.u.) | 209 |
*OF- Objective Function OF1 – only losses OF2- only cost OF3- only voltage deviation OF4 – multi objective function
5.2 OPF for Contingency Condition
Contingency analysis for the IEEE 30 bus system is performed and it is observed that removal of line 27-28 causes maximum stress to the system indicated by the maximum CI value of 0.3998 p.u as shown in Table ??. It is also observed that for the above considered contingency, bus number 30 is the weakest bus. In order to verify whether the bus indicated by CI is actually the best location for the placement of SVC, the device has been placed at various other locations and the results have been presented in Table 6. It is observed that the real and reactive power loss is reduced to the maximum extent by the placement of SVC at the location indicated by CI. Hence, n – 1 contingency for line 27-28 and SVC at bus 30 has been considered for the study.
Lj, Vi/v0 and CSI values of for some line outage of IEEE 30 Bus Test System
| Line outage FB-TB | Bus no with max. (Lj) | Lj Value (p.u.) | Bus no. with max. (1-Vi/V0) | (1-Vi/V0) (p.u.) | Bus no with max (CI) | CI (p.u.) |
|---|---|---|---|---|---|---|
| 2 to 5 | 30 | 0.1209 | 30 | 0.2483 | 30 | 0.1766 |
| 27 to 28 | 30 | 0.4522 | 30 | 0.3474 | 30 | 0.3998 |
| 27 to 29 | 29 | 0.1613 | 29 | 0.1761 | 29 | 0.1687 |
| 27 to 30 | 30 | 0.1793 | 30 | 0.189 | 30 | 0.1841 |
| 29 to 30 | 30 | 0.1163 | 30 | 0.142 | 30 | 0.1291 |
| 8 to 28 | 30 | 0.0891 | 30 | 0.1223 | 30 | 0.1057 |
| 6 to 28 | 30 | 0.1298 | 30 | 0.1583 | 30 | 0.1440 |
Comparison of real and reactive power losses with placement of SVC in different locations under 36th line (27-28) Contingency
| SVC placement Bus no. | Real power losses (MW) | Reactive power losses(MVAR) |
|---|---|---|
| 30 | 6.119 | 7.960 |
| 29 | 7.431 | 8.806 |
| 27 | 6.501 | 9.233 |
| 25 | 7.046 | 11.781 |
Table 7 compares the value of various parameters without contingency and with contingency, with SVC placement and sizing. It is observed that, the CI value after OPF is reduced to the maximum extent when optimal placement and sizing of the SVC has been performed. The system parameters for individual objectives and multi-objective function have been observed in Table 8. A multi objective function is observed to be more suitable for catering to the various aspects of the power system parameters.
Comparison of results without contingency, with contingency at line (27-28)
| Parameter | Values in different system state | |||
|---|---|---|---|---|
| Without contingency | With Contingency At 27-28 | With optimal placement of SVC | With optimal sizing of SVC using Krill Algorithm | |
| Active Power Loss(MW) | 10.78 | 15.36 | 10.64 | 6.596068 |
| Reactive Power Loss(MVAR) | 29.98 | 46.5 | 22.69 | 6.6361 |
| Lj of Severe bus (p.u.) | 0.0895 | 0.4522 | 0.0721 | 0.058468 |
| (1-Vi/V0) of Severe bus (p.u.) | 0.1204 | 0.3474 | 0.0496 | 0.030961 |
| CI of Severe bus (p.u.) | 0.10495 | 0.3998 | 0.06085 | 0.043747 |
| Voltage Deviation (p.u.) | 2.3176 | 4.0516 | 0.4252 | 0.29268 |
| Overall Lj (p.u.) | 1.2089 | 3.1974 | 0.6179 | 0.500657 |
| Overall (1-Vi/V0) (p.u.) | 1.8984 | 3.5476 | 0.3801 | 0.280652 |
| Overall CI (p.u.) | 1.55365 | 3.3725 | 0.499 | 0.390655 |
Comparison of different objective using different objective functions using Krill Algorithm with SVC (SVC located at Bus no 30)
| Variables | OF1 | OF2 | OF3 | OF4 |
|---|---|---|---|---|
| PG1(MW) | 99.064 | 103.748 | 108.856 | 133.935 |
| PG2(MW) | 50.0 | 50 | 50 | 50 |
| PG5(MW) | 43.713 | 29.6528 | 37.461 | 26.79 |
| PG8(MW) | 40.988 | 47.098 | 43.029 | 34.4 |
| PG11(MW) | 44.354 | 48.234 | 39.287 | 34.85 |
| PG13(MW) | 10 | 10 | 10 | 10 |
| Total real power generation (MW) | 288.119 | 288.7328 | 288.633 | 289.975 |
| Total real power generation cost($/hr) | 1263.59 | 1255.94 | 1261.07 | 1261.7 |
| Active power Loss (MW) | 4.7213 | 5.3343 | 5.2353 | 6.596 |
| Voltage deviation (p.u.) | 0.29206 | 0.2920 | 0.29215 | 0.2926 |
| Objective function value | 4.7213(MW) | 1255.9($/hr) | 0.29215(p.u.) | 193.923 |
*OF- Objective Function OF1 – only losses OF2- only cost OF3- only voltage deviation OF4 – multi objective function
Various parameters of the power system have been compared for without contingency and with contingency condition for OPF without and with SVC in Table 9. The OPF with SVC is observed to be the optimal solution in both normal and contingency condition. KH shows a better performance in comparison to GA for the multi-objective function. In Fig. 6, the multi-objective function values have been compared; KH seems to give a lower value of 193.923 p.u. in comparison to that of GA which is 199.7049 p.u. The voltage profile in the presence of KH-OPF SVC improves to a great extent.

Comparison of objective function values with contingency for different methods
Comparison of Real power losses, Cost and Voltage deviation for normal & line outage with SVC placed at bus number 30
| Condition | Parameters | KH OPF without SVC | GA OPF without SVC | KH OPF with SVC | GA OPF with SVC |
|---|---|---|---|---|---|
| SVC Rating (p.u.) | – | – | 0.06789 | 0.0682 | |
| Total Real power generation (MW) | 290 | 291.4713 | 288.8 | 291.2267 | |
| Without Contingency | Real power losses (MW) | 6.61 | 8.0713 | 5.42 | 7.8267 |
| Total generation cost ($/hr) | 1355.3 | 1366.9 | 1258.3 | 1283.2 | |
| Voltage Deviation (p.u.) | 1.835553 | 2.5013 | 0.285292 | 0.2853 | |
| SVC Rating (p.u.) | – | – | 0.087 | 0.1527 | |
| Total Real power generation (MW) | 293.17 | 297.5454 | 289.97 | 293.493 | |
| 27 to 28 Line outage | Real power losses (MW) | 9.79 | 14.1453 | 6.596 | 10 |
| Total generation cost ($/hr) | 1374.06 | 1390.5 | 1261.74 | 1283.9 | |
| Voltage Deviation (p.u.) | 3.291027 | 4.9205 | 0.29268 | 0.3835 | |
6 Conclusion
Optimal power flow is an essential requirement for effective utilization of the various components of the power system. Optimal power flow method in the presence of SVC has been proposed in this paper for overcoming the voltage instability issues of the power systems and reduction of losses. A Combinatory Index has been formulated for obtaining the location for the SVC. The results obtained by CI have been verified, in order to confirm that the index gives the optimal position for the FACTS device. A multi-objective function has been considered, viz., reduction in voltage deviation, fuel cost and transmission line loss. Krill Herd algorithm has been used to optimize the generators for the multi-objective function that was considered. It is found from the results that SVC is very efficient in improving the voltage profile of the system. Optimal reallocation of the generators and tuning of the device with Krill Herd algorithm further improves the voltage profile. The combinatory index indicates an improvement in voltage stability after optimal power flow has been performed in the presence of SVC. It has been proven from the results that KH gives superior results in comparison to GA for the chosen problem.OPF in the presence of SVC has been found to be an optimal solution for improvement of the power system performance as depicted by the improvement in the values of the power system parameters.
Abbreviations
- FACTS
Flexible AC Transmission System
- OPF
Optimal Power Flow
- SVC
Static VAR Compensators
- KH
Krill Herd
- GA
Genetic Algorithm
- CI
Combinatory Index
References
[1] Hingorani N.G. & GyugyiL., Understanding FACTS - Concepts and Technology of Flexible AC Transmission Systems, Wiley- IEEE Press, December 1999.Search in Google Scholar
[2] Xin-SheYang. Engineering Optimization- An introduction with MetaheuristicApplications, John Wiley and Sons, INC., Publication, July2010.Search in Google Scholar
[3] T. Nireekshana, G. Kesava Rao, S. Sivanaga Raju, Available transfer capability enhancement with FACTS using Cat Swarm Optimization, Ain Shams Engineering Journal 7(1) (2016) 159–167.10.1016/j.asej.2015.11.011Search in Google Scholar
[4] B. Bhattacharyya, V. Kumar Gupta, S. Kumar, UPFC with series and shunt FACTS controllers for the economic operation of a power system, Ain Shams Engineering Journal 5(3) (2014)775–787.10.1016/j.asej.2014.03.013Search in Google Scholar
[5] P. K. Roy, M. Pradhan and T. Paul, Krill herd algorithm applied to short-term hydrothermal scheduling problem, Ain Shams Engineering journal, Article in press (2015).Search in Google Scholar
[6] Ya-Chin Chang. Multi-Objective Optimal SVC Installation for Power System Loading Margin Improvement. IEEE Transactions on power systems 27(2)(2012) 984-992.10.1109/TPWRS.2011.2176517Search in Google Scholar
[7] T. P. Nam, D. T. Viet La Van Ut., Optimal Placement of SVC in Power Market, IEEE 9th Conference on Industrial Electronics and Applications (ICIEA), Hangzhou, China, June 9-11, (2014)1713-1718.10.1109/ICIEA.2014.6931444Search in Google Scholar
[8] B.Venkateswara Rao, G.V.Nagesh Kumar, Firefly Algorithm based Optimal Power Flow with Static VAR Compensator for Improvement of Power System Security under Network Contingency, International Electrical Engineering Journal (IEEJ) 5(12)(2014) 1639-1648.Search in Google Scholar
[9] F. Khandani I, S. Soleymani I, B. Mozafari, Optimal Placement of SVC to Improve Voltage Profile Using Hybrid Genetics Algorithm and Sequential Quadratic Programming, Electrical Power Distribution Networks (EPDC), 16th Conference on 19-20 April (2011) 1-6.Search in Google Scholar
[10] A. R. Phadke, Manoj Fozdar, and K. R. Niazi. A New Multi-objective Formulation for Optimal Placement of Shunt Flexible AC Transmission Systems Controller. Electric Power Components and Systems 37(12)(2009) 1386–1402.10.1080/15325000903055305Search in Google Scholar
[11] P. Jirapong & W. Ongsakul. Optimal Placement of Multi-Type FACTS Devices for Total Transfer Capability Enhancement Using Hybrid Evolutionary Algorithm, Electric Power Components and Systems 35(9)(2007)981–1005.10.1080/15325000701249993Search in Google Scholar
[12] J. Preetha Roselyn, D. Devaraj, Subhransu Sekhar Dash, Multi-Objective Genetic Algorithm for voltage stability enhancement using rescheduling and FACTS devices, Ain shams Engineering Journal 5 (2014) 789-801.10.1016/j.asej.2014.04.004Search in Google Scholar
[13] A. Mishra, V. N. K. Gundavarapu, Contingency management of power system with Interline Power Flow Controller using Real Power Performance Index and Line Stability Index, Ain Shams Engineering Journal 7(1)(2016) 209-222.10.1016/j.asej.2015.11.004Search in Google Scholar
[14] Amir H. Gandomia& Amir H. Alavib. An introduction of Krill Herd algorithm for engineering optimization, Journal of Civil Engineering and Management 22(3)(2016) 302-310.10.3846/13923730.2014.897986Search in Google Scholar
© 2017 Bali Sravana Kumar et al.
This work is licensed under the Creative Commons Attribution-NonCommercial-NoDerivatives 3.0 License.
Articles in the same Issue
- Regular Articles
- The Differential Pressure Signal De-noised by Domain Transform Combined with Wavelet Threshold
- Regular Articles
- Robot-operated quality control station based on the UTT method
- Regular Articles
- Regression Models and Fuzzy Logic Prediction of TBM Penetration Rate
- Regular Articles
- Numerical study of chemically reacting unsteady Casson fluid flow past a stretching surface with cross diffusion and thermal radiation
- Regular Articles
- Experimental comparison between R409A and R437A performance in a heat pump unit
- Regular Articles
- Rapid prediction of damage on a struck ship accounting for side impact scenario models
- Regular Articles
- Implementation of Non-Destructive Evaluation and Process Monitoring in DLP-based Additive Manufacturing
- Regular Articles
- Air purification in industrial plants producing automotive rubber components in terms of energy efficiency
- Regular Articles
- On cyclic yield strength in definition of limits for characterisation of fatigue and creep behaviour
- Regular Articles
- Development of an operation strategy for hydrogen production using solar PV energy based on fluid dynamic aspects
- Regular Articles
- An exponential-related function for decision-making in engineering and management
- Regular Articles
- Usability Prediction & Ranking of SDLC Models Using Fuzzy Hierarchical Usability Model
- Regular Articles
- Exact Soliton and Kink Solutions for New (3+1)-Dimensional Nonlinear Modified Equations of Wave Propagation
- Regular Articles
- Entropy generation analysis and effects of slip conditions on micropolar fluid flow due to a rotating disk
- Regular Articles
- Application of the mode-shape expansion based on model order reduction methods to a composite structure
- Regular Articles
- A Combinatory Index based Optimal Reallocation of Generators in the presence of SVC using Krill Herd Algorithm
- Regular Articles
- Quality assessment of compost prepared with municipal solid waste
- Regular Articles
- Influence of polymer fibers on rheological properties of cement mortars
- Regular Articles
- Degradation of flood embankments – Results of observation of the destruction mechanism and comparison with a numerical model
- Regular Articles
- Mechanical Design of Innovative Electromagnetic Linear Actuators for Marine Applications
- Regular Articles
- Influence of addition of calcium sulfate dihydrate on drying of autoclaved aerated concrete
- Regular Articles
- Analysis of Microstrip Line Fed Patch Antenna for Wireless Communications
- Regular Articles
- PEMFC for aeronautic applications: A review on the durability aspects
- Regular Articles
- Laser marking as environment technology
- Regular Articles
- Influence of grain size distribution on dynamic shear modulus of sands
- Regular Articles
- Field evaluation of reflective insulation in south east Asia
- Regular Articles
- Effects of different production technologies on mechanical and metallurgical properties of precious metal denture alloys
- Regular Articles
- Mathematical description of tooth flank surface of globoidal worm gear with straight axial tooth profile
- Regular Articles
- Earth-based construction material field tests characterization in the Alto Douro Wine Region
- Regular Articles
- Experimental and Mathematical Modeling for Prediction of Tool Wear on the Machining of Aluminium 6061 Alloy by High Speed Steel Tools
- Special Issue on Current Topics, Trends and Applications in Logistics
- 10.1515/eng-2017-0001
- Special Issue on Current Topics, Trends and Applications in Logistics
- The Methodology of Selecting the Transport Mode for Companies on the Slovak Transport Market
- Special Issue on Current Topics, Trends and Applications in Logistics
- Determinants of Distribution Logistics in the Construction Industry
- Special Issue on Current Topics, Trends and Applications in Logistics
- Management of Customer Service in Terms of Logistics Information Systems
- Special Issue on Current Topics, Trends and Applications in Logistics
- The Use of Simulation Models in Solving the Problems of Merging two Plants of the Company
- Special Issue on Current Topics, Trends and Applications in Logistics
- Applying the Heuristic to the Risk Assessment within the Automotive Industry Supply Chain
- Special Issue on Current Topics, Trends and Applications in Logistics
- Modeling the Supply Process Using the Application of Selected Methods of Operational Analysis
- Special Issue on Current Topics, Trends and Applications in Logistics
- Possibilities of Using Transport Terminals in South Bohemian Region
- Special Issue on Current Topics, Trends and Applications in Logistics
- Comparison of the Temperature Conditions in the Transport of Perishable Foodstuff
- Special Issue on Current Topics, Trends and Applications in Logistics
- E-commerce and its Impact on Logistics Requirements
- Topical Issue Modern Manufacturing Technologies
- Wear-dependent specific coefficients in a mechanistic model for turning of nickel-based superalloy with ceramic tools
- Topical Issue Modern Manufacturing Technologies
- Effects of cutting parameters on machinability characteristics of Ni-based superalloys: a review
- Topical Issue Desktop Grids for High Performance Computing
- Task Scheduling in Desktop Grids: Open Problems
- Topical Issue Desktop Grids for High Performance Computing
- A Volunteer Computing Project for Solving Geoacoustic Inversion Problems
- Topical Issue Desktop Grids for High Performance Computing
- Improving “tail” computations in a BOINC-based Desktop Grid
- Topical Issue Desktop Grids for High Performance Computing
- LHC@Home: a BOINC-based volunteer computing infrastructure for physics studies at CERN
- Topical Issue Desktop Grids for High Performance Computing
- Comparison of Decisions Quality of Heuristic Methods with Limited Depth-First Search Techniques in the Graph Shortest Path Problem
- Topical Issue Desktop Grids for High Performance Computing
- Using Volunteer Computing to Study Some Features of Diagonal Latin Squares
- Topical Issue on Mathematical Modelling in Applied Sciences, II
- A polynomial algorithm for packing unit squares in a hypograph of a piecewise linear function
- Topical Issue on Mathematical Modelling in Applied Sciences, II
- Numerical Validation of Chemical Compositional Model for Wettability Alteration Processes
- Topical Issue on Mathematical Modelling in Applied Sciences, II
- Innovative intelligent technology of distance learning for visually impaired people
- Topical Issue on Mathematical Modelling in Applied Sciences, II
- Implementation and verification of global optimization benchmark problems
- Topical Issue on Mathematical Modelling in Applied Sciences, II
- On a program manifold’s stability of one contour automatic control systems
- Topical Issue on Mathematical Modelling in Applied Sciences, II
- Multi-agent grid system Agent-GRID with dynamic load balancing of cluster nodes
Articles in the same Issue
- Regular Articles
- The Differential Pressure Signal De-noised by Domain Transform Combined with Wavelet Threshold
- Regular Articles
- Robot-operated quality control station based on the UTT method
- Regular Articles
- Regression Models and Fuzzy Logic Prediction of TBM Penetration Rate
- Regular Articles
- Numerical study of chemically reacting unsteady Casson fluid flow past a stretching surface with cross diffusion and thermal radiation
- Regular Articles
- Experimental comparison between R409A and R437A performance in a heat pump unit
- Regular Articles
- Rapid prediction of damage on a struck ship accounting for side impact scenario models
- Regular Articles
- Implementation of Non-Destructive Evaluation and Process Monitoring in DLP-based Additive Manufacturing
- Regular Articles
- Air purification in industrial plants producing automotive rubber components in terms of energy efficiency
- Regular Articles
- On cyclic yield strength in definition of limits for characterisation of fatigue and creep behaviour
- Regular Articles
- Development of an operation strategy for hydrogen production using solar PV energy based on fluid dynamic aspects
- Regular Articles
- An exponential-related function for decision-making in engineering and management
- Regular Articles
- Usability Prediction & Ranking of SDLC Models Using Fuzzy Hierarchical Usability Model
- Regular Articles
- Exact Soliton and Kink Solutions for New (3+1)-Dimensional Nonlinear Modified Equations of Wave Propagation
- Regular Articles
- Entropy generation analysis and effects of slip conditions on micropolar fluid flow due to a rotating disk
- Regular Articles
- Application of the mode-shape expansion based on model order reduction methods to a composite structure
- Regular Articles
- A Combinatory Index based Optimal Reallocation of Generators in the presence of SVC using Krill Herd Algorithm
- Regular Articles
- Quality assessment of compost prepared with municipal solid waste
- Regular Articles
- Influence of polymer fibers on rheological properties of cement mortars
- Regular Articles
- Degradation of flood embankments – Results of observation of the destruction mechanism and comparison with a numerical model
- Regular Articles
- Mechanical Design of Innovative Electromagnetic Linear Actuators for Marine Applications
- Regular Articles
- Influence of addition of calcium sulfate dihydrate on drying of autoclaved aerated concrete
- Regular Articles
- Analysis of Microstrip Line Fed Patch Antenna for Wireless Communications
- Regular Articles
- PEMFC for aeronautic applications: A review on the durability aspects
- Regular Articles
- Laser marking as environment technology
- Regular Articles
- Influence of grain size distribution on dynamic shear modulus of sands
- Regular Articles
- Field evaluation of reflective insulation in south east Asia
- Regular Articles
- Effects of different production technologies on mechanical and metallurgical properties of precious metal denture alloys
- Regular Articles
- Mathematical description of tooth flank surface of globoidal worm gear with straight axial tooth profile
- Regular Articles
- Earth-based construction material field tests characterization in the Alto Douro Wine Region
- Regular Articles
- Experimental and Mathematical Modeling for Prediction of Tool Wear on the Machining of Aluminium 6061 Alloy by High Speed Steel Tools
- Special Issue on Current Topics, Trends and Applications in Logistics
- 10.1515/eng-2017-0001
- Special Issue on Current Topics, Trends and Applications in Logistics
- The Methodology of Selecting the Transport Mode for Companies on the Slovak Transport Market
- Special Issue on Current Topics, Trends and Applications in Logistics
- Determinants of Distribution Logistics in the Construction Industry
- Special Issue on Current Topics, Trends and Applications in Logistics
- Management of Customer Service in Terms of Logistics Information Systems
- Special Issue on Current Topics, Trends and Applications in Logistics
- The Use of Simulation Models in Solving the Problems of Merging two Plants of the Company
- Special Issue on Current Topics, Trends and Applications in Logistics
- Applying the Heuristic to the Risk Assessment within the Automotive Industry Supply Chain
- Special Issue on Current Topics, Trends and Applications in Logistics
- Modeling the Supply Process Using the Application of Selected Methods of Operational Analysis
- Special Issue on Current Topics, Trends and Applications in Logistics
- Possibilities of Using Transport Terminals in South Bohemian Region
- Special Issue on Current Topics, Trends and Applications in Logistics
- Comparison of the Temperature Conditions in the Transport of Perishable Foodstuff
- Special Issue on Current Topics, Trends and Applications in Logistics
- E-commerce and its Impact on Logistics Requirements
- Topical Issue Modern Manufacturing Technologies
- Wear-dependent specific coefficients in a mechanistic model for turning of nickel-based superalloy with ceramic tools
- Topical Issue Modern Manufacturing Technologies
- Effects of cutting parameters on machinability characteristics of Ni-based superalloys: a review
- Topical Issue Desktop Grids for High Performance Computing
- Task Scheduling in Desktop Grids: Open Problems
- Topical Issue Desktop Grids for High Performance Computing
- A Volunteer Computing Project for Solving Geoacoustic Inversion Problems
- Topical Issue Desktop Grids for High Performance Computing
- Improving “tail” computations in a BOINC-based Desktop Grid
- Topical Issue Desktop Grids for High Performance Computing
- LHC@Home: a BOINC-based volunteer computing infrastructure for physics studies at CERN
- Topical Issue Desktop Grids for High Performance Computing
- Comparison of Decisions Quality of Heuristic Methods with Limited Depth-First Search Techniques in the Graph Shortest Path Problem
- Topical Issue Desktop Grids for High Performance Computing
- Using Volunteer Computing to Study Some Features of Diagonal Latin Squares
- Topical Issue on Mathematical Modelling in Applied Sciences, II
- A polynomial algorithm for packing unit squares in a hypograph of a piecewise linear function
- Topical Issue on Mathematical Modelling in Applied Sciences, II
- Numerical Validation of Chemical Compositional Model for Wettability Alteration Processes
- Topical Issue on Mathematical Modelling in Applied Sciences, II
- Innovative intelligent technology of distance learning for visually impaired people
- Topical Issue on Mathematical Modelling in Applied Sciences, II
- Implementation and verification of global optimization benchmark problems
- Topical Issue on Mathematical Modelling in Applied Sciences, II
- On a program manifold’s stability of one contour automatic control systems
- Topical Issue on Mathematical Modelling in Applied Sciences, II
- Multi-agent grid system Agent-GRID with dynamic load balancing of cluster nodes