Abstract
Polyetheretherketone (PEEK)/Ni foam co-continuous composites were designed and prepared via the hot pressing technique, and their erosion-corrosion behaviors were evaluated using an impinging jet apparatus in 1% H2SO4 and 5% silica sand with a flow rate of 30 m/s. Optical microscopy and scanning electron microscopy were used to describe the damage morphologies. A strong combination was shown between Ni foam and PEEK in the composites. PEEK was reinforced with Ni foam, and the erosion-corrosion resistance of the composites increased with the decreasing density and pore size of Ni foam. Volume loss under normal impact was higher than that under oblique impact.
1 Introduction
In the hydrometallurgy industry, various facilities suffer from corrosive attacks of acids, bases, and salts while bearing the erosive effects of solid, liquid, and gas media. For example, transporting corrosive fluids with a high fraction of solid particles or particle agglomerates is a common procedure in the mineral leaching process. A consequence of this procedure is that particles or agglomerates frequently impact against the walls of the pipes or process vessels through which they are passing through; hence, these walls may deteriorate because of mechanical and chemical actions. Reaction stills, stirrers, blow-off valves, pipelines, and stuff pumps are vulnerable parts, and their vulnerability immensely restricts operational continuity in the hydrometallurgy industry. The erosion-corrosion damage mechanism also exists in other industrial processes, such as those in petrol production, nuclear power generation, and hydraulic engineering. Therefore, developing new materials that can be sustained in an erosion-corrosion environment is necessary.
A co-continuous composite is a new kind of material that has developed rapidly in recent years. It differs from traditional composites in terms of its topological structure [1]. Both the matrix and the reinforcement phases form a continuous structure in a co-continuous composite. The reinforcement phase, which exhibits a 3D network structure, functions as the skeleton of the composite. This structure can be made of metals, ceramics, metallic ceramics, etc. Meanwhile, the matrix phase may consist of metals or polymers that exhibit good fluidity.
The tribology literature on co-continuous composites remains limited, probably because the preparation process is still in an early stage [2], [3]. Most tribological studies on co-continuous composites have focused on their sliding wear behaviors [2], [3], [4], [5], [6], [7], [8]. Zhang et al. [7], [8] prepared a 3D network SiC/Cu or Al alloy co-composites via the squeeze casting method. The dry friction and wear behaviors of these composites were then investigated on a pin-on-disk friction and wear tester. The results showed that the composites exhibit better wear resistance than Cu or Al alloys. Such improvement in the wear resistance of the composites became prominent at high SiC volume fraction, high temperature, and large normal load. Moreover, the composites registered high and stable friction coefficients with increasing normal load. The 3D network SiC is believed to support the load applied onto the sliding surface and to restrict plastic deformation and high-temperature softening of the alloy matrix; thus, the composites exhibit significantly improved wear resistance compared to the alloys. These composites can be developed as gearing and braking frictional materials. Yan and Ren [2] and Ji et al. [4], [5] prepared a self-lubricating composite using 3D network metal (Ni, Cu, FeNi, and CuNi) foams as the skeleton and polytetrafluoroethylene as the matrix. The tribological properties of these composites were investigated on a ring-on-block friction and wear tester, in which the measurement of friction temperature was performed by three thermocouples embedded in the material. The results revealed that the friction coefficients of the composites decreased slightly, whereas the wear rate substantially decreased compared to those of homologous polymers. Such decrease is attributed to the following: (1) metallic skeletons are beneficial to restraining the plastic flow of the polymeric matrix and (2) heat can be conducted effectively along the 3D network supporting skeletons. Wang and Liu [6] prepared FeCrWMoV/TiC metal ceramic foam/Pb-Sn-RE composites, wherein the solid lubricant and enhancement phases interpenetrated throughout the microstructure. The friction and wear behaviors of the composites were investigated on a pin-on-disk wear tester over a load range of 30–250 N. The experimental results indicated that the sliding friction behavior of the composites at 400°C could be significantly improved, particularly under high loads.
However, no study on the corrosive erosion behavior of co-continuous composites has yet been reported. Considering corrosion and wear, developing new erosion-corrosion-resistant materials based on the combination of multiple materials is essential to solve the erosion problem from the structure perspective of the composite and the corrosion problem from the component selection perspective of the composite.
An open-cell metal foam is a porous structure with an interconnected 3D metallic skeleton that exhibits many interesting properties, such as a unique network structure, low density, specific mechanical performance, and high specific surface [9], [10], [11]. Concentrated stress can be easily dispersed and delivered in the metal foam skeleton, which is beneficial to improve the impact resistance of the composite. Polyetheretherketone (PEEK), which has received significant attention as a typical high-performance semicrystalline thermoplastic polymer, has become an important engineering material in recent years because of its high mechanical strength and elastic modulus, high melting temperature, high toughness, easy processing, and good wear resistance and particularly its excellent chemical inertness [12], [13], [14], [15], [16], [17]. Therefore, a new kind of co-continuous composite (i.e. Ni foam/PEEK) was designed and prepared in this study to combine the advantages of PEEK and metals. Moreover, the erosion-corrosion behavior of the composite was preliminarily investigated.
2 Materials and methods
2.1 Preparation and properties of the co-continuous composite
2.1.1 Materials
Ni foams used in this work were produced by Zhuoer New Material Co., Ltd. Four kinds of Ni foams with different average aperture, porosity, and pores per inch (PPI) values were used. The morphologies and properties of the foams are shown in Figure 1 and Table 1, respectively.

Ni foams used in the work: (A) 25 PPI, (B) 50 PPI, (C) 100 PPI-1, and (D) 100 PPI-2.
Characteristic parameters of Ni foams.
| Sample name | Average aperture (mm) | Porosity (%) | PPI |
|---|---|---|---|
| PEEK/Ni25 | 0.87 | 64.2 | 25 |
| PEEK/Ni50 | 0.48 | 89.4 | 50 |
| PEEK/Ni100-1 | 0.17 | 88.0 | 100 |
| PEEK/Ni100-2 | 0.18 | 97.6 | 100 |
First, the Ni foam samples with a size of ϕ 30×10 mm were produced by the wire cutter. Then, they were rinsed with petroleum ether in an ultrasonic cleaner twice (15 min for each time) and dried by cool air. Afterwards, they were cleaned with alcohol in the same way. Finally, they were treated under 150°C for 1 h to remove the moisture.
PEEK powders with a particle size of 100 μm were provided by Jida Special Plastic Co., Ltd. PEEK powder can absorb about 0.5% moisture when stored in the atmosphere for a long time; thus, molten PEEK will package the vapor contained in powders under high temperature, resulting in defects in the composites. Therefore, the PEEK powder was dehydrated at 150°C for 3 h before mold forming.
To avoid damaging the dies and reduce the ejection pressure, the boron nitride mold release fabricated by CRC Industrial® was chosen for improving the lubrication and easy demolding.
2.1.2 Manufacturing process
The PEEK/Ni foam composite was fabricated via a hot pressing technique (also called compression molding) under controlled temperature and pressure conditions [18], [19].
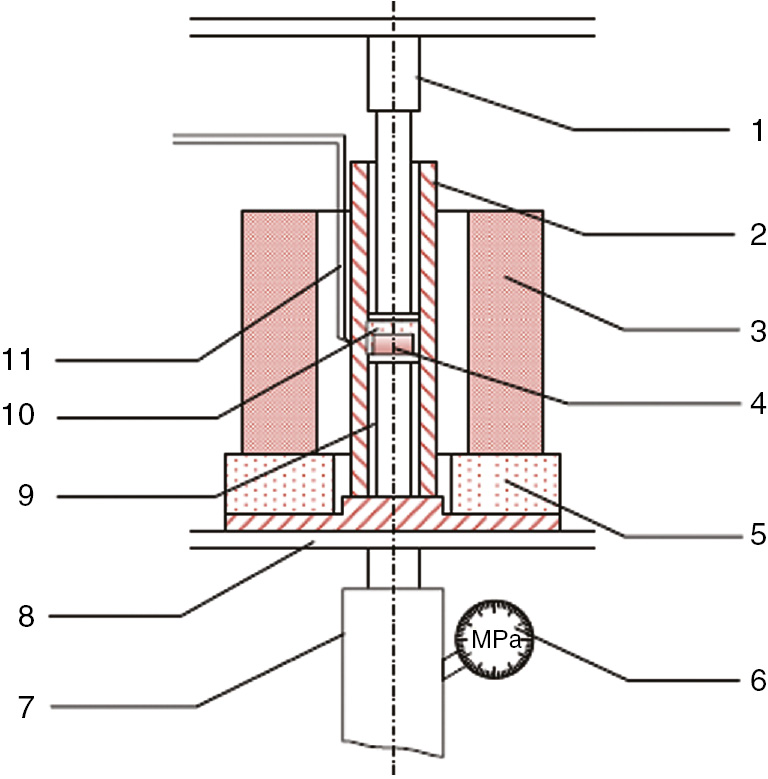
The molding equipment is shown in Figure 2. Hydraulic jack was used to provide the desired operating pressure and its maximum pressure can reach 60 MPa. A high-power heating furnace was used to heat the mold. The thermocouple located outside the wall of the mold was used to detect the operating temperature. To make the hydraulic jack work normally, a thermal insulation material was placed between the oven and the base plate to reduce the heat transfer from the furnace to the base metal. The manufacturing process is described as follows:
10 g PEEK powder was measured and transferred into the mold (this is 20% more than the calculation value as overflow during the extrusion process). The PEEK powder was pressed into blocks under 10 MPa to remove the air in the powder.
The Ni foam sample was placed under the PEEK bulk, and the mold was transferred into the oven. To ensure the molten state and keep the low viscosity of the PEEK powder, the mold was heated to 400°C at a heating rate of 10°C/min and kept warm for 5 min.
4 MPa stress was exerted on the internal material using a hydraulic jack. During extrusion, the speed should be slow and steady to keep the PEEK pressing into the Ni foam evenly.
When the upper part of the mold was approaching the Ni foam sample, pressing was stopped and pressure was applied for 5 min to keep the molten PEEK flowing into the Ni foam and filling the voids. The period under high temperature should not be too long in case the polymer molecular chain will decompose or cross-link.
The chamber was gradually cooled to 210°C in air. This temperature was maintained for 40 min to improve PEEK crystallization.
The composite specimen was demolded when the temperature decreased to 80°C and was collected for the erosion-corrosion tests.

Schematic of the preparation device: (1) upper mold, (2) outer mold, (3) oven, (4) Ni foam, (5) heat-insulating material, (6) gas-pressure meter, (7) jack, (8) base plate, (9) lower mold, (10) PEEK, and (11) thermal couple.
2.1.3 Properties of the co-continuous composite
Four kinds of composites were prepared using PEEK and different Ni foams. Homologous PEEK polymers without Ni foam were also made for comparison, and its bulk density is shown in Table 2 with those of the composites.
Bulk density (g/cm3) of PEEK/Ni foam.
| PEEK/Ni25 | PEEK/Ni50 | PEEK/Ni100-1 | PEEK/Ni100-2 | PEEK |
|---|---|---|---|---|
| 4.03 | 2.12 | 2.23 | 1.50 | 1.32 |
The morphologies of PEEK/Ni foam composites are shown in Figure 3. The insets in the resulting composite materials show that Ni foam is effectively encapsulated by PEEK polymer. The fabricated composites exhibit a topologically uniform microstructure and an interconnected network structure. However, hollow metallic struts distributed throughout the composite body can be observed, which indicates that PEEK cannot fill the interior of the metallic struts. Therefore, the preparation method should be improved further.

Morphologies of PEEK/Ni foam composites with Ni foams of different PPI values: (A) 25 PPI, (B) 50 PPI, (C) 100 PPI-1, and (D) 100 PPI-2.
2.2 Erosion-corrosion test method
Erosion-corrosion tests were conducted with a self-made impinging jet apparatus, which was mentioned in our previous work [20]. Tap water with 1 wt% H2SO4 and 5 wt% quartz particle (275 mesh) was used as the test medium. The velocity of the jet for the volume loss tests was 30 m/s. Two impact angles (i.e. 30° and 90°) were applied during the erosion-corrosion tests. A liquid jet from a nozzle with a diameter of 2 mm was impacted onto the center of the test specimen with a distance of 5 mm between the jet nozzle exit and the specimen surface. The area of the specimen was 1.13 cm2 and its diameter was 12 mm. Before the erosion-corrosion tests, the sample surfaces of the co-continuous composites were ground with 800 grit abrasive papers, cleaned in alcohol and dried, and weighed using an analytical balance with an accuracy of 0.1 mg. Two hours after the tests, the samples were degreased, rinsed, dried, and weighed. Each test was repeated twice to obtain an average weight loss. The densities of different composites vary significantly; thus, converting weight loss values to volume loss values, which provide clearer comparisons of the damages in different materials, is necessary. The weight loss values were divided by the corresponding densities of the materials to obtain the volume loss values. The surface morphologies of the samples were analyzed using optical microscopy and scanning electron microscopy (SEM).
3 Results and discussion
3.1 Results from the impact angle of 90°
The volume loss results of the different materials after 2 h of erosion-corrosion test in tap water with 1 wt% H2SO4 and 5 wt% quartz particle (275 mesh) with a jet velocity of 30 m/s and an impact angle of 90° are shown in Figure 4. The maximum volume loss occurred in the PEEK/Ni25 composite, in which Ni foam exhibited the lowest porosity and highest bulk density. Figure 3A shows large struts in the PEEK/Ni25 composite, which can lead to additional turbulence during erosion-corrosion tests [21]. Under normal impact conditions, the impact energy is mainly dissipated in roughening the target surface. The roughening process includes a high degree of plastic deformation of the target materials under compressive and tensile stresses. The Ni segment was coarser than the PEEK site (Figure 5A and A′). No stripping was observed between Ni foam and PEEK in all four composites after the erosion-corrosion test (Figure 5A, A′, B, B′, C, C′, D, and D′), which indicates the perfect combination of these two phases during the preparation and testing processes. In this work, the advantage of Ni in the composite is its higher impact strength than that of PEEK, which is beneficial to the mechanical component of erosion-corrosion [22], [23]. However, PEEK is better than metallic Ni in acid media in the chemical damage component. Additional volume loss caused by the corrosion component of the PEEK/Ni25 composite is more than the decreasing volume loss caused by the mechanical component because of the high proportion of Ni phase; thus, the total volume loss of the PEEK/Ni25 composite is higher than that of pure PEEK. For the other three composites, the proportion of Ni foam is considerably lower than that in the PEEK/Ni25 composite (Table 1), which reduces corrosion. In contrast, the mechanical resistance supplied by the three Ni foams is not less than that in the PEEK/Ni25 composite because of their thin walls (Figure 3) and interconnected 3D structure. Consequently, the additional volume losses caused by the corrosion component are less than the decreasing component caused by the high strength of the three composites; hence, their total volume loss is lower than that of pure PEEK. The PEEK/Ni100-2 composite exhibits the best erosion-corrosion resistance because of the highest strength efficiency and lowest corrosion rate of thin Ni foam.

Volume loss results of the different materials with an impact angle of 90°.

Morphologies of PEEK/Ni foam composites and pure PEEK after erosion-corrosion test with an impact angle of 90° observed using optical microscopy (A–E) and SEM (A′–E′): (A and A′) PEEK/Ni25, (B and B′) PEEK/Ni50, (C and C′) PEEK/Ni100-1, (D and D′) PEEK/Ni100-2, and (E and E′) PEEK.
Ni struts in PEEK can enhance its erosion-corrosion resistance in water/acid/particle media under an impact angle of 90°, except for the case in which the additional chemical corrosion damage is higher than the decrease in mechanical erosion damage. This phenomenon occurs at low PPI with thick Ni foam walls.
3.2 Results from the impact angle of 30°
The volume loss results of the different materials after 2 h of erosion-corrosion test in tap water with 1 wt% H2SO4 and 5 wt% quartz particle (275 mesh) with a jet velocity of 30 m/s and an impact angle of 30° are shown in Figure 6. The total volume loss rate is significantly lower than that for the test with an impact angle of 90°.

Volume loss results of the different materials with an impact angle of 30°.
In this case, although the ductile Ni foam phase is easily cut and ploughed by quartz particles, impact energy can be dispersed along the Ni skeletons. Therefore, the Ni foam phase may be slightly beneficial to the mechanical component of the erosion-corrosion of composites. For the chemical damage component, Ni is not as efficient as PEEK in the acid medium with either normal or oblique impact. Consequently, the total volume loss of the three composites is higher than that of pure PEEK. Only the total volume loss of PEEK/Ni100-2 does not demonstrate a notable difference with pure PEEK because of its low Ni foam proportion.
Similar to the results of the 90° impact, no stripping was observed between Ni foam and PEEK in all four composites after the erosion-corrosion test (Figure 7A, A′, B, B′, C, C′, D, and D′). This finding indicates the perfect combination of these two phases during the preparation and testing processes. Maximum volume loss was also observed in the PEEK/Ni25 composite, which is similar to the results of the test with the impact angle of 90°. A deep and long pitting tail along the flow direction can be observed on the damaged site of the PEEK/Ni25 composite (Figure 7A and A′) because of the preferential damage of the ductile Ni phase under low impact angle. The pitting tail becomes shallow and short as Ni phase proportion decreases (Figure 7B, B′, C, C′, D, and D′). For pure PEEK, nearly no pitting tail can be observed on the damaged site (Figure 7E and E′). Ni struts in PEEK cannot enhance the erosion-corrosion resistance of PEEK in water/acid/particle media under a low impact angle.

Morphologies of PEEK/Ni foam composites and pure PEEK after erosion-corrosion test with an impact angle of 30° observed using optical microscopy (A–E) and SEM (A′–E′): (A and A′) PEEK/Ni25, (B and B′) PEEK/Ni50, (C and C′) PEEK/Ni100-1, (D and D′) PEEK/Ni100-2, and (E and E′) PEEK.
3.3 Erosion mechanism of PEEK/Ni foam composites
At the impingement angle of 90°, repeated impacts by quartz particles on the same site can cause “dislocations” of PEEK from the impingement sites. After a given deformation, stress in PEEK exceeds its strength. Small microfractures may develop within PEEK, which causes small pieces of the material to peel off (Figure 5E′). The impact of the 30° impingement angle differs from the normal impact because of the onset of the microcutting and microploughing mechanisms. The deformation of the material is similar to that under normal impact but with additional cuts and ploughs [24], which result in chip removal in PEEK (Figure 7E′). The perpendicular component of the initial energy decreases with the reduction in impingement angle; thus, the volume loss of PEEK under oblique impact is significantly lower than that under normal impact. For the same reason, the PEEK/Ni foam composites have lower volume loss under oblique impact than under normal impact. These results seem contradictory to the behavior of PEEK and its short fiber-reinforced composites in solid particle erosion characterized by Harsha et al. [25], in which pure PEEK exhibited peak erosion at an impingement angle of 30° as well as ductile erosion mechanism. However, in this liquid-particle system, even for ductile materials, the erosion rate can increase with impact angle or exhibit another damaged peak in addition to the one under 90° [26].
PEEK/Ni foam composites, except PEEK/Ni25, have lower volume losses than pure PEEK under normal impact. On the one hand, the Ni phase exhibits serious deformation (Figure 5A′–D′), which can absorb impact energy from quartz particles. On the other hand, impact energy can disperse along the Ni network. Thus, the Ni foam can reinforce PEEK under normal impact conditions.
The composites, except PEEK/Ni100-2, have higher volume losses than PEEK under oblique impact. The Ni phase is ductile and can be easily cut by the quartz particles; it can also absorb the perpendicular component of the impact. The first factor is dominant and Ni foam cannot reinforce PEEK under oblique impact conditions.
PEEK is reinforced by Ni foam through a dispersion strengthening function. A high bonding strength between Ni foam and PEEK ensures a synergetic action between the matrix and reinforced phases. In the PEEK/Ni composite, PEEK can improve the corrosion resistance of Ni foam, whereas the Ni foam can improve the mechanical strength of PEEK. The dispersion strengthening function of Ni foam is enhanced with the increasing PPI and porosity of Ni foam within this test range. Notably, the PEEK/Ni100-2 composite exhibits the best erosion-corrosion resistance under both impact conditions. Volume losses under normal and oblique impacts have a slight difference. The erosion behavior of the PEEK/Ni100-2 composite is insensitive to impingement angle, which is important for its future applications.
4 Conclusions
Four kinds of PEEK/Ni co-continuous composite were prepared using Ni foam and PEEK polymer via the hot pressing technique. The composites have a topologically uniform microstructure and an interconnected network structure.
No stripping was observed between Ni foam and PEEK in all four composites after erosion-corrosion tests with impact angles of 90° and 30°. This result indicates a tough combination between Ni foam and PEEK.
Ni struts in PEEK can enhance its erosion-corrosion resistance in water/acid/particle media under an impact angle of 90° but not with a low impact angle of 30°.
Both PEEK and the PEEK/Ni foam composite exhibit higher volume losses under normal impact than under oblique impact.
The strength of Ni foam in PEEK composites is enhanced with the increasing PPI and porosity of Ni foam within the test range.
Funding source: National Natural Science Foundation of China
Award Identifier / Grant number: 51275506
Funding statement: This work was supported by the National Natural Science Foundation of China (No. 51275506)
Acknowledgments
This work was supported by the National Natural Science Foundation of China (No. 51275506).
References
[1] Chen WP, Huang D, He CX, Wang J, Liang ZQ. Bull. Chin. Ceram. Soc. 2008, 27, 307–311.Search in Google Scholar
[2] Yan SL, Ren J. Mater. Des. 2012, 39, 425–431.10.1016/j.matdes.2012.03.004Search in Google Scholar
[3] Mondal D, Das S, Jha N. Mater. Des. 2009, 30, 2563–2568.10.1016/j.matdes.2008.09.034Search in Google Scholar
[4] Ji KJ, Xia YQ, Dai ZD. Tribol. Trans. 2013, 56, 615–622.10.1080/10402004.2012.748235Search in Google Scholar
[5] Ji KJ, Shan WG, Xia Y, Dai Z. Tribol. Trans. 2012, 55, 20–31.10.1080/10402004.2011.622069Search in Google Scholar
[6] Wang YJ, Liu ZM. Wear 2008, 265, 1720–1726.10.1016/j.wear.2008.04.009Search in Google Scholar
[7] Xie SJ, Cao XM, Zhang JS, Li S, Liu Y. Tribology 2003, 23, 86–91.10.1097/00006982-200302000-00014Search in Google Scholar PubMed
[8] Xie SJ, Cao XM, Zhang JS, Li S, Liu Y. Chin. J. Mater. Res. 2003, 17, 10–14.Search in Google Scholar
[9] Kim JH, Kim RH, Kwon HS. Electrochem. Commun. 2008, 10, 1148–1151.10.1016/j.elecom.2008.05.035Search in Google Scholar
[10] Duan DL, Li S, Zhang RL, Jiang SL. Mater. Sci. Technol. 2007, 23, 661–664.10.1179/174328407X179683Search in Google Scholar
[11] Duan DL, Zhang RL, Ding XJ, Li S. Mater. Sci. Technol. 2006, 22, 1364–1367.10.1179/174328406X111138Search in Google Scholar
[12] Wang HY, Zhang S, Wang GW, Yang S, Zhu Y. Wear 2013, 297, 736–741.10.1016/j.wear.2012.10.008Search in Google Scholar
[13] Sharma M, Bijwea J, Mäder E, Kunze K. Wear 2013, 301, 735–739.10.1016/j.wear.2012.12.006Search in Google Scholar
[14] Seung MY, Andreas AP. Wear 2012, 296, 638–647.10.1016/j.wear.2012.07.024Search in Google Scholar
[15] Zhang G, Schlarb AK. Wear 2009, 266, 337–344.10.1016/j.wear.2008.07.004Search in Google Scholar
[16] Sumer M, Unal H, Mimaroglu A. Wear 2008, 265, 1061–1065.10.1016/j.wear.2008.02.008Search in Google Scholar
[17] McCook NL, Hamilton MA, Burris DL, Sawyer WG. Wear 2007, 262, 1511–1515.10.1016/j.wear.2007.01.036Search in Google Scholar
[18] Luo HL, Xiong GY, Yang ZW, Raman SR, Li QP, Ma CY, Li DY, Wang ZR, Wan YZ. J. Mech. Behav. Biomed. Mater. 2014, 29, 103–113.10.1016/j.jmbbm.2013.09.003Search in Google Scholar
[19] Wang QB, Zhang ZJ, Liu AX, Jiang QB. China Plast. Ind. 2013, 41, 116–119.Search in Google Scholar
[20] Jiang SL, Zheng YG, Qiao YX, Chen SD. Corros. Sci. Prot. Technol. 2009, 21, 489–491.10.15358/0935-0381-2009-8-9-489Search in Google Scholar
[21] Schmitt GA, Bücken W, Fanebust R. Corrosion 1992, 48, 431–440.10.5006/1.3315957Search in Google Scholar
[22] Mignot J, Gorecki C. Wear 1983, 84, 39–49.10.1016/0043-1648(83)90117-5Search in Google Scholar
[23] Richards RCD. Wear 1968, 11, 245–275.10.1016/0043-1648(68)90175-0Search in Google Scholar
[24] Barkoula NM, Karger-Kocsis J. J. Mater. Sci. 2002, 37, 3807–3820.10.1023/A:1019633515481Search in Google Scholar
[25] Harsha AP, Tewari US, Venkatraman B. Wear 2003, 254, 693–712.10.1016/S0043-1648(03)00143-1Search in Google Scholar
[26] Li SK-K, Humphrey JAC, Levy AV. Wear 1981, 73, 295–309.10.1016/0043-1648(81)90297-0Search in Google Scholar
©2018 Walter de Gruyter GmbH, Berlin/Boston
This article is distributed under the terms of the Creative Commons Attribution Non-Commercial License, which permits unrestricted non-commercial use, distribution, and reproduction in any medium, provided the original work is properly cited.
Articles in the same Issue
- Frontmatter
- Review
- A review on the intensification of metal matrix composites and its nonconventional machining
- Original articles
- Optimization of multi-sandwich-panel composite structures for minimum weight with strength and buckling considerations
- An automated portable multiaxial pressure test rig for qualifications of glass/epoxy composite pipes
- Effects of nano-SiO2 on mechanical and hygric behaviors of glass fiber reinforced epoxy composites
- Comparison of the mechanical and wear behaviour of aluminium alloy with homogeneous and functionally graded silicon nitride composites
- Engineering behavior of clay soils stabilized with class C and class F fly ashes
- Preparation and erosion-corrosion behavior of polyetheretherketone (PEEK)/nickel foam co-continuous composites
- Optimization design, manufacturing and mechanical performance of box girder made by carbon fiber-reinforced epoxy composites
- Recent advances in the manufacturing processes of functionally graded materials: a review
- Numerical prediction of thermal conductivity in ZrB2-particulate-reinforced epoxy composites based on finite element models
- High-speed electrical sliding wear behaviors of Cu-WS2-graphite-WS2 nanotubes composite
- Adsorption removal of methylene blue from aqueous solution on carbon-coated Fe3O4 microspheres functionalized with chloroacetic acid
- Thermal degradation of coir fiber reinforced low-density polyethylene composites
- Preparation and analysis of polypropylene composites with maleated tea dust particles
- Predicting the thermal conductivity of polypropylene-multiwall carbon nanotubes using the Krenchel model
- Growth mechanism of 3D graphene-carbon nanotube hybrid structure
- Reinforcing abilities of microfibers and nanofibrillated cellulose in poly(lactic acid) composites
- Sintered TiO2/recycled glass composites designed for the potential degradation of waterborne pollutants
- Evaluation of glass-fiber grafted by epoxide-terminated hyperbranched polymer on the effect of mechanical characterization of epoxy composites
Articles in the same Issue
- Frontmatter
- Review
- A review on the intensification of metal matrix composites and its nonconventional machining
- Original articles
- Optimization of multi-sandwich-panel composite structures for minimum weight with strength and buckling considerations
- An automated portable multiaxial pressure test rig for qualifications of glass/epoxy composite pipes
- Effects of nano-SiO2 on mechanical and hygric behaviors of glass fiber reinforced epoxy composites
- Comparison of the mechanical and wear behaviour of aluminium alloy with homogeneous and functionally graded silicon nitride composites
- Engineering behavior of clay soils stabilized with class C and class F fly ashes
- Preparation and erosion-corrosion behavior of polyetheretherketone (PEEK)/nickel foam co-continuous composites
- Optimization design, manufacturing and mechanical performance of box girder made by carbon fiber-reinforced epoxy composites
- Recent advances in the manufacturing processes of functionally graded materials: a review
- Numerical prediction of thermal conductivity in ZrB2-particulate-reinforced epoxy composites based on finite element models
- High-speed electrical sliding wear behaviors of Cu-WS2-graphite-WS2 nanotubes composite
- Adsorption removal of methylene blue from aqueous solution on carbon-coated Fe3O4 microspheres functionalized with chloroacetic acid
- Thermal degradation of coir fiber reinforced low-density polyethylene composites
- Preparation and analysis of polypropylene composites with maleated tea dust particles
- Predicting the thermal conductivity of polypropylene-multiwall carbon nanotubes using the Krenchel model
- Growth mechanism of 3D graphene-carbon nanotube hybrid structure
- Reinforcing abilities of microfibers and nanofibrillated cellulose in poly(lactic acid) composites
- Sintered TiO2/recycled glass composites designed for the potential degradation of waterborne pollutants
- Evaluation of glass-fiber grafted by epoxide-terminated hyperbranched polymer on the effect of mechanical characterization of epoxy composites