Abstract
Accurate, precise, and rapid analytical monitoring of various nuclear materials is essential for the smooth functioning of nuclear reactors. Ion chromatography (IC) has emerged as an effective analytical tool for simultaneous detection of different ions in a wide range of materials used in the nuclear industry. The major advantages over other techniques include superior selectivity and sensitivity for detection of anions and cations, wide dynamic range, and speciation studies of ions. This article provides an overview of different ion chromatographic methodologies developed for the analyses of various nuclear materials such as fuel, control rods, moderator, coolant, and process streams. Comparison of various analytical aspects of IC over the other routine techniques reveals the ease and multidimensional capability of the technique. An insight is given to the modern variations in the field such as coupling of IC with other techniques for the characterization of nuclear matrices, implementation of capillary IC in terms of miniaturization, and so on. The information presented herein will serve as a very useful resource for investigators in the field of characterization of nuclear materials.
1 Introduction
Nuclear energy has received recognition for being a clean and green energy source. As per today, about 10% of the total electricity generated worldwide is from 440 nuclear reactors (retrieved from https://www.world-nuclear.org/information-library/current-and-future-generation/nuclear-power-in-the-world-today.aspx). India being one of the major promoters of nuclear power program across the globe, it strives to achieve self-reliance in meeting energy needs of the people. Different nuclear power reactors play a key role in endeavoring this goal. There are 22 nuclear reactors operating in 8 locations in India with a total capacity of 6780 MW (retrieved from https://www.npcil.nic.in/content/302_1_AllPlants.aspx). Indian nuclear power program is presently based on pressurized heavy water reactors (PHWRs) and boiling water reactors (BWRs) of different capacities. Apart from energy production reactors, there are nuclear reactors employed for the research purpose. Research reactors extend valuable support in the development of the nuclear program by making available the neutrons for different applications like testing of materials, production of radioisotopes, research, and training [1]. A lot of research studies are being pursued on the development of advanced reactors.
In view of the smooth operation of any reactor, the role of nuclear materials comes to the forefront [2]. The characterization of nuclear materials, reactor components, and the associated surroundings are very much essential during different stages of nuclear operations such as exploration, mining, refining, fuel fabrication, assembling, reactor operation, reprocessing, recycling, and disposal. The control over the composition of nuclear materials not only determines the success of the reactor operations but is also essential from the viewpoint of safeguard aspects. The purity of these materials plays an important role in such cases. There are various analytical techniques available for the testing of nuclear materials, for example, spectrometric, chromatographic, and electrochemical methods. Among these, ion chromatography (IC) has emerged as an important tool for simultaneous analysis of ions owing to its simplicity, efficiency, and ability to estimate different valance states of metals as well as nonmetals in a single run in a wide concentration range.
IC is a subclass of liquid chromatography employed for the detection of ionic analytes from various matrices. This technique was developed by Hamish Small and coworkers in the early 1970s at Dow Chemical Company as a novel method of separation based on ion exchange [3]. The last few decades have witnessed continuous technical developments in the field of the IC. The modern IC instrument is high-performance liquid chromatograph, which can be employed for the separation and quantification of anions and cations – both organic and inorganic [4,5]. It utilizes highly efficient columns with small-sized particles for the separation of analytes and usually a conductometric or spectroscopic detector for identification. Ions from the sample matrix are separated based on the ion exchange affinities and reactions that are characteristics of each type of ion [6]. The technique can be classified into two types: suppressed ion chromatography and nonsuppressed ion chromatography [7,8]. Figure 1a shows the schematic of basic components of an ion chromatograph, which include an eluent reservoir, a high-pressure pump, a sample injector, a guard column, an analytical column, a suppressor, a detector, and a data acquisition system. The working of IC system involves the following steps. First, the eluent from the reservoir is loaded to the analyte column. A high-pressure pump is used for efficient delivery of the eluent to the system. The sample is then introduced to the system through the injection valve. It can be done either manually or by using an autosampler. The sample is further transported to the guard and the analytical column through the continuous flow of the mobile phase. Separation of the sample components occurs depending on their variable affinities toward the stationary phase. This affinity and hence separation of ions are governed by two important factors: (a) the charge on the ion and (b) the size of the ion (hydrated). Separated analyte ions along with the eluent travel to the suppressor column. The “suppressor” is needed for decreasing the background conductivity arising due to the mobile phase. The suppressor converts the eluent into a low conducting species and the analyte ions into a highly conducting species, thereby reducing the signal from the eluent species and simultaneously enhancing the signal of the analyte. It results in improvement in the signal-to-noise ratio of the detection system. Hence, the technique is also called as dual-column ion chromatography. Quantitative determination of analytes is carried out by the detector. Conductivity detector with a suppressor is the most common detector in IC. Apart from that, UV-Vis, fluorescence, and amperometric detectors are also used depending on the analysis requirement. In the absence of the suppressor column, the analyte column is directly connected to the detector. In this case, low-capacity resins in combination with relatively low-conductance eluents are employed for separation of ions of interest to manage the detector signal output, thus enabling sensitive detection of the sample components [9]. There are some optional components of the IC system such as a postcolumn reactor for derivatizations, eluent generation, and treatment systems. For cation exchange separations, ion exchangers with sulfonate or carboxylate functional groups are generally used with acidic eluents like H2SO4, oxalic acid, and benzoic acid. In the case of anion exchange separations, the ion exchangers with quaternary/tertiary amine functionality are generally utilized with alkaline eluents such as Na2CO3, NaHCO3, Na2B4O7, and NaOH. Figure 1b illustrates the ion chromatographic analysis conditions for separation of a seven anions (commonly found in groundwater) from a mixture, which is carried out at our laboratory, and the corresponding chromatogram is shown in Figure 1c. The chromatogram shows separation of all the seven anions in the sample based on conductivity as a function of time under the specified analysis conditions.

(a) Schematic representation of basic components of ion chromatograph with suppressed conductivity detector. (b) Ion chromatographic analysis conditions for separation of seven anions from an aqueous mixture. (c) The corresponding chromatogram showing the well-separated seven anions.
Till date, one of the most explored areas of IC applications is the analysis of environmental matrices specifically water and wastewater samples [10,11,12,13,14,15]. In fact, IC has emerged as one of the reference methods for the analysis of different ions in water and wastewater samples, effluents from industries, airborne particles collected on particulate filters, and gaseous samples absorbed on charcoal [16]. Another important applications of IC is in power industries for the characterization of feed and process streams (retrieved from www.metrohm.com) [17]. An important although not much-discussed application of IC is in the analysis of nuclear materials. This article reviews the ion chromatographic methods developed for the characterization of nuclear materials. A brief account of methodologies developed during the IC analysis of various materials, which are used directly or indirectly for nuclear applications and effect of the presence of trace level ionic impurities in these matrices, is given in this study. Most of the work discussed herein is carried out in Bhabha Atomic Research Centre, India. In addition, the recent developments in the field including hyphenation in the detection, capillary IC, and so on are also discussed. To the best of our knowledge, this is the first review on ion chromatographic characterization of nuclear materials for the trace impurities.
2 Characterization of nuclear materials using ion chromatography
Nuclear reactors deal with harsh operational conditions of pressure, temperature, radiation exposure, and corrosive environment. There are stringent specifications for the different nuclear or structural materials employed for such applications (retrieved from https://www.astm.org/Standards/nuclear-technology-standards.html). The noncompliance of these specifications leads to the failure of the entire system and can cause a tremendous loss. The main components of the nuclear reactor system include fuel element, clad, moderator, coolant, and control rod. The trace impurities can adversely affect the physico-chemical properties of the nuclear materials in the reactor environment. Therefore, purity check of the reactor components is very essential and is a part of routine quality control. Along with the integral parts of nuclear reactor, the analysis of process streams is equally important.
The major issue with analysis of nuclear materials in most of the cases is their association with radiation fields, which limits their analysis by normal procedures. Generally, the separation of the analytes is carried out by chemical means, which not only can be cumbersome and time consuming but also can affect the accuracy and detection limit of the analysis. The handling of active and contaminated samples can be hazardous. Therefore, the analytical procedures have strict regulations and should involve minimum processing steps and exposure to the analyst. Special lab setup for sample preparation/sample pretreatment and analysis is required especially in the case of analysis of spent nuclear fuels and associated materials. Hot cells or shielded nuclear radiation containment chambers and glove boxes are generally used for such purposes in nuclear power reactor labs and nuclear medicines industries. The hot cells are equipped to handle α and β radioactivity. Furthermore, the hot cells are placed in the classified clean rooms. Mechanisms like artificial hands are employed, such as remote manipulators or glove boxes to avoid hand doses. Such arrangements can minimize the radiation dose to the analyst and provide a safe containment box, thereby protecting the individuals. Apart from this, the use of appropriate protective clothing, eyeglasses, and radiation shields; maintaining strict hygiene; and periodic check on the radiation levels can lead to the minimum exposure to the analyst.
Ion exchange chromatography is one of the earliest chromatography techniques employed in the nuclear industry. In the Manhattan Project, ion-exchange played a key role in the separation of plutonium from other radioactive nuclides [18]. A systematic discussion on the application of IC as an analytical tool for the characterization of nuclear materials is presented herein. The examples include analyses of fuel, control rods, moderator, coolant, and various process streams in separate sections. In most of the cases, IC deals with the analysis of trace impurities of nuclear materials.
2.1 Analysis of nuclear fuel materials
Nuclear fuel is the heart of the nuclear power reactor. Fuel once loaded in the reactor is expected to work satisfactorily for the intended period. Successful operation of nuclear reactors relies on the efficiency of the performance of the fuel and other structural materials employed in the reactor. Uranium metal and uranium dioxide are the fuel materials of choice for most of the reactors. There is a possibility of contamination with different impurities during various stages of ore processing and fuel fabrication. The impurities mainly include alkali, alkaline earth elements, transition elements, nitrogen, borate, chloride, and fluoride, which can affect the performance of the fuel. In the following examples, the contribution of IC in the characterization of nuclear fuels is discussed.
2.1.1 Cation chromatography for the characterization of uranium dioxide (UO2) pellets for the nitrogen content
Sintered UO2 pellets are used as a fuel in PHWRs. Determination of nitrogen in uranium pellets is very important due to its stringent specification for the quality control of nuclear fuels. The specification limits of nitrogen in uranium alloy and sintered UO2 pellet are 700 and 200 µg g−1, respectively [19]. Nitrogen, which is mostly present as nitrides, gets decomposed due to the pressurization of fuel pin. The released nitrogen then forms brittle nitrides on the internal surface of the clad, which eventually leads to fuel pin failure. In addition, the nuclear reactions of nitrogen may result in the formation of radioactive carbon C14 and affect the reprocessing of spent fuels. Therefore, the concentration of nitrogen is very crucial under reactor conditions. The most common protocol for the nitrogen analysis in nuclear fuels involve separation of nitrogen from the matrix by the Kjeldahl method of distillation followed by photometric/potentiometric (ion-selective electrode) detection [19]. However, the method is tedious, is time consuming, and generally possess severe blank variations. Another method employing gas chromatographic separation procedure requires a large amount of sample. To overcome these limitations, Verma et al. has developed an ion chromatographic method with a dual approach [20]. The first approach was the determination of nitrogen as ammonium cation after Kjeldahl distillation. In the second approach, the distillation was avoided, and matrix separation was carried out by hydrolysis of polyvalent cation followed by filtration of the as-formed precipitate. The filtrate was further analyzed after proper dilution for nitrogen as
2.1.2 Analysis of alkali, alkaline earth elements, and transition elements in uranium- and thorium-based nuclear fuel materials
Another interesting application of cation chromatography has been developed for the determination of trace cationic impurities in nuclear fuels. The presence of alkali and alkaline earth elements reduces the fuel density, affects neutron economy, and leads to the formation of activation products. For example, the presence of Ca and Mg influences the O/M ratio of the fuel matrix due to the favored oxide formation [21,22,23]. Different methods used for the analysis suffer from poor precision, poor sensitivity, or nonavailability of matrix-matching standards [24,25]. Kelkar et al. have developed a nonsuppressed ion chromatography method for the simultaneous determination of alkali, alkaline earth, and transition metal elements in UO2, ThO2 powders, and sintered (Th,U)O2 pellet [26]. The major matrix elements such as uranium and thorium were first removed by solvent extraction with TBP/TOPO in CCl4 to avoid the column overloading followed by evaporation of the aqueous phase obtained after solvent extraction near to dryness and redissolution in 0.001 M HNO3. Metrosep cation 1-2 analytical column containing poly butadiene-maleic acid (PBDMA)-coated silica has been used for the separation of 12 cations (copper, lithium, sodium, ammonium, nickel, potassium, zinc, cobalt, manganese, magnesium, calcium, and strontium) using isocratic elution with tartaric acid and oxalic acid as mobile phase with nonsuppressed conductivity detection. The recoveries for cations in the spiked samples were in the range of 94–110%.
A suppressed ion chromatographic methodology based on matrix separation was developed by Verma and Ramakumar [27]. The interferences from polyvalent and transition cations were eliminated by hydrolysis and retention on iminodiacetic acid resin, respectively. The detection limits for alkali and alkaline earth elements were lying between 2 and 6 µg L−1, and the precision of the method was >±5% with the recovery being in the range of 96–104%.
2.1.3 Determination of trace impurities of borate, chloride, and fluoride in (U3O8, (Pu,U)C, and Pu-alloys)
Detection of trace impurities of borate, chloride, and fluoride in nuclear fuels is very important as boron can affect the neutron economy, and F− and Cl− at trace levels can corrode the clad surface by local depassivation of its surface oxide film, which eventually can lead to the clad failure. This necessitated the fixing of specification limits for B, Cl, and F [28]. Jeyakumar et al. have developed a method for the precise simultaneous determination of these elements in nuclear fuels such as U3O8, (Pu,U)C, and Pu-alloys [29]. The method involved the pyrohydrolytic extraction of B, Cl, and F from the samples as boric acid, HCl, and HF, respectively, and the separation using IC. The detection limits for B (as borate), F−, and Cl− were 24, 13, and 25 µg L−1, respectively. The main advantage of the present method was the generation of a clean sample solution (free from active liquid waste), which is amenable for the IC analysis. The chromatographic separation of analytes was carried out by isocratic elution followed by their conductivity detection. The authors claimed that the proposed methodology could be used for the routine analysis of U- and Pu-based nuclear fuel materials.
2.1.4 Determination of chloride in magnesium metal
Magnesium is being used as the reducing agent in the form of magnesium diuranate (MDU) for the preparation of UO2. In addition, it is employed as a cladding material in research reactors and magnox reactors. The chloride content present as impurity in the magnesium metal leads to the formation of metal chloride, which upon hydrolysis causes the formation of hydronium ions and in turn increases the corrosion rate of the system due to the increased acidity. It is also reported that the rate of magnesium–water reaction is improved in the presence of chloride catalyst [30]. Therefore, the purity check is very important to determine the corrosion resistance of magnesium. Kumar et al. have developed a simple and rapid IC method for detecting Cl− in magnesium metal after its dissolution in nitric acid [31]. Chloride separation was achieved by using Metrosep Anion Dual 2 analytical column connected in series with a Metrosep RP guard column with a mixture of 1.3 mM Na2CO3 and 2 mM NaHCO3 as the eluent followed by conductometric detection. The choice of nitric acid over sulfuric acid was made considering much earlier separation of nitrate than sulfate to avoid the interferences in chloride determination. There was no interference from the closely eluting system peak. The method detection limit for chloride was found to be 50 mg kg−1 with an overall RSD of 5% for the analysis. The method showed quantitative standard addition recovery for chloride and was in better agreement with the available complimentary techniques.
However, the use of nitric acid in the aforementioned method involved a high dilution factor to avoid the overloading of the low-capacity ion exchange column. To overcome this limitation, Dash and Tangavel employed two green approaches for chloride determination in magnesium metal, viz. microwave-assisted water digestion (MAWD) and microwave-induced oxygen combustion (MIC) of the matrix followed by (IC) detection [32]. In MAWD, the authors utilized the reactivity of magnesium in water at high temperature for decomposition of the Mg matrix along with simultaneous matrix removal as Mg(OH)2 precipitate. In the second matrix decomposition approach, i.e., MIC, the combustibility of magnesium with oxygen is considered, which leads to the breakdown of the sample matrix as MgO and chloride is escaped into the solution. Furthermore, the chloride separation was achieved using IonPac AS 17 anion-exchange column with 5 mM sodium hydroxide as eluent. The use of deionized water (pH of 12.5) in MAWD and the use of oxygen as an oxidant in the place of acids in MIC cuts down the ionic load in the sample digest. Hence, the large dilution as in the case of previously discussed acid digestion approaches can be avoided, thus improving the detection limit of the analyte. Method detection limits (3σ) for MAWD and MIC were found to be 1 and 4.2 μg g−1, respectively. The use of microwave for sample digestion in closed conditions enhances the efficiency of the process by reducing the sample treatment time and contribution due to the blank.
2.2 Analysis of trace impurities in nuclear breeder material
Lithium titanate is a potential breeder material for tritium production in nuclear fusion reaction. Lithium carbonate is generally used as the precursor for the synthesis of lithium titanate due to its properties such as high lithium density, thermal stability, excellent release at low temperature, and chemical stability [33,34]. Purity check of lithium carbonate precursor is necessary before its usage. The large amount of carbonate in the sample matrix is the major interference in the analysis of trace impurities. An analytical method has been developed in our lab, wherein the carbonate interference at the trace level has been eliminated. The method involved a pretreatment step by which the carbonate in the sample has been converted into carbonic acid and subsequently removed from the solution by purging nitrogen for 5 min. The carbonate-free sample solution was analyzed for trace impurities by IC with suppressed conductometric detection using a Dionex AS11-HC anion analytical column (4 × 250 mm) and 35 mM NaOH as the eluent. The RSD of the method was found to be 2%.
2.3 Characterization of control rod materials in nuclear reactor
Control rods are applied to shut down the reactor and for controlling the power of the reactor. Boron is used in the form of boron carbide as control rods. Boron is very important in the nuclear industry due to its very high neutron absorption cross-section. It is also used as a shielding material. Following are the examples of analysis of boron and boron carbide using IC.
2.3.1 Characterization of boron and boron carbide for trace impurities of fluoride and chloride
The proper functioning of boron carbide as nuclear reactor control rods depends on its purity. The trace level impurities such as fluoride and chloride can lead to accelerated corrosion of metallic components of the system. For nuclear applications, the specification limits for chloride and fluoride have been fixed to 75 and 25 mg g−1, respectively [35]. The analysis of trace impurities in boron and its compounds is very challenging pertaining to the highly refractory nature of the material. The most recommended ASTM procedure for such analysis is pyrohydrolysis paired with IC [36]. However, long analysis time and requirement of high temperature for steam distillation of Cl− and F− from the sample matrix are the major limitations of this method. This necessitated the search for simple and accurate methods for the routine analysis of these samples. Kumar et al. have reported an alkaline (sodium carbonate) fusion method for dissolution of the boron carbide sample followed by chloride detection using IC in the suppressed conductivity mode [37]. The main advantage of the developed method there was no need of matrix elimination. The sample fused in the sodium carbonate matrix was dissolved in hot water and taken for the analysis after appropriate dilution. A mixture of 1.3 mM Na2CO3 and 2 mM NaHCO3 was used as the mobile phase. The strategy was simple and rapid. The detection limit of the method for chloride was found to be 33 mg kg−1, which is well below its technical specification.
In another report, Krishna et al. developed the microwave-assisted digestion method for determination of Cl− and F− in nuclear-grade boron carbide powders for the first time [38]. The popularity of closed microwave-assisted leaching method for different analytes over the conventional methods has increased with time due to its short processing time, high efficiency, and lower risk of contamination. In this study, the authors have compared their analysis results with those obtained from the conventional pyrohydrolysis method coupled with IC technique.
Dash et al. have also employed the closed vessel microwave-assisted digestion approach (using hydrogen peroxide and dilute nitric acid medium) in conjugation with suppressed IC for determination of Cl− and F− in nuclear grade enriched boron (B10) [39]. Minimum amount of reagents have been used to avoid the column overloading and to obtain efficient digestion of the sample. The authors claim that the present digestion strategy requires four times less amount of acid compared to the conventional hot plate digestion as there is regeneration of nitric acid at high temperature (230°C) via the oxidative reaction of evolved NO2 with water. The chromatographic responses of two analytical columns (IonPac AS15 and IonPac AS20) toward Cl− and F− in the high nitrate matrix have been compared. The method validation was performed with known spectrophotometric and ion-selective electrode techniques. The detection limit for fluoride was 8 mg kg−1 and that for chloride was 15 mg kg−1, while the RSD of the method was <10%.
Recently in our laboratory, we have developed a green method employing an ultrasound-assisted solid–liquid extraction (UA-SLE) paired with IC detection for trace level determination of F− and Cl− in nuclear grade boron carbide and elemental boron [40]. The results obtained were validated with standard addition recovery tests, ASTM procedure of pyrohydrolysis, and ion-selective electrode analysis. The method is free from harsh chemicals, which are generally employed in the regular sample pretreatment protocols. The detection limit for F− and Cl− was found to be 1.0 and 2.0 µg g−1, respectively, and the RSD of the method was 4%. The measurement uncertainty budget for the developed method was presented using a bottom-up approach. The developed method was extended for the analysis of trace anionic impurities in the graphite sample. The results were found to be well in agreement with the alternate analytical techniques such as neutron activation analysis and ion-selective electrode analysis.
2.4 Characterization of coolant and moderator for trace impurities
Heavy water is used as a coolant in pressurized heavy water reactors (PHWRs) in India to transport the heat produced in nuclear reactors from the primary heat transport system to the secondary light water (H2O) for steam production. The ultra-trace concentrations of chloride and sodium ion in heavy water are monitored routinely by means of IC in our laboratory. For corrosion-free functioning of the steam generators at high temperatures, the pH of the feed water is increased by the addition of volatile amines, in particular monoethanolamine (MEA) along with hydrazine. The volatilized forms of these amines along with steam are carried to different parts of the entire steam–water circuit to provide protection against corrosion. Hydrazine acts as the scavenger for dissolved oxygen and retains reducing conditions. The detection of MEA in the presence of hydrazine is challenging due to their similar chemical properties and the presence of different cationic impurities.
Ayushi et al. have developed a simple and accurate method based on derivatization IC for quantification of MEA in the presence of hydrazine from PHWR steam-water circuits [41]. The cationic interferences in the sample matrix were eliminated by OnGuard-H cartridge treatment. Detection of analyte was carried out by nonsuppressed IC separation using a mixture of 4 mM tartaric acid, 20% acetone, and 0.05 mM HNO3 as eluent. The use of acetone in the mobile phase causes the formation of different derivatives of MEA and hydrazine, which get separated at different retention times in IC. The authors have reported that the recovery of added MEA was in the range of 95–102%. The method was successfully applied to water samples from a steam generator.
2.5 Analysis of trace impurities in nuclear process/waste streams
From the past many years, a closed nuclear fuel cycle technology involving the reprocessing and recycling has been implemented in India [42,43,44]. The reprocessing of the spent nuclear fuel generates high, intermediate, and low-level aqueous waste streams. The detailed and accurate analysis of the ionic components of the waste streams is an integral part of the waste management, which is a very crucial task. The development of waste treatment strategies relies on the accurate analysis results of the composition of the waste streams, i.e., concentrations of different ionic species. IC serves as a vital role in the analysis of anions such as sulfate, nitrate, nitrite, and fluoride in waste streams and reprocessing plant streams of the nuclear industry. Few examples of anionic analysis from different processes of effluents are given as follows.
Waste nitrate streams are generated during the conversion of ammonium diuranate (ADU) to nuclear grade uranium dioxide. Thermal denitration is the preferred option for processing of such waste streams. An experimental thermal denitration plant has been set up at BARC, which employs fluidized bed for thermal decomposition of ammonium nitrate solutions into nitrogen, oxygen, NOx, and water. For efficient running of this plant, rapid and accurate investigation of the nitrate content at different stages is needed. Dudwadkar et al. have developed a method for determination of nitrate content in these process streams using IC [45]. The nitrate separation was carried out using the Metrosep A supp 3 analytical column connected in a series with a Metrosep RP guard column in the presence of 1.8 mM Na2CO3 and 1.7 mM NaHCO3 eluent followed by conductometric detection in the suppressed mode. This method did not show any interference from other anions. In the case of effluents from thermal denitration of zirconium raffinate plant, the prior separation of “Zr” using H-guard column has been performed to get rid of the zirconium matrix.
Another example is the determination of nitrate in the effluent generated during uranium metal production. This is very important in view of its safe discharge. The presence of large concentration of chloride poses a challenge in nitrate determination. A matrix elimination ion chromatographic method has been developed. It involved a sample pretreatment with silver guard column to remove the interference from chloride ions and subsequent quantitative determination of nitrate using IC with conductometric detection under optimized conditions [46]. Table 1 summarizes the methods developed for the analysis of trace impurities in nuclear materials. Most of the study presented is carried out at Bhabha Atomic Research Centre, India.
Summary of methods developed for analysis of trace impurities in nuclear materials
| Sr. no. | Sample | Analyte | Sample pretreatment | Measuring system | Stationary phase | Mobile phase | LOD | Reference |
|---|---|---|---|---|---|---|---|---|
| 1 | Uranium alloy, uranium metal, sintered UO2 pellets and sintered UO2 microspheres | Nitrogen as
|
Matrix separation by Kjeldahl distillation and matrix separation by hydrolyzing and filtering off the polyvalent cations | Cation exchange chromatography with suppressed conductivity detection | Dionex Ion Pac CS12A (250 × 4 mm) | 11 mM sulfuric acid at a flow rate of 1 mL min−1 | 4 ng g−1 | [20] |
| 2 | UO2, ThO2 powders and sintered (Th,U) O2 pellet | Cu, Li, Na, NH4, Ni, K, Zn, Co, Mn, Mg, Ca, and Sr | Matrix elimination by solvent extraction in TBP/TOPO in CCl4 and redissolution of aqueous phase in 0.001 M HNO3 | Cation exchange chromatography with non-suppressed conductivity detection | Metrosep cation 1-2 analytical column containing poly butadiene-maleic acid (PBDMA)-coated silica | 1 mM tartaric acid + 0.75 mM oxalic acid | [26] | |
| 3 | Uranium based materials | Na, K, Mg, and nitrogen as
|
Matrix separation after sample dissolution by hydrolyzing and filtering off the polyvalent cations | Cation exchange chromatography with suppressed conductivity detection | Dionex Ion Pac CS12A (250 × 4 mm) connected with guard column CG12A (50 × 4 mm) | 20 mM methanesulfonic acid at flow rate of 1 mL min−1 | 2–6 g L−1 | [27] |
| 4 | U3O8, (Pu,U)C, and Pu-alloys |
|
Pyrohydrolytic extraction of B, Cl, and F from the samples as boric acid, HCl, and HF | Anion exchange chromatography with suppressed conductivity detection | Waters IC PakA (50 × 4.6 mm) | 0.56 M d-mannitol in 6.5 mM NaHCO3 at flow rate of 1 mL min−1 | B (as borate): 24 µg L−1, F−: 13 µg L−1, Cl−: 25 µg L−1 | [29] |
| 5 | Magnesium metal | Cl− | Dissolution of magnesium metal in nitric acid | Anion exchange chromatography with suppressed conductivity detection | Metrosep Anion Dual 2 analytical column connected in series with a Metrosep RP guard column | 1.3 mM Na2CO3 and 2 mM NaHCO3 | 50 mg kg−1 | [31] |
| 6 | Magnesium metal | Cl− | Microwave-assisted water digestion (MAWD) and microwave induced oxygen combustion (MIC) | Anion exchange chromatography with suppressed conductivity detection | IonPac AS 17 anion-exchange column connected in series with IonPac AG 17 guard column | 5 mM NaOH | 1 μg g−1 (MAWD) and 4.2 μg g−1 (MIC) | [32] |
| 7 | Boron carbide | Cl− | Sample dissolution by alkaline (sodium carbonate) fusion | Anion exchange chromatography with suppressed conductivity detection | Metrosep Anion Dual 2 analytical column connected in series with a Metrosep RP guard column | 1.3 mM Na2CO3 and 2 mM NaHCO3 | 33 mg kg−1 | [37] |
| 8 | Boron carbide powders | Cl− and F− | Microwave-assisted digestion of sample matrix in 10% HNO3 (v/v) | Anion exchange chromatography with suppressed conductivity detection | Metrosep analytical column (75 × 4.6 mm) connected in series with (20 × 4 mm) Metrosep guard column | 1.3 mM Na2CO3 + 2 mM NaHCO3 with flow rate of 0.6 mL min−1 | Cl−: 1.9 µg g−1, F−: 1.2 µg g−1 | [38] |
| 9 | Elemental boron | Cl− and F− | Microwave assisted digestion using H2O2 and dilute HNO3 | Anion exchange chromatography with suppressed conductivity detection | IonPac AS20 (250 × 4 mm) connected to IonPac AG20 | 25 mM of NaOH at flow rate of 1.0 mL min−1 | Cl−: 15 mg kg−1, F−: 8 mg kg−1 | [39] |
| 10 | Boron carbide and elemental boron | Cl− and F− | Ultrasound-assisted dispersive solid–liquid extraction | Anion exchange chromatography with suppressed conductivity detection | IonPac AS11-HC connected in series with an IonPac AG11-HC guard column | 15 mM NaOH at flow rate of 0.5 mL min−1 | Cl−: 2.0 µg g−1, F−: 1.0 µg g−1 | [40] |
| 11 | PHWR steam generator water sample | Monoethanolamine | OnGuard-H cartridge treatment | Derivatization ion chromatography with non-suppressed conductometric detection | Metrosep cation 1-2 analytical column (125 × 4 mm) connected in series with a Metrosep cartridge | 4 mM tartaric acid + 20% acetone + 0.05 mM HNO3 | 0.1 μg mL−1 | [41] |
| 12 | Process streams (ammonium nitrate and zirconium raffinate) |
|
Onguard H-cartridge treatment (for zirconium raffinate) | Anion exchange chromatography with suppressed conductivity detection | Metrosep A supp 3 analytical column connected in series with a 15 Metrosep RP guard column | 1.8 mM Na2CO3 + 1.7 mM NaHCO3 | 0.02 µg mL−1 | [45] |
3 Miscellaneous examples of application of ion chromatography
The foremost purpose of nuclear reactors is the production of electricity. However, these reactors are also used for desalination and radioisotope production. Following section deals with the examples of few indirect applications of IC to the reactor activities.
One of the upcoming technologies to ease the global water crisis is forward osmosis (FO). This separation technology utilizes highly selective semipermeable membranes for water extraction from a feed stream to a highly concentrated draw solution (DS) [47,48,49,50]. A polyamide membrane for forward osmosis applications has been synthesized at Bhabha Atomic Research Centre. The analysis of the leachable chloride content for the as-synthesized membrane was of interest since it can affect the membrane performance. However, the large concentration of carbonate anion in the draw solutions of forward osmosis poses a challenge in the trace level chloride analysis. In a developed analytical strategy, the carbonate interference was eliminated by converting it to the acidic form followed by its removal with nitrogen purging [51]. The carbonate-free sample solution was then tested for chloride impurity using IC with suppressed conductivity detection. The RSD of the method was found to be 2%.
Radioactive iodine is one of the main fission products in nuclear power plants. Its accidental release into the reactor containment or into the environment is a matter of safety concern. In this view, the knowledge of aqueous iodine chemistry and the retention behavior of its species are important. Herein, we developed a method for detection of aqueous iodine species such as iodate and iodide in highly alkaline scrubber solutions by separation of analytes on an IonPac AS11 column with NaOH as the eluent [52]. This method has been optimized by varying the analysis conditions such as column temperature, eluent concentration, eluent flow rate, and elution time. The detection limit obtained for both iodate and iodide was found to be 50 µg L−1 in solution. The solution samples from air clean-up studies conducted by TNRPD/Nuclear Recycle Board were analyzed to check absorption efficiency of iodine, NO x , and CO2 in the caustic solution. Iodine species were successfully quantified in these samples.
A common problem encountered in heat transfer equipment is the scale formation, which leads to failure of the system. The knowledge of scale formation and its analysis is important in view of operational and economic feasibility of the system. In most of the cases, the scale samples are composed of sulfates of various commonly available cations, in particular calcium sulfate. The determination of sulfate in such complex matrices is challenging. An ion chromatographic method has been developed for the same. Before sample processing, a nondestructive qualitative analysis of the sample using EDXRF was carried out to understand its cationic composition. This was essential to decide the line of sample pretreatment. The presence of Ca, Fe, Ni, Cu, and Si as major elements and Ti and K as minor elements was confirmed from EDXRF. The scale samples were sonicated for extraction of the leachable sulfate and cations in the solution. The extract was then passed through H-guard column to eliminate the interference due to cations. The ion chromatographic separation was performed using Dionex AS11-HC anion analytical column (4 × 250 mm) connected in a series with a Dionex AG11-HC guard column (4 × 20 mm) with 35 mM NaOH as the mobile phase at a flow rate of 1.0 mL min−1. The sulfate content in the samples was determined with a relative standard deviation of <6% for the overall method [53].
The compositional analysis of the salt mixture generated by the electron beam irradiation of simulated flue gas was carried out using IC by Dudwadkar et al. [54]. The exhaust gas produced in combustion processes at power plants (generally referred as flue gas) needs to be monitored for toxic emissions. A technology is being developed by APPD, Bhabha Atomic Research Centre to limit the release of these toxic emissions in environment by irradiation of flue gas using electron beam in the presence of ammonia. The irradiation decomposes the flue gas by converting NO
x
and SO
x
emissions into commercial-grade fertilizer. An IC method with conductometric detection in the suppressed mode for the compositional analysis of resultant salt mixture in the aqueous medium was developed. This method involved the use of a Dionex AS11-HC anion analytical column (4 × 250 mm) with 35 mM NaOH as the eluent for the anionic analysis and Dionex CS12A cation analytical column (4 × 250 mm) with 20 mM H2SO4 for cationic analysis. Determinations of both anion and cations were performed using optimized experimental parameters of the eluent flow rate of 1.0 mL min−1, 25 µL injection volume, column temperature 30°C, and suppressor current of 112 and 117 mA for anions and cations, respectively.
4 Recent trends in IC analysis
The significant development was seen in the field of IC since its inception in 1975. The major developments include hyphenation of IC with other analytical techniques and miniaturization of the analytical instrumentation. The coupling of IC with other analytical detection techniques like atomic absorption, atomic fluorescence, atomic emission, or mass spectrometry is of interest [55]. The hyphenation resulted in ease of analysis at ultra-trace levels with enhanced sensitivity. Among all, mass spectrometry (MS) has been explored more due to its selective and sensitive detection. IC hyphenated with MS has become a very powerful tool for the speciation analysis.
Betty and coworkers contributed immensely in the development for detection of various fission products in nuclear matrices using hyphenated techniques [56,57,58,59,60,61]. In a review on determination of radionuclides in spent nuclear fuel and high-level liquid waste samples, the author discussed analytical strategies based on coupling of IC with other nuclear and nonnuclear detection modes [56]. The IC-ICP-MS hyphenated technique was found to be very effective for complete profiling of actinides and fission products in nuclear waste samples. Moreover, the detection limit (achieved using ICP-MS) could be further improved by employing the online preconcentration technique. Few selected examples in this area are discussed later.
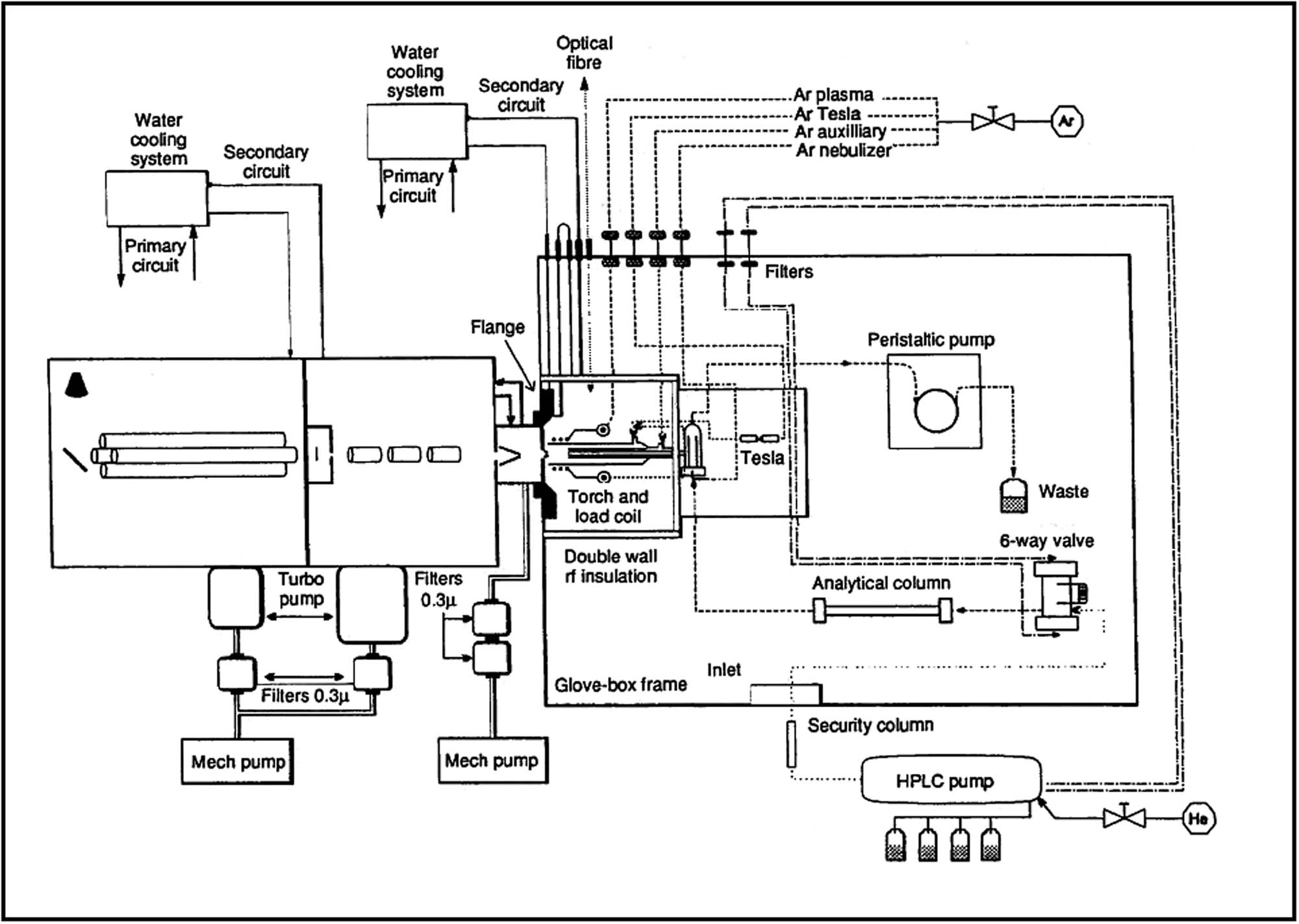
A modified IC-ICP-MS coupled system was used for the analysis of radioactive materials in the glove box [57]. Herein, the system components such as injection valve and separation column were placed inside the glove box and were directly connected to the cross-flow nebulizer, while the chromatographic pump was installed outside the glove box. The schematic of the analytical setup is shown in Figure 2 (reproduced from ref. [57] with permission from The Royal Society of Chemistry). The developed method was applied for the analysis of spent nuclear fuel samples. In another report by Moreno et al., IC paired with ICP-MS was used to separate Np, Pu, and U [58]. The method was optimized with a standard solution containing Np, U, and Pu (ratio 1:1:1) at the 100 ng mL−1 concentration level. A high-capacity cation-exchange column (CS10) has been employed for separation. Quantitative recovery (96–98%) of the studied elements was found at the optimized conditions.
![Figure 2
Schematic diagram of IC-ICP-MS coupled analytical set up with glove box (reproduced from ref. [57] with permission from The Royal Society of Chemistry).](/document/doi/10.1515/revac-2021-0135/asset/graphic/j_revac-2021-0135_fig_002.jpg)
Schematic diagram of IC-ICP-MS coupled analytical set up with glove box (reproduced from ref. [57] with permission from The Royal Society of Chemistry).
An analytical method for the determination of actinide isotopes in (Pu and UO2) fuel pellet leachate solutions has been reported [61]. Leachate solution was prepared by immersing a mixed oxide (Pu and UO2) fuel pellet in distilled water, and the concentration of Pu and U leached were measured using both IC-ICP-MS and radiometric techniques. This study evaluated different parameters like detection limit for each isotope, sample preparation procedure in terms of duration, complexity, and interferences. The study showed that IC-ICP-MS was better suited for the determination of long-lived radionuclides. It was also reported that the sample preparation and the analysis time were longer for radiometric techniques compared to IC-ICP-MS.
A novel method was developed for the determination of isotopes of Cs and Sr from the mixture containing Rb and Ba using the IC-ICPMS hyphenated technique [62]. The use of ICP-MS helps in the determination of Rb, Cs, Sr, and Ba isotopes. The separation was achieved using ammonia-neutralized oxalic acid (0.1 mol L−1 at pH at 4.5–5.5) as the mobile phase and IonPac CS5A column as the stationary phase. Under the optimized conditions, the retention time for the analytes did not exceed 15 min. It was reported that the method could be applied to determine 134Cs, 135Cs, 137Cs, and some isotopes of Rb, Sr, and Ba in a sample from spent nuclear fuel. The activity of 134Cs and 137Cs derived from the ICP-MS data was well in agreement with the gamma spectroscopy data.
The analysis of actinide and beta-emitting radionuclides in waste streams and environmental samples was carried out using a hyphenated method involving separation by IC and detection by flow scintillator. IC was used for elemental selectivity, and flow-through scintillation counting was used for radiometric detection and discrimination. The methodology developed could be applied to both spiked and actual groundwater samples [63].
Epov et al. reported a simple and online analytical method for the determination of plutonium (Pu) isotopes in soil and sediment samples [64]. Pu extraction was carried out using microwave leaching, and l-ascorbic acid was best suited to convert Pu into Pu(iv) for chromatography. The separation and preconcentration of Pu from constituents of sample matrix including 238U was achieved by flow injection chromatography using TEVA resin. The use of a high sensitivity quadrupole ICP-MS demonstrated a detection limit of 3 and 0.3 pg kg−1 for 239Pu and other Pu isotopes, respectively.
The determination of Pu isotopes in lake sediments was carried out by a novel analytical strategy. The method involved the use of sector field inductively coupled plasma mass spectrometry (ICP-MS) paired with two-stage chromatographic separation and purification of Pu [65]. The separation of Pu was carried out using a strong base anion-exchange resin (AG MP-1M) and concentrated HBr as the eluent. The method was validated using different reference materials and applied for Pu determination in sediment samples.
The automated flow analysis procedures developed for applications in the nuclear industry have been reviewed by Trojanowicz et al. [66]. The application of continuous flow methods (CFA) or injection methods (FIA, SIA) coupled with the β-radiometric detection reduces the time of analysis by automation of sample processing and simultaneously improves the detection limit and precision. The use of mass spectrometry enables the multicomponent analysis and shows better limits of detection for transuranic isotopes. The best-suitable methods for quantitative determination of radioactive isotopes in environmental samples are online column-based sample processing and separation involving ion-exchange chromatography, solid-phase extraction, and extraction chromatography coupled with scintillation counting or MS.
The determination of fission products can be achieved by using the IC-coupled ICP-MS system wherein the interferences in the MS detection due to different isobars can be eliminated using IC separation, and the sensitivity in the MS detection can be improved with column separation and preconcentration of analytes in IC. ICP-MS coupling as the detection strategy with IC has been emerged as an effective method for the analysis of fission products and actinides in different nuclear samples and contaminated nuclear samples.
Roach et al. have recently developed a RAPID (Rapid Analysis of Post-Irradiation Debris) method for determination of composition and isotopic analysis of actinides and fission elements in different matrices [67]. It is composed of high-performance IC-coupled with ICP-MS. The determination of analytes without matrix separation or purification via the use of isotope dilution was achieved with as low as 1% uncertainty at the picogram levels in short time. In another report, they have applied the same automated method to an irradiated highly enriched uranium matrix for simultaneous determination of stable and radioactive isotopes of various fission elements after leaching the sample matrix. The method was found to be stable, sensitive, and precise for detection of over 40 elements including Cs, Sr, Y, La, Ce, Pr, Nd, Pm, and Sm, down to the femtogram level [68]. Furthermore, the method was successfully extended for determination of rare earth elements in uranium ore concentrates in two detection modalities after separation, i.e., offline and online detection using ICP-MS. The measurement accuracy almost remained identical for both detection methods [69]. However, this method is not suitable for detection of short-lived species below the detection level of the system. Therefore, Roach et al. modified the earlier RAPID setup by incorporating the inline gamma ray detector post-IC separation and pre-MS analysis [70]. The chromatographic separation of the analytes was achieved using Dionex ICS 5000 HPIC system at 35°C with IonPac CG5A guard column and an IonPac CS5A column. The column output was connected to the nebulizer of the mass spectrometer for coupling. A separate sample loop postchromatographic separation and pre-ICP-MS detection was connected to inline CZT gamma ray detector in the RAPID setup. With the use of this setup, the authors have successfully demonstrated that the combination of two detection strategies, i.e., mass and gamma ray spectrometry, is able to characterize the irradiated nuclear materials.
IC is no exception with respect to miniaturization of the analytical instrumentation. Implementation of capillary scale IC is the best example wherein the analytical separations are carried out over a capillary column, which is about 10 times small in diameter in comparison with the regular IC columns. Although the first report on capillary IC was published in 1983 by Rokushika et al. [71], actual interest of researchers in this technique was surged recently after the introduction of monolithic columns and capacitively coupled contactless conductivity detection (C4D) [72,73,74,75]. It offers the advantages such as reduction in volume of sample and eluent, increased working efficiency of the instrument, improved detection limits, and generation of less amount of waste over the regular scale IC separations. Peterson and Montoya [76] have reported trace level actinide separation using capillary column extraction chromatography. Five actinides ((232)Th, (238)U, (237)Np, (239)Pu, and (241)Am) were successfully separated using the developed method and were detected by ICP-MS. Performance of capillary columns with respect to regular IC columns was compared. The developed method is useful for automated separations of actinides at trace levels.
The other example of miniaturization is the microchip-based IC system. In case of microchip-based IC, all chromatographic system components including membrane micro valves, a column, porous frits, and detector cell are integrated on the single chip except the pump. By using this integrated miniaturized system, accurate and precise measurement can be carried out. However, the parameters such as stability of stationary phase, high working pressure, and flow control in narrow microchannels present technical difficulties during operation.
The last two decades witnessed remarkable developments in the field of IC. Figure 3 shows the overview of the published literature (including journal articles, reviews, books, reports, etc.) related to the use of IC over the years available from the search engine PubMed (retrieved from https://pubmed.ncbi.nlm.nih.gov/advanced/). It reflects the number of papers published on IC based on the search results of the term “ion chromatography” in the title and abstract of the source from 1975 till date. There are 3,335 results showing up for the mentioned search with escalating trend over the years from 1975. This shows the increasing interest of researchers for utilization of IC for various research and application purposes. The bar diagram also includes the data for search results of the terms: “ion chromatography,” “nuclear,” and “radioactive” in the title and abstract of the source from 1975 till date. One hundred thirty-two results appeared for this search, which accounts for nearly 4% of the 3,335 results. It is seen from the graphic that after 2010, there is a slight surge in the application of IC for the analysis of nuclear or radioactive materials. This may be due to the introduction of more sophisticated instruments and use hyphenated technologies. The number shows that the development of direct analytical methods with very less interferences for characterization of nuclear materials remains a challenge. There are areas that still need further improvement to make the technique yet more powerful. These include development of new stationary phases, novel sample processing protocols, newer hyphenated detection strategies, complex eluent profiles for enhancement in peak capacity, improved data acquisition tools for peak simulation and predictions, application IC for complex biomolecules, and so on.

Bar diagram illustrating the number of papers published on IC from 1975 till date based on the search results of PubMed. The figure legends show the terms searched in the title and abstract of the published literature.
5 Conclusion
The present review summarizes the methodologies developed for the characterization of nuclear materials and related trace impurities using ion chromatography. Being a simple, sensitive, and simultaneous technique with little or no sample pretreatment for separation of anions, cations, and polar molecular species, IC has evolved as the widely accepted analytical technique for monitoring of fuels, coolants, control rods, and so on used in nuclear reactors. Technological advancement in the instrumentation with efficient columns, hyphenation of IC with other sophisticated detection strategies, miniaturized capillary scale IC, and so on has offered improved detection limits and high sample throughput in complex matrices.
Acknowledgments
The authors sincerely thank Dr. A. K. Tyagi, Associate Director, Chemistry Group, BARC and Dr. C. N. Patra, Head Analytical Chemistry Division, BARC for their encouragement and support.
-
Funding information: The authors state no funding involved.
-
Author contributions: Harshala Parab: visualization, writing – original draft, writing – review and editing, methodology; Jayshree Ramkumar: writing – original draft, writing – review, and editing; Ayushi Dudwadkar: methodology; Sangita D. Kumar: visualization, writing – review, and editing.
-
Conflict of interest: The authors state no conflict of interest.
References
[1] Research reactors: purpose and future, IAEA, 60 years, atoms for peace and development; 2016. https://www.iaea.org/sites/default/files/18/05/research-reactors-purpose-and-future.pdfSearch in Google Scholar
[2] Linga Murty K, Charit I. An introduction to nuclear materials: fundamentals and applications. 1st ed. Weinheim, Germany: Wiley-VCH Verlag GmbH & Co. KgaA; 2013.Search in Google Scholar
[3] Small H, Stevens TS, Bauman WC. Novel ion exchange chromatographic method using conductimetric detection. Anal Chem. 1975;47:1801–9.10.1021/ac60361a017Search in Google Scholar
[4] Weiss J. Handbook of ion chromatography. 4th ed. Weinheim, Germany: Wiley-VCH Verlag GmbH & Co. KgaA; 2016.10.1002/9783527651610Search in Google Scholar
[5] Haddad PR, Nesterenko PN, Buchberge W. Recent developments and emerging directions in ion chromatography. J Chrom A. 2008;1184:456–73.10.1016/j.chroma.2007.10.022Search in Google Scholar PubMed
[6] Fritz JS. Factors affecting selectivity in ion chromatography. J Chrom A. 2005;1085:8–17.10.1016/j.chroma.2004.12.087Search in Google Scholar PubMed
[7] Fritz JS. Early milestones in the development of ion-exchange chromatography: a personal account. J Chrom A. 2004;1039:3–12.10.1016/j.chroma.2003.12.068Search in Google Scholar PubMed
[8] Fritz JS. Ion chromatography. Anal Chem. 1987;59:335–44.10.1021/ac00131a737Search in Google Scholar
[9] Fritz JS, Gjerde DT. Discovery and early development of non-suppressed ion chromatography. J Chrom Sci. 2010;48:525–32.10.1093/chromsci/48.7.525Search in Google Scholar PubMed
[10] Jackson PE. Ion chromatography in environmental analysis. In: Meyers RA, editor. Encyclopedia of analytical chemistry. Chichester: John Wiley & Sons Ltd; 2000. p. 2779–80110.1002/9780470027318.a0835Search in Google Scholar
[11] Michalski R. Applications of ion chromatography for the determination of inorganic cations. Crit Rev Anal Chem. 2009;39:230–50.10.1080/10408340903032453Search in Google Scholar
[12] Jackson P. Determination of inorganic anions in drinking water by ion chromatography Application Notes 133. Sunnyvale, CA, USA: Thermo Fisher Scientific Inc.Search in Google Scholar
[13] Pfaff JD. Determination of inorganic anions by ion chromatography. Cincinnati, Ohio: U.S. Environmental Protection Agency Method 300.0; 1993.Search in Google Scholar
[14] Greenberg AE, Clesceri LS, Eaton AD, editors. Standard methods for the examination of water and wastewater. 18th ed. Washington, DC: Am. Public Health Assoc.; 1992.Search in Google Scholar
[15] ASTM D4327-97. Standard test method for anions in water by chemically suppressed ion chromatography. West Conshohocken, PA: ASTM International; 1991. www.astm.orgSearch in Google Scholar
[16] Michalski R. Environmental applications of ion chromatography in eastern and Central Europe. J Chrom Sci. 2010;48:559–65.10.1093/chromsci/48.7.559Search in Google Scholar PubMed
[17] Michalski R. Industrial applications of ion chromatography. Chemik. 2014;68:478–85.Search in Google Scholar
[18] Settle FA. Analytical chemistry and the Manhattan project. Anal Chem. 2002;74:36A–43A.10.1021/ac021919zSearch in Google Scholar
[19] Rizvi GH, Natrajan PR. Determination of nitrogen in UO2 by Kjeldahl spectrophotometry. J Radioanal Nucl Chem. 1986;102:515–23.10.1007/BF02047926Search in Google Scholar
[20] Verma P, Ramakant RK, Ramakumar KL. Determination of trace amounts of nitrogen in uranium based samples by ion chromatography (IC) without Kjeldahl distillation. Anal Chim Acta. 2007;596:281–4.10.1016/j.aca.2007.06.019Search in Google Scholar
[21] Chase MW Jr. NIST-JANAF thermochemical tables, 4th ed. Monograph 9 (Part I and Part II). J Phys Chem Ref Data. 1998;1963 pages.Search in Google Scholar
[22] Malhotra RK, Satyanarayana K. Estimation of trace impurities in reactor-grade uranium using ICP-AES. Talanta. 1999;50:601–8.10.1016/S0039-9140(99)00145-9Search in Google Scholar
[23] Ramaniah MV. Analytical chemistry of fast reactor fuels – a review. Pure App Chem. 1982;54:889–908.10.1351/pac198254040889Search in Google Scholar
[24] Misra NL, Singh Mudhera KD, Adyab VC, Rajeswari B, Venugopal V. Determination of trace elements in uranium oxide by total reflection X-ray fluorescence spectrometry. Spectrochim Acta B Atom Spect. 2005;60:834–40.10.1016/j.sab.2005.05.023Search in Google Scholar
[25] Venkatasubramanian R. A new carrier for direct spectrographic determination of trace alkalies and alkaline earths in high purity thorium oxide. Anal Lett. 1981;14:731–40.10.1080/00032718108081434Search in Google Scholar
[26] Kelkar A, Prakash A, Afzal M, Panakkal JP, Kamath HS. Simultaneous determination of alkali, alkaline earth and transition metal elements in uranium and thorium based nuclear fuel materials by single column ion chromatography. J Radioanal Nucl Chem. 2011;287:595–601.10.1007/s10967-010-0847-3Search in Google Scholar
[27] Verma P, Ramakumar KL. Determination of alkali and alkaline earth elements along with nitrogen in uranium based nuclear fuel materials by ion chromatography (IC). Anal Chim Acta. 2007;601:125–9.10.1016/j.aca.2007.08.019Search in Google Scholar
[28] Dams W, Bauer E, Baumann S, Krause R. New methods for the determination of impurities in (Pu, U) O2 fuels. J Nucl Mater. 1988;153:108–12.10.1016/0022-3115(88)90201-2Search in Google Scholar
[29] Jeyakumar S, Raut VV, Ramakumar KL. Simultaneous determination of trace amounts of borate, chloride and fluoride in nuclear fuels employing ion chromatography (IC) after their extraction by pyrohydrolysis. Talanta. 2008;76:1246–51.10.1016/j.talanta.2008.05.039Search in Google Scholar
[30] Taub IA, Roberts W, LaGambina S, Kustin K. Mechanism of dihydrogen formation in the magnesium–water reaction. J Phy Chem A. 2002;106:8070–8.10.1021/jp0143847Search in Google Scholar
[31] Kumar SD, Tripathi VS, Shenoy N, Maiti B. Chloride analysis in magnesium metal using ion chromatography with conductometric detection. J Chrom A. 2004;1046:155–8.10.1016/S0021-9673(04)00975-6Search in Google Scholar
[32] Dash K, Tangavel S. Microwave-assisted green chemistry approach for trace level chloride determination in high purity magnesium by suppressed ion chromatography. Int J Chrom Sci. 2013;3:24–30.Search in Google Scholar
[33] Van Der Laan JG, Kawamura H, Roux N, Yamaki D. Ceramic breeder research and development: progress and focus. J Nucl Mater. 2000;283:99–109.10.1016/S0022-3115(00)00352-4Search in Google Scholar
[34] Mandal D, Shenoi MRK, Ghosh SK. Synthesis & fabrication of lithium-titanate pebbles for ITER breeding blanket by solid state reaction & spherodization. Fusion Eng Design. 2010;85:819–23.10.1016/j.fusengdes.2010.06.018Search in Google Scholar
[35] ASTM C750-09. Standard specification for nuclear-grade boron carbide powder. Annual book of ASTM standards. West Conshohocken, PA: ASTM International; 2014.Search in Google Scholar
[36] ASTM C791-12. Standard test methods for chemical, mass spectrometric, and spectrochemical analysis of nuclear-grade boron carbide. Annual book of ASTM standards. West Conshohocken, PA: ASTM International; 2012.Search in Google Scholar
[37] Kumar SD, Venkatesh K, Maiti B. Determination of chloride in nuclear-grade boron carbide by ion chromatography. Chromatographia. 2004;59:243–5.10.1365/s10337-003-0155-ySearch in Google Scholar
[38] Krishna MB, Rao SV, Rao YB, Shenoy NS, Karunasagar D. Development of a microwave-assisted digestion method for the rapid determination of chloride and fluoride in nuclear-grade boron carbide powders. Anal Meth. 2014;6:261–8.10.1039/C3AY41313FSearch in Google Scholar
[39] Dash K, Thangavel S, Venkateswarlu G, Rastogi L. Determination of chloride and fluoride in elemental boron using ion chromatography with suppressed conductivity detection. Int J Chrom Sci. 2016;6:1–6.Search in Google Scholar
[40] Parab H, Remya Devi PS, Ramkumar J, Shenoy N, Kumar SD. Uncertainty budget for the ion chromatographic determination of fluoride and chloride in nuclear grade boron carbide and elemental boron employing ultrasound-assisted dispersive solid–liquid extraction. J Liq Chromatogr R T. 2019;42:629–37.10.1080/10826076.2019.1646275Search in Google Scholar
[41] Ayushi D, Sengupta A, Kumar SD, Kumbhar AG, Venkateswaran G. Derivatization ion chromatography for the determination of monoethanolamine in presence of hydrazine in PHWR steam-water circuits. Int J Anal Chem. 2011;5:813061.10.1155/2011/813061Search in Google Scholar
[42] Kakodkar A. On emerging scenario for nuclear power. MAEER’S-MIT-Pune J. 1992;1:15–7.Search in Google Scholar
[43] Rao MK, Nair MKT, Prasad AN. Indian strategies for the back end of the nuclear fuel cycle (No. IAEA-TECDOC-839). Vienna, Austria: International Atomic Energy Agency (IAEA); 1995.Search in Google Scholar
[44] Deshingkar DS, Yalmali VS, Wattal PK. Applications of liquid phase chromatographies for the analysis of streams arising at the back end of nuclear fuel cycle (No. BARC-2000/E/018). Mumbai, India: Bhabha Atomic Research Centre; 2000.Search in Google Scholar
[45] Dudwadkar A, Shenoy N, Joshi JM, Kumar SD, Rao H, Reddy AVR. Application of ion chromatography for the determination of nitrate in process streams of thermal denitration plant. Sep Sci Technol. 2013;48:2425–30.10.1080/01496395.2013.807831Search in Google Scholar
[46] Dudwadkar A, Kumar SD, Reddy AVR. Determination of nitrate in effluents from uranium extraction plant. In Proceedings of the DAE-BRNS Fifth Symposium on Nuclear Analytical Chemistry. Mumbai, India: BARCDAE; 2014.Search in Google Scholar
[47] Cath TY, Childress AE, Elimelech M. Forward osmosis: principles, applications, and recent developments. J Membr Sci. 2006;281:70–87.10.1016/j.memsci.2006.05.048Search in Google Scholar
[48] Klaysom C, Cath TY, Depuydt T, Vankelecom IF. Forward and pressure retarded osmosis: potential solutions for global challenges in energy and water supply. Chem Soc Rev. 2013;42:6959–89.10.1039/c3cs60051cSearch in Google Scholar PubMed
[49] Zhao S, Zou L, Tang CY, Mulcahy D. Recent developments in forward osmosis: opportunities and challenges. J Membr Sci. 2012;396:1–21.10.1016/j.memsci.2011.12.023Search in Google Scholar
[50] Chung TS, Zhang S, Wang KY, Su J, Ling MM. Forward osmosis processes: yesterday, today and tomorrow. Desalination. 2012;287:78–81.10.1016/j.desal.2010.12.019Search in Google Scholar
[51] Dudwadkar A. Ion chromatography determination of anions and cations in important nuclear materials. Master of Science (Chemistry) dissertation. Mumbai: University of Mumbai; 2019.Search in Google Scholar
[52] Dudwadkar A, Parab H, Kumar SD. Application of ion chromatography for determination of NOx, iodate & iodide in scrub solutions from off-gas test facility. International Symposium on Emergeing Trends in Analytical Chemistry. India: ETAC; 2016.Search in Google Scholar
[53] Dudwadkar A, Kumar SD, Reddy AVR. Heat exchanger scale deposits analysis: application of ion chromatography. Proceedings of the DAE-BRNS Biennial Symposium on Emerging Trends in Separation Science and Technology. Mumbai, India: SESTEC; 2014.Search in Google Scholar
[54] Dudwadkar A, Thakur N, Kumar SD, Reddy AVR. Ion chromatographic analysis of salt mixture generated by electron beam irradiation of simulated flue gas. Proceedings of the DAE-BRNS Biennial Symposium on Emerging Trends in Separation Science and Technology. Mumbai, India: SESTEC; 2014.Search in Google Scholar
[55] Seubert A. On-line coupling of ion chromatography with ICP-AES and ICP-MS. Trends Anal Chem. 2001;20:274–87.10.1016/S0165-9936(01)00082-6Search in Google Scholar
[56] Betti M. Use of ion chromatography for the determination of fission products and actinides in nuclear applications. J Chromatogr A. 1997;789:369–79.10.1016/S0021-9673(97)00784-XSearch in Google Scholar
[57] Alonso JIG, Sena F, Arbore P, Betti M, Koch L. Determination of fission products and actinides in spent nuclear fuels by isotope dilution ion chromatography inductively coupled plasma mass spectrometry. J Anal At Spectrom. 1995;10:381–93.10.1039/ja9951000381Search in Google Scholar
[58] Moreno JMB, Betti M, Alonso JIG. Determination of neptunium and plutonium in the presence of high concentrations of uranium by ion chromatography-inductively coupled plasma mass spectrometry. J Anal At Spectrom. 1997;12:355–61.10.1039/A606359DSearch in Google Scholar
[59] Perna L, Betti M, Moreno JMB, Fuoco R. Investigation on the use of UTEVA as a stationary phase for chromatographic separation of actinides on-line to inductively coupled plasma mass spectrometry. J Anal At Spectrom. 2001;16:26–31.10.1039/b007123oSearch in Google Scholar
[60] Perna L, Bocci F, Aldave de las Heras L, De Pablo J, Betti M. Studies on simultaneous separation and determination of lanthanides and actinides by ion chromatography inductively coupled plasma mass spectrometry combined with isotope dilution mass spectrometry. J Anal At Spectrom. 2002;17:1166–71.10.1039/B202451ASearch in Google Scholar
[61] Solatie D, Carbol P, Betti M, Bocci F, Hiernaut T, Rondinella VV, et al. Ion chromatography inductively coupled plasma mass spectrometry (IC-ICP-MS) and radiometric techniques for the determination of actinides in aqueous leachate solutions from uranium oxide. Fresenius J Anal Chem. 2000;368:88–94.10.1007/s002160000536Search in Google Scholar PubMed
[62] Plausinaitis D, Naujalis E, Prokopchik A, Budreika A. Method for detection of Cs and Sr isotopes avoiding interferences of Ba and Rb in radioactive samples using ion chromatography coupled with ICP-MS. Curr Anal Chem. 2014;10:140–8.10.2174/1573411011410010012Search in Google Scholar
[63] Field RA, Guha S, DeVol TA, Leyba JD. Ion chromatography and on-line scintillation counting for the analysis of non-gamma emitting radionuclides in reactor coolant. J Radioanal Nucl Chem. 1995;194:51–9.10.1007/BF02037612Search in Google Scholar
[64] Epov VN, Evans RD, Zheng J, Donard OFX, Yamada M. Rapid fingerprinting of 239Pu and 240Pu in environmental samples with high U levels using on-line ion chromatography coupled with high-sensitivity quadrupole ICP-MS detection. J Anal At Spectrom. 2007;22:1131–7.10.1039/b704901cSearch in Google Scholar
[65] Liao H, Zheng J, Wu F, Yamada M, Tan M, Chen J. Determination of plutonium isotopes in freshwater lake sediments by sector-field ICP-MS after separation using ion-exchange chromatography. Appl Radiat Isot. 2008;66:1138–45.10.1016/j.apradiso.2008.01.001Search in Google Scholar
[66] Trojanowicz M, Kołacińska K, Grate JW. A review of flow analysis methods for determination of radionuclides in nuclear wastes and nuclear reactor coolants. Talanta. 2018;183:70–82.10.1016/j.talanta.2018.02.050Search in Google Scholar
[67] Roach BD, Fenske EK, Ilgner RH, Hexel CR, Haverlock TJ, Giaquinto JM. Development of a fast and efficient analytical technique for the isotopic analysis of fission and actinide elements in environmental matrices. J Chromatogr A. 2019;1587:155–65.10.1016/j.chroma.2018.12.029Search in Google Scholar
[68] Roach BD, Fenske EK, Glasgow DC, Partridge JD, Keever TJ, Giaquinto JM. Rapid concentration and isotopic measurements of ultra-trace 235U fission products with comparison to an ORIGEN isotope depletion model. Talanta. 2019;205:120079(8 pages).10.1016/j.talanta.2019.06.079Search in Google Scholar
[69] Bradley VC, Manard BT, Roach BD, Metzger SC, Rogers KT, Ticknor BW, et al. Rare earth element determination in uranium ore concentrates using online and offline chromatography coupled to ICP-MS. Minerals. 2020;10:55(11 pages).10.3390/min10010055Search in Google Scholar
[70] Fenske EK, Roach BD, Hexel CR, Glasgow DC, Stewart IR, Partridge JD, et al. Inline gamma‑spectrometry of fission product elements after rapid high‑pressure ion chromatographic separation. J Radioanal Nucl Chem. 2020;324:759–71.10.1007/s10967-020-07103-xSearch in Google Scholar
[71] Rokushika S, Qiu ZY, Zhuo LS, Hatano H. Microbore packed-column anion chromatography using a UV detector. J Chromatogr A. 1983;280:69–76.10.1016/S0021-9673(00)91539-5Search in Google Scholar
[72] Chambers SD, Glenn KM, Lucy CA. Developments in ion chromatography using monolithic columns. J Sep Sci. 2007;30:1628–45.10.1002/jssc.200700090Search in Google Scholar PubMed
[73] Schaller D, Hilder EF, Haddad PR. Monolithic stationary phases for fast ion chromatography and capillary electrochromatography of inorganic ions. J Sep Sci. 2006;29:1705–19.10.1002/jssc.200600169Search in Google Scholar
[74] Gillespie E, Connolly D, Macka M, Nesterenko PN, Paull B. Use of contactless conductivity detection for non-invasive characterisation of monolithic stationary-phase coatings for application in capillary ion chromatography. Analyst. 2007;132:1238–45.10.1039/b711350aSearch in Google Scholar
[75] Hilder EF, Zemann AJ, Macka M, Haddad PR. Anion-exchange capillary electrochromatography with indirect UV and direct contactless conductivity detection. Electrophoresis. 2001;22:1273–81.10.1002/1522-2683(200105)22:7<1273::AID-ELPS1273>3.0.CO;2-USearch in Google Scholar
[76] Peterson DS, Montoya VM. Separation of actinides using capillary extraction chromatography–inductively coupld plasma mass spectrometry. J Chromatogr Sci. 2009;47:545–8.10.1093/chromsci/47.7.545Search in Google Scholar
© 2021 Harshala Parab et al., published by De Gruyter
This work is licensed under the Creative Commons Attribution 4.0 International License.
Articles in the same Issue
- Research Articles
- Synthesis of a new organic probe 4-(4 acetamidophenylazo) pyrogallol for spectrophotometric determination of Bi(III) and Al(III) in pharmaceutical samples
- Novel potentiometric methods for the estimation of bisoprolol and alverine in pharmaceutical forms and human serum
- Fluorescence quenching detection of UO2 2+ in aqueous solution based on an organic molecule probe of 6-chloro-2H-1,2,4-benzothiadiazine-7-sulfonamide 1,1-dioxide
- Determination of four parabens in cosmetics by high-performance liquid chromatography with magnetic solid-phase and ionic dispersive liquid–liquid extraction
- An isothermal, non-enzymatic, and dual-amplified fluorescent sensor for highly sensitive DNA detection
- Rapid sensitive bioscreening of remdesivir in COVID-19 medication: Selective drug determination in the presence of six co-administered therapeutics
- Review Articles
- Detection of volatile organic compounds: From chemical gas sensors to terahertz spectroscopy
- An analytical review on the quantitative techniques for estimation of cilostazol in pharmaceutical preparations and biological samples
- Supramolecular solvent-based microextraction techniques for sampling and preconcentration of heavy metals: A review
- Critical review of the analytical methods for determining the mycotoxin patulin in food matrices
- Application of SERS quantitative analysis method in food safety detection
- A review of extraction, analytical, and advanced methods for the determination of neonicotinoid insecticides in environmental water matrices
- Overview of ion chromatographic applications for the analysis of nuclear materials: Case studies
- Chiral separation and analysis of antifungal drugs by chromatographic and electromigration techniques: Results achieved in 2010–2020
- TOTAD interface: A review of its application for LVI and LC-GC
- Extraction, characterization, quantification, and application of volatile aromatic compounds from Asian rice cultivars
- Synthesis and extraction routes of allelochemicals from plants and microbes: A review
- Special Issue: Bioanalytical Methods and Their Applications
- Metal nanoparticles-based nanoplatforms for colorimetric sensing: A review
- A review of current bioanalytical approaches in sample pretreatment techniques for the determination of antidepressants in biological specimens
- Surface enhanced Raman scattering analysis with filter-based enhancement substrates: A mini review
Articles in the same Issue
- Research Articles
- Synthesis of a new organic probe 4-(4 acetamidophenylazo) pyrogallol for spectrophotometric determination of Bi(III) and Al(III) in pharmaceutical samples
- Novel potentiometric methods for the estimation of bisoprolol and alverine in pharmaceutical forms and human serum
- Fluorescence quenching detection of UO2 2+ in aqueous solution based on an organic molecule probe of 6-chloro-2H-1,2,4-benzothiadiazine-7-sulfonamide 1,1-dioxide
- Determination of four parabens in cosmetics by high-performance liquid chromatography with magnetic solid-phase and ionic dispersive liquid–liquid extraction
- An isothermal, non-enzymatic, and dual-amplified fluorescent sensor for highly sensitive DNA detection
- Rapid sensitive bioscreening of remdesivir in COVID-19 medication: Selective drug determination in the presence of six co-administered therapeutics
- Review Articles
- Detection of volatile organic compounds: From chemical gas sensors to terahertz spectroscopy
- An analytical review on the quantitative techniques for estimation of cilostazol in pharmaceutical preparations and biological samples
- Supramolecular solvent-based microextraction techniques for sampling and preconcentration of heavy metals: A review
- Critical review of the analytical methods for determining the mycotoxin patulin in food matrices
- Application of SERS quantitative analysis method in food safety detection
- A review of extraction, analytical, and advanced methods for the determination of neonicotinoid insecticides in environmental water matrices
- Overview of ion chromatographic applications for the analysis of nuclear materials: Case studies
- Chiral separation and analysis of antifungal drugs by chromatographic and electromigration techniques: Results achieved in 2010–2020
- TOTAD interface: A review of its application for LVI and LC-GC
- Extraction, characterization, quantification, and application of volatile aromatic compounds from Asian rice cultivars
- Synthesis and extraction routes of allelochemicals from plants and microbes: A review
- Special Issue: Bioanalytical Methods and Their Applications
- Metal nanoparticles-based nanoplatforms for colorimetric sensing: A review
- A review of current bioanalytical approaches in sample pretreatment techniques for the determination of antidepressants in biological specimens
- Surface enhanced Raman scattering analysis with filter-based enhancement substrates: A mini review