Startseite Chaos Suppression in Fractional order Permanent Magnet Synchronous Generator in Wind Turbine Systems
Artikel Open Access

Chaos Suppression in Fractional order Permanent Magnet Synchronous Generator in Wind Turbine Systems

  • Karthikeyan Rajagopal EMAIL logo , Anitha Karthikeyan und Prakash Duraisamy
Veröffentlicht/Copyright: 4. Januar 2017
Veröffentlichen auch Sie bei De Gruyter Brill

Abstract

In this paper we investigate the control of three-dimensional non-autonomous fractional-order uncertain model of a permanent magnet synchronous generator (PMSG) via a adaptive control technique. We derive a dimensionless fractional order model of the PMSM from the integer order presented in the literatures. Various dynamic properties of the fractional order model like eigen values, Lyapunov exponents, bifurcation and bicoherence are investigated. The system chaotic behavior for various orders of fractional calculus are presented. An adaptive controller is derived to suppress the chaotic oscillations of the fractional order model. As the direct Lyapunov stability analysis of the robust controller is difficult for a fractional order first derivative, we have derived a new lemma to analyze the stability of the system. Numerical simulations of the proposed chaos suppression methodology are given to prove the analytical results derived through which we show that for the derived adaptive controller and the parameter update law, the origin of the system for any bounded initial conditions is asymptotically stable.

1 Introduction

The renewable nature and their reduced environmental impact, Wind energy plays an important role in the present and future power generation methods. Control mechanism of the Permanent Magnet Synchronous Generators (PMSG) coupled with the wind turbines are of high complexity. Several control strategies of these control mechanisms are investigated by Robinson et al. [1]. Variable speed generation system has distinct advantages over fixed-speed generation system, such as lower mechanical stress, operation at maximum power point, less power fluctuation and increased energy capture. Then, to design reliable and effective systems to utilize this energy, variable speed wind generation systems are better than fixed velocity systems [2,3].

Permanent Magnet Synchronous Motors (PMSG) are the most preferred generation systems for Wind energy conversions. The chaotic behavior in the permanent magnet synchronous generator for wind turbine system is investigated, and the Active Disturbance Rejection Control (ADRC) strategy is proposed to suppress chaotic behavior and make operating stably [4]. The use of a predictive control strategy which was investigated with a one point controller of PMSG is studied and this control mechanism used Genetic Algorithms to estimate the optimal parameter values of the wind turbine leads to maximization of the power generation [5]. PMSG system controlled by the online-tuned parameters of the novel modified recurrent wavelet neural network (NN)-controlled system is proposed to control output voltages and powers of controllable rectifier and inverter [6].

The performance of the PMSM is sensitive to system parameter and external load disturbance in the plant. Some investigations, for example, by Li et al. [7] and Jing et al. [8] show that with certain parameter values, the PMSM displays chaotic behavior. It is found that with the help of fractional derivatives, many systems in interdisciplinary fields can be elegantly described [7-9]. Furthermore many integer order chaotic systems of fractional order have been studied widely [10-14]. All the physical phenomena in nature exist in the form of fractional order [15], integer order (classical) differential equation is just a special case of fractional differential equation. The importance of fractional-order models is that they can yield a more accurate description and give a deeper insight into the physical processes underlying a long range memory behavior. Chaos modelling have applications in many areas in science and engineering [15-17]. Some of the common applications of chaotic systems in science and engineering are chemical reactors, Brusselators, Dynamos, Tokamak systems, biology models, neurology, ecology models, memristive devices, etc. An analysis of saddle-node and Hopf bifurcations in indirect field-oriented control (IFOC) drives due to errors in the estimate of the rotor time constant provides a guideline for setting the gains of PI speed controller in order to avoid Hopf bifurcation [18]. It has been proven the occurrence of either codimension one bifurcation such as saddle node bifurcation and Hopf bifurcation and codimension two such as Bogdanov-Takens or zero-Hopf bifurcation in IFOC induction motors [19-21].

In this paper we first derive the integer order dimensionless model of the PMSG system (section 2). The fractional order model of the PMSG (FOPMSG) system is derived using Caputo fractional calculus (section 3). Dynamic analysis of the FOPMSG system is derived to shown the chaotic behavior of the system (section 4). A fractional order adaptive controller is designed to suppress the non-linearity of the FOPMSG system (section 5) and the stability of the controller is derived in section 6. Numerical simulations are conducted to prove that the derived controller suppress chaotic oscillations (section 7).

2 Preliminaries of the wind turbine generator

The Aerodynamic model of wind turbine is given by [5],

(1)Pw=12ρπR2vw3cp

ρ = Air Density

R = Turbine

vw = Wind velocity

cp = Power coefficient representing the aerodynamic efficiency

ci = Drag coefficient

Here we assume ciy Constant

(2)cp(λ,β)=c1c21λ+0.05β0.035β3+1c3βc4×e1λ+0.08β0.035β3+1+c6λ

where λ Tip speed ratio, β → Pitch angle, c1 = 0.5109; c2 = 116; c3 = 0.4; c4 = 5; c5 = 21; c6 = 0.068

(3)λ=ωRvw

where ω → Rotor angular speed and λ=λopt

Solving (2) and (3) in (1),

(4)Popt=12ρπR2cpmaxRλoptω3

For deriving the model of Permanent Magnet Synchronous Generator (PMSG), we start deriving the basic voltage equations and iterate the basic equations,

(a) 3 ϕ ABC stationary to two phase a and ψ stationary frame

(5)να=νa12νb12νcνψ=32νb32νc

(b) 2 ϕ a and ψ stationary to two ϕ phase synchronous rotation reference frame

(6)νd=ναcosθ+νψsinθνq=ναsinθ+νψcosθ

To derive the final speed and current dynamics of the PMSG we continue Iteration of convergence and repeat (5) and (6) to get,

(7)ω˙=pJϕfi˙q+(LdLq)idiqFJωTLJi^q=RsLqiq+LdLqρωidρϕfLqω+νqLdi^d=RsLdid+LqLdρωiq+νdLd

where uq and ud are quadrature and direct axis stator control voltages, iq and id are quadrature and direct axis stator control currents, Lq and Ld quadrature and direct axis stator control inductances, pis the number of pole pairs, Rs is the stator resistance, ϕf is the rotor flux linkage with stator, TL is the Load torque, J is the rotor moment of inertia,f is the friction coefficient.

By simplifying

(8)w^˙=σ(i^qw^)+εT^di^qT^LT^˙q=i^qw^i^d+Yw^+ν^qT^˙d=i^d+w^i^q+ν^d

where

(9)ε=ρbLq2k2(LqLd)JRs2;Y=ϕfkLq;σ=fLqRsJ;b=LqLd;k=fRLqpϕf;i^d=LdpϕfRsid;i^q=LqpϕffRsiq;hatw=LqRsw;νd=1Rskνd;u^q=1Rskνq;T^=Lq2JRs2TL;t=RstLq

To derive the dimensionless state vector model of (8), let us assume x0=w^;y=T^q;z=T^d,

(10)x˙=a(yx)+T^L+εzyy˙=yxz+bx+ν^qz˙=z+xy+ν^d

The study found that the PMSG is experiencing chaotic behavior when the operating parameters a and b falls in to certain area and the external inputs are set to zero, namely, T^=ν^d=ν^q=0.. The values of a and b are a=5.45, b=20. The modified equation of PMSG is given by (11) and the chaotic attractor of PMSG system is given in Figure 1.

(11)x˙=a(yx)+εzyy˙=yxz+bxz˙=z+xy
Fig. 1 3D attractor of the PMSG model.
Fig. 1

3D attractor of the PMSG model.

3 Fractional order pmsg model

The fractional-order differential operator is the generalization of integer-order differential operator. There are three commonly used definition of the fractional-order differential operator, viz. Grunwald-Letnikov, Riemann-Liouville and Caputo [24, 26, 27].

(12)Dtαf(t)=1Γ(1α)t0tf˙(τ)(tτ)αdτ

The fractional order model of PMSG is derived from (1) with the Caputo fractional order definition, which is defined as

where α is the order of the system t0 and t are limits of the fractional order equation, f˙(t) is integer order calculus of the function.

For numerical calculations we use Caputo via Riemann-Liouville fractional derivative [27] and the above equation is modified as

(13)(tL)Dtαf(t)=limh0hαj=0N(t)bjf(tjh

Theoretically fractional order differential equations use infinite memory. Hence when we want to numerically calculate or simulate the fractional order equations we have to use finite memory principal, where L is the memory length and h is the time sampling.

(14)N(t)=minth,Lhbj=1a+αjbj1

Applying these fractional order approximations in to the integer order PMSG model (7) yields the fractional order PMSG (FOPMSG) described by (15),

(15)Dtq1w=pJ(ϕfiq+(LdLq)idiq)fJwTLJDtq2iq=RsLqiq+LdLqpwidpϕfLqw+uqLdDtq3id=RsLdid+LqLdpwiq+udLd

Where q1, q2 and q3 are the fractional orders of the respective states. To study the chaotic behavior of the PMSG fractional order model, we assume the external inputs T^=ν^d=ν^q=0. To derive the dimensionless state vector model of (15), let us assume x0=w^;y=T^q;z=T^d.

(16)Dtq1x˙=a(yx)+εzyDtq2y˙=yxz+bxDtq3z˙=z+xy

The above fractional order model exhibits chaos when a = 5.45, b = 20,ɛ= 1 The 3D chaotic state portrait of the model (16) is shown in Figure 2. The orders of the system (16) are taken as q1= 0.96, q2 = 0.98, q3 = 0.97. The fractional order of the equations are taken close to the integer order as its more complex to control a fractional order close to 1.

Fig. 2 3D State portrait of the Fractional order PMSG system.
Fig. 2

3D State portrait of the Fractional order PMSG system.

4 Dynamics of the fractional order pmsg model

In this section we analyze the fractional order system for various properties of chaotic behavior like equilibria points, Lyapunov exponents, bifurcation and bicoherence.

4.1 Equilibria Points and Lyapunov Exponents

The equilibria of the system (16) can be found by solving (17).

(17)0=a(yx)+εzy0=yxz+bx0=z+xy

The three equilibria points of the system (2) are E1= (0, 0,0) and E2,3=(y1,±y1,±y1).

And the Jacobian matrix of the system (17) is defined as,

(18)J=aa+εzεyz+b1xyx1

Where x, y & z denotes the equilibrium points.

The Initial conditions are chosen as x = 3, y = 3 & z = 3 and the parameter values are chosen as a = 5.45, b = 20,ɛ= 1.

The Lyapunov exponents of the system (2) are L1 = 0.852023 L2 = -0.009746 L3 = -8.502219. The Numerical results of the simulation are shown in Figure 3

Fig. 3 Dynamics of Lyapunov Exponents.
Fig. 3

Dynamics of Lyapunov Exponents.

4.2 Bifurcation and Bicoherence

By fixing a = 5.45 , a is varied and the behavior of the fractional order system (16) is observed in Figure 4. By fixing b = 20 , a is varied and the system (16) performance is observed in Figure 5. Generally speaking, when the system’s biggest Lyapunov exponents is large than zero, and the points in the corresponding bifurcation diagram are dense, the chaotic attractor will be found to exit in this system. Therefore, From the Lyapunov exponents and bifurcation diagrams in Figure 4 and 5 a conclusion can be obtained that chaos exit in the fractional order PMSM system (16) when selecting a certain range of parameters.

Fig. 4 Bifurcation of Quadrature axis versus ‘b’ and Direct axis current versus ‘b’.
Fig. 4

Bifurcation of Quadrature axis versus ‘b’ and Direct axis current versus ‘b’.

Fig. 5 Bifurcation of Quadrature axis versus ‘a’ and Direct axis current versus ‘a’.
Fig. 5

Bifurcation of Quadrature axis versus ‘a’ and Direct axis current versus ‘a’.

The bifurcation plots of the system (16) with the change in the order of the system and the parameters fixed at b = 20 & a = 5.46. Figure 6 shows the order q1, q2 and q3 varied and the attractor bifurcation responses are investigated. As seen from the bifurcation plots, the system chaotic dynamics changes drastically with the fractional order. By comparing the eigen values and the Lyapunov exponents with the fractional order bifurcation graphs, it can be commented that as the order of the fractional equation lies between 0.6 ≤ q ≤ 0.9, the systems chaotic behavior is showing larger Lyapunov exponents. Hence the chaos suppression with fractional order controls are efficient than the integer order control algorithms.

Fig. 6 Bifurcation plot State versus fractional orders.
Fig. 6

Bifurcation plot State versus fractional orders.

The bicoherence or the normalized bispectrum is a measure of the amount of phase coupling that occurs in a signal or between two signals. Both bicoherence and bispectrum are used to find the influence of a nonlinear system on the joint probability distribution of the system input. Phase coupling is the estimate of the proportion of energy in every possible pair of frequency components f1, f2, f3, . . ., fn . Bicoherence analysis is able to detect coherent signals in extremely noisy data, provided that the coherency remains constant for sufficiently long times, since the noise contribution falls off rapidly with increasing N.

The auto bispectrum of a chaotic system is given by Pezeshki [23]. He derived the auto bispectrum with the Fourier coefficients.

(19)B(ω1,ω2)=E[A(ω1)A(ω2)A(ω1+ω2)]

where ωn is the radian frequency and A is the Fourier coefficients of the time series. The normalized magnitude spectrum of the bispectrum known as the squared bicoherence is given by

(20)b(ω1,ω2)=B(ω1,ω2)2/P(ω1)P(ω2)P(ω1+ω2)

whereP(ω1) and P(ω2) are the power spectrums at f1 and f2.

Figures 7 and 8 shows the bicoherence plots of the FOPMSG system.

Fig. 7 Bicoherence of the state x of Fractional order System (16).
Fig. 7

Bicoherence of the state x of Fractional order System (16).

Fig. 8 Bicoherence of the state y of Fractional order System (16).
Fig. 8

Bicoherence of the state y of Fractional order System (16).

5 Chaos suppression of the fractional order system using fractional order adaptive controller

The design goal of this paper is to design a Fractional order adaptive controller to suppress the chaotic oscillations in system (16). The system (16) with the adaptive controller ux is derived as follows,

(21)Dtq1x˙=a(yx)+εzy+uxDtq2y˙=yxz+bx+uyDtq3z˙=z+xy+uz

To control the chaotic oscillations, we define the controllers as,

(22)ux=a^(t)(yx)+ε^(t)zykxxuy=y+xzb^(t)xkyyuz=zxykzz

where a^,b^ and ε^ are the parameter estimates of the uncertain parameters and kx, ky and kz are positive constants. The parameter estimation errors are defines as,

(23)ea=aa^(t)eb=bb^(t)eε=εε^(t)

The fractional derivative of the parameter estimation errors are given by,

(24)Dq1ea=Dq1a^(t)Dq2eb=Dq2b^(t)Dq1eε=Dq1ε^(t)

6 Stability analysis of the adaptive fractional order controller

In order to analyze the stability of the designed control algorithm we use Lyapunov stability theory. The Lyapunov function for the controller (22) and system (16) can be given by (25)

(25)V=12x2+y2+z2+ea2+eb2+eε2
(26)V=xx˙+yy˙+zz˙+eae˙a+ebe˙b+eεe˙ε

By definition of fractional calculus [22, 23],

(27)x˙(t)=Dt1qDtqx(t)

Substituting in (26),

(28)V=xDt1qDtqx+yDt1qDtqy+zDt1qDtqz+eaDt1qDtqea+ebDt1qDtqeb+eεDt1qDtqeε

From (28) it is clear that the calculation of the sign of the first Lyapunov derivative is very difficult. Hence we derive a new lemma to find the sign of the Lyapunov first derivative.

Lemma 1.

As defined by if e (t) be a time continuous and derivable function. Then for any time instant tt0,

(29)12Dtαe2(t)e(t)×Dtαe(t)α(0,1)

Proof. To prove expression (29) is true we start with,

(30)e(t)Dtαe(t)12Dtαe2(t)0α(0,1)

By Definition

(31)Dtαe(t)=1Γ(1α)t0te˙(τ)(tτ)αdτ
(32)12Dtαe2(t)=1Γ(1α)t0te(τ)e˙(τ)(tτ)αdτ

Modifying (32),

(33)1Γ(1α)t0te(t)e˙(τ)e(τ)e˙(τ)(tτ)αdτ0

Let us assume,

(34)E(τ)=e(t)e(τ)&E˙(τ)=e˙(τ)

Substitute (34) in (33)

(35)1Γ(1α)t0tE(τ)E˙(τ)(tτ)αdτ0

Integration (35) by parts

(36)1Γ(1α)(tτ)α12E2(τ)t0t12E2(τ)α(tτ)α1Γ(1α)0
(37)E2(τ)2Γ(1α)(tτ)ατ=tE2(t0)2Γ(1α)(tt0)α12αΓ(1α)t0tE2(τ)(tτ)α+1dτ0

Solving first term of (37) for τ = t

(38)limτtE2(τ)2Γ(1α)(tτ)α=12Γ(1α)limτte2(t)+e2(τ)2e(t)e(τ)2tτα=12Γ(1α)limτt2e(t)e˙(τ)+2e(τ)e˙(τ)αtτα1=0

Equation (38) can be rewritten as

(39)E2(t0)2Γ(1α)(tt0)α+α2Γ(1α)t0tE2(τ)(tτ)α+1dτ0

which clearly holds as α lies between 0 ≤ τ ≤ 1, the r.h.s of the equation (39) will always be a positive value and hence Proved.

6.1 Lyapunov First Derivative using Lemma-1

Substituting (29) in (25) and solving for the Lyapunov first derivative,

(40)V˙=ea[x(yx)a^˙]+eε[xyzε^˙]+eb[xyb^˙]kxx2kyy2kzz2

Let us define the parameter update laws as,

(41)a^˙=x(yx)b^˙=xyε^˙=xyz

Substituting (41) in (40),

(42)V˙=kxx2kyy2kzz2

which is clearly a negative semidefinite function and hence the control scheme proposed by this paper proves to be stable with a origin.

7 Numerical simulations and discussions

A control strategy based on fractional-order adaptive nonlinear controllers are considered for the chaos suppression in wind turbines with PMSG. We used LabVIEW with Control and Simulation loop for analyzing the numerical simulation results. The fractional order integrators are designed in LabVIEW using the relations discussed in (12), (13) and (14). The Control and simulation loop of LabVIEW is used to implement the FOPMSG model. As infinite memory components are impossible to implement in LabVIEW, a finite truncation limit of 1000 is fixed to realize the fractional order system.

The PMSG parameters for simulation are as follows, Type PMSG, 2.0 MW, 690 V, 9.75 Hz, non-salient pole, Rated Mechanical Power - 2.0 MW, Rated Apparent Power - 2.2419 MVA, Rated Power Factor - 0.8921, Rated Rotor Speed - 22.5 r/min, Number of Pole Pairs - 26, Rated Mechanical Torque - 848826 Nm, Rated Rotor Flux Linkage - 5.8264 (rms), Stator Winding Resistance - 0.821, d axis Synchronous Inductance - 1.5731, q axis Synchronous Inductance -1.5731. The proposed nonlinear controller from (22) with parameter update law (41) is implemented in LabVIEW and investigated for its performance.

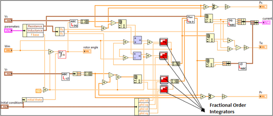
Figure 9 shows the design of the PMSG model in LabVIEW. The parameters for the design are taken as discussed above. Figure 11 shows the proposed control scheme implemented with fractional order controllers. The PI blocks defined in the control scheme are the fractional nonlinear controllers proposed in (21) & (42). Figure 11 shows the chaos control of the fractional order PMSG model. The controller is switch on at t = 140 s.

Fig. 9 Bicoherenceof the state z of Fractional order System (16).
Fig. 9

Bicoherenceof the state z of Fractional order System (16).

Fig. 10 Fractional order PMSG Model implementation.
Fig. 10

Fractional order PMSG Model implementation.

Fig. 11 Chaos suppression in PMSG (t = 140 s).
Fig. 11

Chaos suppression in PMSG (t = 140 s).

8 Conclusion

This paper investigates control of three-dimensional non-autonomous fractional-order uncertain model of a permanent magnet synchronous generator (PMSG) via an adaptive control technique. Firstly the dimensionless fractional order model of the PMSG is derived from the integer order model discussed in the literature using the Caputo fractional calculus. Dynamic analysis of the FOPMSG system shows the existence of chaotic oscillations. To suppress such chaotic oscillations, we propose a control technique assuming that the operating parameters of the fractional order system are unknown. The direct Lyapunov stability analysis of the robust controller is difficult and hence we have derived a new lemma to analyze the stability of the system. We have also proved with numerical simulations that for the derived adaptive controller and the parameter update law, the origin of the system for any bounded initial conditions is asymptotically stable.

References

[1] Mike Robinson, Paul Veers, Wind Turbine Control Workshop, Santa Clara University, Santa Clara, CA, June, 1997.Suche in Google Scholar

[2] S.A. Salle, D. Reardon, W.E. Leithead, M.J. Grimble, Review of wind turbine control, Int. J. Control 52 (6) (1990) 1295-1310.10.1080/00207179008953597Suche in Google Scholar

[3] E. Muljadi, C.P. Butter”eld, P. Migliore, Variable speed operation of generators with rotor-speed feedback in wind power applications, Fifteenth ASME Wind Energy Symposium, Houston, Texas, 1996.10.1115/1.2871793Suche in Google Scholar

[4] R. Lina, L. Fucai and J. Yafei, “Active Disturbance Rejection Control for chaotic permanent magnet synchronous generator for wind power system,” Control Conference (CCC), 2012 31st Chinese, Hefei, 2012, pp. 6878-6882.Suche in Google Scholar

[5] Manal Messadi, Adel Mellit, Karim Kemih and Malek Ghanes, Predictive control of a chaotic permanent magnet synchronous generator in a wind turbine system, Chinese Physics B, Volume 24, Number 1, 2015.10.1088/1674-1056/24/1/010502Suche in Google Scholar

[6] Chih-Hong Lin, Dynamic control for permanent magnet synchronous generator system using novel modified recurrent wavelet neural network, Nonlinear Dynamics,, Volume 77, Issue 4, pp 1261-1284, 2014.10.1007/s11071-014-1376-3Suche in Google Scholar

[7] Li Z, Park J B, Joo Y H, Zhang B and Chen G “Bifurcations and chaos in a permanent-magnet synchronous motor” IEEE Trans. Circuits and Systems I Theory and Applications, 49 383-387. 2002.10.1109/81.989176Suche in Google Scholar

[8] Z. J. Jing, C. Yu and G. R. Chen, “Complex dynamics in apermanent-magnet synchronous motor model”, Chaos, Solitons and Fractals, vol.22, no.4, pp. 831-848, 2004.10.1016/j.chaos.2004.02.054Suche in Google Scholar

[9] R. L. Bagley and R. A. Calico. “Fractional order state equations for the control of viscoelastically damped structures”, Journal of Guidance, Control, and Dynamics, Vol. 14, No. 2, pp. 304-311.Koeller R C 1986 Acta Mech. 58 251,199110.2514/6.1989-1213Suche in Google Scholar

[10] Sun H H, Abdelwahad A A and Onaval B “Linear approximation of transfer function with a pole of fractional power” IEEE transactions on automatic control CO-DEN IETAA9 1984, vol. 29, no5, pp. 441-444 (12) .,198410.1109/TAC.1984.1103551Suche in Google Scholar

[11] Heaviside O,” Electromagnetic Theory” (New York: Chelsea), 1971Suche in Google Scholar

[12] Yu Y, Li H X, Wang S and Yu “Dynamic analysis of a fractional-order Lorenz chaotic system” Chaos, Solutions & Fractals Volume 42, Issue 2, Pages 1181-1189, 30 October 200910.1016/j.chaos.2009.03.016Suche in Google Scholar

[13] Li C G and Chen G “Chaos and hyperchaos in the fractional-order Rössler equations”, Physica A: Statistical Mechanics and its Applications, Volume 341, Pages 55-61,1 October 200410.1016/j.physa.2004.04.113Suche in Google Scholar

[14] L”u J G and Chen G “A note on the fractional-order Chen system Chaos, Solutions & Fractals”Volume 27, Issue 3, Pages 685-688, February 200610.1016/j.chaos.2005.04.037Suche in Google Scholar

[15] Deng W and Li C P “Chaos synchronization of the fractional Lü system” Physica A: Statistical Mechanics and its Applications Volume 353, Pages 61-72,1 August 200510.1016/j.physa.2005.01.021Suche in Google Scholar

[16] Mandelbort B B “The Fractal Geometry of Nature” (New York: Freeman) 427, 2006.10.1119/1.13295Suche in Google Scholar

[17] Bazanella A.S. and R. Reginatto, “Instability Mechanisms in Indirect Field Oriented Control Drives: Theory and Experimental Results”, IFAC 15th Triennial World Congress, Barcelona, Spain, 2002.10.3182/20020721-6-ES-1901.01574Suche in Google Scholar

[18] Bazanella A.S. and R. Reginatto, “Instability Mechanisms in Indirect Field Oriented Control Drives: Theory and Experimental Results”, IFAC 15th Triennial World Congress, Barcelona, Spain, 2002.10.3182/20020721-6-ES-1901.01574Suche in Google Scholar

[19] Bazanella A.S., R. Reginatto and R.Valiatil, “Hopf bifurcations in indirect field oriented control of induction motors: Designing a robust PI controller”, Proceedings of the 38th Conference on Decision and Control, Phoenix, Arizona USA., 1999.10.1109/CDC.1999.832868Suche in Google Scholar

[20] Reginatto .R, F. Salas, F. Gordillo and J. Aracil, “Zero-Hopf Bifurcation in Indirect Field Oriented Control of Induction Motors”, First IFAC Conference on Analysis and Control of Chaotic Systems (CHAOS’06), 2006.10.3182/20060628-3-FR-3903.00054Suche in Google Scholar

[21] Salas .F, R. Reginatto, F. Gordillo and J. Aracil, Bogdanov-Takens “Bifurcation in Indirect Field Oriented Control of Induction Motor Drives”, 43rd IEEE Conference on Decision and Control, Bahamas, 2004.10.1109/CDC.2004.1429436Suche in Google Scholar

[22] Salas .F, F. Gordillo, J. Aracil and R. Reginatto, “Codimension-two Bifurcations In Indirect Field Oriented Control of Induction Motor Drives”, International Journal of Bifurcation and Chaos, 18(3), pp. 779-792, 2008.10.1142/S0218127408020641Suche in Google Scholar

[23] C. Pezeshki, “Bispectral analysis of systems possessing chaotic motions”, Journal of Sound and Vibration, vol. 137, no. 3, pp. 357–368, 1990.10.1016/0022-460X(90)90804-9Suche in Google Scholar

[24] Li R H and Chen W S “Fractional order systems without equilibria” Chin. Phys. B 201310.1155/2013/380436Suche in Google Scholar

[25] Petras, I. ”A note on the fractional-order Chua’s system”. Chaos Solitons and Fractals 38, 140–147, 2008.10.1016/j.chaos.2006.10.054Suche in Google Scholar

[26] Katugampola, U.N., “A New Approach To Generalized Fractional Derivatives”, Bull. Math. Anal. App. Vol 6, Issue 4, pages 1–15, 15 October 2014.Suche in Google Scholar

[27] Mohamed Notes on Some Fractional Calculus Operators and Their Properties, Journal of Fractional Calculus and Applications, Vol. 5(3S) No. 19, pp. 1–10 2014.Suche in Google Scholar

Received: 2016-9-16
Accepted: 2016-11-30
Published Online: 2017-1-4
Published in Print: 2017-6-27

© 2017 Walter de Gruyter GmbH, Berlin/Boston

This article is distributed under the terms of the Creative Commons Attribution Non-Commercial License, which permits unrestricted non-commercial use, distribution, and reproduction in any medium, provided the original work is properly cited.

Heruntergeladen am 9.10.2025 von https://www.degruyterbrill.com/document/doi/10.1515/nleng-2016-0059/html
Button zum nach oben scrollen