Home Frequency response locking of electromagnetic vibration-based energy harvesters using a switch with tuned duty cycle
Article Publicly Available

Frequency response locking of electromagnetic vibration-based energy harvesters using a switch with tuned duty cycle

  • Aboozar Dezhara EMAIL logo
Published/Copyright: January 26, 2022
Become an author with De Gruyter Brill

Abstract

It is proposed to tune linear electromagnetic vibration-based energy harvesters so that they will achieve an optimum case regardless of the base amplitude or excitation frequency of the environment. The author designed the optimum coil and load parameters as well as the optimum acceleration amplitude and vibration frequency of the magnet for known values of three mechanical parameters (spring constant, mass, and mechanical damping coefficient) so that the optimum parameters will remain constant upon switching. As the vibration frequency of the magnet deviates from the optimal value, the switch turns on and off to compensate for the deviation so that the maximum power entering the electrical domain does not change. The deviation is limited to frequency or base amplitude acceleration. Other optimum parameters are fixed values. They are designed so that they can handle the maximum power that is delivered to the electrical domain.

Introduction

There is an increasing interest in making sensors to be self-contained with their renewable power supply in order to maximize the performance of these devices (Ottman et al. 2002). Moreover, recent developments in microelectronics technology have reduced the power requirements of these electronics and wearable/implantable devices to milliwats (Dong et al. 2019). Thus, it is becoming increasingly possible to implement self-power from non-conventional sources. An effective linear electromagnetic vibration-based energy harvester (EVEH) converts mechanical vibrations to electrical power when the ambient excitation frequency matches the specific resonant frequency of the device (Lee and Chung 2015). It should be note that this resonance frequency depends on not only spring constant and mass of the magnet but also on the electrical parameters of electrical domain and electromagnetic coupling coefficient. There are many authors that use the broadening of bandwidth approach through many methods (Aboulfotoh, Arafa, and Megahed 2013; Berdy et al., 2011; Chen, Wu, and Liu 2014; Jung and Seok 2015; Lee and Chung 2015). Generally these methods alter the intrinsic parameters that resonance frequency depends on them, such as spring constant or mass of magnet somehow to match the resonance frequency of harvester with excitation frequency of environment also these author generally doesn’t consider the effect of electrical parameters on resonance frequency. Nevertheless, the author consider it in this paper. But this method of tuning dose not very much contribute to improving performance because the peak of frequency response will decrease significantly at not very far from mechanical resonance frequency. The researchers refer to nonlinear spring to broaden the bandwidth of harvester and solve this problem, but the nonlinear spring increase the complexity and brings up higher harmonics. In our tuning method we did not alter the mass or spring, but tune the system so that the magnet always vibrates at optimum vibration frequency, regardless of the excitation frequency of environment or base amplitude acceleration. In “Basic principles of EVEH” section of this paper the basic principles of EVEH is introduced, the main section of this paper is “Transfer function and duty cycle” section where the analysis of switching circuit and derivation of transfer function and as a result, derivation of electrical damping coefficient for three kind of load and how to derive duty cycle are elaborately discussed. In “Coil parameters design and numerical example” section the calculation of optimum parameters values such as vibration frequency of magnet and base amplitude acceleration are discussed. The remaining two section i.e. “Discussion” and “Conclusion” sections of seven and eight are impedance matching and how to derive power as well as damping for plotting of frequency response are discussed.

Basic principles of EVEH

Faraday’s law of induction

This law can be formulated as follows:

(1)VEMF=Ndφdt=Ndφdzdzdt=Kz˙

where K, z, φ, VEMF are electromagnetic coupling coefficient, displacement of mass (moving magnet) relative to the case, flux of magnetic field that pass from the coil, the turns of the coil and induced voltage in the coil respectively. The dot shows differential with respect to time. It should be note that the coil is fixed with respect to the case and the electromagnetic coupling coefficient just depends on the geometry of the magnet (mass) and flux linkage between the magnet and the coil, the calculation of K is beyond the scope of our work and in this paper we assume it is given and constant.

Equation of vibration of EVEH

According to the second law of newton in mechanic (Chen, Wu, and Liu 2014):

(2)mz¨+Cmz˙+ksz+FEM=my¨

where m, Cm, ks, FEM, y are mass of the moving magnet, mechanical damping coefficient, constant of spring, electrical damping force imposed on the magnet, and input excitation displacement respectively. It should be noted that this is the magnetic drag force i.e. FEM that play role in producing an electrical current in the coil. We should someway relate this force to the electrical current. We proceed as follows:

If we equate the generated electrical power in the coil to the power of the force FEM we can relate this force to the electrical current:

(3)FEMz˙=VEMFI
(4)VEMF=Kz˙

From equations (3) and (4) we conclude that:

(5)FEM=KI

Equation (5) tell us that the electromagnetic force have linear relationship with the electrical current that generated in the coil of energy harvester. This relation is consistent with the force implied on the conductor carrying current in magnetic field:

(6)FEM=(IdL×B)dlVEMF=(v×B)dl

The proportionality factor is called electromagnetic coupling coefficient. The larger this factor the more flux linkage we have. The second relation also tell us that the electromotive force has relationship with velocity.

Transfer function and duty cycle

In this section the transfer function and formulas for calculating the suitable duty cycle will derived at general electrical loads.

Resistive load

We can put equation (2) in frequency domain (Figure 1).

(7)(mω2+ks+Cmωj)Z(ω)+KI(ω)=mω2Y(ω)

where ω is excitation frequency and we assume y=Y0sin(ωt) and Y(ω)=Y0j where j is complex root of −1. If we designate the load voltage as VL then the Kirchhoff voltage law (KVL) around the loop is as follows:

(8)e.m.f=LcI˙(t)+RcI(t)+RLI(t)
(9)I(ω)=VL(ω)RL
(10)LcjωVL(ω)RL+RcVL(ω)RL+VL(ω)=e.m.f=Kz˙=KjωZ(ω)
Figure 1: 
						Electrical side of EVEH for resistive load.
Figure 1:

Electrical side of EVEH for resistive load.

If we write VL(ω) and I(ω) in terms of Z(ω) from equations (10) and (9) and put the result in equation (7) and after rearranging:

(11)Z(ω)Y(ω)=mω2(mω2+ks+Cmωj+KRLjKω1+LcjωRL+RcRL)

By factoring jω from imaginary part of transfer function denominator the total damping will be derived:

(12)Ceq=Cm+ce
(13)ce=K2(RL+Rc)(RL+Rc)2+(ωLc)2

By equaling the real part of transfer function denominator to zero the resonance condition will be derived:

(14)K2ω2Lc(Rc+RL)2+(ωLc)2+mω2ks=0

We will use this equation along with (5) other equation (that will be derived in “Coil parameters design and numerical example” section of this paper) to designing the coil and load parameters that are able to withstand the maximum power. It should be noted from equation (14) that if you neglect the first term in this expression, then the vibration frequency of magnet will be identical to the mechanical resonance frequency. But what is exactly the first (new) term in equation (14)? We can write equation (14) in the following form:

(15)ωce+mω2ks=0
(16)ce=K2ωLc(Rc+RL)2+(ωLc)2

where the ce is the frequency resonance locked coefficient (or simply locked coefficient) and we will elaborate on it in “Complex damping and RMS power formulas” section of this paper. This coefficient shows the net reactive power in the electrical subsystem, this power balanced by net reactive power in the mass and spring of mechanical domain so that it will retain the resonance frequency of the system as a unite entity at optimum vibration frequency of magnet. Note that this optimum frequency is not necessarily the mechanical resonance frequency because the author assumes that the three mechanical parameters (i.e. ks, m, Cm) are given and other parameters such as coil and load parameters as well as excitation frequency are designed and the author have not enough equation or maybe knowledge for designing these three mechanical parameters simultaneously with other parameters.

Switching circuit for resistive load

The Kirchhoff current law (KCL) equation is (Figure 2):

(17)Irms=VrmsRL
Figure 2: 
							Switching circuit of resistive load.
Figure 2:

Switching circuit of resistive load.

The next step is to analyze the load current and voltage waveforms and determine the root mean square (RMS) relations of voltage and current. Note that the switch start on and off when the magnet vibrates at off-optimum frequency as a result of off-optimum excitation frequency or at other words as a result of deviation from optimum base amplitude acceleration. These optimum parameters such as base amplitude acceleration, vibration frequency of magnet, coil parameters, etc. are as many as six and the author will discuss them in “Coil parameters design and numerical example” section. Note that the values of Θ, Φ, Im, Vm can be calculated from six optimum parameters that will derive in the example of “Coil parameters design and numerical example” section. When the switch is on:

(18)I(t)=Imcos(ωtΘ)
(19)Irms=n=1,3,5,p1Tstntn+1Im2cos2(ωtΘ)dt
(20)Irms=Im2Tsn=1,3,5,p[t+12ωsin2(ωtΘ)]tntn+1

The voltage and current waveform are not exactly sinusoidal, but the current value when the switch is on follows the equation of 18. The simplified equation (20) is as follows:

(21)Irms=Im2TskTsp+sin(ωkTsp)ω×A

where

(22)A=n=1,3,5,pcos(ω(tn+tn+1)2Θ)
(23)tn+1tn=kTs
k is the duty cycle of the switching circuit, Ts is switching period that is known value, and t1 in the sum formula is always zero. The p is the integral part of TexcTs where Texc is optimum period vibration of magnet (that will discussed later in “Coil parameters design and numerical example” section) and the author assumed switching period is always smaller than this period. Consider the voltage waveform:
(24)V(t)=Vmcos(ωtΦ)
(25)Vrms=n=1,3,5,p1Tstntn+1Vm2cos2(ωtΦ)dt
(26)Vrms=Vm2Tsn=1,3,5,p[t+12ωsin2(ωtΦ)]tntn+1

After simplification of equation (26) we have:

(27)Vrms=Vm2TskTsp+sin(ωkTsp)ω×B

where

(28)B=n=1,3,5,pcos(ω(tn+tn+1)2Φ)

If we put the Vrms and Irms in (17) and squaring both sides and arrange and square again we have:

(29)λ=Vm2Im2RL2RL2Im2AVm2B

where

(30)λ=sin(ωkTsp)ωkTsp

Note that in these equations we have two unknown variable, Ts and k. The value of Ts should be given and is a constant, the upper bound in sum formulas (p) depend on Ts and does not allow to solve simultaneously for k and Ts. However we can solve for k and λ from Kirchhoff current law (KCL) i.e. equation (17) and power condition (that will be discussed in more detail in this section). The equation (30) is a constraint equation. Note that the numerator of equation (29) is always zero so that the denumerator became A = B. This condition in addition of the formula that will drive from power condition result in the two unknown variables k and λ. In solving the numerical example, the parameter Ts should be given because of the reason mentioned above. We equate the output power from the switching circuit to the optimum power that is the best case of maximum power that can be harvested. The resulting formula in addition to formula derived from KCL (condition A = B) and the constrained relation from λ definition (equation (30)) can help us to solving the value of duty cycle.

(31)(Prms)Optimum=Vm22RL(Prms)Switching=Vrms2RL=Vm2kp2RL(1+λB)
(32)(Prms)Switching=(P)Optimumk=1p(1+λB)

Equation (32), and the condition of A = B as well as the formula of (30) can be solved simultaneously at given Ts to obtain the parameters of k (duty cycle).

Capacitive load

We can write the circuit equation of energy harvester with capacitive load as follows (Figure 3):

(33)I=ICL+IRL=CLdVLdt+VLRL

where VL is load voltage and CL is the load capacitor and I is the coil current. If we put equation (33) into frequency domain we will have:

(34)I(ω)=jωCLVL(ω)+VL(ω)RL
Figure 3: 
						Electrical side of EVEH for capacitive load.
Figure 3:

Electrical side of EVEH for capacitive load.

Now we should someway obtain the VL(ω) and consequently I(ω) in terms of Z(ω).

(35)LcI˙(t)+RcI(t)+VL(t)=e.m.f=Kz˙
(36)jωLcI(ω)+RcI(ω)+VL(ω)=jωKZ(ω)

If we put equation (34) into equation (36) and solve for VL(ω) we have:

(37)LcjωVL(ω)RLLcCLω2VL(ω)+RcVL(ω)RL+VL(ω)+jωRcCLVL(ω)=jωKZ(ω)

If we put VL(ω) derived from equation (37) into equation (34) and consequently equation (7) we have:

(38)Z(ω)Y(ω)=mω2mω2+ks+Cmjω+K2jω(CLjω+1RL)LcjωRLLcCLω2+RcRL+1+RcCLjω

The electrical damping coefficient and resonance condition of EVEH can be calculated by arranging the imaginary and real part of the denumerator of relation (38) respectively.

(39)ce=K2CLω2(RcCL)+K2RL(1+RcRL)(1+RcRLLcCLω2)2+(RcCLω+LcωRL)2

The resonance condition is:

(40)K2CLω2(1LcCLω2)+K2ω2RL(LcRL)(1+RcRLLcCLω2)2+(RcCLω+LcωRL)2+mω2ks=0

Switching circuit for capacitive load

The RMS of load voltage can be derived using the derivative of equation (24) (Figure 4):

(41)dVrmsdt=Vmωsin(ωtΦ)
Figure 4: 
							Switching circuit of capacitive load.
Figure 4:

Switching circuit of capacitive load.

By similar way we have:

(42)dVrmsdt=Vmω2TskTspsin(ωkTsp)ω×B

The parameter B is the same parameter as derived in previous subsection. According to KCL equation we have:

(43)Irms=VrmsRL+CLdVrmsdt

If we put equations (21), (27), (42) into equation (43) and after squaring the left and right side, arrange and square again we have:

(44)(C22+C1B2)λ2+C3C2λ+(C32C1)=0

where

(45)C1=4Vm4ω2CL2RL2λ=sin(ωkTsp)ωkTspC2=Im2AVm2B(1RL2CL2ω2)C3=Im2Vm2(1RL2+CL2ω2)
ω is the excitation frequency and may differ from optimum excitation frequency. Note that the optimum excitation frequency and base amplitude acceleration is applied for calculating Vm, Im, Φ and Θ. The RMS power consumed in the load resistor is:
(46)(Prms)Switching=Vm22RL(Prms)Optimum=Vrms2RL=Vm2kp2RL(1+λB)

Equation (27) have been used for Vrms. If we equate the formulas of equation (46) a relation for k will be derived. The switching waveforms are assumed to exactly coincide with sinusoidal curves of optimum condition voltage and current at times when the switch is on and the excitation frequency is optimum.

(47)(Prms)Switching=(P)Optimumk=1p(1+λB)

Two equations (44) and (47) can be numerical solved for k in MATLAB.

Figure 5: Electrical side of EVEH for inductive load.
Figure 5:

Electrical side of EVEH for inductive load.

Inductive load

(48) I = I L L + I R L = 1 L L V L ( t ) d t + V L R L

When we put equation (48) into frequency domain, we get the following (Figure 5):

(49) I ( ω ) = V L ( ω ) j ω L L + V L ( ω ) R L

LL is the load inductance and IL is the inductor current, and here are the circuit equations:

(50) L c I ˙ ( t ) + R c I ( t ) + V L ( t ) = e . m . f = K z ˙
(51) j ω L c I ( ω ) + R c I ( ω ) + V L ( ω ) = j ω K Z ( ω )

Equation (49) into equation (51):

(52)jωLcVL(ω)RL+LcLLVL(ω)+RcVL(ω)RL+VL(ω)RcjLLωVL(ω)=jωKZ(ω)

Solve for VL(ω) from equation (52) and put it in equation (49) and then equation (7):

(53)Z(ω)Y(ω)=mω2(mω2+ks+Cmjω+jK2ω(1jωLL+1RL)LcjωRL+LcLL+RcRL+1RcjLLω)

In order to determine the electrical damping coefficient, factor out the term jω from denumerator of equation (53):

(54)ce=K2LLω(RcLLω)+K2RL(1+RcRL)(1+RcRL+LcLL)2+(RcLLωLcωRL)2

By considering the real part of the denominator of equation (53), the resonance condition for EVEH at inductive load is:

(55)K2ωRL(LcωRL)+K2LL(1+LcLL)(1+RcRL+LcLL)2+(RcLLωLcωRL)2+mω2ks=0

Switching circuit for inductive load

Based on the KCL equation in the load node, we have (Figure 6):

(56)Irms=VrmsRL+1LLVrmsdt
(57)Vrmsdt=Vmω2TskTspsin(ωkTsp)ω×B
Figure 6: Switching circuit of inductive load.
Figure 6:

Switching circuit of inductive load.

Integration from equation (24) results in equation (57) and putting this equation and equations (21), (27) into equation (56), square the left and right sides arrange and square again, we have:

(58)(C52+C4B2)λ2+C6C5λ+(C62C4)=0

where

(59)C4=4Vm4RL2LL2ω2λ=sin(ωkTsp)ωkTspC5=Im2AVm2B(1RL21ω2LL2)C6=Im2Vm2(1RL2+1ω2LL2)

The values of A and B are the same as those found in equations (22), (28) respectively. To solve for k at the known value of Ts we need another equation that comes from power formula. This equation is exactly the same as equation (47).

4 Coil parameters design and numerical example

In our tuning problem, no matter what the excitation frequency or Ab is (just the value of excitation amplitude is a given and is a fixed value), we tune the frequency of vibration of the magnet so that the magnet vibrates regardless of the excitation frequency. When the excitation frequency changes, the base amplitude acceleration will change. The switching action brings the magnet from an off-optimum condition (i.e. different ω) to an optimum condition that will be discussed in the following. In this section, we will use six equations that will help us to design coil and load parameters that are able to withstand under-input power that enters the electrical domain of EVEH. These six equations include resonance condition as well as power (that delivered to the electrical domain) derivative with respect to the angular frequency of magnet at constant load and constant base amplitude acceleration, and power (that consumed in the load resistor) derivative with respect to load at a constant angular vibration frequency of magnet and constant base amplitude acceleration which results to third and fourth equations and the load that derived from this derivative is equivalent to Thévénin-based load that will drive in “Impedance matching” section (relations of 85 and 90 for the case of capacitive load). The fifth equation is derived through the derivative of power that entered into the electrical domain with respect to the electrical damping coefficient and the sixth equation is derived through the formula of Ab=ω2Y0. In the numerical example, we will calculate the optimum vibration frequency of magnet as well as optimum load and coil parameters and optimum base amplitude acceleration and which causes to delivery of the most electrical power into the electrical domain. By solving these six equations simultaneously we can find a frequency that causes the maximum power delivered into the electrical domain (which is not necessarily mechanical resonance frequency as discussed at end of the subsection of resistive load in “Transfer function and duty cycle” section), as well as optimum coil and load parameters. The resonance condition for all loads mentioned above can be put in the following form:

(60)ωce+mω2ks=0ce=mωksω

This is the first equation of the three mentioned above conditions. The second equation is obtained by equating the derivative of the real part of the power that is delivered to the electrical domain with respect to angular frequency to zero. As mentioned above the third and fourth equations are equivalent to the Thévénin-based load parameters. The fifth and sixth conditions are derived as follows: maximum active root mean square (RMS) power that will deliver to the electrical part is:

(61)P=12ce|Z˙|2
(62)Pce=0

Applying the resonance conditions to the transfer function, we get:

(63)Z0Y0=mωCm+ce
(64)P=12ceω2Z02
(65)P=12m2ω4Y02ce(ce+Cm)2
(66)dPdce=m2ω42(Cm+ce)22(Cm+ce)ce(Cm+ce)2=0

Therefore

(67)ce=Cm

This is the fifth equation. The sixth relation is the formula of base amplitude acceleration i.e. Ab=ω2Y0. The sum of power that the coil and load resistor consume (i.e. PRL plus PRc formulas) should not exceed the power from the equation that will derive as follows.

If we place the 67 condition into the power transferred to the electrical domain i.e. equation (65), we get:

(68)Pmax=(mAb)28Cm

Equation (68) shows that when the base acceleration is constant the maximum power delivered to the electrical domain is constant, and this formula does not depend on the electromagnetic coupling coefficient. The smaller the mechanical damping the more energy will be delivered to the electrical domain. Note that Pmax is a RMS power.

Capacitive load numerical example

In this subsection, the author will show that Thévénin-based load parameters, as well as other optimum parameters such as Ab, ω (vibration frequency of magnet), and coil parameters, can be calculated using MATLAB based on six equations discussed above. Note that if the coil and load are able to withstand these optimum Ab and ω, then they can be able to withstand other Ab and ω. It should be noted that the inductive nature of the system at Micro or Nano dimension does not allow applying the inductive load for locking the frequency response, because (based on the Table 3 that will be explained in “Discussion” section) the intermittent environment (i.e. the coil) is also inductive. Therefore, the balancing process of reactive energies becomes more improbable. Nevertheless, the theoretical analysis and discussion of inductive load have been mentioned in this paper. The optimum parameters that cause the maximum electrical power to enter into that electrical domain based on the six equations discussed above are shown in Table 1. According to our tuning strategy, we want EVEH to operate in these optimum parameters regardless of the base amplitude acceleration or excitation frequency of the environment. When the base amplitude acceleration changes and deviates from the optimum value the vibration frequency of the magnet will also tend to change and as a result of this, we cannot achieve the optimum power in the load resister, to overcome this deviation we apply a switch between coil and load and tune the duty cycle of this switch so that we are able to achieve the optimum power in optimum load resistor. To calculate the deviated vibration frequency of the magnet whenever the base amplitude changes from the optimum condition, the base amplitude acceleration formula (Ab=ω2Y0). Note that the value of Y0 is given and assumed constant.

Table 1:

The optimum parameters of EVEH with known values of three mechanical parameters and given value of Y0 = 1e−4 (g = 9.81 m/s2).

SymbolQuantityvalueUnit
mMass of moving magnet21.4g
ksSpring constant3220N/m
CmMechanical damping0.31N s/m
KElectromagnetic coupling5.6V s/m
AbBase acceleration1.427 gm/s2
RcCoil resistance28.53Ω
LcCoil reactance1.168H
RLLoad resistance4.6240
CLLoad capacitance6.078μF
fexcExcitation frequency59.56Hz
Table 2:

Duty cycle for the different excitation frequency and for optimum parameters of RL=4.624 kΩ, CL=6.078μF, ω=352 rad/s, Ab=1.427 gms2 .

Excitation frequencyDuty cycleSwitching frequency
fexc = 2 Hzk = 0.1024fs = 150 Hz
fexc = 25 Hzk = 0.1021fs = 150 Hz
fexc = 35 Hzk = 0.7660fs = 150 Hz
fexc = 80 Hzk = 0.0972fs = 150 Hz
fexc = 110 Hzk = 0.4425fs = 150 Hz
It should be noted that from the above data the vibration amplitude of magnet (Z0), as well as the optimum power that enters into the electrical domain and also the optimum power that consumes in the load resistor, can be calculated as follows for capacitive load, From equations (38), (68) and (113), these values can be calculated respectively. Z0 = 1.1 mm, Pmax = 36.2 mW, PRL=22.5 mW.

Note that 13.7 mW consumes in the resistor of the coil i.e. 37.85% of maximum power that enters into the electrical domain. These numbers tell us that with the optimum parameters of Table 1 we cannot harvest more than 22.5 mW at optimum load resistor and optimum excitation frequency. Note that according to our calculations (Table 2), at frequencies more than the optimum excitation frequency (i.e. 59.56 Hz), harvesting the optimum power using a switching circuit for capacitive load is not impossible.

Impedance matching

Thévénin circuit of EVEH

Based on the electrical similarity of mechanical systems (Cammarano et al. 2010) we can say:

masscapacitor, springinductordamperresistormC,1ksL,1CmR

A diagram of the EVEH circuit is shown in Figure 7. FEM is the electrical damping force and mω2Y(ω) is the excitation current source. The load impedance is ZL. Rc and Lc are coil resistance and inductance respectively. m and ks and Cm are the mass of the moving magnet and spring stiffness constant and mechanical damping coefficient respectively. We seek the Thévénin equivalence of circuits from the end terminal of the load ZL. First, we calculate the voltage and impedance of Thévénin. This voltage is the voltage at the terminal of the current source (Figure 8).

(69)X=mωksω

where X is the admittance of capacitor and inductor at mechanical side.

(70)Vth=Vo.cK=Kmω2YωCm+jX
(71)Is.c=KV1Rc+jωLc
(72)V1Cm+jX+KRc+jωLc=mω2Yω
(73)V1=mω2YωCm+jX+KRc+jωLc
Figure 7: 
						The circuit model of EVEH.
Figure 7:

The circuit model of EVEH.

Figure 8: 
						Thévénin circuit for open circuit voltage.
Figure 8:

Thévénin circuit for open circuit voltage.

If we put equation (73) into (71) (Figure 9):

(74)Is.c=mKω2YωK+Rc+jωLcCm+jX
(75)Zth=Vo.cIs.c=K+Rc+jωLcCm+jXCm+jX
Figure 9: 
						Thévénin circuit of short circuit current.
Figure 9:

Thévénin circuit of short circuit current.

After simplifying we have:

(76)Rth=Rc+K2CmCm2+X2
(77)Xth=Xc-K2XCm2+X2

The condition of maximum power transfer

If the load impedance is equal to the conjugate of  Thévénin impedance, then maximum power will be delivered from the source to the load (Berdy et al. 2011).

Resistive load

Note that in resistive load we assume the coil inductance is negligibly

(78) R L = R t h , X t h = 0
(79) R L = R c + K 2 C m C m 2 + X 2

Note that RL is the reflected resistance of load on the mechanical side. At mechanical resonance, the value of X is zero and the optimum load resistor becomes (Figure 10):

(80)RLopt=Rc+K2Cm
Figure 10: 
							Thévénin equivalent circuit for resistive load.
Figure 10:

Thévénin equivalent circuit for resistive load.

Capacitive load

(81) Z L = R L C L
(82) R L = R t h R L 1 + R L 2 C L 2 ω 2 = R t h
(83) X L = - X t h - R L 2 ω C L R L 2 + 1 ω 2 C L 2 = - X t h

If we divide equation (83) by (82) (Figure 11):

(84)RLCL=1ωXthRth
Figure 11: Thévénin equivalent circuit for capacitive load.
Figure 11:

Thévénin equivalent circuit for capacitive load.

Assuming that we put equation (84) into equation (82) and arrange the result in terms of RL and put it in equation (84):

(85)RL=|Zth|2Rth,CL=Xthω|Zth|2

These equations are the optimum load formula for capacitive loads.

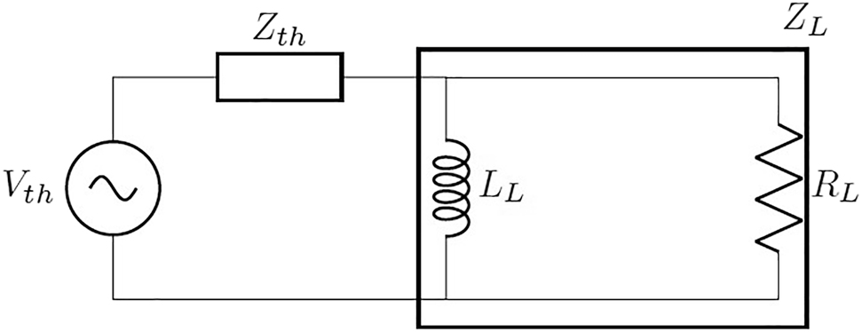
Figure 12: Thévénin equivalent circuit for inductive load.
Figure 12:

Thévénin equivalent circuit for inductive load.

Inductive load

(86) Z L = R L L L
(87) R L = R t h R L ω 2 L L 2 R L 2 + ω 2 L L 2 = R t h
(88) X L = - X t h - R L 2 ω L L R L 2 + ω 2 L L 2 = - X t h

If we divide equation (87) by (88) (Figure 12):

(89) L L R L = 1 ω R t h X t h

Putting equation (89) into equation (88) and simplifying:

(90)RL=|Zth|2Rth,LL=-|Zth|2ωXth

These equations are the optimum load formula for inductive load this load is emulated by a switch with variable duty cycle.

Complex damping and RMS power formulas

In this section, we elaborate on how frequency response will be plotted as well as electrical damping coefficient and lock coefficient (imaginary part of complex damping).

Resistive load

The load voltage for resistive load is (equation (10)):

(91)VL(ω)=jωK1+RcRL+jωLcRLZ(ω)

The power is the time derivative work of the electric damping force FEM:

(92)P(t)=ddtFEMdz=KddtI(t)dz
(93)P(ω)=jωKI(ω)dZ(ω)

We can calculate the power based on the generated electrical current. Inputting equation (9) into equation (93):

(94)P(ω)=jωKRLVL(ω)dZ(ω)

Putting equations (91) into (94), we can derive the power formula:

(95)P(ω)=jωKRLjωK1+RcRL+jωLcRLZ(ω)dZ(ω)
(96)P(ω)=12K2ω2RL+Rc+jωLcZ(ω)Z*(ω)

Based on the simplified equation above:

(97)P(ω)=12K2ω2Z(ω)Z*(ω)(RL+Rc)2+(ωLc)2(RL+RcjωLc)

The standard form of this equation is:

(98)P=12(K2RL(RL+Rc)2+(ωLc)2jK2ωLc(RL+Rc)2+(ωLc)2)|Z˙|2
(99)P=12Ce|Z˙|2
(100)Ce=cejce
(101)ce=K2ωLc(RL+Rc)2+(ωLc)2

The real part of equation (100) corresponds to the electrical damping, which is a factor that affects the mechanical damping coefficient. Reactive power may also be generated by the passive components of the circuit. Mass and spring also store reactive power. It’s easy to conclude that the real part of equation (97) is energy generated in a coil and load resistors, the imaginary part refers to the reactive energy generated in the coil’s inductor. The resistor RL consumes the following amount of power:

(102)PRL=12Kω2RL(RL+Rc)2+(ωLc)2Z(ω)Z*(ω)
(103)PRc=12Kω2Rc(RL+Rc)2+(ωLc)2Z(ω)Z*(ω)

The amount of reactive power generated in the coil is:

(104)PLc=12Kω3Lc(RL+Rc)2+(ωLc)2Z(ω)Z*(ω)

As Z(ω) is a known quantity, we can use the transfer function formula in conjunction with a known excitation function to determine the power consumed by the RL. Assuming Y=Y0sin(ωt), then Y(ω)=Y0j and Y0 is the known value in equation (11). Equations (91) and (102) can be used to plot voltage and power versus frequency.

Capacitive load

According to “Capacitive load” section, the load voltage for capacitive load can be derived from equation (37).

(105)VL(ω)=jωK1+jωLcRL+RcRL+jωRcCLLcCLω2Z(ω)

The voltage across the load resistor is represented by the above equation. The following happens if we plug equation (105) into equation (34):

(106)I(ω)=Kω2CLRL+jKω(Rc+(1LcCLω2)RL)+(Lc+RLCLRc)jωZ(ω)

Since we know the value of load current, we can calculate the integral of equation (93):

(107)P(ω)=12(jKω3CLRL+K2ω2)Z(ω)Z*(ω)(Rc+(1LcCLω2)RL)+(Lc+RLCLRc)jω
(108)P=12Ce|Z˙|2

In this equation Ce is equal to equation (100), where ce is as follows:

(109)ce=K2CLω(1LcCLω2)K2ωRL(LcRL)(1+RcRLLcCLω2)2+(RcCLω+LcωRL)2

In order to distinguish real power generated in Rc and RL from reactive power generated in Lc and CL, we first calculate the real part of equation (107):

(110)real(P(ω))=12(K2ω2(Rc+RL)+K2ω4RL2CL2)Z(ω)Z*(ω)(Rc+(1CLLcω2)RL)2+(Lcω+RLCLRcω)2

The real power is the sum of power that is generated in the coil and in the load resistors. We can distinguish between these two powers, i.e. PRL and PRc, since the generated electrical current is known i.e. I(ω) (the electrical current that pass the resistor of coil) thus the real power consumed in the resistor of coil is as follows:

(111)PRc=12I(ω)I*(ω)Rc
(112)PRc=12(K2ω4CL2RL2+K2ω2)RcZ(ω)Z*(ω)(Rc+(1LcCLω2)RL)2+(Lcω+RLCLRcω)2

Subtracting equation (112) from equation (110) we find the power consumed by the resistor of the load (i.e. PRL for the capacitive load):

(113)PRL=12K2ω2RLZ(ω)Z*(ω)(Rc+(1LcCLω2)RL)2+(Lcω+RLCLRcω)2

The frequency-response plot is the plot of PRL versus excitation frequency ω at the constant base acceleration. According to equation (107), the imaginary part of the equation is:

(114)imagPω=-12-K2ω3Lc+RLCLRc+K2ω3CLRLRc+1-LcCLω2RLRc+1-LcCLω2RL2+Lcω+RLCLRcω2ZωZ*ω

The generated current passes the Lc is known, we can calculate the reactive power generated by the Lc as follows:

(115)PLc=12I(ω)I*(ω)Xc

where Xc=ωLc is the reactance of the coil:

(116)PLc=12(K2ω5CL2RL2Lc+K2ω3Lc)Z(ω)Z*(ω)(Rc+(1LcCLω2)RL)2+(Lcω+RLCLRcω)2

As a result, if we subtract equation (116) from equation (114), the reactive power consumed by the load capacitor will be as follows:

(117)PCL=12-K2ω3RL2CLZωZ*ωRc+1-LcCLω2RL2+Lcω+RLCLRcω2

Knowing transfer function for capacitive load, we can plot voltage and power versus frequency from equations (105) and (113).

Inductive load

(118) V L ( ω ) = j K ω 1 + R c R L + L c L L + L c j ω R L R c j L L ω Z ( ω )

If we put equation (118) into (49) the current will be derived:

(119)I(ω)=(jKωRcLcLLω2RL+(Lc+LL(1+RcRL)jω+jKω(LcωRcRLLLω)j+LcRLLL+Rc+RL)Z(ω)

Putting equation (119) into equation (7), the following power will be derived:

(120)P(ω)=12(jKωLcLLω2RL+(Lc+LL(1+RcRL)jω+Rc)+jKω(LcRcRLLLω2)jω+LcRLLL+Rc+RL)Z(ω)Z*(ω)
(121)P=12Ce|Z˙|2

The formula for ce is the same as equation (100).

(122)ce=K2RL(LcωRL)+K2LLω(1+LcLL)(1+RcRL+LcLL)2+(RcLLωLcωRL)2

Here is the real part of the equation:

(123)real(P(ω))=12(K2ω2(RcLcLLω2RL)(RcLcLLω2RL)2+(Lc+LL(1+RcRL))2+K2ω2(LcRLLL+Rc+RL)(LcRLLLRc+RL)2+((LcRcRLLLω2)ω)2)Z(ω)Z*(ω)
(124)PRc=12I(ω)I*(ω)Rc
(125)PRc=12(K2ω2Rc(RcLcLLω2RL)2+(Lc+LL(1+RcRL))2+K2ω2Rc(LcRLLLRc+RL)2+((LcRcRLLLω2)ω)2)Z(ω)Z*(ω)

As a result of subtracting equation (125) from equation (123):

(126)PRL=12(K2ω4LcLLRL(RcLcLLω2RL)2+(Lc+LL(1+RcRL))2+K2ω2RL(1+LcLL)(LcRLLLRc+RL)2+((LcRcRLLLω2)ω)2)Z(ω)Z*(ω)

Inductive loads are described by equation (126) for PLc. Here is what we find when calculating the imaginary part of equation (120):

(127)imagPω=12(K3ω3Lc+LL1+RcRLRc-LcLLω2RL2+Lc+LL1+RcRL2+K3ω3Lc-RcRLLLω2LcRLLLRc+RL2+Lc-RcRLLLω2ω2)ZωZ*ω
(128)PLc=12I(ω)I*(ω)Xc
(129)PLc=12(K3ω3Lc(RcLcLLω2RL)2+(Lc+LL(1+RcRL))2+K3ω3Lc(LcRLLLRc+RL)2+((LcRcRLLLω2)ω)2)Z(ω)Z(ω)

The generated reactive power, PLL can be obtained by subtracting the PLc from equation (127):

(130)PLL=12(K2ωRcRLLL(RcLcLLω2RL)2+(Lc+LL(1+RcRL))2+K2ω3LL(1+RcRL)(LcRLLLRc+RL)2+((LcRcRLLLω2)ω)2)Z(ω)Z*(ω)

By knowing the transfer function for an inductive load, we can plot voltage and power versus frequency from equations (118) and (126).

Discussion

In this paper, we proposed a switch to lock the frequency response of EVEH. However, we did not discuss how the switch operates. Considering the resonance condition, we can write it as follows for each of the loads mentioned above.

(131)ωce+mω2ks=0

Multiply the left side by Z(ω) and integrate the equation in the time domain:

(132)mω2Z(ω)+ksZ(ω)+ωceZ(ω)=0
(133)mz¨dz+kszdz+cez˙dz=0

Reactive energy balance for the whole system is described by (133):

(134)ΔEk+ΔU+ΔELock=0

where Ek is the kinetic energy of magnet and WLock=ΔELock is the work of the lock force. This force is due to phase difference between velocity of magnet and current of coil. Because our problem is a forced vibration one, the kinetic and potential energies and lock work change to each other, and since they are reactive energies, when the switch is closed there is no net reactive energy because of the balance of energy in the system. When the switch is opened and open circuit is established, the energy that had been stored in the coil will release in the mass (the positive reactive energy of the coil is balanced by negative reactive energy of the mass) through the movement of the magnet. Therefore we should not concern about energy that stores in the coil and mode of operation of the switch. It should be note that in equation (134) when the kinetic energy is increases the potential energy decreases. The loads that should be applied in various conditions are also discussed. The kind of load (R-C or R-L) depends on the net reactive power generated by the Thévénin reactance of the whole of system (Table 3). It should be noted that the mass stores the negative reactive energy (like a capacitor) and the spring stores positive reactive energy (like an inductor). The inductive load should be applied when Xth<0 (i.e., when the Thévénin reactance is capacitive) and the capacitive load should be applied when Xth>0 (i.e., when the Thévénin reactance is inductive). The locking process is obtained when the algebraic sum of net reactive energies that produce in the system, with net reactive energies that are consumed in the electrical and mechanical domains is equal to each other. Note that the balancing tends to accrue when there is a phase difference between the velocity of magnet and coil current. One can even calculate the lock and damping forces that induce the reactive and active energy in the system by calculating the real and imaginary parts of the electrical current.

(135)Zeq=R+jXe.m.f=Kz˙Icoil=e.m.fZeq=Kz˙R+jX
(136)Flock=K{Icoil}=K2XR2+X2z˙Fdamp=K{Icoil}=K2RR2+X2z˙
Table 3:

The loads that should be applied in various conditions.

FrequencyThévénin reactanceApplied load
ω<ωMechXth>0RC
ω<ωMechXth<0RL
ω>ωMechXth>0RC
ω>ωMechXth<0RL

Conclusions

Therefore, we have shown how we can use a switch with a specific switching frequency and duty cycle that depends just on the off-optimum vibration frequency of the magnet, to lock the frequency response of EVEH so that the optimum parameters are always guaranteed. The only issue is the mode of operation of the switch in our analysis, which with reactive elements of energy such as mass and spring, it is guaranteed that no net reactive energy remains in the system after the switch turns on and off.


Corresponding author: Aboozar Dezhara, Faculty of Electrical and Computer Engineering, Tabriz University, Tabriz, Iran, E-mail:

  1. Author contributions: All the authors have accepted responsibility for the entire content of this submitted manuscript and approved submission.

  2. Research funding: None declared.

  3. Conflict of interest statement: The authors declare no conflicts of interest regarding this article.

References

Aboulfotoh, N., M. Arafa, and S. Megahed. 2013. “A Self-Tuning Resonator for Vibration Energy Harvesting.” Sensors and Actuators A Physical 210: 328–34.10.1016/j.sna.2013.07.030Search in Google Scholar

Berdy, D., B. Jung, J. Rhoads, and D. Peroulis. “Increased-Bandwidth, Meandering Vibration Energy Harvester.” In 2011 16th International Solid-State Sensors, Actuators and Microsystems Conference, TRANSDUCERS’11, 06, 2011.10.1109/TRANSDUCERS.2011.5969872Search in Google Scholar

Chen, S., J. Wu, and S. Liu. 2014. “Electromagnetic Energy Harvester with an In-Phase Vibration Bandwidth Broadening Technique.” In 2014 IEEE 27th International Conference on Micro Electro Mechanical Systems (MEMS), 382–4.10.1109/MEMSYS.2014.6765656Search in Google Scholar

Cammarano, A., S. G. Burrow, D. Barton, A. Carrella, and L. Clare. 2010. “Tuning a Resonant Energy Harvester Using a Generalized Electrical Load.” Smart Materials and Structures 19: 055003.10.1088/0964-1726/19/5/055003Search in Google Scholar

Dong, L., A. Closson, C. Jin, I. Trase, Zi. Chen, and X. Zhang. 2019. “Vibration-Energy-Harvesting System: Transduction Mechanisms, Frequency Tuning Techniques, and Biomechanical Applications.” Advanced Materials Technologies 4: 08, https://doi.org/10.1002/admt.201900177.Search in Google Scholar PubMed PubMed Central

Jung, J., and J. Seok. 06 2015. “Frequency-tunable Electromagnetic Energy Harvester Using Magneto-Rheological Elastomer.” Journal of Intelligent Material Systems and Structures 27: 959–79.10.1177/1045389X15590274Search in Google Scholar

Lee, B., and G. Chung. 2015. “Frequency Tuning Design for Vibration-Driven Electromagnetic Energy Harvester.” IET Renewable Power Generation 9 (7): 801–8, https://doi.org/10.1049/iet-rpg.2014.0195.Search in Google Scholar

Ottman, G. K., H. F. Hofmann, A. C. Bhatt, and G. A. Lesieutre. 2002. “Adaptive Piezoelectric Energy Harvesting Circuit for Wireless Remote Power Supply.” IEEE Transactions on Power Electronics 17 (5): 669–76, https://doi.org/10.1109/tpel.2002.802194.Search in Google Scholar

Received: 2021-10-29
Accepted: 2021-12-30
Published Online: 2022-01-26
Published in Print: 2022-01-27

© 2022 Walter de Gruyter GmbH, Berlin/Boston

Downloaded on 28.11.2025 from https://www.degruyterbrill.com/document/doi/10.1515/ehs-2021-0057/html
Scroll to top button