Home Quantitative analysis of DC–DC converter models: a statistical perspective based on solar photovoltaic power storage
Article Publicly Available

Quantitative analysis of DC–DC converter models: a statistical perspective based on solar photovoltaic power storage

  • Shreyas Rajendra Hole ORCID logo EMAIL logo and Agam Das Goswami ORCID logo
Published/Copyright: February 24, 2022
Become an author with De Gruyter Brill

Abstract

Photovoltaic (PV) systems have paved their way into general households due to their high efficiency, low deployment cost and huge power savings. These advantages combined with Government incentives further assist in wide-scale adoptability of the solar powered systems. PV systems generate direct current (DC) outputs, which needs to be converted into alternating current (AC) via inverters. The efficiency of inverter design decides the overall efficiency of the PV system, which allows effective utilization of the solar power for feeding to grid or for local usage. In order to design effective inverter models, a large number of electrical configurations are designed by researchers over the years. These include, stand-alone inverters, grid-tie inverters, battery backup inverters and hybrid inverters, each of which are further divided into multiple sub-categories. Each of these sub-categories have a different application, for instance, string-converters are used for moderate power applications up-to 150k W, while central converters are used for high power applications above 80k W, etc. Apart from power capabilities, these designs vary in terms of efficiency of conversion, usability, cost, etc. Due to so many parametric variations, effective selection of these converters for a given PV application becomes ambiguous. In order to reduce this ambiguity, the underlying text statistically evaluates performance of some of the most efficient PV converter models, and compares them on the basis of power capabilities, accuracy of conversion, converter used, control model used, etc. This review will assist researchers and system designers to select the best suited models for their given applications, and thus reduce the time needed for efficient PV inverter system design. This text also recommends future research which can be adopted for improving efficiency of these systems.

Introduction

Designing solar inverters for efficient conversion of generated DC power into usable AC power is a multi-domain task. This task includes, sensing of current, voltage, driving the sensed power, power-point-tracking, DC–DC conversion, DC–AC inversion, grid protection, etc. In order to design an efficient solar inverter, it is recommended that design of these internal task modules should be done with high efficiency. An example architecture that uses field programmable gate arrays (FPGAs) in order to perform these tasks with high speed, low energy consumption and reduced power loss can be observed from Figure 1, wherein different sensing & conversion blocks are connected in tandem to feed the generated power to grid.

Figure 1: 
					PV power processing for DC to AC conversion and efficient grid feeding.
Figure 1:

PV power processing for DC to AC conversion and efficient grid feeding.

The architecture initially senses data from different PV panels, and provides it to a DC–DC converter. This converter boosts power/voltage levels in order to match grid feeding specifications. The obtained power is also given to current & voltage sensors for efficient analysis and solar panel control. This control is materialized using maximum power point tracking algorithms that aim at modifying PV characteristics for maximum power output. Components like DC–DC controllers assist in performing this task via the use of low-power drivers. The sensed power is then given to a DC–AC conversion circuit, a.k.a., PV inverter, which converts the voltage for feeding into the grid. The feeding interface is coupled with a grid protection circuit, which cuts off solar power to the remaining grid circuitry during grid shut down periods.

A large number of algorithms are proposed in order to design the PV inverter circuits, which vary in terms of efficiency of conversion, applicability, power requirements, etc. The next section surveys different characteristics of these algorithms in order to evaluate their applicability for various electrical environments. This is followed by the comparative statistical analysis of these systems, which will assist researchers to identify the best possible inverter configurations for their given PV system design. Finally, this text concludes with some interesting observations about these models and recommends methods to improve them.

Literature review

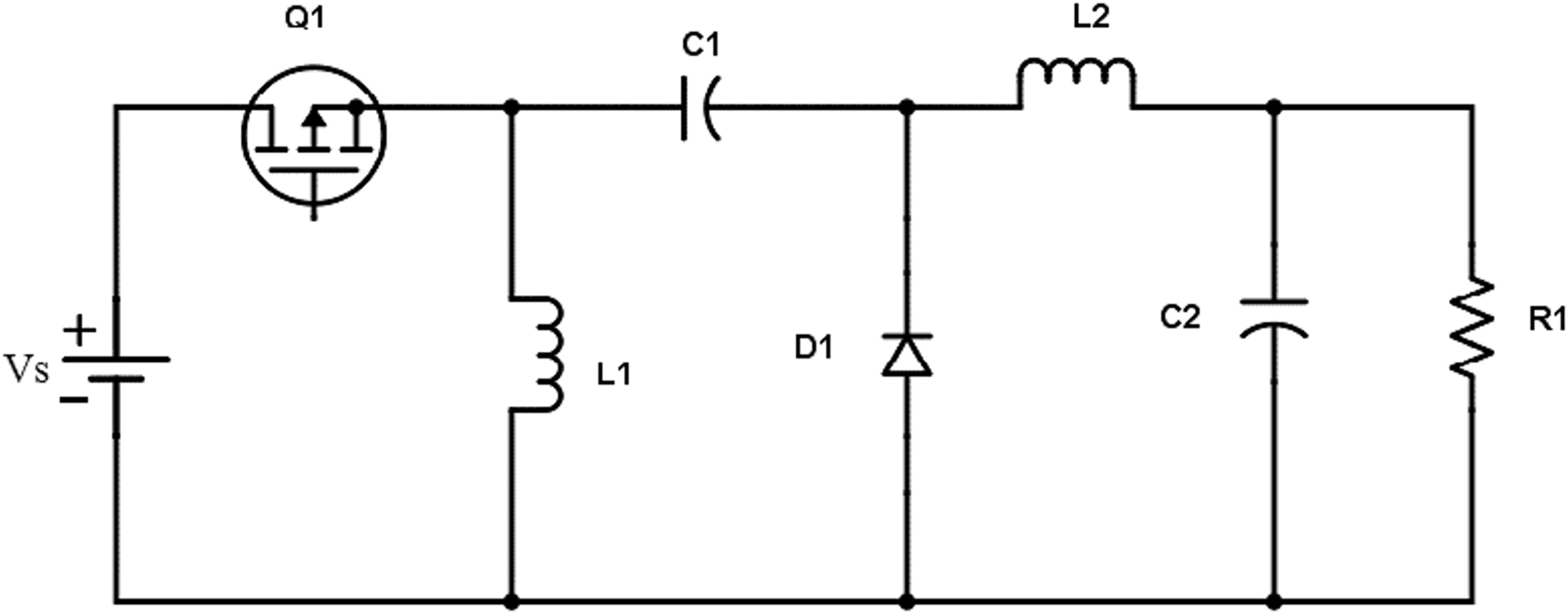
Machine learning is employed in order to improve the performance of various signal processing applications. Considering PV system design as such an application, the work in (Khather and Ibrahim 2020) proposes the use of Bat Algorithm (BA) for effective selection of Proportional–Integral-Derivative (PID) gains. This is combined with Single-ended primary inductance converter (SEPIC) which improves stability of voltage conversion, in both step-up and step-down modes. The circuit diagram for SEPIC converter can be observed from Figure 2, wherein MOSFET (metal oxide semiconductor field-effect transistor) is used for controlling the output during turn ON and turn OFF modes during conversion. The MOSFET operates on a duty cycle (D), due to which output voltage of SEPIC can be controlled using the entity given in equation (1),

(1)Vout=Vin(D1D)

where, Vout and Vin are the output and input voltages for the SEPIC system. This duty cycle is controlled by the PID controller which is optimized using BA optimization. This ensures a stable output voltage, even if there are changes in the input voltage. Convergence delay of less than 0.1 s is obtained, which makes it suitable for real-time applications.

Figure 2: 
					The SEPIC model for highly stable conversion (Khather and Ibrahim 2020).
Figure 2:

The SEPIC model for highly stable conversion (Khather and Ibrahim 2020).

Efficiency of the SEPIC model can be further improved via the use of adaptive maximum power point tracking (MPPT) algorithms. These algorithms allow the PV system to tune their parameters for maximum output. An example such an optimized controller can be observed from Njomo et al. (2021), wherein Nonlinear Neuro-Adaptive Control is used for optimizing the output of MPPT block. Due to use of neural controller, pattern recognition capabilities of the system are improved, which assists in effective selection of MPPT parameters. This allows the system to obtain a power efficiency of 97%, which is 1.7% higher when compared with regular perturb and observe (P&O) system. It also assists in reducing the mean squared error from 3.38 to 2.65, thereby improving output stability. But both P&O and MPPT have their own advantages, and their combination can further improve PV system performance. Such a hybrid system that uses support vector machines (SVM) for improving overall power efficiency of PV systems can be observed from (Yan et al. 2019). Here, the SVM classifier uses historical irradiance data in order to identify the weather conditions, and based on these conditions, final selection of P&O or MPPT models is done. It is observed that SVM achieves an efficiency between 97.9 and 99.7% depending upon weather conditions.

Fuzzy logic models aim at reducing the number of quantization levels for input and output data, thereby assisting in optimization of the overall decision making. These fuzzy models can be used to improve the decision-making process for MPPT and P&O controllers as observed in Blange, Mahanta, and Gogoi (2016), wherein dc–dc buck boost converter is used to improve PV conversion performance. Due to the use of fuzzy control, overall efficiency of conversion is improved by 5% when compared to a non-fuzzy control system. In order to further improve the efficiency of Boost converter, the SEPIC converters are used. These converters when combined with improved dynamic response for duty cycle control can be used for highly efficient PV system design as observed from (Sakthivel and Jayalakshmi 2020). Here a power efficiency of 90% is achieved when PI (partial integral) systems are used to control SEPIC’s duty cycle, which an efficiency of 53% is obtained when PID controllers are used. This efficiency can be improved using bio-inspired optimization models as suggested in Bahari et al. (2016), where Hill Climbing algorithm is used for temporal power analysis. If the power is reducing then duty cycle is also reduced so that the SEPIC system can take faster decisions to control the power. Due to this, the DC-to-DC conversion stability is improved to over 95%, which makes it usable for real-time applicability. The stability and speed performance can be further improved by using adaptive step-size when performing MPPT. Such a model that uses adaptive step-size for maximization of load voltage can be observed in (Kumar et al. 2021a), wherein convergence delay and stability are improved via optimization of the dVloaddDcycle of load voltage, when referenced against the duty cycle. Flow of this model can be observed from Figure 3, wherein maximum and minimum incremental voltage values are initialized, and then these values are optimized with the help of differential evaluation of the duty cycle.

Figure 3: 
					Automatic step size control for improved PV inverter performance (Kumar et al. 2021a).
Figure 3:

Automatic step size control for improved PV inverter performance (Kumar et al. 2021a).

Due to the addition of automatic step-size control, the output tracked power is improved by over 20%, when compared with P&O and incremental conductance (IC) methods. Efficiency of initial conversion (before settling time) is achieved to be 95.5%, which is higher than P&O that provides an efficiency of 85.11%, and IC which provides an efficiency of 88.53% for the same network connections. Similarly, the settling efficiency of the proposed model is 98.2%, which is higher than P&O and IC models, that give an efficiency of 98.08 and 98.16% respectively. Thereby improving the real-time deploy-ability of MPPT systems. Due to the adaptive step-size, the convergence delay is reduced by 40% when compared with P&O and IC methods. This high efficiency requires the proposed models to be integrated with existing MPPT systems with high accuracy. In order to interface these models, various integration issues must be resolved. A survey of these integration issues can be observed from Hemavathi and Gifta (2020), wherein issues like reduced stability, low power transfer, and high processing delay are discussed. These issues are resolved using artificial neural network based fuzzy inference system (ANFIS) model that provides low delay, high power transfer decisions and improved output stability. This decision-making process can be further speed up using Integral sliding mode control (ISMC), but the model has stability issues. These issues are resolved using the direct duty ratio control (DDRC) variable step size (VSS) P&O model as proposed in Pahari (2018). This model is able to achieve faster stability thereby reducing convergence time. This also assists in reducing the total harmonic current and voltage distortions (V-THD and I-THD) when compared with ISMC and SMC models. A THD value of 1.9% is achieved using these models, which makes the system 98% efficient in terms of power conversion, thereby improving its real-time deploy-ability.

It is observed that fuzzy models have improved decision-making performance due to reduced uncertainty in terms of data values. The work in Pareek and Kaur (2021) extends simplistic fuzzy models and proposes a ANFIS model that is integrated with PID controller for improving the efficiency of MPPT systems. The model is able to improve overall stability of output voltage by 25% when compared with simple ANFIS controller, which makes it suitable for PV system integration. Due to the reduced complexity of fuzzy logic controller (FLC) models, they are easy to implement on hardware platforms. This increases overall speed of operation for these decision control devices, thereby further improving their real-time applicability. The work in Fannakh, Ehafyani, and Zouggar (2019) proposes such a hardware implementable fuzzy model, that is designed to work on a low power Arduino chip. The designed model has a high conversion efficiency of 97%, and a low power consumption, thereby indicating its real-time deployment capabilities. Neural networks (NN) can be used to extend the performance of fuzzy logic control devices for PV systems. The work in Saleem, El-zoghby, and Sharaf (2021) describes this superiority by comparison of PI & FLC, combination of PI and NN, & combination of PI and ANFIS controller. It is observed that the NN model when combined with PI control can be used to improve the tracking performance of MPPT controllers in terms of power efficiency, and can also be used to reduce convergence delay for DC-to-DC conversion process.

Complexity of Neural Network models can be reduced by the use of bio-inspired models, which produce similar output performance when compared in terms of efficiency of power transfer, stability, convergence delay, etc. These models aim at reducing the error between current system state and most optimum system state by iterative corrections. One such method is proposed in Rajarajacholan, Moses, and Barsanabanu (2021), wherein an improved version of particle swarm optimization (PSO) model is used. This model is named as Parameter Improved-PSO (PIPSO), and is designed to reduce Integral Squared Error (ISE) values of the converter’s voltage output. Due to this the following parametric changes are observed when compared with simple PSO controller,

  1. Rising delay is reduced by 30%

  2. Settling delay is reduced by 70%

  3. Peak overshoots are reduced by 20%

  4. ISE is reduced by 75%

These parameters are consistent when compared against increased and decreased supply values, thereby making the algorithm applicable for real-time deployment, even under load fluctuations. Realtime implementations of these systems can be observed in Patil and Prasad (2016) and Jung et al. (2017), wherein design of H-Bridges and staged designs are described in order to reduce settling delay, improving power transfer efficiency and achieving zero voltage switching (ZVS).

Machine learning models can be used to improve the performance of PV MPPT systems via adapting to different weather conditions. The work in Nkambule et al. (2021) proposes a mechanism to compare different machine learning models and analyze their effect on the efficiency of such PV MPPT systems. Models like Decision Tree (DT), Gaussian Process Regression (GPR), Multivariate Linear Regression (MLR), Weighted K-Nearest Neighbours (WK-NN), Bagged Tree (BT), Linear Discriminant Analysis (LDA), Naïve Bayes classifier (NBC), SVM and Recurrent Neural Networks (RNN) were compared in terms of MPPT power efficiency performance under different weather conditions. The following observations were made about these algorithms,

  1. SVM has the minimum MPPT testing error in terms of root mean square error (RMSE) values.

  2. GPR has the best mean absolute error (MAE) performance, which indicates better tracking capabilities.

  3. MLR has the fastest response time, which indicates better convergence rate and better decision changing capabilities.

  4. DT requires least delay for training, thereby making it suitable for hardware implementation.

  5. Under normal irradiance conditions, SVM and RNN have the highest efficiency of PV power transfer which is 99.77 and 99.58% respectively, which is better than DT (97.7%), WK-NN (98.2%), MLR (97.6%), LDA (97.23%), BT (96.8%), GPR (97.8%) and NBC (97.1%). Thereby making them capable of usage in high performance outdoor systems.

  6. Under partial shading conditions, SVM and WK-NN have the highest efficiency of PV power transfer which is 96.76 and 95.12% respectively, which is better than DT (92.96%), RNN (88.59%), MLR (92.56%), LDA (92.45%), BT (91.01%), GPR (94.23%) and NBC (91.46%). Thereby making them capable of usage in moderate performance shaded environment PV systems.

  7. Under very low solar radiation conditions, SVM and GPR have the highest efficiency of PV power transfer which is 83.66 and 82.96% respectively, which is better than DT (79.34%), WK-NN (81.5%), MLR (78.98%), LDA (78.83%), BT (77.48%), RNN (75.77%) and NBC (78.07%). Thereby making them capable of usage in low solar radiation zones.

Thereby, it can be observed that SVM outperforms other machine learning models in terms of output efficiency, and thus must be used when deploying on-site PV systems. The SVM model can be combined with P&O, IC, Neural Networks or Fuzzy logic models as suggested in Zongo (2021) and Taleb, Bouyakoub, and Mehedi (2021) in order to improve its stability and power point tracking performance. These systems can be used in high performance applications like electric vehicle (eV) charging as described in Sarkar and Bhattacharyya (2015), wherein an efficiency of up-to 70% can be achieved when optimization models for MPPT and other internal parameters are used. The performance can be improved using other machine learning models for MPPT and DC-to-DC conversion control as suggested in Pakkiraiah (2017), wherein artificial neural networks (ANN), SVM and ANFIS models outperform other linear models like kNN, DT, etc. in terms of overall output efficiency. ANN models provide offline training, high-speed responses, nonlinear mapping, robust operation compact solution for multivariate equations and less computational effort when compared with other deep learning models like RNN and convolutional neural networks (CNNs). The work in Elobaid and Zakzouk (2015) studies this improvement in performance, and suggests that ANN models must be used for all kinds of PV deployment solutions. ANNs are combined with fuzzy logic models to provide better degree of control. Similarly, fuzzy logic can be combined with other models like P&O for further improving its performance. The work in Remoaldo and Jesus (2021) proposes such a two-stage model, wherein P&O is used in the first stage, which is followed by fuzzy logic-based control in the 2nd stage for better decision control. The system works in the following flow,

  1. Initially requirements and system design specifications are decided.

  2. Based on these requirements, parameters are selected for the PV panels, along with their respective irradiation and ambient temperature profiles.

  3. Boost converter parameters are tuned using fuzzy and P&O operations.

  4. MPPT parameters are decided by the fuzzy decision unit.

  5. Testing and evaluation of the converter and MPPT parameters is done, and the best working model is used for final analysis.

Due to these steps, the proposed model has faster response time, better decision-making capabilities, and better stability when compared with MPPT and P&O algorithms individually. This model works with high irradiance, but doesn’t work well if irradiance values are low to moderate. In order to obtain high efficiency of MPPT models under such conditions, work in Kota and Bhukya (2019) proposes an ANN model that can perform shading pattern identification in order to decide global maximum power point (GMMM) values. Due to the use of ANN, an efficiency of 97% is achieved which is 4% higher than that of artificial bee colony (ABC) optimization, and 6% higher when compared with particle swarm optimization (PSO) models. Other models like Genetic Algorithms (GA), hybrid neural networks, etc. are also discussed in Garud et al. (2021), wherein it is observed that combinatorial models like GA + FLC, GA + NN, etc. outperform singular systems in terms of power efficiency and overall power tracking. Similar models are described in Kumar et al. (2021b), Sakthivel and Jayalakshmi (2020), and Ali, Lehtonen, and Darwish (2021) which indicate application of machine learning techniques to improve the performance of DC-to-DC converters, boost converters, MPPT models, etc. Application specific models can also be used to improve performance of internal PV modules. For instance, in order to improve efficiency of DC-DC converters, the work in Dileep and Singh (2017) proposes an active selection model that identifies the best performing approaches for PV system optimization. The model uses a combination of Sliding mode MPPT, Variable inductance MPPT, P&O, Single cycle MPPT, FLC MPPT, NN MPPT and GA with P&O based MPPT control systems, and implements a machine learning based algorithm selection engine. This engine is able to improve overall power efficiency, response time, and convergence delay for the PV system. Out of these models, the MPPT systems with sliding mode control outperform other model architectures. This can also be observed in Zhang, Zhong, and Ma (2021), wherein the SEPIC converter when combined with sliding mode control provides an efficiency of over 95%, which an be used for real-time PV system deployments. An application of these systems can be observed from Biswas et al. (2021), wherein optimized PV systems are used for improving the charging capabilities of tea harvesting systems.

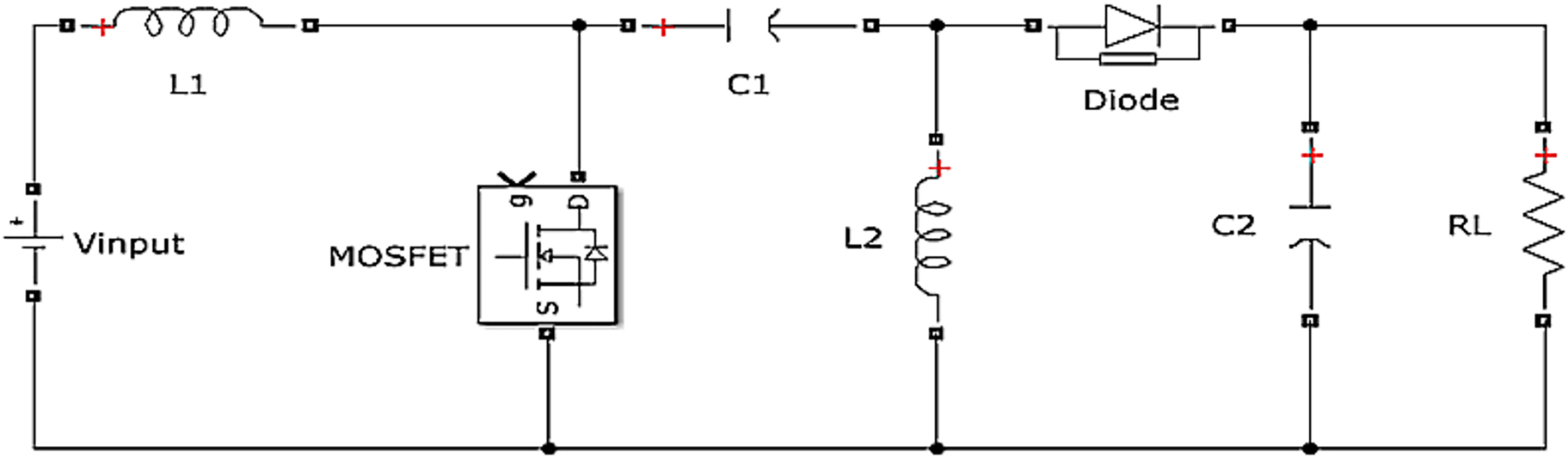
Efficiency of SEPIC converters can be further improved using Zeta topology as observed from Figure 4, wherein the MOSFET is connected in series in order to improve output stability. The work in Raj, Arya, and Gupta (2020) modifies this Zeta converter, and adds a ZVS-based MPPT algorithm to it in order to improve its duty cycle. Due to this addition, the efficiency of the ZVS-Zeta converter is improved to 98.12%, which is higher than ZVS-SEPIC that has an efficiency of 89%. This makes the Zeta converter a suitable option for high efficiency control systems. Original SEPIC and Zeta converters have an efficiency of 88.59 and 93.98% respectively. All of these models use the IC MPPT control technique, which is superior to the P&O model, that provides an accuracy of 87.71, 89.68, 83.39 and 90.62% respectively for Zeta, ZVS Zeta, SEPIC, and ZVS SEPIC respectively. Other topologies like buck, boost, and buck-boost also perform well in terms of output efficiency, but do not match the performance of Zeta and SEPIC models.

Figure 4: 
					The Zeta converter topology (Baharudin et al. 2017).
Figure 4:

The Zeta converter topology (Baharudin et al. 2017).

Work in Saidi et al. (2021) and Ahmed and Salam (2016) further assists in improving MPPT performance by using neural networks and modified P&O models, that aim at reducing system harmonics, and improve convergence rate of the system. These models can be further improved if their internal MPPT controllers are replaced with step-size MPPT controller, and SEPIC converter as suggested in Kumar et al. (2021c). While fixed step-size controllers have an efficiency between 72 and 92.14%; the adaptive step-size controllers are able to perform the same control task with 82–92.2% efficiency, which makes them a better and faster option for PV systems. This efficiency can be improved by machine learning models as proposed in Memaya et al. (2019), Natsheh (2013), Yap, Charles, and Lim (2020), and Khadka et al. (2020), wherein models like hybrid neural network, GA, SVM, kNN, DT, etc. are discussed. It is observed that NN, GA and SVM outperform any other MPPT optimization technique, and must be used for real-time deployment. An example of such a machine learning model for Solar Energy Harvesting System can be observed in Sharma, Haque, and Jaffery (2018), wherein an efficiency of 96% is achieved using buck converters with MPPT control. Similar models for control are mentioned in Singh, Singh, and Roy (2017), Godse and Bhat (2020), Panda, Padhy, and Patel (2008), wherein NAC-based Synchronisation, Mathematical Morphology, and PSO Optimized SSSC models are described for improving overall efficiency of system models. Thus, it can be observed that machine learning models outperform linear models in terms of PV system efficiency, and they must be deployed for real-time PV systems. In the next section, a statistical review of these models can be observed, which will assist researchers in identifying the best model for their design of PV system.

Statistical analysis

In order to identify the best performing PV system, this section compares various PV implementations in terms of MPPT model, DC–DC converter used and the obtained efficiency. This analysis is tabulated in Table 1, wherein efficiency results of various models can be observed.

Table 1:

Statistical analysis of different PV system models.

Method DC–DC converter used MPPT model used Efficiency (%)
SEPIC with Bat (Khather and Ibrahim 2020) SEPIC Bat with PID 97.5
Neural Network (Njomo et al. 2021) Buck-boost NN 97
Neural Network (Njomo et al. 2021) Buck-boost P&O 95.3
SVM (Yan et al. 2019) Buck-boost SVM 97.9
FLC (Blange, Mahanta, and Gogoi 2016) Buck-boost FLC 94
NN (Blange, Mahanta, and Gogoi 2016) Buck-boost NN 89.5
PI with SEPIC (Sakthivel and Jayalakshmi 2020) SEPIC PI 90
PID with SEPIC (Sakthivel and Jayalakshmi 2020) SEPIC PID 53
Hill Climb-ing (Bahari et al. 2016) SEPIC Hill Climb-ing 95
Adaptive step-size (Kumar et al. 2021a) SEPIC Adapt step size 95.5
Adaptive step-size (Kumar et al. 2021a) SEPIC P&O 85.11
Adaptive step-size (Kumar et al. 2021a) SEPIC IC 88.53
VSS P&O (Pahari 2018) SEPIC VSS P&O 98
ANFIS (Pareek and Kaur 2021) SEPIC ANFIS 97
NN (Fannakh, Ehafyani, and Zouggar 2019) Buck-boost NN 97
PIPSO (Saleem, El-zoghby, and Sharaf 2021) SEPIC PIPSO 95
SVM (Nkambule et al. 2021) SEPIC SVM 99.77
RNN (Nkambule et al. 2021) SEPIC RNN 99.58
DT (Nkambule et al. 2021) SEPIC DT 97.7
W-kNN (Nkambule et al. 2021) SEPIC W-kNN 98.2
MLR (Nkambule et al. 2021) SEPIC MLR 97.6
LDA (Nkambule et al. 2021) SEPIC LDA 97.23
BT (Nkambule et al. 2021) SEPIC BT 96.8
GPR (Nkambule et al. 2021) SEPIC GPR 97.8
NBC (Nkambule et al. 2021) SEPIC NBC 97.1
ANN (Nkambule et al. 2021) Buck-boost ANN P&O 97
ABC (Kota and Bhukya 2019) Buck-boost ABC P&O 93
PSO (Kota and Bhukya 2019) Buck-boost PSO P&O 91
ZVS-IC with Zeta (Baharudin et al. 2017) Zeta-ZVS IC 98.12
ZVS-IC with SEPIC (Baharudin et al. 2017) SEPIC-ZVS IC 89
Zeta-IC (Baharudin et al. 2017) Zeta IC 93.98
SEPIC-IC (Baharudin et al. 2017) SEPIC IC 98.12
ZVS- P&O with Zeta (Baharudin et al. 2017) Zeta-ZVS P&O 90.62
ZVS- P&O with SEPIC (Baharudin et al. 2017) SEPIC-ZVS P&O 87.81
Zeta- P&O (Baharudin et al. 2017) Zeta P&O 89.68
SEPIC- P&O (Baharudin et al. 2017) SEPIC P&O 93.39
Fixed size SEPIC (Memaya et al. 2019) SEPIC Fixed step size 92.14
Auto step size SEPIC (Memaya et al. 2019) SEPIC Auto step size 92.2

From these models it can be observed that machine learning architectures like SVM, NN, RNN, and GA outperform other architectures in terms of overall efficiency of PV conversion. This can also be observed from the visualization done in Figure 5, wherein different models and their respective efficiency evaluations are showcased for better visibility.

Figure 5: 
					PV efficiency of conversion comparison.
Figure 5:

PV efficiency of conversion comparison.

Thus, the SEPIC models, and Zeta models outperform in terms of overall accuracy of conversion when compared with buck-boost models. Thereby, SEPIC & Zeta with SVM, RNN, GA and NN is the best architecture choice when designing any PV-based grid model.

Conclusion and future scope

From the results it can be observed that SEPIC and Zeta models outperform buck, boost, and buck-boost topologies for DC-DC conversion. Out of these topologies, the Zeta is used when higher stability is needed, while SEPIC is used when better conversion efficiency is required. Neural networks, fuzzy controllers, SVM models, RNN models & GA models outperform linear techniques like kNN, MLR, BT, etc. which makes them suitable for real-time deployments. Thus, for a system that requires faster convergence with high efficiency can use a combination of SVM with SEPIC, while for higher stability SVM with Zeta can be used. The performance of these models can be further improved by the user of Q-Learning based processing techniques, which iteratively reduces error, thereby improving the efficiency of conversion.


Corresponding author: Shreyas Rajendra Hole, Research Scholar, SENSE VIT-AP, University, Amaravati, India, E-mail:

  1. Author contributions: All the authors have accepted responsibility for the entire content of this submitted manuscript and approved submission.

  2. Research funding: None declared.

  3. Conflict of interest statement: The authors declare no conflicts of interest regarding this article.

References

Ali, M. N., K. Mahmoud, M. Lehtonen, and M. M. Darwish. 2021. “Promising MPPT Methods Combining Metaheuristic, Fuzzy-Logic and ANN Techniques for Grid-Connected Photovoltaic.” Sensors (Switzerland) 21 (4): 1–18, https://doi.org/10.3390/s21041244.Search in Google Scholar PubMed PubMed Central

Ahmed, J., and Z. Salam. 2016. “A Modified P and O Maximum Power Point Tracking Method with Reduced Steady-State Oscillation and Improved Tracking Efficiency.” IEEE Transactions on Sustainable Energy 7 (4): 1506–15, https://doi.org/10.1109/tste.2016.2568043.Search in Google Scholar

Bahari, M. I., P. Tarassodi, Y. M. Naeini, A. K. Khalilabad, and P. Shirazi. 2016. “Modeling and Simulation of Hill Climbing MPPT Algorithm for Photovoltaic Application.” In 2016 Int. Symp. Power Electron. Electr. Drives, Autom. Motion, SPEEDAM 2016, 1041–4.10.1109/SPEEDAM.2016.7525990Search in Google Scholar

Baharudin, N. H., T. M. N. T. Mansur, F. A. Hamid, R. Ali, and M. I. Misrun. 2017. “Topologies of DC-DC Converter in Solar PV Applications.” Indonesian Journal of Electrical Engineering and Computer Science 8 (2): 368–74, https://doi.org/10.11591/ijeecs.v8.i2.pp368-374.Search in Google Scholar

Biswas, S., M. A. Kabir, M. F. Rabby, N. N. Nazmi, and R. Faiz. 2021. “Solar Powered Tea Harvester with Isolated Charging Station in Sylhet, Bangladesh.” In ICREST 2021 - 2nd Int. Conf. Robot. Electr. Signal Process. Tech., 259–62.10.1109/ICREST51555.2021.9331151Search in Google Scholar

Blange, R., C. Mahanta, and A. K. Gogoi. 2016. “MPPT of Solar Photovoltaic Cell Using Perturb & Observe and Fuzzy Logic Controller Algorithm for Buck-Boost DC-DC Converter.” In 2015 Int. Conf. Energy, Power Environ. Towar. Sustain. Growth, ICEPE 2015.10.1109/EPETSG.2015.7510125Search in Google Scholar

Dileep, G., and S. N. Singh. 2017. “Selection of Non-isolated DC-DC Converters for Solar Photovoltaic System.” Renewable and Sustainable Energy Reviews 76: 1230–47.10.1016/j.rser.2017.03.130Search in Google Scholar

Elobaid, L. M., A. K. Abdelsalam, and E. E. Zakzouk. 2015. “Artificial Neural Network-Based Photovoltaic Maximum Power Point Tracking Techniques: A Survey.” IET Renewable Power Generation 9 (8): 1043–63, https://doi.org/10.1049/iet-rpg.2014.0359.Search in Google Scholar

Fannakh, M., M. L. Ehafyani, and S. Zouggar. 2019. “Hardware Implementation of the Fuzzy Logic MPPT in an Arduino Card Using a Simulink Support Package for PV Application.” IET Renewable Power Generation 13 (3): 510–8, https://doi.org/10.1049/iet-rpg.2018.5667.Search in Google Scholar

Garud, K., S. Jayaraj, and M. Y. Lee. 2021. “A Review on Modeling of Solar Photovoltaic Systems Using Artificial Neural Networks, Fuzzy Logic, Genetic Algorithm and Hybrid Models.” International Journal of Energy Research 45 (1): 6–35, https://doi.org/10.1002/er.5608.Search in Google Scholar

Godse, R., and S. Bhat. 2020. “Mathematical Morphology-Based Feature-Extraction Technique for Detection and Classification of Faults on Power Transmission Line.” IEEE Access 8: 38459–71, https://doi.org/10.1109/access.2020.2975431.Search in Google Scholar

Hemavathi, G., and A. A. Gifta. 2020. “Integration Issues in Grid Tied Solar PV Systems Solutions Using ANFIS Algorithm & MatLab Simulink.” Malaya Journal of Matematik (2): 2532–7.Search in Google Scholar

Jung, F., S. D. A. Pinheiro, C. T. Paz, M. Fiorin, and T. Dequigiovani. 2017. “DC-DC Converter for Photovoltaic Systems.” In 2016 12th IEEE Int. Conf. Ind. Appl.INDUSCON 2016.10.1109/INDUSCON.2016.7874524Search in Google Scholar

Khather, S. I., and M. A. Ibrahim. 2020. “Modeling and Simulation of SEPIC Controlled Converter Using PID Controller.” International Journal of Power Electronics and Drive Systems 11 (2): 833–43, https://doi.org/10.11591/ijpeds.v11.i2.pp833-843.Search in Google Scholar

Khadka, N., A. Bista, B. Adhikari, A. Shrestha, D. Bista, and B. Adhikary. 2020. “Current Practices of Solar Photovoltaic Panel Cleaning System and Future Prospects of Machine Learning Implementation.” IEEE Access 8: 135948–62, https://doi.org/10.1109/access.2020.3011553.Search in Google Scholar

Kota, V. R., and M. N. Bhukya. 2019. “A Novel Global MPP Tracking Scheme Based on Shading Pattern Identification Using Artificial Neural Networks for Photovoltaic Power Generation during Partial Shaded Condition.” IET Renewable Power Generation 13 (10): 1647–59, https://doi.org/10.1049/iet-rpg.2018.5142.Search in Google Scholar

Kumar, V., S. Ghosh, N. K. S. Naidu, S. Kamal, R. K. Saket, and S. K. Nagar. 2021. “Load Voltage-Based MPPT Technique for Standalone PV Systems Using Adaptive Step.” International Journal of Electrical Power & Energy Systems 128 (September 2020): 106732, https://doi.org/10.1016/j.ijepes.2020.106732.Search in Google Scholar

Kumar, K., R. Tiwari, P. V. Varaprasad, C. Babu, and K. J. Reddy. 2021. “Performance Evaluation of Fuel Cell Fed Electric Vehicle System with Reconfigured Quadratic Boost Converter.” International Journal of Hydrogen Energy 46 (11): 8167–78, https://doi.org/10.1016/j.ijhydene.2020.11.272.Search in Google Scholar

Kumar, V., S. Ghosh, N. K. S. Naidu, S. Kamal, R. K. Saket, and S. K. Nagar. 2021. “A Current Sensor Based Adaptive Step-Size MPPT with SEPIC Converter for Photovoltaic Systems.” IET Renewable Power Generation 15 (5): 1085–99, https://doi.org/10.1049/rpg2.12091.Search in Google Scholar

Memaya, M., C. Balakrishna Moorthy, S. Tahiliani, and S. Sreeni. 2019. “Machine Learning Based Maximum Power Point Tracking in Solar Energy Conversion Systems.” International Journal of Smart Grid and Clean Energy 8 (6): 662–9, https://doi.org/10.12720/sgce.8.6.662-669.Search in Google Scholar

Natsheh, E. M. 2013. “Hybrid Power Systems Energy Management Based on Artificial Intelligence.” PhD thesis (July).Search in Google Scholar

Nkambule, M. S., A. N. Hasan, A. Ali, J. Hong, and Z. W. Geem. 2021. “Comprehensive Evaluation of Machine Learning MPPT Algorithms for a PV System under Different Weather Conditions.” Journal of Electrical Engineering & Technology 16 (1): 411–27, https://doi.org/10.1007/s42835-020-00598-0.Search in Google Scholar

Pahari, O. P., and B. Subudhi. 2018. “Integral Sliding Mode-Improved Adaptive MPPT Control Scheme for Suppressing Grid Current Harmonics for PV System.” IET Renewable Power Generation 12 (16): 1904–14, https://doi.org/10.1049/iet-rpg.2018.5215.Search in Google Scholar

Pakkiraiah, B. (Regd. No. 131FG06201). 2017. “Investigations on Performance Improvement of Solar Photovoltaic System Fed Asynchronous Motor Drive.” Andhra Pradesh, India: Thesis, Department Electr. Electron. Eng. Vignan’s Foundat. Sci. Technol. Res. Univ.Search in Google Scholar

Panda, S., N. P. Padhy, and R. N. Patel. 2008. “Power-system Stability Improvement by PSO Optimized SSSC-Based Damping Controller.” Electric Power Components and Systems 36 (5): 468–90, https://doi.org/10.1080/15325000701735306.Search in Google Scholar

Pareek, S., and T. Kaur. 2021. “Hybrid ANFIS-PID Based MPPT Controller for a Solar PV System with Electric Vehicle Load.” IOP Conference Series: Materials Science and Engineering 1033 (1): 1–8, https://doi.org/10.1088/1757-899x/1033/1/012012.Search in Google Scholar

Patil, S. N., and R. C. Prasad. 2016. “Design and Development of MPPT Algorithm for High Efficient DC-DC Converter for Solar Energy System Connected to Grid.” In Int. Conf. Energy Syst. Appl. ICESA 2015 (Icesa), 228–33.10.1109/ICESA.2015.7503345Search in Google Scholar

Raj, A., S. R. Arya, and J. Gupta. 2020. “Solar PV Array-Based DC–DC Converter with MPPT for Low Power Applications.” Renewable Energy Focus 34 (September): 109–19, https://doi.org/10.1016/j.ref.2020.05.003.Search in Google Scholar

Rajarajacholan, S., M. B. Moses, and J. Barsanabanu. 2021. “Designing Proportional Integral Controller for a Solar Powered DC-DC Converter Using PIPSO Algorithm and Deep Learning Approach in Intelligent Bio-Medical Applications.” Expert Systems 38 (1): 1–12, https://doi.org/10.1111/exsy.12488.Search in Google Scholar

Remoaldo, D., and I. S. Jesus. 2021. “Analysis of a Traditional and a Fuzzy Logic Enhanced Perturb and Observe Algorithm for the MPPT of a Photovoltaic System.” Algorithms 14 (1), https://doi.org/10.3390/a14010024.Search in Google Scholar

Saidi, A. S., C. B. Salah, A. Errachdi, M. F. Azeem, J. K. Bhutto, V. T. Ijyas, and M. B. Slimene 2021. “A Novel Approach in Stand-Alone Photovoltaic System Using MPPT Controllers & NNE.” AIN Shams Engineering Journal 12 (2): 1973–84, https://doi.org/10.1016/j.asej.2021.01.006.Search in Google Scholar

Sakthivel, K., and V. Jayalakshmi. 2020. “PID Based SEPIC Controlled Closed Loop Excitation System for a Synchronous Generator with Improved Dynamic Response.” Malaya Journal of Matematik (2): 3132–35, https://doi.org/10.26637/MJM0S20/0489.Search in Google Scholar

Saleem, S. M., H. M. El-zoghby, and S. M. Sharaf. 2021. “Maximum Power Point Tracking Techniques for Grid Connected Photovoltaic System Using Intelligent.” Eur. J. Eng. Technol. 9 (1): 1–19.Search in Google Scholar

Sarkar, J., and S. Bhattacharyya. 2015. “A Critical Review of Electric Vehicle Charging Using Solar Photovoltaic.” Archives of Thermodynamics 33 (4): 23–40.10.1002/er.3472Search in Google Scholar

Sharma, H., A. Haque, and Z. A. Jaffery. 2018. “An Efficient Solar Energy Harvesting System for Wireless Sensor Nodes.” In 2018 2nd IEEE Int. Conf. Power Electron. Intell. Control Energy Syst. ICPEICES 2018, Vol. 3, 461–4.10.1109/ICPEICES.2018.8897434Search in Google Scholar

Singh, P. P., J. P. Singh, and B. K. Roy. 2017. “NAC-Based Synchronisation and Anti-Synchronisation Between Hyperchaotic and Chaotic Systems, its Analogue Circuit Design and Application.” IETE Journal of Research 63 (6): 853–69, https://doi.org/10.1080/03772063.2017.1331758.Search in Google Scholar

Taleb, R., I. Bouyakoub, and F. Mehedi. 2021. “Comparative Study of MPPT Control Algorithms of a PV System: Modeling and Simulation.” iKSP Journal of Emerging Trends in Basic and Applied Sciences 1: 30–7.Search in Google Scholar

Tchouani Njomo, A. F., L. L. Sonfack, R. M. Douanla, and G. Kenne. 2021. “Nonlinear Neuro-Adaptive Control for MPPT Applied to Photovoltaic Systems.” Journal of Control, Automation and Electrical Systems 32 (3): 693–702, https://doi.org/10.1007/s40313-021-00691-3.Search in Google Scholar

Yan, K., Y. Du, and Z. Ren. 2019. “MPPT Perturbation Optimization of Photovoltaic Power Systems Based on Solar Irradiance Data Classification.” IEEE Transactions on Sustainable Energy 10 (2): 514–21, https://doi.org/10.1109/tste.2018.2834415.Search in Google Scholar

Yap, KY, CR Sarimuthu., and JMY Lim. 2020. “Artificial Intelligence Based MPPT Techniques for Solar Power System: A Review.” Journal of Modern Power Systems and Clean Energy 8 (6): 1043–59, https://doi.org/10.35833/mpce.2020.000159.Search in Google Scholar

Zongo, O. A. 2021. “Comparing the Performances of MPPT Techniques for DC-DC Boost Converter in a PV System.” Walailak Journal of Science and Technology 18 (2): 1–15, https://doi.org/10.48048/wjst.2021.6500.Search in Google Scholar

Zhang, M., N. Zhong, and M. Ma. 2021. “Sliding mode control of SEPIC converter based photovoltaic system.” Systems Science & Control Engineering 9 (S2): 112–8, doi:https://doi.org/10.1080/21642583.2021.1872043.Search in Google Scholar

Received: 2021-09-11
Accepted: 2022-01-01
Published Online: 2022-02-24
Published in Print: 2022-01-27

© 2022 Walter de Gruyter GmbH, Berlin/Boston

Downloaded on 28.11.2025 from https://www.degruyterbrill.com/document/doi/10.1515/ehs-2021-0027/html?srsltid=AfmBOorN9tTSYTRAAa2AU0-QZ6Po_H3ACjak4575C8_zzFXnbQ6-2ZnY
Scroll to top button