Abstract
The present capability of rare earth element (REE) analysis has been achieved by the development of two instrumental techniques. The efficiency of spectroscopic methods was extraordinarily improved for the detection and determination of REE traces in various materials. On the other hand, the determination of REEs very often depends on the preconcentration and separation of REEs, and chromatographic techniques are very powerful tools for the separation of REEs. By coupling with sensitive detectors, many ambitious analytical tasks can be fulfilled.
Liquid chromatography is the most widely used technique. Different combinations of stationary phases and mobile phases could be used in ion exchange chromatography, ion chromatography, ion-pair reverse-phase chromatography and some other techniques. The application of gas chromatography is limited because only volatile compounds of REEs can be separated. Thin-layer and paper chromatography are techniques that cannot be directly coupled with suitable detectors, which limit their applications. For special demands, separations can be performed by capillary electrophoresis, which has very high separation efficiency.
1 Introduction
Separation of rare earth elements (REEs) is essential to promote the development of REEs industry. Due to the similar properties of REEs, conventional separation methods such as extraction and coprecipitation cannot achieve the separation of single REE. Chromatography (including liquid chromatography (LC) and gas chromatography (GC)) and capillary electrophoresis (CE) techniques are powerful separation techniques with high separation resolution and have been successfully applied in separation of REEs. Among them, LC is the most widely used technique because it has the advantages of various separation modes, robustness, fast separation and so on. Ion exchange chromatography (IEC) is the most suitable LC separation mode for REE ions. Besides IEC, ion chromatography (IC), ion-pair reverse-phase chromatography (RPC), extraction chromatography and centrifugal partition chromatography have also been used for the separation of REEs. GC is only suitable for the separation of volatile or semi-volatile compounds. Therefore, it is not an optional separation technique for the separation of REE ions. CE is a good choice for the separation of charged REE ions. Compared with LC, CE presents better separation resolution, but it is less robust and the absolute limits of detection are relatively high. Therefore, the application of CE on separation of REEs is not as wide as that of LC. In this chapter, the state of art about the applications of chromatography and CE to the separation of REEs will be introduced, and the emphasis is laid on the applications of LC.
2 Liquid chromatography
LC method is the dominant method in the separation of REEs with high separation resolution. Modern LC methods can be classified into two types: column chromatography and planar chromatography. The representative for former one is high-performance liquid chromatography (HPLC), which was the most important development in LC during 1960s and was first applied to the separation of REEs in 1972 utilizing an ion exchange mode [1]. In addition to ion exchange mode, other LC separation modes, including IC, ion pair chromatography (IPC), normal and reverse-phase (RP) LC, extraction chromatography and centrifugal partition chromatography, have also been used for separation and determination of REEs, which greatly promoted the development of rare earth industry. Thin-layer chromatography (TLC) and paper chromatography (PC) are assigned to planar chromatography. These methods used to be important means for the separation of REEs before 1960s, while their application gradually decreased since the introduction of HPLC. When compared with planar chromatography methods, HPLC effectively shortens the analytical time. Moreover, HPLC can be easily combined with various detection techniques such as photometry, fluorescence spectrometry, inductively coupled plasma-optical emission spectrometry/mass spectrometry (ICP-OES/MS) and electrochemical detection, and the detection sensitivity toward REEs can be greatly improved. Thus, HPLC is widely used in the separation and analysis of REEs. Among all the HPLC methods, IEC and RP ion pair chromatography (RPIPC) are the most widely used methods.
2.1 Ion-exchange chromatography
With ion-exchange resin as stationary phase, IEC is the main method for the analysis of REEs. It is mainly used for the separation of rare earth impurities from single rare earth matrix. Since Sisson et al. [1] successfully realized the HPLC separation of REEs with ion-exchange resin as stationary phase in 1972, IEC is more and more widely used in the separation of REEs.
2.1.1 Ion exchanger
The stationary phase used in IEC is the ion exchanger, mainly strong acidic cation exchange resin (such as styrene–divinylbenzene copolymer) and strong basic anion exchange resin (organic resin). According to the physical structure of resin, the ion exchanger can be divided into micro-reticular resin, macro-reticular resin, thin-shell mold resin, porous covering resin, directly synthesized chelating resin and supported resin. Micro-reticular resin and macro-reticular resin are often used in classical IEC separation of REE, whereas the thin-shell mold resin, macro-reticular resin and bonded-phase porous ion exchanger are usually applied in high-performance IEC separation of REE.
Organic resin
Micro-reticular and macro-reticular ion exchange resin.
Micro-reticular ion exchange resin, also known as gel resin, is a kind of traditional common resin. This resin is full of micropores with small porosity and pore size uniformity. The pore size is determined by the cross-linking degree. When the cross-linking degree is more than 8 %, the pore size is less than 50 Å and a high exchange capacity is achieved (4.5–5.0 mmol/g for cation resin and 3.5–4.0 mmol/g for anion resin).
Macro-reticular ion exchange resin has large pore size and high surface area. Not only the gel pores but also the tunnel macropores (pore size larger than 200–1,000 Å) exist in the skeleton structure of this kind of resin. The macroporous resin shows cavities under dry or swelling state, while the cavities of microporous resin only appear under the swelling state. Although the surface area of macroporous resin is large, the exchange capacity is low. With high permeability for large organic ions and stable swell-shrinking property in different eluents, the macroporous resin is quite suitable for ion exchange separation in organic solvent. Hoehlein et al. [2] employed macroporous resin Aminex A-5 and common resin Dowex AG-X8 for separation of La, Ce, Pr, Nd, Pm, Sm and Eu. The results showed that the theoretical plate number of macroporous resin is dozen times of common resin, and both the separation efficiency and the purity of obtained rare earths are relatively high. Dowex 50W-X8 and AG 50W-X were also successfully used for the separation of REEs [3, 4].
Exchange resin with thin shell
It is a type of ion exchange resin with core-shell structures. The core is a polystyrene rigid particle with low cross-linking degree (2–5 %) and a diameter of 10–30 μm, which is a hydrophobic inert nuclei without any exchange groups. The coating is a thin sulfonated or aminated resin film. Since the exchange groups are on the surface of resin, it has good permeability, high exchange speed and high resolution. Besides, due to the rigidity of the inside core, swelling or shrinkage deformation of the resin is limited and the resin can be used in a wide pH range. Thus, the exchange resin with thin shell is an appropriate alternative for the carrier of high-performance IEC stationary phase. The limitation of exchange resin with thin shell is that the exchange capacity is low. In order to avoid the ion diffusion toward resin center, the layer of ion exchange resin such as HC-Pellionex-SCX and AS-Pellionex-SAX [5] was coated on the surface of small glass beads or silicon dioxide particles.
Silica gel-based ion exchanger
Total porous silica gel and surface-covered silica gel are the two main kinds of silica gel used as carrier of ion exchanger. They belong to bonded-phase porous ion exchanger. To form silica gel-based ion exchanger, the porous silica gel was covalently bound with alkyl or aryl and then grafted with quaternary amine or sulfonic acid group. With small particles (5–10 μm) of silica gel as carrier, the ion exchanger has a good chromatographic performance and high exchange capacity. This kind of ion exchanger could bear high column pressure and achieve rapid analysis; its physical and chemical parameters are easy to control, but it only can be used in acidic pH range. With α-hydroxyisobutyric acid (α-HIBA) as the eluent, a separation of REEs was realized on Nucleosil SA series of silica gel (10 μm particle size) based sulfonic acid cation exchanger [6].
The above-mentioned resins can be chosen according to different target analytes. Resin with thin shell is the primary choice for the separation of simple mixtures. For the samples that are difficult to separate or large sample injection dosage is required, bonded-phase porous ion exchanger with particle size of 5–10 μm is a better choice. In some REEs separation, high stability of columns is required and the common ion exchange resin with diameter of 10 μm is generally used. Table 1 lists the characteristics of the above-mentioned ion exchange resins.
The characteristics of several ion exchangers.
| Characteristic | Thin-shell mold resin | Bonded-phase porous resin | Polystyrene–divinylbenzene resin |
|---|---|---|---|
| Diameter (μm) | 30–40 | 5–10 | 7–10 |
| Exchange capacity (mmol/g) | 0.01–0.1 | 0.5–2 | 3–5 |
| Anti-deformability and anti-pressure capability | Best | Good | Poora |
| Shape | Spherical | Spherical or amorphous | Spherical |
| Pressure drop | Low | High | Highest |
| Separation efficiency | Moderate | High | Low |
| Packing way | Dry-type filling | Homogenization | Homogenization |
| pH range | 2–7.5 | 2–7.5 | 0–12 (anionic) 0–14 (cationic) |
| Regenerative speed | Fast | Moderate | Slow |
Depends on the difference of cross-linking degree.
Chelating agent-loaded resin
Chelating agent-loaded resin, also known as chelate-forming resin or modified chelating resin, is a novel selective ion exchange resin. The selectivity of chelating agent-loaded resin is similar to that of the chelating agent when using for the enrichment of metal ions. Besides, it is easy to prepare. The reported chelating agent-loaded resins are divided into strong basic anion exchange resin and nonpolar adsorption resin based on the resin matrix. And the chelating agents loaded on the two types of resins were water-soluble and hydrophobic agents, respectively.
There are mainly two kinds of mechanism for the adsorption of chelating agent on resin: anion exchange [7] and surface adsorption [8]. Besides anion exchange contributing to the adsorption of chelating agent on anion exchange resin, molecular adsorption between the chelating agent and the resin is another important factor for the adsorption which is highly related to the molecular structure.
The stability of chelating agent-loaded resin is one of the most important factors to evaluate the performance of resin, and it directly affects the separation and detection of REEs and the regeneration of resin. The stability is dependent on the structure of chelating agents. To obtain a stable chelating agent-loaded resin, the chelating agent should have anionic groups and big conjugate system. In addition, different types of anion exchange resin as the carrier also have an influence on the stability. Generally, the stability of a strong base anion resin is better than a weak base anion resin. Moreover, the common anions such as
The mixture of di(2-ethylhexyl)phosphoric acid (P204) and 2-ethylhexyl hydrogen 2-ethylhexylphosphonate (P507) is a very strong complexing agent and can be used in acidic solution. After loading on C18 silica gel, the resin was packed in a column and applied for the preconcentration and separation of REEs from the seawater followed by the ICP-MS detection [10].
Chelating resin
Chelating resin is usually synthesized by chemical bonding of the chelating agent or the functional groups on the polymers, resulting in good selectivity. For example, polystyrene–divinylbenzene (PS-DVB)-based Amberlite XAD-2 resin functionalized with ortho-vanillin thiosemicarbazone [11] exhibits good chemical stability, selectivity, reusability and fast equilibration rate for Th and U.
2.1.2 Basic properties of ion exchange resins
Cross-linking degree
The cross-linking degree of PS-DVB-based ion exchange resin was expressed by the percentage of divinylbenzene, which is the cross-linking agent of resin. A stereoscopic network structure could be formed in the long chain of polystyrene by adding the cross-linking agent. The cross-linking degree of polymeric ion exchange resin is usually ranging from 4 % to 12 %, while it is 8 % for the commonly used ion exchanger in typical separation process. The property of resin is greatly affected by the cross-linking degree: the resin is tough and the mass transfer is slow for REE ions at high cross-linking degree (12–16 %), while the opposite phenomenon is observed at low cross-linking degree (1–4 %). In HPLC, ion exchange resin with small particle size (5–10 μm) and 8–12 % of cross-linking degree have a relatively good separation result.
Swelling degree and thermal stability
When water is used as the mobile phase, the polymer-based ion exchange resin as stationary phase will absorb moisture and swell. The swelling degree of the ion exchanger is determined by the cross-linking degree. When the cross-linking degree is higher, the swelling degree is lower. In solution with high ionic concentration, the swelling degree is low; on the contrary, the swelling degree is high and the maximum swelling would occur in pure water. A high swelling degree is along with a large exchange capacity for the same type resin. The swelling degree of strong acid cation exchange resin is in the order of
The optimal performance of resin is also limited by the temperature. Sulfonic acid resin would react slowly with water and lose the sulfonic acid at 100 °C, while sulfonate resin would be stable at 200 °C. The hydroxyl type of anion exchange resin containing quaternary ammonium group begins to decompose at 50 °C, while the ammonium type of anion exchange resin is stable at 100 °C.
Exchange capacity
Ion exchange capacity reflects the exchange ability of resin, which is equal to the concentration of measured (titrated) exchangeable groups among the network structure inside the resin, and it would change along with pH value. The relative retention value and maximum sample volume of column is also increasing with the increase of the exchange capacity of anion exchange resin. In addition, capacity factor (k′) of sample is directly proportional to the ion exchange capacity that usually depends on the employed type of resin.
2.1.3 Mobile phase
Generally, the mobile phase of IEC should meet the following requirements: (1) it is able to dissolve various kinds of salt and acid adequately and act as buffer solution for ion exchanging at the same time; (2) it merits good selectivity for interest analytes and good separation can be achieved with a proper solvent strength. Aqueous solutions with the addition of salt are usually used as the mobile phase in IEC, such as buffer solution and sometimes spiked with organic solvent (methanol, ethanol and acetonitrile)/water mixtures. The strength and selectivity of the mobile phase are often related to the buffer type, concentration and pH, as well as the type and quantity of organic solvent added.
Effect of ionic strength
The ionic strength of the mobile phase would be increased by changing the buffer concentration (under fixed pH value) or mixing with another acid, and the solvent strength in often increased with the increase of the ionic strength. With the increase of the ions concentration in the mobile phase, competitive exchanging between ionic exchange groups and mobile phase would be increased and the sample retention is decreased accordingly.
Effect of pH value
The retention of interest analytes in IEC could also be altered by varying the pH value of mobile phase or concentration of hydrogen ions. With the increase of pH value, the retention of target analyte would decrease in cation exchange chromatography, while the retention of target analyte would increase in anion exchange chromatography. Therefore, it is a very useful means to optimize the retention performance of analytes and separation selectivity in IEC by altering pH value and H+ concentration of mobile phase.
Selection of complexing agent in mobile phase
In a simple ion exchange system for the separation of cation or anion, the separation of ions is dominated by the retention affinity difference between ions. For REEs with similar properties, the difference between their retention affinity is not enough for their separation on the resin. In order to improve the retention difference of adjacent REEs, complexing agent (HnL) is added into mobile phase. It could broaden the retention value of target REEs and increase the separating factor (α) by utilizing the differences of stability constant (β) of rare earth complex anions (ML3−n), resulting in the separation of adjacent REEs eventually. The formation of rare earth complex anions and stability constant (β) is expressed by the following formulas:
Distribution coefficient (
where [M′] is the concentration of rare earth ions in resin. It can be obtained by combining the above formulas:
There are no complex anion
so that
From above we can see that distribution coefficient changes with formation of rare earth complex anions by adding complexing agent into mobile phase, and the separation factor (α) shall be measured by
where α and α′ refer to the rare earth separation factor without and with the addition of complexing agent. As can be seen, the separation factor will change with the variation of complexing constant. Hence, adding appropriate complexing agent into mobile phase can increase the separation factor according to the following formula:
where N refers column plate number, k refers capacity factor and Rs refers resolution. As can be seen, Rs would vary significantly with a minor variation of the separation factor, thus affecting the retention properties of REEs remarkably. Therefore, it is important to select a proper complexing agent.
In the selection of complexing agent, big difference in stability constants between different REEs is needed. Besides, the complexing agent should be of low cost and be featured with proper solubility in the mobile phase. For separating REEs in cation exchange chromatography, complexing agent in mobile phase can be carboxylic acid, hydroxycarboxylic acid, aminocarboxyl chelating agent and so on.
Hydroxy carboxylic complexing agent
Hydroxy carboxylic acid includes α-HIBA, α-hydroxy-α-methylbutyric acid (α-H-α-MBA), lactic acid, malic acid and glycolic acid. The first three were the most frequently used complexing agents. The separation factors for adjacent REEs in cation exchange chromatography by using hydroxy carboxylic acid as eluent are shown in Table 2.
The separation factors of cation exchange chromatography for the separationof adjacent REEs by using hydroxy carboxylic acid as eluent [26, 27].
| Adjacent REEs | α-HIBA | α-H-α-MBA | Lactic acid | ||
|---|---|---|---|---|---|
| 25 °C | 87 °C | 87 °C | 25 °C | 87 °C | |
| La–Ce | 2.1 | 2.1 | 3.0 | 2.10 | 1.83 |
| Ce–Pr | 1.7 | 1.7 | 1.6 | 2.04 | 1.73 |
| Pr–Nd | 1.4 | 1.5 | 1.4 | 1.38 | 1.36 |
| Nd–Pm | 1.6 | 1.5 | 1.4 | 1.38 | 1.36 |
| Pm–Sm | 1.7 | 1.7 | 1.8 | 1.32 | 1.32 |
| Sm–Eu | 1.9 | 1.7 | 2.0 | 1.20 | 1.28 |
| Eu–Gd | 1.5 | 1.4 | 1.4 | 1.04 | 1.22 |
| Gd–Tb | 1.9 | 1.9 | 1.9 | 1.50 | 1.73 |
| Tb–Dy | 1.8 | 1.8 | 1.8 | 1.65 | 1.56 |
| Dy–Ho | 2.0 | 1.6 | 1.8 | 1.45 | 1.38 |
| Ho–Er | 1.4 | 1.3 | 1.3 | 1.60 | 1.52 |
| Er–Tm | 1.6 | 1.4 | 1.7 | 1.55 | 1.47 |
| Tm–Yb | 1.5 | 1.4 | 1.4 | 1.54 | 1.43 |
| Yb–Lu | 1.4 | 1.3 | 2.4 | 1.40 | 1.31 |
| Y–Ho | 1.77 | 1.56 | 1.67 | ||
| Y–Dy | 1.10 | 1.04 | 1.10 | ||
α-HIBA is also named as α-hydroxy-α-methylpropionic acid. As early as 1956, Choppin et al. [12] used α-HIBA as eluent in cation exchange chromatography to separate actinide and lanthanide elements. It could be complexed with rare earth ions rapidly with many advantages such as small temperature coefficient, large separation factor and good separation uniformity. α-HIBA can separate adjacent REEs effectively at room temperature and it is the most effective and widely used eluent [13, 14]. But it was difficult to separate Y and Dy because of their small separation factor. The slight change of concentration and acidity of α-HIBA elution has a great influence on the separation effect of REEs; thus, these influencing factors should be controlled strictly.
The melting point of α-H-α-MBA is 67.5 °C, the dissociation constant is 1.87 × 10−4(30 °C), the solubility is 1.679 g/L in water and the solubility of its sodium salt is 61.9 g/L (30 °C). As shown in Table 2, α-H-α-MBA has a better separation effect. It has been used as eluent for the separation of heavy REEs in cation exchange chromatography.
Lactic acid is also named as 2-hydroxypropionic acid. The melting point of lactic acid is 16.8 °C. With large temperature coefficient, lactic acid should be used at higher temperature (70–95 °C) and its separation factor is smaller than α-HIBA as shown in Table 2. Due to its self-polymerization, the separation repeatability of lactic acid is poor.
Complexing agents other than α-HIBA may be superior for certain separations (e.g., a particular detection system) or, indeed, for the separation of a particular combination of lanthanides. In the determination of individual lanthanides in rare earth ores and high-purity lanthanide reagents by HPLC-ICP-OES, using an IEX-210 SC cation exchanger, a concentration gradient of aqueous ammonium lactate was chosen [15] as the mobile phase. This eluent was preferred to be the common aqueous solutions of α-HIBA (or citrate, or EDTA) as the latter clogged the ICP torch. The ammonium lactate eluent produced efficient separations of the lanthanides. The mobile phase flow rate was adjusted to achieve a compromise between the requirements of HPLC for low flow rates for maximum column efficiency and that of ICP for high flow rates for strongest emission intensities. Comparative evaluation of three hydroxycarboxylic acids for the separation of lanthanides has been tested by Raut et al. [16]. α-HIBA was found to be the best for separation of heavier lanthanides (Tb to Lu), while α-H-α-MBA led to a better separation for lighter lanthanides (La to Eu). All the 14 lanthanides were separated by gradient HPLC employing both α-HIBA and α-H-α-MBA.
Aminocarboxyl chelating agent
Aminocarboxyl chelating agent such as ethylenediaminetetraacetic acid (EDTA), hydroxyethyl ethylenediamine triacetic acid, diethylenetriaminepentacetic acid (DTPA) and nitrilotriacetic acid (NTA) have been used as eluent in ion exchange separation of REEs. The complex of aminocarboxyl chelating agent with REEs is stable and the separation factor between adjacent REEs is relatively large, which is beneficial to the separation. Separation and analysis of the europium–gadolinium couple was achieved by adding EDTA into mobile phase of IEC [17]. However, both the formation speed and the dissociation speed of the complex are slow, which affect the speed of ion exchange and lead longer elution time, so the application of aminocarboxyl chelating agent on the separation of REEs is rare.
On the other hand, oxalic acid has been also used as chelating agent in the mobile phase with anion exchangers [18]. Oxalic acid forms negatively charged complexes with REEs that are separated by anion exchange chromatography. In this case, a reverse order of elution was produced, since La forms a weaker complex than Ce or Lu. The order of elution in this case is La < Ce ≪ Lu.
2.1.4 Application of IEC in separation of REEs
In 1972, Sisson et al. [1] used AG 50W ion exchange resin as stationary phase and α-HIBA as mobile phase and realized the HPLC separation of REEs. From then on, IEC is widely used in separation of REEs.
IEC can be used to separate the rare earth samples in meso- to micro-analysis, and also the purification of single rare earth sample. It is a main method for the analysis of REEs and mainly used for the separation of rare earth impurities from single rare earth matrix. Table 3 lists the applications of IEC in separation of REEs.
Application of IEC in separation of REEs.
| Target analytes | Exchange materials or chromatographic column | Mobile phase | Comments | Ref. |
|---|---|---|---|---|
| REEs | Shimadzu model LC-3A stainless steel column pack with strong cation exchange resin (IEX-21OSC) | 0.4–1.0 mol/L ammonium lactate (pH 4.22) | HPLC coupled with ICP-OES detection | [15] |
| Lanthanide and actinide elements | IonPac CS10 cation exchange column | 1 mol/L HCl and α-HIBA | Post-column derivatization with Arsenazo III and spectrophotometric detection at 650 nm | [19] |
| Neighboring lanthanide elements | CS-3 Dionex cation exchange column | α-HIBA with different concentration and pH | Dionex IC-2500 HPLC, post-column derivatization with 4-(2-pyridylazo)resorcinol (PAR) | [20] |
| REEs | Dowex 50W-X8 cation exchange | 0.001 mol/L NTA at pH 3 (heavy REEs and intermediate REEs);0.005 mol/L α-HIBA at pH 4.5 followed by 0.001 mol/L PDCA at pH 2 (light REEs) | Group separation of heavy metals from REEs followed by online individual separation of REEs | [21] |
| REEs | Hydrophilic polymer-based NTA gel | 16–80 mmol/L HNO3 | Post-column derivatization with Arsenazo III and spectrophotometric detection at 658 nm; ICP-MS detection | [23] |
| Separation of Y from REEs | Kromasil 100 C18 reversed-phase column | 0.5–4 mmol/L NTA + 0.8–16 mmol/L TBAOH + 2–130 mmol/L NaCl pH = 2.3–6.0 | Post-column derivatization with Arsenazo III and spectrophotometric detection at 658 nm | [24] |
| REEs | Conventional anion exchange chromatographic column (IonPac AS9-HC) | 5 mmol/L EDTA (pH 5.5–7.5) | ICP-MS detection | [25] |
| Lu, Tb, Tm, Er, Ho, Dy and Tb | Modified silica gel with chemically bound phosphonic acid | 80 mmol/L α-HIBA, 5 mmol/L SDS (pH 3.5) | HPLC (flow rate, 0.75 mL/min); post-column derivatization with Arsenazo III and spectrophotometric detection at 660 nm | [26] |
In separation of REEs, cation exchange chromatography has been used more extensively. Anion exchange has not been as popular as cation exchange for REE separations because column performance is generally poorer than for separations based on cation exchange chromatography.
Rollin et al. [19] used IonPac CS10 column as stationary phase, 1 mol/L HCl and α-HIBA as mobile phase with gradient elution and post-column derivatization with Arsenazo III, and realized the separation of uranium, thorium and lanthanide elements by the detection of ultraviolet (UV) at 650 nm. This method could be used for the determination of lanthanide and actinide elements in nuclear materials. Schwantes et al. [20] used CS-3 cation exchange resin as stationary phase and α-HIBA with different concentration and pH as mobile phase, realized the separation of five pair of lanthanide elements (Tm/Er, Gd/Eu, Eu/Sm, Sm/Pm and Pm/Nd) in 15 min and the separation factor was more than 2.8. Recently, Borai et al. [21] developed a new method for group separation of some heavy metals from REEs followed by online sequential individual separation of REEs with a combination of chelation chromatography and ICP-OES. In this study, various chelating agents such as DTPA, PDCA (2,6-pyridinedicarboxylic acid), NTA, α-HIBA and oxalic acid were used as mobile phases, and the elution capability and separation efficiency of the investigated eluents are mainly dependent on the number of carboxylic acid and geometrical structures. The results showed that heavy REEs and intermediate REEs could be efficiently separated by using 0.001 mol/L NTA at pH 3, while light REEs were separated by using 0.005 mol/L α-HIBA at pH 4 followed by 0.001 mol/L PDCA at pH 2.
The separation of the same type of metal chelates on dynamically coated cation or anion exchange columns introduces additional possibilities for improving the resolution. In the ion interaction technique, the exchange sites are dynamically coated on an RP C18 column using oxalate tetrabutylammonium [22] as mobile phase and the separation is performed by an ion pair mechanism. The cation or anion exchange sites in the ion interaction method are similar to cation or anion exchange mode. However, the sulfonic acid or ammonium exchange sites functionality is achieved by the octanesulfonate or tetrabutylammonium added together with the eluent.
On the other hand, a reversed chromatographic system where chelation takes place at the surface of the stationary phase or the so-called high-performance chelation IC has attracted attention over the last decade, mainly due to the development of new efficient chelating exchange substrates. The chelating exchangers, as imminodiacetate functional groups [23], usually exhibit the opposite effect to cation exchange affinity for the REEs and give rise to the possibility of isocratic separation. Dybczynski et al. [24] developed a new RP-HPLC method for selective separation of yttrium from all REEs by employing NTA as a complexing agent in anion exchange mode. In the new RP-HPLC system with C18 column, tetra-n-butyl ammonium hydroxide (TBAOH) as an ion interaction reagent and NTA as a complexing agent enable baseline separation of yttrium from light and heavy REEs.
Traditionally, REEs are detected by post-column spectrophotometric reaction with strongly absorbing chromophores such as 4-(2-pyridylazo)resorcinol (PAR) or Arsenazo III, but the use of ICP-OES [15] and ICP-MS [25] detection has been increased in the recent years.
2.2 Ion chromatography
Since its commercial introduction in 1975 [27], IC has been recognized as a very useful tool for analyzing a broad range of cations and anions with excellent speed and sensitivity. The IC system usually consists of two ion exchange columns (separating column and suppressor column) and electric conductivity detector; the separation of the analytes is achieved in the separating column; and the suppressor column absorbs counterions that interfere with the conductivity detection system. However, it was not particularly suitable for many metal ions including REEs because the hydroxide-type suppressor column precipitated the metal hydroxides. With the development of non-suppressed IC, the suppressor column is eliminated from the system by carefully choosing the ion exchanger and eluent solution of low ionic strength as the mobile phase. This modification made the IC determination of REEs available. And then IC can be divided into two types: double-column IC (suppressed IC) and single-column IC (non-suppressed IC) system.
2.2.1 Principle of the method
Taking the detection of the cation (such as monovalent cation) as an example, the eluent is diluted HCl or HNO3, the separation column is packed with H+-type cationic exchange resin (
For anion (such as Cl− and
In IC, both the separation column and the suppressor column are packed with ion exchange resin. According to the features of this method such as narrow range of target concentration (10−9–10−6), small inject volume(<100 μL) and short analytical time, the ion exchange resin should meet these requirements: small-sized spherical particle, high stability under the high pressure, good mass transfer effect and fast equilibrium; sharp peak would be obtained after fast ion exchanging in the mobile phase; low degree of swelling and shrinkage, good chemical stability and thermostability; properly lowering exchange capacity that makes good resolution and short separating time. Table 4 shows the comparison of the resin used in IC and IEC.
The comparison of the resin used in IC and IEC.
| The resin used in IEC | The resin used in IC |
|---|---|
| Capacity is 3–5 mmol/g | Capacity is 0.02 mmol/g |
| Large swelling | Small swelling |
| More diffusion paths | Less diffusion paths |
| High sample concentration | Low sample concentration |
| High elution concentration | Low elution concentration |
| Wide peak | Narrow peak |
2.2.2 Double-column IC
Double-column IC is also named suppressed IC. It consists of the separation column, the suppression column and the electric conductivity detector. According to the interest, analytes with different charges can be classified into anion chromatography and cation chromatography.
In double-column anion chromatography, the packing materials in the separation column are usually a covered type of aminated anion exchange resin, and the packing materials in the suppression column are strong acidic cation exchange resin with high capacity (hollow fiber membrane suppressor and tablet micro-membrane suppressor were employed later). The elution is a strong base–weak acid salt with low concentration, such as Na2CO3, NaHCO3, NaB4O7 and sodium phenoxide.
As for double-column cation chromatography, the separation column is packed with sulfonated styrene–divinylbenzene copolymer-coated thin-shell cation exchange resin with low exchange capacity, and the suppression column is packed with strong base anion exchange resin with high exchange capacity. The strong acid solution (such as HCl and HNO3) at low concentration is often used as the eluent and assisted by low-concentration appropriate salt solution. However, this method is only applicable to alkali metal, ammonium, alkaline earth metal and organic amine. Cations that have precipitation reaction in the alkaline suppression column, for example, heavy metal, transition elements and REEs, are not suitable for this method.
2.2.3 Single-column IC
Single-column IC, also called non-suppressed IC, can be divided into single-column anion chromatography and single-column cation chromatography. In this method, there is no suppression column, but one separation column is used throughout the process. Ion to be detected is introduced into the electric conductivity detector directly after separation. The instrument of single-column method is simple, and sharp peaks and excellent resolution can be obtained.
In single-column anion chromatography based on reducing the exchange capacity of the ion exchange resin and the eluent concentration and maintaining the retention value of the separated ion, the anion exchanger with low exchange capacity (0.007–0.04 mmol/g), small size (5–25 μm) and large aperture is employed. The eluent of this method is aromatic organic weak acid or its salt solution with low background conductance and low concentration, such as benzoic acid, citric acid, phthalate and so on. The type, concentration and pH value of the eluent will affect the separation of anion.
Single-column cation chromatography not only can separate and detect cations that can be detected by double-column method, but also can separate and detect the cations that cannot be detected by double-column method such as heavy metal, transition elements and REEs. The packing materials are mild sulfonated styrene–divinylbenzene copolymer with low exchange capacity or the silica gel bonded with sulfonated organic groups. The exchange capacity is not higher than 0.02 mmol/g and the particle size is less than 5 μm. Table 5 lists some commercial single-column cation chromatography column.
Some commercial single-column cation chromatography column.
| Type | Particle size (μm) | Exchange material | Exchange capacity (mmol/g) | Column dimension (mm) |
|---|---|---|---|---|
| TSKgel IC-Cation | 10 | PS/SVB, thin-shell mold resin-SO3 groups | 0.012 | 50 × 4.6 |
| TSKgel IC-Cation SW | 5 | Silica particles, surface-SO3 groups | 0.45 | 50 × 4.6 |
| Wescan-Cation | 15 | PS/SVB, thin-shell mold resin-SO3 groups | 0.02 | 300 × 4.6 |
| IC-PAK Cation (waters) | 15 | PS/SVB, thin-shell mold resin-SO3 groups | 0.02 | 300 × 4.6 |
| YSC-2 | 14 | PS/SVB, thin-shell mold resin-SO3 groups | 0.017 | 100 × 5 |
Note: PS/SVB is polystyrene–divinylbenzene copolymer.
2.2.4 Application of IC in separation of REEs
Single-column method has been used for the separation of REEs and a low-capacity ion-exchange column is commonly used with an electrolyte solution of low ionic strength as the mobile phase. Sevenich et al. [28] developed a single-column method for lanthanide separation using a conductivity detector and ethylenediammonium/tartrate as eluent. The substitution of tartrate with α-HIBA improved the separation slightly and elution times, predictably, decreased with increasing atomic number (Figure 1). The utilization of conductivity detection necessitated an isocratic elution system, which prevented efficient separation (Figure 1). Unfortunately, gradient elution in this system would dramatically alter the baseline and complicate detection. Wang et al. [6] also employed non-suppressed IC for separation of the lanthanides. The system, consisting of a bonded-phase cation-exchange resin with 2-methyllactic acid as eluent, was distinguished from normal cation exchange by the low ionic strength (0.01–0.04 mol/L) of the eluent. The determination is completed after post-column derivatization and detection at 600 nm.
![Figure 1: Separation of selected lanthanides (20 mg/L) on a sulfonated gel-type resin using 2 mmol/L ethylenedi- ammonium and 2 mmol/L tartrate (pH 4.5) as eluent. Conductivity detection [28].](/document/doi/10.1515/psr-2016-0057/asset/graphic/j_psr-2016-0057_fig_001.jpg)
Separation of selected lanthanides (20 mg/L) on a sulfonated gel-type resin using 2 mmol/L ethylenedi- ammonium and 2 mmol/L tartrate (pH 4.5) as eluent. Conductivity detection [28].
Nesterenkoa and Jones [29] achieved the isocratic separation of lanthanides and yttrium by using high-performance chelation IC on iminodiacetic acid-bonded silica. The obvious advantage of this approach is the possibility of prediction of elution order of lanthanides by utilizing a large amount of published values of stability constants of different complexes for selecting a proper chelating exchanger to achieve a reasonable separation. This work also shows the high-performance chelation separations of complex metal mixtures such as the lanthanides and yttrium.
IC can be taken full advantage of in combination with element-selective detection techniques such as ICP-OES [30, 31] or ICP-MS [32, 33, 34, 35, 36]. In such applications, the eluent from the column is injected directly into the detection system. High sensitivity and anti-interference ability would be obtained. Neutron activation analysis (NAA) is also a reliable determination of individual REE at trace and ultra-trace levels. Dybczynski et al. [37] compared the performance of purely instrumental normal activation analysis (INAA) and radiochemical mode (RNAA) with pre- and post-irradiation group separation for the determination of individual lanthanides with the special emphasis on Gd, Ho, Er, Tm and Lu. The results showed that RNAA is able to determine all or nearly all lanthanides from one sample with reasonable accuracy in a variety of materials, while INAA is able to determine only certain members of the lanthanide series. In this work the same separation scheme was also combined with IC yielding very good results for all lanthanides and yttrium except of materials containing extremely low concentrations of REEs [38]. Earlier, they investigated the effect of temperature and the mechanism of zone spreading during cation exchange separation of REEs by IC [39], and effect of carboxylic α-hydroxyacid and temperature was also studied afterward.
IC has wide applications in the analysis of REEs and the application of high-performance IC (HPIC) to the analysis of REEs has been reviewed [40]. Automation is also a trend for IC separation of REEs. Haley and Klinkhammer [41] realized the complete separation of REEs from small volume (5 mL) seawater samples by automated IC coupled with ICP-MS detection. Meynadier et al. [42] developed an automated separation of Sr prior to isotopic analysis from liquid samples (river water, seawater or solutions resulting from natural carbonate dissolution) by using HPIC technique. Table 6 is the application of IC in the separation and determination of REEs.
Application of IC in the separation and determination of REEs.
| Target analytes | Exchange materials or chromatographic column | Mobile phase | Comments | Ref. |
|---|---|---|---|---|
| Lanthanide elements | Bonded-phase cation-exchange resinNucleosil SA | 0.01–0.04 mol/L 2-methyllactic acid | Post-column derivatization with Arsenazo I and spectrophotometric detection at 600 nm | [6] |
| La, Nd, Gd, Ho, Tm, Yb, Lu | Gel-type cation-exchange resins | 4 mmol/L ethylenediamine and 3 mmol/L α-HIBA (pH 4.5) | Use of a masking agent EDTA and a conductimetric detector | [28] |
| REEs | IonPac CS5A column | Gradient elution containing oxalic and α-HIBA | Comparative evaluation of ICP-AES detection and UV-VIS spectrophotometric detection after post-column derivatization with PAR | [30] |
| REEs | Excelpak ICS-C15 column or Excelpak ICS-C35 column | α-HIBA or lactic acid | ICP-MS detection | [32] |
| Lanthanides and Y | Dionex IonPac CS3 column | α-HIBA | ICP-MS detection compared with neutron activation analysis (NAA) as well as IC | [34] |
| REEs, Am, Cs, Ce | LUNA CSX | 0.13 mol/L α-H-α-MBA (pH 3.6) during 20 min; then 0.22 mol/L α-H-α-MBA (pH 4.5) | Post-column derivatization with Arsenazo III and spectrophotometric detection at 654 nm (for REEs) ICP-MS detection (for Cs) | [36] |
| REEs | IonPac TMC-1 column | A gradient mixture of oxalic acid and diglycolic acid | Automated HPIC coupled with ICP-MS detection | [41] |
| Sr | Cation exchange columns CS16 and GS16 | 40 mmol/L methanesulfonic acid | Automated HPIC coupled with thermal ionization mass spectrometry (TIMS) detection | [42] |
| Lanthanide elements | IonPac CS5 column | 8–25 mmol/L oxalic acid/0–23 mmol/L diglycollic acid (pH = 3.0–5.5) | Post-column spectrophotometric detection with PAR at 520 nm, separation of 13 REEs | [43] |
2.3 Reverse-phase ion pair chromatography (RPIPC)
Ion pair extraction has become a valuable liquid–liquid separation technique for isolating water-soluble ionic compounds by partitioning them between water and an immiscible liquid. The principle was extended to chromatography [44] during the 1970s and has been used in both the liquid–solid (adsorption) and liquid–liquid (partition) modes. Prior to 1980, normal-phase ion-pair chromatography (NPIPC) was commonly used with silica or cellulose micro-particles coated with polar stationary phases and nonpolar mobile phases containing an ion pair reagent. However, the stability of NPIPC is poor and its application is limited. The current wide popularity of IPC stems from the use of bonded micro-particulate alkyl silica as nonpolar stationary phases associated with aqueous buffers containing low concentration of the ion-pairing reagent. The latter form of IPC has shown promise for lanthanide separations, which is named RPIPC. RPIPC is developed on the basis of RPC; by the addition of ion pair reagent in mobile phase, analyte ions form weak polar ion pair with ion pair reagent and the retention value would be increased. Compared with general RPC, the retention of solute is increased and the separation selectivity and detection sensitivity are improved, which is greatly attributed to the addition of ion pair reagent.
2.3.1 Ion pair reagent
In RPIPC, the capacity factor of the sample is affected by the mobile phase composition, pH and the ion pair reagent. In other words, the species, concentration and property of the ion pair reagent in the mobile phase are the main factors for solute retention and isolation. The ion pair reagent includes cationic and anionic reagents. Some ion pair reagents that commonly used in rare earth separation are listed in Table 7.
Ion pair reagents commonly used for rare earth separation.
| Name | Molecular formula | Number ofcarbon atoms | |
|---|---|---|---|
| Anions | 1-Butyl sulfonate | 4 | |
| 1-Hexyl sulfonate | 6 | ||
| 1-Octyl sulfonate | 8 | ||
| 1-Dodecyl sulfonate | 12 | ||
| 1-Eicosyl sulfonate | 1-CH3(CH2)19SO3 | 20 | |
| Cations | Tetramethyl ammonium | (CH3)4N+ | 4 |
| Tetraethyl ammonium | (CH3CH2)4N+ | 8 | |
| Tetrabutyl ammonium | (CH3(CH2)3)4N+ | 16 | |
| Tetrahexyl ammonium | (CH3(CH2)5)4N+ | 24 | |
| Trioctyl methyl ammonium | CH3(CH3(CH7)5)3N+ | 25 | |
| Tetraoctyl ammonium | (CH3(CH2)7)4N+ | 32 | |
| Tridecyl methyl ammonium | CH3(CH3(CH2)9)3N+ | 31 |
In the analysis of REEs by RPIPC, alkyl sodium sulfonate and alkyl sodium sulfate are widely used ion pair reagents. IPC of the 2-hydroxy-2-methylpropionic acid and ammonium 2-hydroxy-2-methylpropionate complexes with a Cl8 phase pretreated with sodium eicosyl sulfate, ammonium dodecyl sulfate and ammonium octanesulfonate has been used for REE separation, respectively.
Knight et al. [45] used α-HIBA and octane sulfonic ion pair reagent as mobile phase in C18 RP column and achieved analysis of REEs in samples of hydrometallurgy uranium mine. Götze et al. [46] used C18 RP column as stationary phase, and tetrabutyl ammonium bromide and tetrahexyl ammonium bromide (water–methyl alcohol) as mobile phase, realizing the separation of heavy REE by the detection of REEs–EDTA complex at 220 nm. Saraswati et al. [47] used 4-(2-thiazolylazo)resorcinol as a chelating reagent in the RP-HPLC separation of transition metals from REEs in low-alloy steels by increasing the concentration of the eluent (octane-1-sulfonate-tartaric acid). Zhang et al. [48] used C18 RP column as stationary phase, and 100 mmol/L HAc and 200 mmol/L triethanolamine (methanol/water = 85/15) as mobile phase, realizing the separation of REE–tetra-kis(4-methoxylphenyl)porphyrin (TMOPP)–Cl complex, and this method is convenient and efficient.
Tsakanika et al. [49] used α-HIBA and octane sulfonic ion pair reagent as mobile phase with gradient elution and derivatization with 4-(2-pyridylazo)resorcinol post-column, realizing the separation of scandium from other REEs in laterite samples under the detection at 520 nm. Raut et al. [50] used α-HIBA and octane sulfonic natrium as mobile phase, and separated REEs from uranium and thorium in 11 min, by eliminating the interference of uranium and thorium; this method was used in the analysis of REEs in rock samples. Santoyo and Verma [51] used C18 RP column as stationary phase, and α-HIBA and octane sulfonic natrium as mobile phase with gradient elution and derivatization with Arsenazo III post-column, realizing the separation of REEs in synthesized samples in 15 min under the detection at 658 nm. Jaison et al. [52] investigated the separation of REEs in different RPC columns (C18 and C8) and with different ion pair reagents (octane sulfonate, octane sulfate, nonane sulfonate, octadecylbenzene sulfonate and eicosyl sulfate), and then used C18 RP column as stationary phase, α-HIBA as mobile phase with gradient elution and derivatization with Arsenazo III post-column, realizing the separation and detection of 14 lanthanide elements and iron, thorium and uranium.
It should be mentioned that the concentration of ion pair agent in mobile phase should not be high, or the precipitation from ion pair agent might block up the column. So the concentration of ion pair agent should be as low as possible in an appropriate range.
2.3.2 Application of RPIPC in the separation of REEs
RPIPC always need a certain period of time to equilibrate the column because of the addition of ion pair reagent, and the column efficiency would decrease due to long-time service. However, the utilization of RPIPC has been gradually increased because it is easy to operate and the separation efficiency is excellent.
Figure 2 shows the anionic chromatogram of separating REE-oxalate complexes by RPIPC [22], which was successfully employed for the determination of trace rare earth impurity in HNO3 solution or reference material. In Supelcosil LC-18 column, 1-octanesulfonate ion pair agent was used as mobile phase of α-HIBA, which exhibits good separation performance for all REEs (Figure 3) [45]. This method was used for the analysis of REEs in samples of hydrometallurgy uranium mine.
![Figure 2: Chromatograms of separating REE-oxalate complexes by ion pair chromatography [22]. Column: Supelcosil LC-18 (5 μm, 150 × 4.6 mm); mobile phase: 0.5 mmol/L oxalic acid–2.5 mmol/L tetrabutylammonium hydroxide (pH 4.6; detection at 658 nm following post-column derivation with Arsenazo III.](/document/doi/10.1515/psr-2016-0057/asset/graphic/j_psr-2016-0057_fig_002.jpg)
Chromatograms of separating REE-oxalate complexes by ion pair chromatography [22]. Column: Supelcosil LC-18 (5 μm, 150 × 4.6 mm); mobile phase: 0.5 mmol/L oxalic acid–2.5 mmol/L tetrabutylammonium hydroxide (pH 4.6; detection at 658 nm following post-column derivation with Arsenazo III.
![Figure 3: Gradient separation of the lanthanides: Supelcosil LC18 column; linear program at pH 4.6 from 0.05 mol/L HIBA to 0.40 mol/L HIBA over 10 min at 2.0 mL/min; modifier, l-octanesulfonate at 0.01 mol/L; detection at 653 nm after post-column reaction with Arsenazo III; sample, 5 μL of solution containing 10 μg/mL of each lanthanide [45].](/document/doi/10.1515/psr-2016-0057/asset/graphic/j_psr-2016-0057_fig_003.jpg)
Gradient separation of the lanthanides: Supelcosil LC18 column; linear program at pH 4.6 from 0.05 mol/L HIBA to 0.40 mol/L HIBA over 10 min at 2.0 mL/min; modifier, l-octanesulfonate at 0.01 mol/L; detection at 653 nm after post-column reaction with Arsenazo III; sample, 5 μL of solution containing 10 μg/mL of each lanthanide [45].
By coupling RP-HPLC with ICP-MS detection, Pedreira et al. [53, 54, 55, 56] have completed a series of work on determination of trace REE impurities in highly pure rare earth matrix. One of the major difficulties in the REEs separation is purification of yttrium from heavy REEs. With acetic acid as a novel eluent, Kifle and Wibetoe [57] realized selective separation of yttrium from the other REEs. The method is capable of baseline separation of adjacent lighter and medium lanthanide as well as yttrium. However, the separation of heavier Ln remains unsatisfactory. The method can be particularly important in preparative purification of yttrium from heavier lanthanides and it may also be employed for separating REEs in several subgroups as lighter, medium and heavy fractions.
Santoyo and Verma [51] proposed an RPIPC method for determining lanthanides in synthetic standards by using a linear gradient program of α-HIBA eluent (0.05–0.5 mol/L, pH at 3.8) mixed with 0.01 mol/L sodium n-octanesulfonate. With the aid of a weighted least-squares (WLS) regression model, the sensitivity and detection limits were estimated. It was found that the WLS method was able to compute the straight-line slopes and intercepts with considerably smaller errors than the conventional ordinary least-squares (OLS) regression method, and hence, to obtain a much better estimation of the limit of detection (LODs). They also achieved the determination of lanthanides in international geochemical reference materials by RPIPC using error propagation theory to estimate total analysis uncertainties [58].
Table 8 shows the application of RPIPC in REE separation. REE separation by RPIPC has attracted lots of attention due to its easily controlled separation condition, large theoretical plate number and high separation efficiency. Normally, REE complex can be hardly determined in the UV and visible regions. Thus, derivatization by chromogenic agent was used in post-column derivation. Due to the uncertainty of the retention process, IPC was described by several different proliferations of names as the following: paired ion, soap, solvent-generated ion exchange, ion association and ion interaction chromatography and dynamic ion exchange.
Application of RPIPC in the separation of REEs.
| Target analytes | Column | Mobile phase | Comments | Ref. |
|---|---|---|---|---|
| Selective separation of Y from all REEs | Kromasil 100 C18 | 0.5–4 mmol/L NTA + 0.8–16 mmol/L TBAOH (tetra-n-butyl ammonium hydroxide) + 2–130 mmol/L NaCl (pH = 2.3–6.0) | Detection after post-column derivatization with Arsenazo III | [24] |
| Number of fissions in thorium–uranium dioxide Fuels | Supelcosil LC-18 column | 0.05–0.40 mol/L α-HIBA with 0.01 mol/L l-octane sulfonate (pH 4.6) | Detection at 653 nm after post-column reaction with Arsenazo III | [45] |
| Er, Dy, Eu | Silica gel 60 C8-RP | 5 mmol/L phosphate buffer solution (pH 6.5) and 7.5 mmol/L (C4H9)NCl water and methanol (99 + 1) | RP ion pair HPLC with EDTA complex | [46] |
| Transition and REEs | Spherisorb S-5 ODS-1 column | 0.001 mol/L sodium octane–0.023 mol/L l-sulfonate-tartaric acid (pH 6.0) | Detection at 580 nm after post-column reaction with 4-(2-thiazolylazo)resorcinol (TAR) | [47] |
| Y, Er, Tm and Yb | YWG-C18 ODS | Methanol/water (85/15, V/V) containing 100 mmol/L HAc and 200 mmol/L triethanolamine | SPD-10AVUV-Vis detector (428 nm) | [48] |
| Sc and REES | Vydac 201TP5415RP C18 | 0.06–0.4 mol/L α-HIBA with 0.01 mol/L sodium 1-octane sulfonate (pH 3.7) | Detection at 520 nm after post-column derivatization with PAR | [49] |
| Th, U | C18-RP | Dual gradient elutions of α-HIBA and sodium 1-octane sulfonate | Detection at 650 nm after post-column derivatization using Arsenazo III | [50] |
| Lanthanide elements in synthetic standards | C18 RP column | 0.05–0.5 mol/L a-HIBA, with 0.01 mol/L sodium n-octanesulfonate (pH = 3.8) | Detection at 658 nm after post-column reaction with Arsenazo III | [51] |
| Lanthanide elements and iron, thorium, uranium | C8, C18 RP column | 7 % (v/v) (0.007 mol/L) of different ion pair reagents with α-HIBA as gradient elution | Detection after post-column derivatization with Arsenazo III | [52] |
| Trace REEs in highly pure neodymium oxide | Shim-pack CLC-ODS column | 0.7 mol/L lactic acid(pH 2.9) modified with 0.01 mol/L sodium laurylsulfonate | Detection at 655 nm after post-column reaction with Arsenazo III. | [55] |
| Separation of yttrium from the other REEs | 0.3 mmol/L HDEHP-coated C-18 column | Isocratic elution with 0.3 mol/L CH3COOH and 20 mmol/L n-octane sulfonate at pH 4.75 | Detection at 658 nm after post-column reaction with Arsenazo III | [57] |
2.4 Extraction chromatography
Extraction chromatography is a liquid–liquid partition chromatography that is combining solvent extraction principles with chromatographic separation technology, which is known as RP partition chromatography. It is a novel technology for the separation of REEs, which makes a great progress in separation and preparation of high-purity rare earth oxides. In this section, the extraction chromatography is focused on the reverse extraction chromatography.
In this method, the stationary phase is an organic extractant which is adsorbed on to a porous hydrophobic support and the mobile phase is a suitable solution of an acid, base or salt. The separation mechanism is unclear, which involves ion pairing, ion exchange, coordination, simple partitioning or any combination of them [13].
In 1961, Fidelis and Siekierski [59] studied extraction chromatography separation of REEs systematically both in theory and in application, which realized a complete separation for all REEs in a short time. In recent years, the separation of REEs by using extraction chromatography became less.
2.4.1 Support material and stationary phase
In the extraction chromatography, the support material is applied to adsorb stationary phase. Normally, solid particles are used as the support material, which have many merits such as porous, uniform pore distribution, large specific surfaces, no expansion in mobile phase and no adsorption with ions in solution. Diatomite, silica gel, poly(tetrafluoroethylene) (PTFE) and polyethylene–vinyl acetate copolymer have been used as the stationary phase supports.
Stationary phase employed mostly in extraction chromatography is organic extractant, including acidic, neutral and basic extractant. The former is mainly represented by acidic organophosphorus extractant, such as P204, P507, P215 and so on. The neutral extractant is principally neutral phosphorus extractant or sulfoxide extractant, and the basic extractant is mostly polymeric amine, also known as liquid anion exchanger. Selective separation of REEs can be attributed to studies of acidic phosphorus-based cation extractants and long-chain tertiary and quaternary amines as anion extractants. The acidic extractant has been used most frequently. An acidic extractant is preferred to a neutral extractant [e.g., trioctyl-phosphine oxide (TOPO) and tributyl phosphate (TBP)] because of larger separation factors and the need for a lower acid concentration in the mobile phase. Separations of REEs with acidic extractants are more numerous than those with neutral or basic amine extractants.
2.4.2 Effect of mobile phase and other conditions on separation
Inorganic acid solution is often used as mobile phase in extraction chromatography, and the selection of acid in mobile phase is crucial for accurate separation because separation factors can vary with the type of acid. HNO3, HCl and H2SO4 and the mixture of these acids and some inorganic salt solution are commonly utilized as mobile phase.
The general conditions of LC on the separation effect are also suitable for extraction chromatography. Amount and uniformity of stationary liquid (extractant) can affect the efficiency of the chromatographic column. Vermont [60] and Horwitz and Bloomquist [61] had proposed a way to coat the extractant firmly, which improved the stability and reproducibility of chromatographic column. In general, the amount of extractant coating is greater, the theoretical plate height is higher and the column efficiency is lower. The means of elevating column temperature is usually employed to improve the column efficiency.
2.4.3 Application of extraction chromatography on the separation of REEs
The acidic organophosphorus extractant (such as P204, P507, P215, P229 and so on) as stationary phase of extraction chromatographic system is most commonly used for separating REEs. Acidic organophosphorus extractants (P204 and P507) have paid great attention for REEs separation. Tsuyoshi and Akiba [62] realized the separation and determination of Sm in the presence of a large amount of Nd by HPLC using RP stationary phase dynamically modified with P204. Miranda et al. [63] studied the REEs fractionation by solvent extraction by use of HPLC as an analytical control technique with P204 as the extractant. Knutson et al. [64] accomplished an overloaded one-step separation of REEs through preparative ion exchange HPLC with a P204-impregnated column and nitric acid as eluent. An ICP-MS system was used for post-column element detection.
The separation of rare earth impurities in high-purity rare earth oxides and preparation of high-purity REEs were achieved with P507 levextrel resin as stationary phase and inorganic acid solution as mobile phase to separate matrix and other rare earth impurities. Qin et al. [65] proposed a new method to determine trace rare earth impurities in high-purity CeO2 by using electrothermal vaporization (ETV) ICP-OES after HPLC separation with P507 resin as the stationary phase. They also developed a new method for the determination of trace rare earth impurities in high-purity La2O3 by HPLC combined with ICP-MS [66]. The chromatographic retention behavior of La and impurities in HPLC was studied with P507 resin as the stationary phase and HNO3 as the mobile phase. Compared with the conventional open-column method, the proposed separation system shows a good performance with regard to short separation time, low reagent consumption and simple operation. The method has been applied to the analysis of real samples of high-purity La2O3 with satisfactory results. Shuai et al. [67] proposed a rapid and effective method for separation and determination of trace rare earth impurities in high-purity La2O3 by combination of P507/HPLC separation with high-sensitive ETV-ICP-OES determination. The results showed that a selective separation of La matrix can be obtained by using P507 resin as the stationary phase and the diluted HNO3 as the mobile phase. This HPLC system possessed a series of outstanding characteristics in rapid speed, simple operation and low amounts of reagents consumed. Li et al. [68] adopted a single-step extraction chromatography separation method for Sm–Nd isotope analysis of micro-samples of silicate rocks by high-sensitivity thermal ionization mass spectrometry (TIMS) detection. The combination of single-stage separation with NdO+ TIMS technique greatly improves sample throughput and reduces sample consumption. Thus, the method provides a straightforward and time-efficient way for the Nd isotope analysis in limited amount samples.
2.4.4 Centrifugal Partition Chromatography
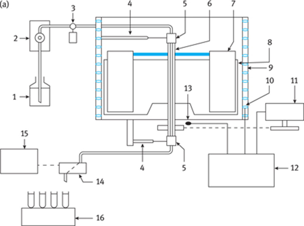
Centrifugal partition chromatography is also called centrifugal countercurrent chromatography (CCC) or high-speed countercurrent chromatography (HSCCC), which is a kind of liquid–liquid extraction chromatography without the stationary phase support. On the basis of classic reflux chromatography, Murayama et al. [69] proposed a new method of centrifugal countercurrent chromatography with a rotary seal joint. The key of the method is the rotating sealing device (Figure 4), which is simple and applicable to the preparative separation in a short time.
![Figure 4: (a) The system of centrifugal partition chromatography [4]. 1, the solvent reservoir; 2, high-pressure constant flow pump; 3, sample injector; 4, the joint of sealed rotating connection device; 5, the sealed rotating connection device; 6, rotation axis; 7, column storage chamber; 8, rotator; 9, heating and cooling device; 11, motor; 12, controller of temperature and speed; 13, speed-controlled sensor; 14, monitor; 15, recorder; 16, collector. (b) The rotator of centrifugation distribution chromatography [4]. 1, centrifugal rotator; 2, the sealed rotating device; 3, column storage chamber; 4, connecting pipe; 5, column storage chamber connecting pipe.](/document/doi/10.1515/psr-2016-0057/asset/graphic/j_psr-2016-0057_fig_004a.jpg)
![Figure 4: (a) The system of centrifugal partition chromatography [4]. 1, the solvent reservoir; 2, high-pressure constant flow pump; 3, sample injector; 4, the joint of sealed rotating connection device; 5, the sealed rotating connection device; 6, rotation axis; 7, column storage chamber; 8, rotator; 9, heating and cooling device; 11, motor; 12, controller of temperature and speed; 13, speed-controlled sensor; 14, monitor; 15, recorder; 16, collector. (b) The rotator of centrifugation distribution chromatography [4]. 1, centrifugal rotator; 2, the sealed rotating device; 3, column storage chamber; 4, connecting pipe; 5, column storage chamber connecting pipe.](/document/doi/10.1515/psr-2016-0057/asset/graphic/j_psr-2016-0057_fig_004b.jpg)
(a) The system of centrifugal partition chromatography [4]. 1, the solvent reservoir; 2, high-pressure constant flow pump; 3, sample injector; 4, the joint of sealed rotating connection device; 5, the sealed rotating connection device; 6, rotation axis; 7, column storage chamber; 8, rotator; 9, heating and cooling device; 11, motor; 12, controller of temperature and speed; 13, speed-controlled sensor; 14, monitor; 15, recorder; 16, collector. (b) The rotator of centrifugation distribution chromatography [4]. 1, centrifugal rotator; 2, the sealed rotating device; 3, column storage chamber; 4, connecting pipe; 5, column storage chamber connecting pipe.
Centrifugal partition chromatography is used for the separation of 2,4-dinitrobenzene derivatives of amino acids at first. Araki et al. [70] and Akiba et al. [71] separated REEs with suitable concentration of acid solution as mobile phase and P204 and P507 as stationary phase, respectively. The former separated Pr, Nd, and Er, Yb; the later realized the separation and detection of the adjacent REEs using post-column derivatization with Arsenazo III. Nakamura et al. [72] realized the mutual separation of heavy REEs by using HSCCC provided with a multilayer coiled column containing a toluene solution of 2-ethylhexylphosphonic acid (EHPA). The REEs were chromatographically eluted by a mobile phase with a stepwise pH gradient, as shown in Figure 5. By using CCC, they also realized the separation of yttrium from lanthanoid elements [73] and purification of yttrium [74]. Tsuyoshi et al. achieved separation of praseodymium and neodymium [75] and purification of yttrium from xenotime [76] by using HSCCC with a toluene solution containing 2-ethylhexylphosphonic acid mono-2-ethylhexyl ester (EHPA) or di(2,4,4-trimethylpentyl) phosphinic acid as stationary phase.
![Figure 5: Chromatographic separation of heavy REEs. Stationary phase: 0.02 mol/L (EHPA)2 in toluene; mobile phase: 0.1 mol/L (H,Na)Cl2CHCOO; sample: 5 × 10−4 mol/L lanthanoid in 10−3 mol/L HNO3 [72].](/document/doi/10.1515/psr-2016-0057/asset/graphic/j_psr-2016-0057_fig_005.jpg)
Chromatographic separation of heavy REEs. Stationary phase: 0.02 mol/L (EHPA)2 in toluene; mobile phase: 0.1 mol/L (H,Na)Cl2CHCOO; sample: 5 × 10−4 mol/L lanthanoid in 10−3 mol/L HNO3 [72].
Wu et al. [77] investigated the effects of concentration of extractant, pH and the flow rate of mobile phase on the separation efficiency of Am and Eu by HSCCC with dichlorophenyldithiophosphinic acid in xylene as the stationary phase and 0.1 mol/L NaClO4 as mobile phase. The results show that the separation factor increases with the increasing concentration of extractant and the pH value of the mobile phase; furthermore, decreasing the flow rate of the mobile phase can also improve the separation efficiency between Am and Eu. Mutual separation between Am3+ and Eu3+ can be accomplished by optimizing the separation condition, and the separation factor and separation efficiency between Am3+ and Eu3+ can reach 2.87 and 0.74, respectively. Hennebrüder et al. [78] developed an analytical scheme for the determination of REEs and Gd-DTPA in river water based on the preconcentration by means of CCC followed by ICP-MS detection. The analytical results obtained were compared with the preconcentration using SPE. It could be demonstrated that CCC results are comparable with those employing SPE. By employing the optimized conditions of CCC, the times for the enrichment of REEs (25 min) could be substantially shortened compared with the SPE procedure (120 min) for a single sample.
The literatures about centrifugal partition chromatography for the separation of REEs are listed in Table 9.
Centrifugal partition chromatography for separation of REEs.
| Target analytes | Stationary phase. | Mobile phase | Comments | Ref. |
|---|---|---|---|---|
| Rare earth | 0.1 mol/L P204 in heptane; 0.1 mol/L P204 in dichloromethane | 0.06 mol/L HCl (Ce, Pr); 0.07 mol/L HCl (Pr, Nd); 0.1 mol/L HCl (Er, Yb) | Detected after post-column reaction with Arsenazo III | [70] |
| Lanthanoid elements | 0.02 mol/L P507 in kerosene | 20 % ethylene glycolchlorine acetate buffer solution (pH 1.27–2.94) | Detected after post-column reaction with Arsenazo III | [71] |
| Heavy REEs and Y | 0.02 mol/L EHPA in toluene | 0.1 mol/L (H, Na) Cl2CHCOOH | Detected after post-column reaction with Arsenazo III | [72] |
| Separation of Y from La | 0.02 mol/L P204 in toluene (primary stationary phase), 0.25 mol/L Versatic 10 in toluene (secondary stationary phase) | 0.1 mol/L chloroacetic acid; 0.01 mol/L CH3COONa (in 0.1 mol/L NaNO3) | Detected after post-column reaction with Arsenazo III | [73] |
| REEs and Gd-DTPA | 0.5 mol/L P204 in n-decane | 0.01 mol/L HNO3 | ICP-MS detection | [78] |
| Rare earth | Three-tier-connected spiral PTFE tube (300 m × 1.07 mm), 0.003 mol/L P204 in n-heptane | 0–0.3 mol/L HCl gradient elution | Detected after post-column reaction with Arsenazo III | [79] |
| Lanthanide elements | P204: n-pentadecane: carbon tetrachloride (6:11:3) | 0.5 mol/L HNO3 | ICP-MS detection | [80] |
| Light REEs (Pr and Eu) | TBP: decane; carbon tetrachloride (6:7:7) | 5 mol/L LiNO3–1 mol/L HNO3 | ICP-MS detection | [81] |
2.5 Thin layer chromatography (TLC) and Paper chromatography (PC)
TLC and PC can be called as planar chromatography. These two methods used to be important means of REE separation, especially for the separation of adjacent REE. Since the introduction of HPLC in separation of REEs, application of planar chromatography especially PC is decreasing.
In TLC and PC, the movement of target analytes (REEs) is usually expressed in rate of flow (Rf), which is defined as the ratio of the distance between the origin point of sample and the center point of target analytes and the distance between the origin point of sample and the front of mobile phase. The Rf value is always less than 1 and it is associated with the distribution coefficient of target analytes. When the distribution coefficient is larger, the distance of target analytes moved in the plane is smaller, so the Rf value is also smaller. Rf value is determined by the distribution coefficient. Besides, the property of the adsorbent, the thickness of the paper or thin layer, the composition and proportion of mobile phase, temperature, humidity and the degree of saturation vapor pressure also have effect on the Rf value. For example, temperature can affect the distribution coefficient and the composition of developing solvent. To ensure the stability of the Rf value, it is better to do the operation under the condition of constant temperature, humidity and vapor pressure of mobile phase. Generally, the separation is operated in a chromatographic cylinder or chromatographic box.
2.5.1 Paper chromatography
With paper as the carrier, the separation mechanism of PC is assigned to distribution behavior. PC is usually a normal-phase chromatography with less polar organic solvent as the mobile phase and the absorbed water on the supporting matrix (paper) as the stationary phase. The supporting matrix of PC for separation of REEs include cellulose, inorganic or organic ions infiltrated cellulose, ion exchanger (polymeric amine and acidic phosphate ester) infiltrated cellulose and chelating agent (such as 8-hydroxyquinoline) infiltrated cellulose. For the separation of REEs by using PC, inorganic acid aqueous solution or its mixture with organic solvent were used as mobile phase at times. And some complexing agents such as lactic acid [82] and EDTA [83] can be introduced into the mobile phase to improve the distribution property of REEs.
PC needs no expensive equipment and is suitable for the routine analysis of large numbers of samples. It was applied in REEs as early as 1955, and Lederer [84] employed ethanol 2 mol/L−1HCl (9:1, V/V) as mobile phase for the separation of La, Ce, Pm, Eu, Dy and so on. Few years later, Dubuquoy et al. [85] adopted a SA-2 ion exchange paper with ammonium α-HIBA as developing solvent for separation of La, Ce, Pr, Nd, Pm and Sm from U fission. They also separated Lu, Yb, Tm, Y, Tb and Eu by using SA-2 ion exchange paper with different developing solvent [82] and a review about the separation of REEs by using SA-2 paper IEC was reported later [86]. In 1986, Chen and Yuan [83] used N1923 as stationary phase and 0.01 mol/L EDTA (pH = 5) as developing solvent for the separation of light REEs and heavy REEs with their associated element Zr and U. Kostyuk [87] investigated the possibility of the separation of seven REEs (Pr, Nd, Sm, Eu, Gd, Er and Yb) by PC and optimized the separation conditions. The impregnation of PC by ammonium nitrate had given most successful results. The acetone–ether mix with the rhodanide acid (1 %) as the eluent.
PC has been applied to the separation of lanthanides from other ions (such as main group, transition and actinide ions) and for group separation of the rare earths. Complete separation of all lanthanides by PC has apparently not yet been achieved although separation of the light rare earths (La, Ce, Pm, Nd, Sm and Eu) and other combinations has been successful [88]. Limitations imposed by the low intrinsic efficiency of PC may be overcome by utilizing a two-dimensional development, although it is generally easier to use TLC or paper electrophoresis instead. PC can be combined usefully with coprecipitation, solvent extraction and IEC on columns for the selective determination of lanthanide mixtures. The detection of lanthanides separated by PC usually relies on spray reagents containing chromogenic complexing reagents such as Alizarin Red, 8-hydroxyquinoline, Arsenazo I, II or III and pyridylazoresorcinol.
A disadvantage of PC is the relatively long developing time required (2–20 h). Moreover, the separation effect among REEs by using PC is not satisfactory, so the application of PC on REEs is rare.
2.5.2 Thin-layer chromatography
TLC as an important branch of chromatographic analysis can get good separation effect without any sample pretreatment and its overall performance exceeded the PC and atmospheric column chromatography.
Stationary phase
According to the separation mechanism of TLC, the support material (sorbent) is divided into adsorptive carrier and distributive carrier. The main types of sorbent include silica gel, cellulose, alumina, organic Teflon40, Corvic and so on. Among them, silica gel is the most common used carrier, and cellulose is suitable for the light rare earth separation. The requirements for the sorbent are as follows: (1) it has huge surface area and sufficient adsorption capacity, different adsorption capacity for different components; (2) it is not dissolved in the solvent and developing agent and do not have chemical reaction with solvent or developing solvent or chemical composition in the sample; (3) the particles are uniform and wouldn’t be broken during use.
Developing solvent
TLC for separation of REEs includes adsorption thin layer, distribution thin layer, ion exchange thin layer, gel thin layer and so on. Due to the different separation mechanism, the choice of developing solvent is a key factor for a successful TLC separation. The appropriate developing solvent was selected by considering the polarity of separated components, the type and activity of thin layer, and the polarity (elution force) of developing solvent. The first two factors determine the polarity of developing solvent and the elution capacity. Touchstone et al. [89] pointed out that the elution ability of the solvent is proportional to the dielectric constant, and a large dielectric constant of the solvent would reduce the separation ability and increase the Rf value; on the contrary, the separation ability would be increasing and the Rf value would be decreasing. When the Rf value is too high, developing solvent with low dielectric constant should be chosen.
Generally, the developing solvent system for normal-phase thin-layer analysis of REEs is extractant–organic solvent–acid, for example, P204–ether–HNO3 and TBP–hydrocarbon–HNO3 are preferable. As for RP thin layer, the layer is usually impregnated by extraction agents such as P204, TBP and TOPO; of which P204 is the best, TBP ranks second and TOPO is the worst. The commonly used developing solvent is inorganic acids, and nitric acid is the most widely used.
TLC separation of REEs
With high-performance TLC, it is possible to separate all the REE in a single step [97]. TLC has replaced PC as the preferred method for separating REEs. A wide variety of stationary phases, mobile phase and detection methods have been investigated for TLC (as shown in Table 10).
Application of TLC in separation of REEs.
| Elements | Stationary phase | Mobile phase/developing solvent | Comments | Ref. |
|---|---|---|---|---|
| Adjacent lanthanides | Silica gel (pH 7.0) pretreated with 0.1 mol/L Tris(hydroxymethyl)-aminomethane and 0.1 mol /L HCl | Nitrate solution of alkaline earth metal | RF values of the lanthanides varied in a regular and characteristic way accompanied by the tetrad effect with increasing atomic number | [90] |
| REEs | Silica gel H and silica gel H impregnated with NH4NO3 | Et Me ketone-THF-di(2-ethylhexyl) dithiophosphoric acid (1 mol/L), 6.8/3.2/0.4 (v/v/v) | – | [91] |
| REEs | Silica gel | Aqueous nitrate solutions of alkali metals | Spraying with aqueous 0.02 % Arsenazo III and then 1 mol/L CH3COOH | [92] |
| REEs | Whatman KC 18 reversed-phase thin-layer chromatography plates | 1 mol/L lactate in 50 % methanol | Reversed-phase TLC with spraying aqueous 0.1 % Arsenazo III or 0.1 % xylenol orangege | [93] |
| REEs | Silica gel without binder | 0.1–2 mol/L ammonium sulfate solution (pH = 5.4 ± 0.1) | Spraying with aqueous 0.02 % Arsenazo III and then an aqueous NH3, followed by gentle heating | [94] |
| REEs | DC-Trennung | Diethyl ether/HDEHP/HNO3 (100: 1:3.5) | Increase the Rf differences between the heavy and the light rare earths by variation of HDEHP and HNO3 | [95] |
| REEs and Y | Fixion 50-X8 sheet material with a layer of Dowex 50-X8 cation exchanger on the polymer base | 0.1 mol/L oxalic acid– 2 mol/L NH4Cl at pH 7.5–8.5 | Desorption of the REE group with 5 mol/L HCl followed by dilution and then determination by ICP-OES | [96] |
TLC is divided into normal and RP TLC. The developing system in normal-phase TLC is generally extractant–organic solvent–acid, for example, P204–ether–HNO3. Specker and Hufnagel [97] and Specker [98] investigated different developing system for the separation of all REEs by TLC with employing silylanization silica as stationary phase; they finally chose P204–diethyl ether–tetrahydrofuran–HNO3 as the developing system [97] (as shown in Figure 6). Ishida et al. [99] used silica as stationary phase and NH4NO3 solution as mobile phase to separate REEs. They got a poor separation for the REEs. And then they used gradient elution with NH4NO3 and double-phase TLC to realize the complete separation.
![Figure 6: Thin-layer chromatograms of REEs: (a) the mixture of REEs; (b) uranium and nuclear fission products. Stationary phase: silanization diatomite; mobile phase: diethyl ether/tetrahydrofuran/P204/nitric acid [97].](/document/doi/10.1515/psr-2016-0057/asset/graphic/j_psr-2016-0057_fig_006.jpg)
Thin-layer chromatograms of REEs: (a) the mixture of REEs; (b) uranium and nuclear fission products. Stationary phase: silanization diatomite; mobile phase: diethyl ether/tetrahydrofuran/P204/nitric acid [97].
The separation of single REE by normal-phase TLC is not good, and the application area of RP TLC is more widely used. As early as 1964, Pierce and Flint [100] adopted RP TLC for the separation of REEs, and since then a lot of works on the separation of REEs by this method were reported. For example, Takeda and Ishida [90] used 0.1 mol/L trihydroxymethylamine and 0.1 mol/L HCl-impregnated silica (pH = 7) as stationary phase, and different alkali metal nitrate solutions as mobile phase to separate all the REEs except Po. Later on, they used both carboxymethylcellulose–aqueous sodium nitrate systems [101] and carboxymethylcellulose–aqueous sodium chloride systems [102] for the separation of REEs, and Y has been separated from all of the REEs, except for La, which provides Rf values similar to those of Y.
Soran et al. [103] studied the separation of REEs by TLC using silica H and ammonium nitrate-impregnated saturated silica H as stationary phase, and di(2-ethylhexyl)dithiophosphoric acid as complexing agent in the mobile phase. They found that the best results were obtained by the use of ethyl methyl ketone-tetrahydrofuran-di(2-ethylhexyl)dithiophosphoric acid (1 mol/L), 6.8 + 3.2 + 0.4 (v/v), as mobile phase. In another work, they also used mobile phase containing di(2-ethylhexyl) disulfophosphate and di(isobutyl) disulfophosphate to separate Ur, Th and REEs and demonstrated that disulfophosphate played a great role in the separation of lanthanide and actinide [91].
Due to the limitation of the subsequent detection methods, TLC is difficult to be applied to the determination of REEs. However, it can be used in the initial separation analysis of REEs to provide reference information for further research. Table 10 shows the application of TLC in separation of REEs.
3 Gas chromatography
GC is a simply operated and widely used separation and analysis method, which is highly selective, sensitive and effective. GC is suitable for the analysis of volatile and thermally stable analytes. This technique was first used in the separation of lanthanide elements – methylene pivalic acyl clathrates by Eisentrank et al. [104]. In the later study of GC separation for REEs, β-diketonates as ligand account for the largest proportion. The separation and determination of REEs by GC are summarized in Table 11.
The separation and determination of REEs by GC.
| REEs | Chelates | Stationary phase | Column temperature | Ref. |
|---|---|---|---|---|
| Sc, Lu, Er | Isobutyrylpivalylmethane | Silicone | 210~280 °C | [105] |
| Nd, Gd, Er | Isobutyrylpivalylmethane, trifluoroacetylacetone | Silicone E-30 | 160~280 °C | [106] |
| Y, La–Nd,Sm–Tb, Yb | Hexafluoroacetylacetone + tributyl phosphate (TBP) | Dexsil 300GC | 150~210 °C | [107] |
| Y, lanthanides | Fluorinated β-diketones + organic neutral donors | SE-3, QF-1 | 185~215 °C | [108] |
| Yttrium group lanthanides | Polyfluorinated β-diketones + DBSO | Dexsil 300GC | 140~215 °C | [109] |
| Y, lanthanides | Hexafluoroacetylacetone + TBP | 1.0 % Silicone SE-30 | 250~275 °C | [110] |
| Sm, Eu, Gd, Tb, Dy, Ho, Er, Yb, Tm, Lu, Y | Trifluoroacetylpivaloylmethane | SE-30 | 200 °C | [111] |
| Ho, Dy, Tb, Gd | Trifluoroacetylacetone | PEG-20M, OV-17 | 240 °C | [112] |
| Sc, Y, REEs | Pivaloyltrifluoroacetone | Silicone | 170~270 °C | [113, 114] |
| Cerium group lanthanides | Polyfluorinated β-diketone + DBSO | Dexsil 300GC | 172–215 °C | [115] |
| Lanthanides | β-Diketone + DBSO | DB-5 HT capillary | 50–300 °C | [116] |
Problems such as adsorption and low resolution of lanthanide β-diketonates have not been effectively solved through changing stationary phase, so the research works on GC separation of REEs decreased gradually, and there is almost no research on this aspect in recent years.
4 Capillary Electrophoresis (CE)
CE is a kind of electrokinetic separation method performed in capillaries. In CE methods, analytes migrate through electrolyte solutions under the influence of an electric field. The separation is based on the ionic mobility. CE techniques include capillary zone electrophoresis (CZE), micellar electrokinetic chromatography, capillary gel electrophoresis, capillary isoelectric focusing and capillary isotachophoresis (CITP). Among them, CZE and CITP are the most widely used CE modes in REEs separation and analysis.
4.1 Basic knowledge and principle
4.1.1 Zeta potential
The directional migration of the analytes in capillary is not only affected by the applied voltage but also influenced by the charge on the inner surface of the capillary. When the electrolyte contacts with the inner surface of the capillary, a double electrode layer is formed. One layer next to the inner surface is the Stern layer, and the other one in a free state is the diffusion layer. The potential between the Stern layer and the starting edge of the diffusion layer is the zeta potential (ζi) of the capillary wall. In fused silica capillary, when the pH of the solution is higher than 2.5, the Si–OH on the inner surface of the capillary is ionized as SiO−, making the inner surface of the capillary negative charged. Next to this negative charged surface, ions with opposite charges agglomerate forming the double electrode layer. The relationship between the zeta potential and the thickness of the diffusion layer (δ) can be expressed as
where ε is the dielectric constant and e is the total excess charge per unit area in the solution. The zeta potential is proportional to the product of the charge numbers on the inner surface and the thickness of the diffusion layer, which is affected by the property of the ions with opposite charges, pH of the buffer solution, the equilibrium between the cations in the solution and the negative charged surface of the fuse silica capillary, and so on.
4.1.2 Electrophoresis
The electrophoresis is the directional migration of the charged analytes under the influence of an electric field. The migration velocity (Uep) is expressed as
where E is the electric field intensity and μep is the mobility of the analytes. The ion mobility is the migration distance in a given buffer solution per unit time and per unit electric field intensity, which is
where η is the viscosity of the medium, ζi is the zeta potential of the target ion. ζi is related to the surface electric density of the target ion. If the charged number of the target ion is fixed, the larger the mass, the lower the zeta potential. Different ions migrate in the electrolyte with the different mobility according to their specific mass and surface electric density, which is the separation base of the electrophoresis.
4.1.3 Electroosmotic flow
Electroosmotic flow (EOF) is an electrokinetic phenomenon generated along with the electrophoresis. Under the influence of an electric field, the electrolyte will directionally move relative to a stationary charged boundary. The mobility of EOF (μeo) is expressed as
where ζw is the zeta potential of the capillary wall. The formation of EOF is related to the double electric layer, which is mainly controlled by the SiO− on the surface of fused silica capillary, or the adsorption on the surface of nonionic capillary material (e.g., PTFE). EOF plays a great role in CE separation. The adjusting of the mobility and direction of EOF are important to improve the separation efficiency, selectivity and resolution. Usually, the mobility of EOF is five- to sevenfold faster than the mobility of the charged ions, and the direction of EOF is from anode to cathode. Therefore, all the particles (cations, anions and neutral particles) will migrate from anode to cathode with the appeared mobility (μap), which is the vector sum of μeo and μep and can be calculated as
where l is the distance between the injector and the detection window, t is the migration time, L is the length of the capillary and V is the applied voltage.
4.1.4 Separation efficiency and resolution
In CE separation, the separation efficiency can be expressed as the theoretical plate numbers (N), which is calculated as
where D is the diffusion coefficient of the solute. The higher the electric field, the higher the separation efficiency; the higher the appeared mobility, the higher the separation efficiency; the lower the diffusion coefficient, the higher the separation efficiency.
The plate numbers can also be determined by experiments, which is calculated as
where Wh1/2 is the peak width at half peak height.
Resolution (Rs) is another factor to evaluate the separation degree in CE. For two analytes (1 and 2) next to each other, according to Giddings equation, Rs can be calculated as
It can be seen that the difference in the appeared mobility of two analytes is the main factor that affects the resolution.
4.2 Influencing factors on CE separation
There are many factors that would affect CE separation, including voltage, buffer solution composition and pH, adducts and temperature, and so on.
4.2.1 Voltage
Increasing voltage would result in improvement of separation efficiency and resolution; however, it would also cause the increase of Joel heat which is not beneficial for CE separation.
4.2.2 Buffer composition
Since CE is processed in buffer solution as background electrolyte, the selection of electrolyte has great influence on the migration and separation of analytes. There are some criteria for choosing the buffer solution: the buffer solution should have large buffering capacity in a certain pH range; the mobility of the electrolyte should be small, indicating large molecule and small charge to reduce the current; the influence of the electrolyte on the detection can be ignored.
4.2.3 Buffer pH
The buffer pH has great influence on EOF. At high pH, the Si–OH on the inner surface of capillary is ionized at a great degree, resulting in a high EOF; at low pH, the ionization of Si–OH was restricted, resulting in reduced EOF. The highly dependent of EOF on pH determined that the migration time of analytes is highly related to the buffer pH. Therefore, optimization of buffer pH is important to obtain an optimal CE separation of REEs.
4.2.4 Adducts
Adducts is another important factor for the separation of interest analytes in CE. The addition of an appropriate adduct can change the physical and chemical properties of capillary wall and the solutes via their interactions. The CE separation of metal cations is greatly dependent on the molar conductance of target cations. Since REE cations have similar molar conductance, the CE separation of REE cations usually involves the addition of complexes to improve the separation resolution. Commonly used complexes include oxalate, citrate, lactate, tartrate, NTA, EDTA, α-hydroxyisobutyrate (α-HIBA), 8-hydroxyquinoline-5-sulfonic acid and so on. Among them, α-HIBA is the most frequently used adduct.
4.2.5 Temperature
The increase of temperature leads to the decrease of the solution viscosity and the increase of current, which cause the variation of EOF. Normally, increase in temperature would result in the reduction of the migration time.
4.3 Applications in REEs analysis
In CE separation of REEs, the migration direction of REEs is the same as the EOF. The tiny difference in charge and radius of REEs leads to a slight difference in mobility. For instance, the mobility of trivalent REE cations varies from 72.3 × 105 cm2/V (La) to 67.5 × 105 cm2/V (Yb). Therefore, these REE cations cannot be well separated in conventional CE. The addition of complex in separation system would enlarge the difference in mobility of REEs, leading to an effective separation. Besides adducts, electrolyte composition, buffer pH and the property of capillary wall will also influence the separation of REEs. Janos [117] provided a review on separation of lanthanides by CE in 2003.
As early as 1970, the CE separation has shown its advantages of fast and high resolution in REE separation. The applications of CE in separation of REEs are listed in Table 12. In 1970, Korchemmaya [118] achieved a CE separation of all the REEs in 15–20 min. Then, Foret et al. [150] separated 19 metal ions including 14 REEs in 5 min by using CZE. Later on, Jandick et al. [151] separated 24 elements, including REEs in 5 min. Chen and Cassidy [152] compared the CE separation of REEs with different capillary coatings. With benzylamine aminotoluene and α-HIBA as complexes, 14 REEs could be separated in 6 min by using Cl-coated capillary, while the separation time is 8 min when using C18-coated capillary. A comparison of CZE and ITP demonstrated that the selection of electrolyte and the optimization of CE conditions in ITP are much more complicated than that in CZE. In ITP, the leading catholyte should be acids with high mobility, and the trailing anodolyte should be weak acids [127]. The optimization of CZE conditions without such limitations is more convenient.
The applications of CE in separation of REEs.
| REEs | CE methods | Separation condition | Time (min) | LODs | Ref. |
|---|---|---|---|---|---|
| Ln, Y, Sc | CZE-UV (fused silica 50 cm × 75 μm) | Borate buffer (20 mM, pH 11.0) + 1 mM CDTA | 12 | 2–5 μm (Ln), 10 μm (Sc) | [119] |
| Ln | CZE-UV (fused silica 40 cm × 100 μm) | 30 mM creatine + 7 mM α-HIBA + 30 mM acetate acid, pH 4.8 | – | – | [120] |
| La, Ce, Tb, Gd | CZE-UV (fused silica 52 cm × 75 μm) | 10 mM creatine + 2 mM α-HIBA + acetate buffer, pH 4.1 | 3.5 | 40 μg/L | [121] |
| La~Yb, alkalis, Ca, Mg | CZE-UV (fused silica 36.5 cm × 75 μm) | 4 mM α-HIBA, pH 4.4 | 8 | 77–199 mg/mL | [122] |
| Ln | ITP (PTFE 20 cm × 0.05 mm) | 0.027 M KOH + 0.015 M α-HIBA + acetate buffer + 0.0025 % PVA, pH 4.92 | 20 | 5 nmol | [123] |
| La–Tm | CZE-UV (fused silica 50 cm × 50 μm) | 30 mM creatine + 0.4 mM α-HIBA, acetate buffer, pH 4.0 | 11 | – | [124] |
| Ln | CZE-UV (fused silica 57 cm × 75 μm) | 4.25 mM α-HIBA, 8 mM acetate buffer, pH 4.4 | 10 | 0.03 nmol | [125] |
| Ln | CZE-UV (fused silica 35 cm × 50 μm) | 0.02 M imidazole + 6 μm lactic acid, pH 3.4 | 6 | 5 μm | [126] |
| Ln | CZE-UV (fused silica 40 cm × 75 μm) | 8 mM α-HIBA + 0.9 mM malonic acid + 30 mM creatine, ethylbutyric acid buffer, pH 4.8 | 5 | – | [127] |
| Y, Ln except Pm | ITP (PTFE 25 cm × 0.32 mm) | Leading: 20 mM ammonia; BGE: 7.5 mM α-HIBA + 2 mM malonic acid + 2-ethylbutyric acid, pH 4.8; trailing: 20 mM carnitine hydrochloride; all with 0.1 % (w/w) HPC | – | – | [128] |
| La, Ce, Pr, Nd, Sm, Eu | ITP-UV (fused silica 50 cm × 50 μm) | Leading: 10 mM H2SO4; BGE: 0.4 mM quinine sulfate + 8 mM α-HIBA; trailing: 80 mM TRIS | 3 | 6–11 nM | [129] |
| RE, Th, U (as DBCAs chelate) | CZE-Vis (fused silica 70 cm × 75 μm) | 20 mM NaAc-HCl buffer + 0.2 mM DBCAs, pH 3.0, | 10 | 48.1–72.3 nM | [130] |
| 14 REEs | CZE-UV (fused silica 35 cm × 50 μm) | 20 mM imidazole + 8 mM α-HIBA, pH 3.4 with HCl | 10 | 5 nM | [131] |
| 14 REEs | CZE-UV (fused silica 65 cm × 50 μm) | 0.1 mM cupferron + 15 mM α-HIBA, pH 4.9 | 7 | 0.24–0.47 μg/mL | [132] |
| La-Lu | CZE-UV (fused silica 36.5 cm × 50 μm) | 4 mM α-HIBA + 10 mM UVCat-1, pH 4.4 with HAc | < 1 | < 0.1 ng | [133] |
| Ln | CZE-UV (fused silica 71 cm × 50 μm) | 0.8 mM picolinic acid + 10 mM α-HIBA + 25 mM formic acid, pH 4.7 | 9 | 0.53–0.96 μg/mL | [134] |
| Ln (xenotime, monazite) | EKS-CZE-UV (fused silica 100 cm × 75 μm) | Leading: 100 mM ammonia + 7.5 mM α-HIBA + 2.0 mM malonic acid, 2-ethylbutyric acid, pH 4.8Supporting: 10 mM 4-methylbenzylamine + 4 mM α-HIBA + 0.4 mM malonic acid, 2-ethylbutyric acid, pH 4.8Tailing: 1 M HCl | < 5 min | – | [135] |
| Ln (as ABEDTA chelate) | CZE-UV (fused silica 50 cm × 50 μm) | 50 mM borate + 20 mM carbonate, pH 12.35 with NaOH | 35 | 0.94 μm | [136] |
| 16 REEs | CZE-UV (fused silica 50 cm × 75 μm) | 17 mM creatinine + 7.8 mM α-HIBA + 175 mM HAc | 12 | – | [137] |
| Eu, Gd species | CZE-ICP-MS (fused silica 80 cm × 74 μm) | 100 mM HAc + 10 mM NaAc, pH 3.7 | < 8 | 125 (Eu), 250 (Gd) ng/L | [138] |
| Ln (as NBD-ABEDTA chelate) | CZE-UV (fused silica 60 cm × 50 μm) | 9.5 mM borate + 33.5 mM IDA, pH 9.45 | 20 | 0.42 μm | [139] |
| REEs (geological samples) | CZE-UV (fused silica 60 cm × 75 μm) | 17 mM creatinine + 7 mM α-HIBA + 140 mM HAc + 6.5 mM HCl | 13 | ∼!10(Y), ~20 (other REEs) μg/L | [140] |
| Ln-humic acid | CZE-ICP-MS (fused silica 80 cm × 74 μm) | 100 mM HAc + 10 mM NaAc, pH 3.7 | 0.8–1.6 nM | [141] | |
| Ln (as FTC-ABEDTA chelate) | CZE-LIF (fused silica 80 cm × 74 μm) | 12 mM borate + 5.5 mM IDA + 9.0 mM citrate + 25 μm CyDTA, pH 9.60 | 23 | 91 pM | [142] |
| Ln | CZE-UV (fused silica 35.5 cm × 75 μm) | 4 mM α-HIBA + 10 mM UVCat-1, pH 4.4 | ∼!3 | 0.67–16 ng (“odd–even” pattern) | [143] |
| Ln-humic acid | CZE-ICP-MS (fused silica 80 cm × 74 μm) | 100 mM HAc + 10 mM NaAc, pH 3.7 | – | – | [144] |
| Ln | CZE-ESI-MS (fused silica 120 cm × 50 μm) | 0.8 mM picolinic acid + 10 mM α-HIBA + 25 mM formic acid, pH 4.7 with TRIS | < 30 | Low mg/L | [145] |
| Ln | LLLME + CZE-UV (fused silica 50 cm × 75 μm) | 28 mM creatinine + 11.5 mM α-HIBA + 0.26 M HAc | 20 | 0.19–0.70 μg/L | [146] |
| Nd (as FTC-ABEDTA chelate) | CZE-LIF (fused silica 80 cm × 74 μm) | 12 mM borate +25 μm CyDTA, pH 9.60 | 12 | 22 pM | [147] |
| Ln | ITP-CD/ICP-MS (fused silica or PVA-coated 56 cm × 30 μm) | Leading: 14 mM HMBA + 10 mM HAc, pH 4.5 with ammoniaTerminating: 15 mM HAc | ∼!30 | – | [148] |
| Ln, Th, UO22 + | CZE-UV (fused silica 57 cm × 75 μm) | 1 mM HTTA + 50 mM α-HIBA + 5 mM NaNO3 + 5 % methanol, pH 5.2 | 12 | – | [149] |
CDTA, cyclohexane-l,2-diaminetetraacetic acid; PVA, polyvinyl alcohol; HPC, hydroxypropyl cellulose; TRIS, Tris(hydroxymethyl) aminomethane; DBC-As, 2-(2-arsenophenylazo)-1,8-dihydroxyl-7-(4-chloro-2,6-dibromophenylazo)-naphthalene-3,6-disulfonic acid; EKS, electrokinetic supercharging; ABEDTA, 1-(4-aminobenzyl) ethylenediamine-N,N,N′,N′ -tetraacetate; NBD, nitrobenzofurazan; IDA, iminodiacetate; LIF, laser-induced fluorescent; FTC, fluorescein-thiocarbamyl; CyDTA, trans-1,2-diaminocyclohexane-N,N,N′,N′-tetraacetic acid; LLLME, liquid liquid liquid microextraction; HMBA, 2-hydroxy-2-methylbutyric acid; CD, conductivity detection; HTTA, 2-thenoyltrifluoroacetone.
UV (with indirect or direct UV mode) is the most widely used detector in CE analysis of REEs. To obtain higher sensitivity than UV detection, Saito et al. [142, 147] employed laser-induced fluorescence (LIF) as CE detector for the detection of the complexes of lanthanides with fluorescein-thiocarbamyl-1-(4-aminobenzyl) ethylenediamine-N,N,N′,N′ -tetraacetate (FTC-ABEDTA). The LODs were decreased to dozens of pM level. Elemental-specific ICP-MS is one of the most sensitive methods for the determination of REEs. A combination of CE-ICP-MS is capable for the speciation of Ln and Ln-humic acids [138, 141, 144]. However, an interface with small dead volume and high transport efficiency between CE and ICP-MS is necessary. ESI-MS is a method of choice for elemental and molecular analysis of lanthanides, and has also been employed as CE detector [145]. However, the LOD of Ln obtained by CE-ESI-MS is much higher than that by CE-ICP-MS.
5 Supercritical fluid chromatography
Supercritical fluid chromatography (SFC) [153] was called high-pressure GC in the early time, which utilizes supercritical fluid as mobile phase. Lanthanide chelate is one of the first metal chelates that was separated by SFC. In 1968, Karayannis et al. [154] separated lanthanide β-diketonates by utilizing supercritical CCl2F2 as mobile phase under the temperature lower than that used in GC. So SFC solves the problem of thermal instability of compounds that exists in GC. A few years later, the separation of lanthanide chelates of acetylacetone (ACAC), trifluoroacetylacetone, thenoyltrifluoroacetone, dipivaloylmethane, and 6,6,7,7,8,8,8-heptafluoro-2,2-dimethyl-3,5-octanedione with ethanol-modified inert silylated column were investigated by Laintz et al. [155]. Mobile phases consisting of supercritical CO2 were used and all of the compounds were shown to have good chromatographic performance. Furthermore, Wu et al. [156, 157] separated and analyzed lanthanide β-diketonates with good performance. However, due to supercritical chromatography, instruments are relatively complex, difficult to popularize and show no obvious advantages when compared with HPLC, limiting the development of this technology in the separation and analysis of REEs. With the gradual improvement of HPLC technology, SFC has gradually been replaced by HPLC; actually it is rarely used now.
Acknowledgment
This article is also available in: Golloch, Handbook of Rare Earth Elements. De Gruyter (2016), isbn 978–3–11–036523–8.
References
[1] Sisson DH, Mode VA, Campbell DO. High-speed separation of rare earths by ion exchange. J Chromatogr A 1972, 66, 129–135.10.1016/S0021-9673(01)82936-8Search in Google Scholar
[2] Hoehlein G, Voeller H, Weinlaender W. Use of aminex for separation of actinides and lanthanides. Radiochim Acta 1969, 11, 172–175.10.1524/ract.1969.11.34.172Search in Google Scholar
[3] Iwasaki, K, Haraguchi H. Determination of rare earth elements in geological samples by inductively-coupled plasma atomic emission spectrometry after oxalate coprecipitation and cation-exchange column separation. Anal Chim Acta 1988, 208, 163–172.10.1016/S0003-2670(00)80744-8Search in Google Scholar
[4] Hirata T, et al. Precise determination of rare earth elements in geological standard rocks by inductively coupled plasma source mass spectrometry. Anal Sci 1988, 4, 637–643.10.2116/analsci.4.637Search in Google Scholar
[5] Pierce TB, Hobbs RS. The separation of the rare earths by partition chromatography with reversed phases. J Chromatogr A 1963, 12, 74–80.10.1016/S0021-9673(01)83648-7Search in Google Scholar
[6] Wang WN, Chen YJ, Wu MT. Complementary analytical methods for cyanide, sulphide, certain transition metals and lanthanides in ion chromatography. Analyst 1984, 109, 281–286.10.1039/an9840900281Search in Google Scholar
[7] Chikuma M, et al. Chelate-forming resins prepared by modification of anion-exchange resins. Talanta 1980, 27, 807–810.10.1016/0039-9140(80)80111-1Search in Google Scholar
[8] Lundgren JL, Schilt AA. Analytical studies and applications of ferroin type chromogens immobilized by adsorption on a styrene-divinylbenzene copolymer. Anal Chem 1977, 49, 974–980.10.1021/ac50015a027Search in Google Scholar
[9] Chao HE, Suzuki N. Adsorption behaviour of scandium, yttrium, cerium and uranium from xylenol orange solutions onto anion exchange resins. Anal Chim Acta 1981, 125, 139–147.10.1016/S0003-2670(01)85058-3Search in Google Scholar
[10] Shabani MB, Akagi T, Masuda A. Preconcentration of trace rare-earth elements in seawater by complexation with bis(2-ethylhexyl) hydrogen phosphate and 2-ethylhexyl dihydrogen phosphate adsorbed on a C18 cartridge and determination by inductively coupled plasma mass spectrometry. Anal Chem 1992, 64, 737–743.10.1021/ac00031a008Search in Google Scholar
[11] Jain, VK, et al. Sequential separation and trace enrichment of thorium(IV) and uranium(VI) on chelating resin amberlite XAD-2-ortho-vanillinthiosemicarbazone (o-VTSC). Separ Sci Technol 1998, 33, 1803–1818.10.1080/01496399808545906Search in Google Scholar
[12] Choppin GR, Harvey BG, Thompson SG. A new eluant for the separation of the actinide elements. J Inorg Nucl Chem 1956, 2, 66–68.10.1016/0022-1902(56)80105-XSearch in Google Scholar
[13] Robards K, Clarke S, Patsalides E. Advances in the analytical chromatography of the lanthanides. A review. Analyst (London) 1988, 113, 1757–1779.10.1039/an9881301757Search in Google Scholar
[14] Kumar M. Recent trends in chromatographic procedures for separation and determination of rare-earth elements – A review. Analyst 1994, 119, 2013–2024.10.1039/an9941902013Search in Google Scholar
[15] Yoshida K, Haraguchi H. Determination of rare earth elements by liquid chromatography/inductively coupled plasma atomic emission. Anal Chem 1984, 56, 2580–2585.10.1021/ac00277a069Search in Google Scholar
[16] Raut NM, Jaison PG, Aggarwal SK. Comparative evaluation of three alpha-hydroxycarboxylic acids for the separation of lanthanides by dynamically modified reversed-phase high-performance liquid chromatography. J Chromatogr A 2002, 959, 163–172.10.1016/S0021-9673(02)00447-8Search in Google Scholar
[17] Brunisholz G, Roulet R. Separation of rare earth elements by ion exchange chromatography. II. Separation and analysis of the europium-gadolinium couple. Helv Chim Acta 1970, 53, 126–130.10.1002/hlca.19700530115Search in Google Scholar
[18] Bruzzoniti MC, Mentasti E, Sarzanini C. Determination of lanthanides by ion chromatography. Separation and retention mechanism. Anal Chim Acta 1997, 353, 239–244.10.1016/S0003-2670(97)87782-3Search in Google Scholar
[19] Rollin S, et al. Determination of lanthanides and actinides in uranium materials by high-performance liquid chromatography with inductively coupled plasma mass spectrometric detection. J Chromatogr A 1996, 739, 139–149.10.1016/0021-9673(96)00037-4Search in Google Scholar
[20] Schwantes JM, et al. Rapid, high-purity, lanthanide separations using HPLC. J Alloys Compd 2006, 418, 189–194.10.1016/j.jallcom.2005.08.110Search in Google Scholar
[21] Borai E, Ekhlom P, Harjula R. Group Separation of heavy metals followed by subsequent and individual separation of lanthanides by chelation chromatography. J Liq Chromatogr Related Technol 2014, 37, 1614–1631.10.1080/10826076.2013.803204Search in Google Scholar
[22] Jones EA, Bezuidenhout HS, Van Staden JF. Separation of lanthanides and yttrium as anionic complexes by isocratic ion-interaction chromatography. J Chromatogr A 1991, 537, 277–286.10.1016/S0021-9673(01)88901-9Search in Google Scholar
[23] Inoue Y, et al. Ion Chromatographic separation of rare-earth elements using a nitrilotriacetate-type chelating resin as the stationary phase. Anal Chem 1996, 68, 1517–1520.10.1021/ac950783kSearch in Google Scholar
[24] Dybczynski RS, et al. New reversed phase-high performance liquid chromatographic method for selective separation of yttrium from all rare earth elements employing nitrilotriacetate complexes in anion exchange mode. J Chromatogr A 2015, 1386, 74–80.10.1016/j.chroma.2015.01.091Search in Google Scholar
[25] Fernandez RG, Garcia Alonso JI, Separation of rare earth elements by anion-exchange chromatography using ethylenediaminetetraacetic acid as mobile phase. J Chromatogr A 2008, 1180, 59–65.10.1016/j.chroma.2007.12.008Search in Google Scholar
[26] Garcia-Valls R, et al. Separation of rare earth elements by high performance liquid chromatography using a covalent modified silica gel column. Anal Chim Acta 2001, 439, 247–253.10.1016/S0003-2670(01)01044-3Search in Google Scholar
[27] Small H, Stevens TS, Bauman WC. Novel ion exchange chromatographic method using conductimetric detection. Anal Chem 1975, 47, 1801–1809.10.1021/ac60361a017Search in Google Scholar
[28] Sevenich GJ, Fritz JS. Addition of complexing agents in ion chromatography for separation of polyvalent metal ions. Anal Chem 1983, 55, 12–16.10.1021/ac00252a007Search in Google Scholar
[29] Nesterenko PN, Jones P. Isocratic separation of lanthanides and yttrium by high-performance chelation ion chromatography on iminodiacetic acid bonded to silica. J Chromatogr A 1998, 804, 223–231.10.1016/S0021-9673(97)01272-7Search in Google Scholar
[30] Borai EH, Eid MA, Aly HF. Determination of REEs distribution in monazite and xenotime minerals by ion chromatography and ICP-AES. Anal Bioanal Chem 2002, 372, 537–541.10.1007/s00216-001-1204-8Search in Google Scholar PubMed
[31] Farinas JC, Cabrera HP, Larrea MT. Improvement in the ion exchange chromatographic separation of rare earth elements in geological materials for their determination by inductively coupled plasma atomic emission spectrometry. J Anal At Spectrom 1995, 10, 511–516.10.1039/JA9951000511Search in Google Scholar
[32] Kawabata K, et al. Determination of rare-earth elements by inductively coupled plasma mass spectrometry with ion chromatography. Anal Chem 1991, 63, 2137–2140.10.1021/ac00019a013Search in Google Scholar
[33] Kishi Y, et al. Determination of rare earth elements by IC-ICP-MS (inductively coupled plasma mass spectrometer). Kidorui 1990, 16, 134–135.Search in Google Scholar
[34] Bulska E, et al. Inductively coupled plasma mass spectrometry in comparison with neutron activation and ion chromatography with UV/VIS detection for the determination of lanthanides in plant materials. Talanta 2012, 97, 303–311.10.1016/j.talanta.2012.04.035Search in Google Scholar
[35] Künnemeyer J, et al. Speciation analysis of gadolinium chelates in hospital effluents and wastewater treatment plant sewage by a novel HILIC/ICP-MS method. Environ Sci Technol 2009, 43, 2884–2890.10.1021/es803278nSearch in Google Scholar
[36] Goutelard F, et al. Optimization conditions for the separation of rare earth elements, americium, curium and cesium with HPLC technique. J Radioanal Nucl Chem 2009, 282, 669–675.10.1007/s10967-009-0308-zSearch in Google Scholar
[37] Dybczynski RS, et al. Comparison of performance of INAA, RNAA and ion chromatography for the determination of individual lanthanides. Appl Radiat Isot 2010, 68, 23–27.10.1016/j.apradiso.2009.09.002Search in Google Scholar
[38] Dybczynski RS, et al. Accurate determination of trace amounts of lanthanum, yttrium and all stable lanthanides in biological materials by ion chromatography. Chem Anal 2007, 52, 549–564.Search in Google Scholar
[39] Dybczynski RS, Kulisa K. Effect of temperature and the mechanism of zone spreading during cation-exchange separation of rare earth elements by ion chromatography. Chromatographia 2005, 61, 573–580.10.1365/s10337-005-0545-4Search in Google Scholar
[40] Verma SP, Santoyo E. High-performance liquid and ion chromatography: Separation and quantification analytical techniques for rare earth elements. Geostand Geoanal Res 2007, 31, 161–184.10.1111/j.1751-908X.2007.00842.xSearch in Google Scholar
[41] Haley BA, Klinkhammer GP. Complete separation of rare earth elements from small volume seawater samples by automated ion chromatography: method development and application to benthic flux. Mar Chem 2003, 82, 197–120.10.1016/S0304-4203(03)00070-7Search in Google Scholar
[42] Meynadier L, et al. Automated separation of Sr from natural water samples or carbonate rocks by high performance ion chromatography. Chem Geol 2006, 227, 26–36.10.1016/j.chemgeo.2005.05.012Search in Google Scholar
[43] Bruzzoniti MC, et al. Determination of rare earth elements by ion chromatography. Separation procedure optimization. Anal Chim Acta 1996, 322, 49–54.10.1016/0003-2670(95)00596-XSearch in Google Scholar
[44] Cassidy RM, et al. Dynamic ion exchange chromatography for the determination of number of fissions in uranium dioxide fuels. Anal Chem 1986, 58, 1181–1186.10.1021/ac00297a045Search in Google Scholar
[45] Knight CH, et al. Dynamic ion exchange chromatography for determination of number of fissions in thorium-uranium dioxide fuels. Anal Chem 1984, 56, 474–478.10.1021/ac00267a041Search in Google Scholar
[46] Götze HJ, Bialkowski D. Separation of some rare earths EDTA complexes by ion-pair chromatography. Fresenius‘ Z Anal Chem 1985, 320, 370.10.1007/BF00488127Search in Google Scholar
[47] Saraswati R, Desikan NR, Rao TH. Determination of transition and rare earth elements in low-alloy steels as chelates with 4-(2-Thiazolylazo)resorcinol by reversed-phase high performance liquid chromatography. Microchim Acta 1992, 109, 253–260.10.1007/BF01242480Search in Google Scholar
[48] Zhang JF, et al. Behavior of new complexes of tetrakis(4-methoxylphenyl)porphyrin with heavy rare earth elements in reversed-phase high performance liquid chromatography. J Separ Sci 2004, 27, 1037–1041.10.1002/jssc.200201354Search in Google Scholar
[49] Tsakanika LV, Ochsenkuhn-Petropoulou MT, Mendrinos LN. Investigation of the separation of scandium and rare earth elements from red mud by use of reversed-phase HPLC. Anal Bioanal Chem 2004, 379, 796–802.10.1007/s00216-004-2667-1Search in Google Scholar
[50] Raut NM, Jaison PG, Aggarwal SK. Separation and determination of lanthanides, thorium and uranium using a dual gradient in reversed-phase liquid chromatography. J Chromatogr A 2004, 1052, 131–136.10.1016/j.chroma.2004.08.054Search in Google Scholar
[51] Santoyo E, Verma SP. Determination of lanthanides in synthetic standards by reversed phase high-performance liquid chromatography with the aid of a weighted least-squares regression model – Estimation of method sensitivities and detection limits. J Chromatogr A 2003, 997, 171–182.10.1016/S0021-9673(03)00624-1Search in Google Scholar
[52] Jaison PG, et al. Comparative study of ion interaction reagents for the separation of lanthanides by reversed-phase high performance liquid chromatography (RP-HPLC). J Liq Chromatogr Related Technol 2009, 32, 2146–2163.10.1080/10826070903163230Search in Google Scholar
[53] Pedreira WR, et al. Determination of trace amounts of rare earth elements in highly pure praseodymium oxide by double focusing inductively coupled plasma mass spectrometry and high-performance liquid chromatography. J Alloys Compd 2001, 323, 49–52.10.1016/S0925-8388(01)00997-5Search in Google Scholar
[54] Pedreira WR, et al. Determination of trace amounts of’ rare earth elements in high pure lanthanum oxide by sector field inductively coupled plasma mass spectrometry (HR ICP-MS) and high-performance liquid chromatography (HPLC) techniques. J Alloys Compd 2002, 344, 17–20.10.1016/S0925-8388(02)00297-9Search in Google Scholar
[55] Pedreira WR, et al. Determination of trace amounts of rare-earth elements in highly pure neodymium oxide by sector field inductively coupled plasma mass spectrometry (ICP-SFMS) and high-performance liquid chromatography (HPLC) techniques. J Solid State Chem 2003, 171, 3–6.10.1016/S0022-4596(02)00003-8Search in Google Scholar
[56] Pedreira WR, et al. Trace amounts of rare earth elements in high purity samarium oxide by sector field inductively coupled plasma mass spectrometry after separation by HPLC. J Alloys Compd 2006, 418, 247–250.10.1016/j.jallcom.2005.10.081Search in Google Scholar
[57] Kifle D, Wibetoe G. Selective liquid chromatographic separation of yttrium from heavier rare earth elements using acetic acid as a novel eluent. J Chromatogr A 2013, 1307, 86–90.10.1016/j.chroma.2013.07.070Search in Google Scholar
[58] Santoyo E, Guevara M, Verma SP. Determination of lanthanides in international geochemical reference materials by reversed-phase high-performance liquid chromatography using error propagation theory to estimate total analysis uncertainties. J Chromatogr A 2006, 1118, 73–81.10.1016/j.chroma.2006.01.131Search in Google Scholar
[59] Fidelis I, Siekierski S. Separation of heavy rare earths by reversed-phase partition chromatography. J Chromatogr A 1961, 5, 161–165.10.1016/S0021-9673(01)92836-5Search in Google Scholar
[60] Vermont J, et al. Modern liquid chromatography on Spherosil. Anal Chem 1975, 47, 1329–1337.10.1021/ac60358a049Search in Google Scholar
[61] Horwitz EP, Bloomquist CAA. The preparation, performance and factors affecting band spreading of high efficiency extraction chromatographic columns for actinide separations. J Inorg Nucl Chem 1972, 34, 3851–3871.10.1016/0022-1902(72)80033-2Search in Google Scholar
[62] Tsuyoshi A, Akiba K. High-performance liquid chromatography using reversed-phase stationary phases dynamically modified with organophosphorus compound for the separation and determination of lanthanoid elements. Anal Sci 2000, 16, 843–846.10.2116/analsci.16.843Search in Google Scholar
[63] Miranda P, et al. Study of the rare earth elements fractionation by solvent extraction: Use of HPLC as an analytical control technique. J Alloys Compd 2002, 344, 46–50.10.1016/S0925-8388(02)00303-1Search in Google Scholar
[64] Knutson HK, et al. Experimental productivity rate optimization of rare earth element separation through preparative solid phase extraction chromatography. J Chromatogr A 2014, 1348, 47–51.10.1016/j.chroma.2014.04.085Search in Google Scholar
[65] Qin S, et al. Determination of trace rare earth impurities in high-purity cerium oxide by using electrothermal vaporization ICP-AES after HPLC separation with 2-ethylhexylhydrogen 2-ethylhexylphosphonate resin as the stationary phase. J Anal At Spectrom 2000, 15, 1413–1416.10.1039/B003107KSearch in Google Scholar
[66] Qin S, et al. HPLC combined with ICP-MS for the determination of trace amounts of rare earth impurities in high-purity La2O3 by using 2-ethylhexyl hydrogen-2-ethylhexylphosphonate resin as a stationary phase. Fresenius J Anal Chem 2000, 367, 250–253.10.1007/s002160000334Search in Google Scholar
[67] Shuai Q, et al. Determination of rare earth impurities in high-purity lanthanum oxide using electrothermal vaporization/ICP-AES after HPLC separation. Anal Sci 2000, 16, 957–961.10.2116/analsci.16.957Search in Google Scholar
[68] Li CF, et al. An evaluation of a single-step extraction chromatography separation method for Sm-Nd isotope analysis of micro-samples of silicate rocks by high-sensitivity thermal ionization mass spectrometry. Anal Chim Acta 2011, 706, 297–304.10.1016/j.aca.2011.08.036Search in Google Scholar
[69] Murayama W, et al. A new centrifugal counter-current chromatograph and its application. J Chromatogr A 1982, 239, 643–649.10.1016/S0021-9673(00)82022-1Search in Google Scholar
[70] Araki T, et al. Further results on behaviors of rare earth metal ions in centrifugal partition chromatography with DI(2-ethylhexyl) phosphoric acid. J Liq Chromatogr 1988, 11, 2473–2485.10.1080/01483918808076741Search in Google Scholar
[71] Akiba K, et al. Mutual separation of lanthanoid elements by centrifugal partition chromatography. J Liq Chromatogr 1988, 11, 2517–2536.10.1080/01483918808076744Search in Google Scholar
[72] Nakamura S, et al. Mutual separation of heavy lanthanoid elements and yttrium by high-speed countercurrent chromatography. Anal Sci 1997, 13, 525–529.10.2116/analsci.13.525Search in Google Scholar
[73] Nakamura S, Watanabe M, Akiba K. Separation of yttrium from lanthanoid elements by centrifugal partition chromatography. J Liq Chromatogr 1995, 18, 377–394.10.1080/10826079508009246Search in Google Scholar
[74] Nakamura S, Hashimoto H, Akiba K. Purification of yttrium by high-speed countercurrent chromatography. J Liq Chromatogr Related Technol 1999, 22, 451–461.10.1081/JLC-100101672Search in Google Scholar
[75] Tsuyoshi A, et al. Separation of praseodymium and neodymium by high-speed countercurrent chromatography using a stationary phase of organophosphonic acid ester. Solvent Extr Res Dev Japan 2000, 7, 127–138.Search in Google Scholar
[76] Tsuyoshi A., Akiba K, Nakamura S. Purification of a yttrium concentrate from xenotime by high-speed countercurrent chromatography using an organophosphinic acid stationary phase. Solvent Extr Res Dev Japan 2002, 9, 39–49.Search in Google Scholar
[77] Wu JF, et al. Separation of americium and europium by high speed countercurrent chromatography. Chin J Anal Chem 2006, 34, 1311–1314.Search in Google Scholar
[78] Hennebrüder K, et al. Enrichment of rare-earth elements (REE) and Gd-DTPA in surface water samples by means of countercurrent chromatography (CCC). Anal Chim Acta 2005, 542, 216–221.10.1016/j.aca.2005.04.003Search in Google Scholar
[79] Kitazume E, Bhatnagar M, Ito Y. Separation of rare earth elements by high-speed counter-current chromatography. J Chromatogr A 1991, 538, 133–140.10.1016/S0021-9673(01)91630-9Search in Google Scholar
[80] Abe H, Usuda S, Tachemori S. Characteristics of centrifugal partition chromatography for lanthanoid separation in HDEHP extraction system. J Liq Chromatogr 1994, 17, 1821–1835.10.1080/10826079408013461Search in Google Scholar
[81] Abe H, et al. Separation of light lanthanoids by centrifugal partition chromatography in 30 % TBP extraction system. J Liq Chromatogr 1993, 16, 2661–2672.10.1080/10826079308019601Search in Google Scholar
[82] Dubuquoy C, Gusmini S, Poupard D. Separation of lanthanides by SA-2 ion-exchange paper chromatography. III. Separation of yttrium rare earths. J Chromatogr 1972, 70, 216–219.10.1016/S0021-9673(01)91087-8Search in Google Scholar
[83] Chen L, Yuan B. Reversed-phase paper chromatography for the separation of rare earth elements by primary amine N 1923 as a stationary phase. Nat Sci J Xiangtan Univ 1986, 32, 81–85.Search in Google Scholar
[84] Lederer M. Separation of rare-earth elements. Nature 1955, 176, 462–463.10.1038/176462a0Search in Google Scholar
[85] Dubuquoy C, et al. Separation of the lanthanides by ion-exchange paper chromatography on SA-2. J Chromatogr 1971, 57, 455–459.10.1016/0021-9673(71)80073-0Search in Google Scholar
[86] Dubuquoy C, et al. Separation of lanthanides using SA-2 paper ion exchanger chromatography studies and applications 1973, Commis Energ At Report Nr.CEA-R-4440, p. 43Search in Google Scholar
[87] Kostyuk NN. Selection of optimal conditions for separation of seven rare earth elements by paper chromatography. Vestn Beloruss Gos Univ Ser 2005, 2(1),7–12.Search in Google Scholar
[88] Fenyo JC, et al. Separation of lanthanides by chromatography on ion-exchange paper SA-2 in α-Hydroxyisobutyrate medium. J Chromatogr 1970, 49, 269–277.10.1016/S0021-9673(00)93632-XSearch in Google Scholar
[89] Touchstone JC, Dobbins MF, Practice of Thin Layer Chromatography. John Wiley & Sons, New York, 1983, 2nd Edition (ISBN 0471097667), p. 103–126Search in Google Scholar
[90] Takeda Y, Ishida K. Thin-layer chromatographic behavior of rare earths on silica gel with aqueous alkaline earth metal nitrate solutions as mobile phases. Fresenius J Anal Chem 2001, 370, 371–376.10.1007/s002160100808Search in Google Scholar
[91] Soran M-L, et al. TLC separation of rare earths using di(2-ethylhexyl)dithiophosphoric acid as complexing reagent. J. Planar Chromatogr.-Mod. TLC 2005, 18, 160–163.10.1556/JPC.18.2005.2.13Search in Google Scholar
[92] Ninomiya S, Takeda N, Ishida K. Thin-layer chromatographic behavior and separation of rare earths in silica gel-aqueous alkali metal nitrate systems. Fresenius’ Z Anal Chem 1988, 332, 798–801.10.1007/BF01129779Search in Google Scholar
[93] Kuroda R, Adachi M, Oguma K. Reversed-phase thin-layer chromatography of the rare-earth elements. Chromatographia 1988, 25, 989–992.10.1007/BF02259417Search in Google Scholar
[94] Ishida K, Ninomiya S, Osawa M. Thin-layer chromatographic behavior and separation of rare earths on silica gel in aqueous ammonium sulfate solution. Fresenius’ Z Anal Chem 1987, 328, 228–231.10.1007/BF00481624Search in Google Scholar
[95] Jung K, et al. Studies on the quantitative determination of rare earths after thin layer chromatographic separation with known and new eluents. Fresenius’ Z Anal Chem 1978, 291, 328–331.10.1007/BF00491950Search in Google Scholar
[96] Safronova NS, et al. Inductively-coupled plasma-atomic emission spectrometric determination of rare earth elements in granites and greisens using thin-layer chromatographic preconcentration. Analyst 1995, 120, 1427–1432.10.1039/an9952001427Search in Google Scholar
[97] Specker H, Hufnagel A. Thin-layer chromatography-liquid column chromatography, an ideal supplement demonstrated by the lanthanides. Fresenius’ Z Anal Chem 1984, 318, 198–200.10.1007/BF00528581Search in Google Scholar
[98] Specker H. Chromatographic separation and determination of rare earths. Chem Labor Betr 1981, 32, 519–524.Search in Google Scholar
[99] Ishida K, et al. Thin-layer chromatographic behaviour and separation of rare earths on silica gel in aqueous ammonium nitrate solution. J Chromatogr A 1986, 351, 489–494.10.1016/S0021-9673(01)83525-1Search in Google Scholar
[100] Pierce TB, Flint RF. The rapid separation of rare earth mixtures by thin-layer chromatography. Anal Chim Acta 1964, 31, 595–597.10.1016/S0003-2670(00)88881-9Search in Google Scholar
[101] Takeda Y, Ishida K. Thin-layer chromatography of rare earths in a carboxymethyl cellulose-aqueous sodium nitrate system, and the separation of yttrium. Bunseki Kagaku 2004, 53, 1325–1328.10.2116/bunsekikagaku.53.1325Search in Google Scholar
[102] Takeda Y, Ishida K. Thin-layer chromatography of rare earth elements in carboxymethyl cellulose-aqueous sodium chloride systems and the specific separation of yttrium. Bunseki Kagaku 2004, 53, 729–734.10.2116/bunsekikagaku.53.729Search in Google Scholar
[103] Soran ML, Curtui M, Marutoiu C. Separation of U(VI) and Th(IV) from some rare earths by thin layer chromatography with di-(2-ethylhexyl)-dithiophosphoric acid on silica gel. J Liq Chromatogr Related Technol 2005, 28, 2515–2524.10.1080/10826070500189653Search in Google Scholar
[104] Eisentraut KJ, Siever RE. Volatile rare earth chelates, J Am Chem Soc, 1965, 87, 5254–5256.10.1021/ja00950a051Search in Google Scholar
[105] Utsunomiya K. Gas chromatography of rare earth chelates of isobutyrylpivalylmethane. Anal Chim Acta 1972, 59, 147–151.10.1016/S0003-2670(01)84835-2Search in Google Scholar
[106] Hicks JE, McPherson RT, Salyer JW. The effect of low concentrations of miscible organic solvents on the determination of trace metals in water samples by atomic absorption spectrometry. Anal Chim Acta 1972, 61, 441–448.10.1016/S0003-2670(01)95075-5Search in Google Scholar
[107] Greulich N, et al. Fast preparation and gas-chromatographic separation of lanthanide and actinide hexafluoroacetylacetonates. Fresenius’ Z Anal Chem 1986, 323, 839–845.10.1007/BF00475767Search in Google Scholar
[108] Sieck RF, Banks CV. Gas chromatography of volatile mixed-ligand complexes of the lanthanides. Anal Chem 1972, 44, 2307–2312.10.1021/ac60322a005Search in Google Scholar
[109] Burgett CA, Fritz JS. Separation and quantitative determination of the yttrium group lanthanides by gas-liquid chromatography. Anal Chem 1972, 44, 1738–1742.10.1021/ac60319a018Search in Google Scholar PubMed
[110] Butts WC, Banks CV. Solvent extraction and gas chromatography of the rare earth mixed-ligand complexes of hexafluoroacetylacetone and tributyl phosphate. Anal Chem 1970, 42, 133–136.10.1021/ac60283a013Search in Google Scholar
[111] Tanaka M. Thermogravimetric analysis and gas chromatography of rare earth chelates of trifluoroacetylpivaloylmethane. Anal Chim Acta 1968, 43, 157–158.10.1016/S0003-2670(00)89196-5Search in Google Scholar
[112] Fujinaga T, Kuwamoto T, Kimoto T. The rapid separation and determination of rare earth elements by use of the ligand vapour gas-chromatographic method 11 Patent pending. Talanta 1976, 23, 753.10.1016/0039-9140(76)80082-3Search in Google Scholar
[113] Shigematsu T, Matsui M, Utsunomiya K. Gas chromatography of rare earth chelates of pivaloyltrifluoroacetone. Bull Chem Soc Japan 1968, 41, 763.10.1246/bcsj.41.763Search in Google Scholar
[114] Shigematsu T, Matsui M, Utsunomiya K. Gas chromatography of rare earth chelates of pivaloyltrifluoroacetone. Bull Chem Soc Japan 1969, 42, 1278–1281.10.1246/bcsj.42.1278Search in Google Scholar
[115] Burgett CA, Fritz JS. Separation and quantitative determination of the cerium group lanthanides by gas – liquid chromatography. Talanta 1973, 20, 363–369.10.1016/0039-9140(73)80164-XSearch in Google Scholar
[116] Harvey SD, Lucke RB, Douglas M. Rapid separation of beryllium and lanthanide derivatives by capillary gas chromatography. J Separ Sci 2012, 35, 2750–2755.10.1002/jssc.201200537Search in Google Scholar
[117] Janos P. Analytical separations of lanthanides and actinides by capillary electrophoresis. Electrophoresis 2003, 24, 1982–1992.10.1002/elps.200305470Search in Google Scholar
[118] Korchemmaya EK. Separation of rare earth elements by electrophoresis. Zh Anal Khim 1970, 25, 705.Search in Google Scholar
[119] Timerbaev AR, Semenova OP, Bonn GK. Capillary zone electrophoresis of lanthanoid elements after complexation with aminopolycarboxylic acids. Analyst 1994, 119, 2795–2799.10.1039/an9941902795Search in Google Scholar
[120] Vogt C, Conradi S. Complex equilibria in capillary zone electrophoresis and their use for the separation of rare-earth-metal ions. Anal Chim Acta 1994, 294, 145–153.10.1016/0003-2670(94)80189-4Search in Google Scholar
[121] Jimidar M, et al. Method development and optimization for the determination of rare-earth-metal ions by capillary zone electrophoresis. Anal Chim Acta 1993, 284, 217–225.10.1016/0003-2670(93)80027-ISearch in Google Scholar
[122] Weston A, et al. Factors affecting the separation of inorganic metal-cations by capillary zone electrophoresis. J Chromatogr 1992, 593, 289–295.10.1016/0021-9673(92)80297-8Search in Google Scholar
[123] Nukatsuka I, Taga M, Yoshida H. Separation of lanthanides by capillary-tube isotachophoresis using complex-forming equilibria. J Chromatogr 1981, 205, 95–102.10.1016/S0021-9673(00)81817-8Search in Google Scholar
[124] Wu J, et al. High performance capillary zone electrophoresis for the determination of rare earth elements. Chin J Anal Chem 1994, 22, 341–345.Search in Google Scholar
[125] Zhang Y, et al. Separation of lanthanides and quantification of hydronium ion by capillary zone electrophoresis. J Liq Chromatogr Related Technol 1996, 19, 3315–3332.10.1080/10826079608014582Search in Google Scholar
[126] Yang Y, et al. Separation and determination of rare earth metal ions with capillary ion electrophoresis. Chin J Anal Chem 1997, 25, 947–950.Search in Google Scholar
[127] Mao Q, et al. Separation of rare-earth ions by isotachophoresis and capillary zone electrophoresis. J Chromatogr A 1998, 802, 203–210.10.1016/S0021-9673(97)01093-5Search in Google Scholar
[128] Hirokawa T, Hashimoto Y. Simultaneous separation of yttrium and lanthanide ions by isotachophoresis. J Chromatogr A 1997, 772, 357–367.10.1016/S0021-9673(97)00055-1Search in Google Scholar
[129] Church MN, et al. Transient isotachophoretic-electrophoretic separations of lanthanides with indirect laser-induced fluorescence detection. Anal Chem 1998, 70, 2475–2480.10.1021/ac971043+Search in Google Scholar
[130] Liu BF, Liu LB, Cheng JK. Separation and determination of thorium, uranium and mixed rare-earth elements as their UV/Vis absorbing complexes by capillary zone electrophoresis. Talanta 1998, 47, 291–299.10.1016/S0039-9140(98)00137-4Search in Google Scholar
[131] Yang Y, et al. Improved separation and determination of rare earth metal ions in real samples by capillary electrophoresis with indirect UV detection. Anal Lett 1998, 31, 1955–1964.10.1080/00032719808005275Search in Google Scholar
[132] Oztekin N, Erim FB. Separation and direct UV detection of lanthanides complexed with cupferron by capillary electrophoresis. J Chromatogr A 2000, 895, 263–268.10.1016/S0021-9673(00)00589-6Search in Google Scholar
[133] Verma SP, et al. Improved capillary electrophoresis method for measuring rare-earth elements in synthetic geochemical standards. J Chromatogr A 2000, 884, 317–328.10.1016/S0021-9673(00)00292-2Search in Google Scholar
[134] Öztekin N, Erim FB. Separation and direct UV detection of lanthanides complexed with pyridine-2-carboxylic acid by capillary electrophoresis. J Chromatogr A 2001, 924, 541–546.10.1016/S0021-9673(01)01045-7Search in Google Scholar
[135] Okamoto H,.Hirokawa T. Application of electrokinetic supercharging capillary zone electrophoresis to rare-earth ore samples. J Chromatogr A 2003, 990, 335–341.10.1016/S0021-9673(03)00054-2Search in Google Scholar
[136] Saito S, Hoshino H. Highly-sensitive simultaneous detection of lanthanide(III) ions as kinetically stable aromatic polyaminocarboxylato complexes via capillary electrophoresis using resolution enhancement with carbonate ion. Anal Bioanal Chem 2004, 378, 1644–1647.10.1007/s00216-003-2454-4Search in Google Scholar
[137] Sun Y, Detailed study on simultaneous separation of rare earth elements by capillary electrophoresis. J Chromatogr A 2004, 1048, 245–251.10.1016/S0021-9673(04)01185-9Search in Google Scholar
[138] Kautenburger R, Nowotka K, Beck HP. Online analysis of europium and gadolinium species complexed or uncomplexed with humic acid by capillary electrophoresis-inductively coupled plasma mass spectrometry. Anal Bioanal Chem 2006, 384, 1416–1422.10.1007/s00216-006-0299-3Search in Google Scholar PubMed
[139] Saito S, Danzaka N, Hoshi S. Highly sensitive determination of lanthanides by capillary electrophoresis with direct visible detection after precapillary complexation with aromatic polyaminocarboxylate and additionally applying dynamic ternary complexation with nitrilotriacetic acid. Electrophoresis 2006, 27, 3093–3100.10.1002/elps.200500828Search in Google Scholar PubMed
[140] Sun YL, Sun M, Zhao GC. Applicability of capillary electrophoresis to the analysis of trace rare earth elements in geological samples. Anal Sci 2006, 22, 551–555.10.2116/analsci.22.551Search in Google Scholar PubMed
[141] Kautenburger R, Beck HP. Complexation studies with lanthanides and humic acid analyzed by ultrafiltration and capillary electrophoresis-inductively coupled plasma mass spectrometry. J Chromatogr A 2007, 1159, 75–80.10.1016/j.chroma.2007.03.092Search in Google Scholar PubMed
[142] Saito S, et al. Direct fluorescence detection of ultratrace lanthanide(III) ions complexed with aromatic polyaminocarboxylate, avoiding quenching of ligand-centered emission, using capillary zone electrophoresis with a ternary complexing technique. Analyst 2007, 132, 237–241.10.1039/b613534jSearch in Google Scholar PubMed
[143] Santoyo E, et al. Separation and quantification of lanthanides in synthetic standards by capillary electrophoresis: a new experimental evidence of the systematic “odd-even” pattern observed in sensitivities and detection limits. J Chromatogr A 2007, 1149, 12–19.10.1016/j.chroma.2007.03.036Search in Google Scholar PubMed
[144] Stern JC, Sonke JE, Salters VJM. A capillary electrophoresis-ICP-MS study of rare earth element complexation by humic acids. Chem Geol 2007, 246, 170–180.10.1016/j.chemgeo.2007.09.008Search in Google Scholar
[145] Pitois A, Heras LAdL, Betti M. Multi-component elemental and molecular analysis of lanthanides by capillary electrophoresis–electrospray mass spectrometry (CE–ESI-MS). Int J Mass Spectrom 2008, 273, 95–104.10.1016/j.ijms.2008.03.010Search in Google Scholar
[146] Xuejuan L, Zhefeng F. Liquid–liquid–liquid micro extraction combined with CE for the determination of rare earth elements in water samples. Chromatographia 2009, 70, 481–487.10.1365/s10337-009-1176-ySearch in Google Scholar
[147] Saito S, et al. Highly sensitive detection of neodymium ion in small amount of spent nuclear fuel samples using novel fluorescent macrocyclic hexadentate polyaminocarboxylate probe in capillary electrophoresis-laser-induced fluorescence detection. J Chromatogr A 2012, 1232, 152–157.10.1016/j.chroma.2011.11.032Search in Google Scholar
[148] Vio L, et al. Separation and analysis of lanthanides by isotachophoresis coupled with inductively coupled plasma mass spectrometry. Talanta 2012, 99, 586–593.10.1016/j.talanta.2012.06.041Search in Google Scholar
[149] Shiri-Yekta Z, et al. Separation and direct UV detection of complexed lanthanides, thorium and uranyl ions with 2-thenoyltrifluoroacetone by using capillary zone electrophoresis. J Radioanal Nucl Chem 2014, 302, 1143–1150.10.1007/s10967-014-3306-8Search in Google Scholar
[150] Foret F, et al. Capillary zone electrophoresis of rare-earth-metals with indirect UV absorbency detection. Electrophoresis 1990, 11, 780–783.10.1002/elps.1150110919Search in Google Scholar
[151] Jandick P, et al. Electrophoretic capillary ion analysis: origins, principle, and applications. LC-GC 1991, 9, 634–645.Search in Google Scholar
[152] Chen M, Cassidy RM. Bonded-phase capillaries and the separation of inorganic-ions by high-voltage capillary electrophoresis. J Chromatogr 1992, 602, 227–234.10.1016/0021-9673(92)80085-9Search in Google Scholar
[153] Sethi N, et al. Supercritical fluid chromatography-a hybrid of GC and LC. Chron Young Sci 2010, 1, 12–22.Search in Google Scholar
[154] Karayannis NM, et al. Apparatus and materials for hyperpressure gas chromatography of nonvolatile compounds. Anal Chem 1968, 40, 1736–1739.10.1021/ac60267a035Search in Google Scholar
[155] Laintz KE, et al. A brief study of the supercritical fluid chromatographic behavior of lanthanide β-diketonates. J High Res Chromatogr 1994, 17, 603–606.10.1002/jhrc.1240170808Search in Google Scholar
[156] Wu H, et al. Separation of lanthanide β-diketonates via organophosphorus adduct formation by supercritical fluid chromatography. Anal Chem 1996, 68, 4072–4075.10.1021/ac9605004Search in Google Scholar
[157] Lin Y, et al. Investigation of adducts of lanthanide and uranium β-diketonates with organophosphorus Lewis bases by supercritical fluid chromatography. J Chromatogr 1998, 793, 107–113.10.1016/S0021-9673(97)00834-0Search in Google Scholar
© 2017 Walter de Gruyter GmbH, Berlin/Boston
Articles in the same Issue
- Chromatographic Techniques for Rare Earth Elements Analysis
- Developments in the use of rare earth metal complexes as efficient catalysts for ring-opening polymerization of cyclic esters used in biomedical applications
- Controlled Chemical Synthesis in CVD Graphene
- Combining catalytical and biological processes to transform cellulose into high value-added products
- Recent advances in “bioartificial polymeric materials” based nanovectors
Articles in the same Issue
- Chromatographic Techniques for Rare Earth Elements Analysis
- Developments in the use of rare earth metal complexes as efficient catalysts for ring-opening polymerization of cyclic esters used in biomedical applications
- Controlled Chemical Synthesis in CVD Graphene
- Combining catalytical and biological processes to transform cellulose into high value-added products
- Recent advances in “bioartificial polymeric materials” based nanovectors