Abstract
The drive to produce electrical energy by directly compressing piezoceramic material using mechanical stress stands behind the present test series. To be able to correctly choose the right material, PZT disks manufactured by three different manufacturers have been tested under static mechanical compressive and cyclic loads. It was shown that although the disks can withstand high mechanical stresses (up to 100 MPa) without any visible damage, their transduction is confined to much lower stresses (50–75 MPa), a range in which the electrical output is a function of the square of the applied stress. This range is further reduced, when the PZT is subjected to cyclic mechanical loading, yielding an applicable mechanical stress in the range of 30–40 MPa, from which electrical power can be produced without further deterioration. To compensate for the low electric power, due to relatively low mechanical stresses applied on the PZT disks, one can increase the volume of the material used by placing layers of piezoelectric material one on top of the other, each subjected to the same mechanical stress. This will yield the required electric power from a safe given mechanical stress without reduction in its output.
1 Introduction
The current trend of using piezoelectric materials to harvest energy requires the knowledge of their mechanical and electrical properties to be able to predict their transduction efficiency. Using the material parameters as supplied by piezoelectric manufacturers does not adequately describe the performance of those materials, and the literature is lacking experimental data to characterize the piezoelectric materials and their capability to convert mechanical energy into electrical energy. Some studies published in the literature address those issues and present experimental data. Yang et al. [1] present experimental data on the uniaxial properties stress dependence of the piezoelectric properties of PZT ceramics showing a nonlinear behavior with an initial increase in d33, as the stress increases followed by a significant decrease in this factor. Jiang et al. [2] tried to characterize the piezoelectric properties of relaxor-based ferroelectric single crystals and showed that large errors may occur in some of the derived material constants using conventional characterization techniques based on the IEEE standards. The authors present ways of properly characterizing piezoelectric materials having extremely high piezoelectric and electromechanical coupling coefficients.
The fundamental studies of Krueger [3–5] showed already back into the 1970s that “hard” ceramics such as PZT-4 and PZT-8 might show large changes of their properties, such as permittivity, tan δ and d33 for stresses up to 20 kpsi, applied parallel to the polar axis. However, they also showed good recovery on release of the stresses. The same tests were performed on “soft” donor-doped ceramics (PZT-5A and PZT-5H) and yielded serious degradation with successive stress cycles. Similar tests were performed also for mechanical stresses applied perpendicular to the polar axis. The tests showed serious degradation of the properties for the “soft” ceramics and less severe for the “hard” one.
Zhang et al. [6–8] initially investigated the AC field dependence of the polarization and strain responses of the three different compositions of PZT in poled and depoled states. They continued to investigate the contribution of the domain walls as well as the temperature dependence for lead zirconate titanate (PZT) 52/48 and PZT-500 ceramics. They showed that, at temperatures below 300 K, the large change in the dielectric and piezoelectric constants with temperature is due to the change in the domain-wall activities in the materials. In a follow-up study [8], the group led by Zhang showed that uniaxial stresses have a marked effect on the soft PZT materials, including reducing the piezoelectric coefficients and depoling the samples at relatively low stress levels. They also showed that the same uniaxial stresses could also influence the properties of hard PZTs; however, the domain structure of the materials can be changed substantially without depoling the samples. Sherrit et al. [9–11] investigated the behavior of lead zirconate titanate ceramics under mechanical stresses and temperature. They showed that the direct piezoelectric charge coefficient (d33) is nonlinear in stresses up to 60 MPa for all the PZTs they investigated.
Zhang and Zhao [12] investigated the behavior of PZT under external mechanical stresses and showed that they can cause substantial changes in the piezoelectric coefficients, dielectric constant, and elastic compliance due to nonlinear effects and stress depoling effects. In both soft and hard PZT piezoceramics, the aging can produce a memory effect that will facilitate the recovery of the poled state in the ceramics from momentary electric or stress depoling. In hard PZT ceramics, the local defect fields built up during the aging process can stabilize the ceramic against external stress depoling leading to a marked increase in the piezoelectric coefficient and electromechanical coupling factor in the ceramic under the stress. Although soft PZT ceramics can be easily stress depoled (losing piezoelectricity), a DC bias electric field, parallel to the original poling direction, can be employed to maintain the ceramic poling state so that the ceramic can be used at high stresses without depoling.
Another experimental study was performed and presented by Audigier et al. [13]. They claim that main characteristics of a PZT ceramic, such as the piezoelectric charge coefficient or the permittivity, may change drastically when the ceramic undergoes a high uniaxial stress along its polar axis in the 10–150 MPa range. They built a dedicated device to measure accurately and directly the d33 and ε33T parameters of a PZT rod with a superimposed controlled uniaxial stress. The results indicated the influence of the Zr/Ti ratio on the uniaxial stress and showed that, according to a given working stress range, it could be possible to optimize the evolution of those piezoelectric coefficients.
Finally, Ren et al. [14] deal with the behavior of single crystals and showed that one to three composites enable the single crystals operating in the longitudinal mode to achieve high efficiency for energy harvesting, and the soft-polymer, matrix-supported single-crystal rods maintain high mechanical integrity under different external loads.
It is the aim of the present paper to provide reliable and consistent experimental data of the behavior of PZT disks under static and cyclic loading and, by this, to provide sound data to evaluate the efficiency of various PZT disks manufactured by different companies and used in piezoelectric generators.
2 Test setup
To perform the cyclic loading, an MTS loading rig (see Figure 1) was used for the application of compression forces on the piezoelectric disks. The specimen, in our case, was a disk placed between two electrodes (see Figures 2 and 3) and the electrodes were connected in parallel to a variable resistors box, and the voltage on the resistors was continuously monitored and stored using an oscilloscope, as shown in Figure 1.

Test setup.
A, scope; B, resistors box; C, loading control; D, loading jack; E, specimen.

A close-up showing the specimen under the loading jig.

Various diameter specimens and the external electrodes.
3 Electromechanical model
To be able to measure the electrical output of tested disks, under a sinusoidal mechanical load, one has first to understand the electrical representation of a piezoelectric disk as is schematically given in Figure 4.

Electrical equivalent of a piezoelectric disc.
There are two equally valid “models” in the literature – one is a voltage source in series with a resistance and a capacitance and the other is a charge generator in parallel with a resistance and a capacitance, but the latter is uncommon in electrical circuit analysis and we will concentrate on the voltage source (see Figure 4). One should note that the inductance nature of the piezoelectric material is neglected at the present model.
The dashed line represents the “contents” of the piezoelectric disc component. The voltage source VS is the piezoelectric generator itself, and this source is directly proportional to the applied stimulus (pressure, strain, etc.). It is important to realize that this voltage will absolutely follow the applied stimulus – it is a “perfect” source.
Note, however, that the node marked “X” can never be accessed. The disc’s capacitance C0 and its resistance R0 will always be present and connected when we monitor the “output” of the disc at its electrodes.
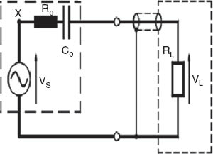
To realize the amount of electrical energy that can be harvested due to an external mechanical pulse, an external resistor has to be connected, as it is shown in Figure 5.

External resistor connected to the generator.
The voltage across the external resistance RL, VL, can be calculated to be

where
is the capacitor impedance, with f as the excitation frequency.
The external resistance RL is varied until the voltage across it VL reaches a maximum value. Therefore, the harvested electric energy is presented in the present study as a function of the external resistance RL.
For an off-resonance condition [15, 16], as in our case, the magnitude of the transduction is governed by the properties of the piezoelectric material, namely, the effective piezoelectric strain constant d33eff and the effective piezoelectric voltage constant g33eff. Using linear constitutive piezoelectric equations, a relatively simple relation can be derived between the energy density of the piezoelectric material and the transduction coefficient (d*g)33eff under an applied mechanical stress T.
The open circuit EMF (Vout) voltage generated on the electrodes of a piezoelectric disk ith a thickness t and area A, due to an applied force (F=σ*A), is given by the following expression:

where E33 is the electric field developed due to the mechanical traction in the piezoelectric material. The piezoelectric material behaves mainly (far from resonance) as a capacitor, having a capacitance C. Hence, the electric energy would be written as

Taking into account the following relationships,

where ε33eff is the effective permittivity of the piezoelectric material. Substituting the relationships (4) into Equation (3) yields

From Equation (5), one can conclude that the harvested energy is a linear function of the product (d*g)33eff and the piezoelectric volume and is dependent on the square of the applied stress.
From Equation (5), one can easily reach the expression for the generated power P:

Equation (6) can be presented in a form excluding effective piezoelectric voltage constant, g33eff, yielding

4 Results and discussion
The disks used in this experiment were made using commercially available PZT piezoelectric ceramics produced by three different manufactures nicknamed M1, M2, and M3 (The names of the manufacturers were omitted to prevent commercialism.). The PZT piezoelectric materials are in the broad category of soft-hard ferroelectric piezoelectric ceramics and their basic constants, as measured in the laboratory, are listed in Table 1.
Averaged measured values of d33eff and ε33T/εo.
| Manufacturer | d33eff [C/N] | ε33T/εo |
|---|---|---|
| M1 | 450×10-12 | 1980 |
| M2 | 470×10-12 | 1850 |
| M3 | 460×10-12 | 1800 |
First, disks from the three various manufacturers were cyclically loaded at four stress values, with an amplitude of 25, 50, 75, and 100 MPa and a frequency of 5 Hz, and the output power was measured on various values of external resistors connected in parallel to the PZT disks. The number of disks used for the first two manufacturers was 12, each having a diameter of 10 mm and a thickness of 4 mm, whereas, for M3, the manufacturer used was made of eight disks with a diameter of 15 and 4 mm thickness. The applied axial compression load was adjusted to yield the required stresses of 25, 50, 75, and 100 MPa to enable a comparison among the three manufacturers. The results are presented in Figures 6–8 for the M1, M2, and M3 manufacturers, respectively. All the graphs show a maximal power output for a given external resistor. The value is about 3 MΩ for manufacturer M1 (Figure 6), 2.8 MΩ for M2 (Figure 7), and 2.8 MΩ for the last manufacturer, M3, as shown in Figure 8. These values can be considered to be the optimal parallel external resistor to be connected to the PZT disks to yield the maximum electrical power for the generator.

Power versus external resistance for various applied stresses, 12 disks, thickness 4 mm, and diameter 10 mm (M1).

Power versus external resistance for various applied stresses, 12 disks, thickness 4 mm, and diameter 10 mm (M2).

Power versus external resistance for various applied stresses, 8 disks, thickness 4 mm, and diameter 15 mm (M3).
Taking into account Equation (7), one would have expected that increasing the stress would increase the electric power measured on the external resistor. Figures 6 and 7 show that, up to a value of 75 MPa, an increase in the applied mechanical stress would lead to a higher electrical power. However, when the stress is increased to 100 MPa, there is a drop in the electrical power for piezoelectric disks manufactured by M1 and M2. However, for disks manufactured by M3, there is a steady increase in the electric power up to 100 MPa. This shows that the quality of the PZT powder used to manufacture the disks is a prime factor to determine the ability to withstand high stresses. Also, it seems that there is a boundary stress, above which a given PZT disk would not increase its electric output power. For the first two manufacturers, this stress seems to be 50 MPa, whereas, for the third manufacturer, it is approximately at 75 MPa. This is clearly shown in Figure 9, where the output power nondimensionalized by the output power at a stress of 25 MPa is presented as a function of the applied compressive stress, for the various manufacturers and compared with the predicted output power, according to theory [Equation (7)]. As already stated before, only the disks manufactured by M3 are able to comply with the predicted output, up to a stress of 75 MPa, beyond which the electric output power ceases to follow the predicted output, and a large difference between the two is experienced (see also [17]).

Power versus external resistance for various applied stresses all three manufacturers, M1, M2, and M3 and theory.
Another factor to be taken into account is the effect of the repeated loading on the electric output power, or the number of cycles the disk experiences during his lifetime, without reduction in its electrical output. Figure 10 shows the electric power versus loading cycles, for disks manufactured by M2, and under a stress of 65 MPa. The power was supplied by 20 PZT disks having the diameter of 7 mm and a thickness of 4 mm.

Power versus loading cycles at stress 65 MPa, 20 piezoelectric disks, thickness 4 mm, and diameter 7 mm (M2).
After a relatively low number of cycles (6000), a sharp drop in the electric output has been experienced for the disks manufactured by manufacturer M2.
This is further emphasized in Figure 11, where the power output is measured as a function of the external resistor connected in parallel to a generator built of 10 PZT disks having a diameter of 100 mm and a thickness of 4 mm under a stress of 64 MPa and manufactured by M2. A clear reduction in the electric output has been measured for cycles up to 11 kilocycles.

Power versus external resistance at stress 64 MPa, 10 piezoelectric disks, thickness 4 mm, and diameter 10 mm (M2).
The same reduction in the electrical output was experienced by disks manufactured by another manufacturer, M3. In this test, 10 PZT disks with a diameter of 10 mm and thickness of 4 mm were tested under 50 MPa, and their electrical output was measured for various numbers of cycles (see Figure 12). A reduction of about 13% in the electric output was measured when the numbers of cycles was raised from zero cycles (output 0.068 W) to 9 kilocycles (output 0.060 W).

Power versus external resistance at stress 50 MPa, 10 piezoelectric disks, thickness 4 mm, and diameter 10 mm (M3).
Another issue investigated in the present test series was the sequence of loading and its effects on the electric output.
This is depicted in Figures 13 and 14 for disks manufactured by M3 and subjected to various compressive stresses. Figure 13 shows the averaged electric output produced by five PZT specimens when compressed by 50 MPa and then raised to 75 MPa and back to 50 MPa. The number of cycles at each point was very small (10–15 cycles). The applied axial compression load was 50 kN and the various stresses were accomplished by increasing or reducing the number of disks. One can clearly see the reduction in the electric output from 5.38 to 3.28 mW (64% reduction) due to the fact that the stress was increased by a factor of 1.5–75 MPa.

Output power versus applied compressive stress – the influence of the sequence of stresses: 50, 75, and 50 MPa (M3).

Output power versus applied compressive stress – the influence of the sequence of stresses: 50, 60, 50, 60, and 50 MPa (M3).
To further understand this issue, another sequence of loading was performed and the electric power was measured. This is shown in Figure 14, where the averaged electric output for the same five PZT specimens (as before) were compressed to 50 MPa and then to 60 MPa, back to 50 MPa, again raised to 60 MPa, and reduced to 50 MPa. This sequence of loading leads to improved results: a reduction of only 16% (from 5.38 to 4.64 mW) when doing the first part of the load sequence (50–60 MPa and back to 50 MPa) and no further reduction when performing the second part of the sequence (50–60 MPa and back to 50 MPa). This shows that the upper compressive stress for this type of PZT (manufactured by M3) is about 60 MPa.
According to Equation (7), to obtain a power above a given limit, one can either increase the mechanical stress or increase the volume of the piezoelectric material. In view of the stress limitations shown before, a test was carried out with eight layers of piezoelectric material, one on top of the other, while each layer consisted of 16 disks with a 10 mm diameter and 4 mm thickness, loaded at 50 kN, yielding a compressive stress of 40 MPa.
The results of the electric power for each layer are shown in Figure 15 as a function of the external resistor connected in parallel to each PZT layer. In general, the electric output is evenly distributed in each layer and the difference among the various layers was <10%. The total power was measured to be 0.43 W at 40 MPa having eight PZT layers. To obtain the same amount of power, the following configurations are feasible: a stress of 50 MPa with only five layers or a stress of 60 MPa with four layers. This shows that, to compensate for a relative low mechanical stress, one would have to increase the volume of the PZT material to obtain the same electric power.

Power versus external resistance at stress 40 MPa, eight layers, 16 piezoelectric disks, thickness 4 mm, and diameter 10 mm for each layer (M3).
5 Conclusions
PZT disks manufactured by three different manufacturers have been tested under static mechanical compressive and cyclic loads. It was shown that, although the disks can withstand high mechanical stresses, up to 100 MPa, without any visible damage, their transduction is confined to much lower stresses, 50–75 MPa, a range in which the electrical output is a function of the square of the applied stress. This range is further reduced when the PZT is subjected to cyclic mechanical loading, yielding an applicable mechanical stress in the range of 30–40 MPa, from which electrical power can be produced without further deterioration. To compensate for the low electric power, due to relatively low mechanical stresses applied on the PZT disks, one can increase the volume of the material used by placing layers of piezoelectric material one on top of the other, each subjected to the same mechanical stress. This will yield the required electric power from a given mechanical stress.
The authors would like to thank Mr. A. Grunwald for his great assistance and help in performing the experimental part of the study.
References
[1] Yang G, Liu S-F, Ren W, Mukherjee BK. In Smart Structures and Materials, 2000: Active Materials: Behavior and Mechanics, Lynch CS, Ed., Proc. SPIE, 2000, Vol. 3992, pp. 103–113.Search in Google Scholar
[2] Jiang W, Zhang R, Jiang B, Cao W. Ultrasonics 2003, 41, 55–63.10.1016/S0041-624X(02)00436-5Search in Google Scholar
[3] Krueger HHA. J. Acoust. Soc. Am. 1967, 42, 636–645.Search in Google Scholar
[4] Krueger HHA. J. Acoust. Soc. Am. 1968, 43, 576–582.Search in Google Scholar
[5] Krueger HHA. J. Acoust. Soc. Am. 1968, 43, 583–591.Search in Google Scholar
[6] Zhang QM, Wang H, Kim N, Cross LE. J. Appl. Phys. 1988, 64, 6445–6451.Search in Google Scholar
[7] Zhang QM, Pan WY, Jang SJ, Cross LE. J. Appl. Phys. 1994, 75, 454–459.Search in Google Scholar
[8] Zhang QM, Zhao J, Uchino K, Zheng J. J. Mater. Res. 1997, 12, 225–234.Search in Google Scholar
[9] Sherrit S, van Nice DB, Graham JT, Mukkerjee BK, Wiederick HD. In Proceedings of the International Symposium on the Applications of Ferroelectrics (ISAF’92). IEEE: Piscataway, NJ, 1992, pp. 167–170.Search in Google Scholar
[10] Sherrit S, Stimpson RB, Wiederick HD, Mukkerjee BK. In Smart Materials Structures and MEMS, Proc. SPIE, SPIE: Bellingham, WA 98227, USA, 1996, Vol. 3321, pp. 74–81.Search in Google Scholar
[11] Sherrit S, Wiederick HD, Mukkerjee BK, Sayer M. In Smart Materials Technologies, Proc. SPIE, SPIE: Bellingham, WA 98227, USA, 1997, Vol. 3040, pp. 99–109.Search in Google Scholar
[12] Zhang QM, Zhao J. IEEE Trans. Ultrason. Ferroelectr. Freq. Control 1999, 46, 1518–1526.10.1109/58.808876Search in Google Scholar PubMed
[13] Audigier D, Richard C, Descamps C, Troccaz M, Eyraud L. Ferroelectrics 1994, 154, 219–224.10.1080/00150199408017289Search in Google Scholar
[14] Ren K, Liu Y, Geng X, Hofmann HF, Zhang QM. IEEE Trans. Ultrason. Ferroelectr. Freq. Control 2006, 53, 631–638.10.1109/TUFFC.2006.1610572Search in Google Scholar PubMed
[15] Bedekar V, Oliver J, Priya S. IEEE Trans. Ultrason. Ferroelectr. Freq. Control 2010, 57, 1513–1523.10.1109/TUFFC.2010.1582Search in Google Scholar PubMed
[16] Platt SR, Farritor S, Haider H. IEEE/ASME Trans. Mechatronics 2005, 10, 240–252.10.1109/TMECH.2005.844704Search in Google Scholar
[17] Abramovich H, Tsikhotsky E, Klein G. An experimental determination of the maximal allowable stresses for high power piezoelectric generators. J. Ceram. Sci. Technol. 2013, 4, in press.Search in Google Scholar
©2013 by Walter de Gruyter Berlin Boston
This article is distributed under the terms of the Creative Commons Attribution Non-Commercial License, which permits unrestricted non-commercial use, distribution, and reproduction in any medium, provided the original work is properly cited.
Articles in the same Issue
- Masthead
- Masthead
- Plastic deformation mechanisms in nanocrystalline metallic materials
- Statistical aspects of microplasticity: experiments, discrete dislocation simulations and stochastic continuum models
- Questioning size effects as predicted by strain gradient plasticity
- A condensed variational model for thermo-mechanically coupled phase transformations in polycrystalline shape memory alloys
- Theoretical strength and homogeneous sliding in metallic glass: exactly solvable model
- An experimental investigation on PZT behavior under mechanical and cycling loading
Articles in the same Issue
- Masthead
- Masthead
- Plastic deformation mechanisms in nanocrystalline metallic materials
- Statistical aspects of microplasticity: experiments, discrete dislocation simulations and stochastic continuum models
- Questioning size effects as predicted by strain gradient plasticity
- A condensed variational model for thermo-mechanically coupled phase transformations in polycrystalline shape memory alloys
- Theoretical strength and homogeneous sliding in metallic glass: exactly solvable model
- An experimental investigation on PZT behavior under mechanical and cycling loading