Home Classical and Neural Network–Based Approach of Model Predictive Control for Binary Continuous Distillation Column
Article
Licensed
Unlicensed Requires Authentication

Classical and Neural Network–Based Approach of Model Predictive Control for Binary Continuous Distillation Column

  • Amit Kumar Singh EMAIL logo , Barjeev Tyagi and Vishal Kumar
Published/Copyright: February 6, 2014
Become an author with De Gruyter Brill

Abstract

The objective of present research work is to develop a neural network–based model predictive control scheme (NN-MPC) for distillation column. To fulfill this objective, an existing laboratory setup of continuous binary-type distillation column (BDC) is used. An equation-based model that uses the fundamental physical and chemical laws along with valid normal assumptions is validated for this experimental setup. Model predictive control (MPC) is one of the main process control techniques explored in the recent past for various chemical engineering applications; therefore, the conventional MPC scheme and the proposed NN-MPC scheme are applied on the equation-based model to control the methanol composition. In NN-MPC scheme, a three-layer feedforward neural network model has been developed and is used to predict the methanol composition over a prediction horizon using the MPC algorithm for searching the optimal control moves. The training data is acquired by the simulation of the equation-based model under the variation of manipulated variables in the defined range. Two cases have been considered, one is for set point tracking and another is for feed flow disturbance rejection. The performance of the control schemes is compared on the basis of performance parameters namely overshoot and settling time. NN-MPC and MPC schemes are also compared with conventional PID controller. The results show the improvement in settling time with NN-MPC scheme as compared to MPC and conventional PID controller for both the cases.

Acknowledgment

The authors wish to acknowledge the financial support of the Ministry of human resource and developments (MHRD), India under faculty initiation grant scheme with grant no. MHRD-03-29-801-108(FIG).

Appendix

Equation-based modeling

Dynamic simulation of distillation is characterized by stiff set of differential algebraic equations of material and efficiency equilibrium relationships. The dynamic model to be developed in this work is expected to meet the following objective: The model should be easy to use for the design of distillation column control schemes, online identification and optimization purposes.

To develop the equation-based model, the following information has been taken directly from the existing experimental setup of BDC:

  1. Liquid composition on each tray

  2. Liquid flow rates from each tray

  3. Temperature of each tray

  4. Condenser and reboiler duties

To simplify the model, the following assumptions have been considered [19]:

  1. The relative volatility α is constant throughout the column.

  2. The vapor–liquid equilibrium relationship can be expressed by

y=αx1+(α1)x

where

  • α = Relative volatility

  • x = Composition of more volatile component in liquid, mole fraction,

  • y = Composition of more volatile component in vapor, mole fraction

  1. The overhead vapor is totally condensed in the condenser.

  2. The holdup of vapor is negligible throughout the system (i.e. the same immediate vapor response, dV1=dV2==dVN+1=dV), where N = total number of trays

  3. The molar flow rates of the vapor and liquid through the stripping and rectifying sections are constant:

    V1=V2==VN+1;
    L2=L3==LN+2
  4. Reboiler and condenser are also considered as a tray. Numbering of trays is done from the bottom, i.e. boiler is considered as a first tray and condenser is considered as a last tray. This means that if there is N number of trays then boiler is first tray and condenser is (N + 1)th tray.

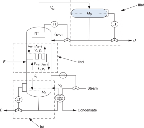
Figure 21 Distillation column used in modeling
Figure 21

Distillation column used in modeling

Ist section

Component material balance equations

The constant molar holdup in reboiler has been considered, i.e. dMB/dt = 0, so by this

B=L1VB

Component material balance around reboiler is given by

(4)MBdxB,jdt=L1x1,jVByB,j(L1VB)xB,j

where

  • MB = Liquid molar hold up in reboiler, kmol,

  • L1 = Total liquid flow rate from tray-1 entering to reboiler, kmol/hr,

  • xB,j = Liquid fraction of component j in bottom product, % mole fractions,

  • VB = Total vapor flow rate leaving reboiler, kmol/hr,

  • yB,j = Vapor fraction of component j in bottom product, % mole fractions,

  • B = Total bottom product rate, kmol/hr,

The vapor fraction of component j from reboiler is given by

(5)yB,j=η1,jvk1,jxB,j

where

  • η1,jv = vaporization efficiency of component j in reboiler,

  • k1,j = Equilibrium constant of component j in reboiler

Total enthalpy balance equations

Total enthalpy balance equation for reboiler is given by

(6)MBdhBdt=L1h1VBHB(L1VB)hB+QB

where

  • h1 = Total molar enthalpy of liquid entering from tray-1 to reboiler, kJ/kmol,

  • hB = Total molar enthalpy of liquid leaving reboiler, kJ/kmol,

  • HB = Total molar enthalpy of vapor leaving reboiler, kJ/kmol,

  • QB = Reboiler heat duty, kW

IInd section

In the second section, modeling for general ith tray is considered. Material balance and energy balance equations are obtained from this section.

Component material balance equations

Component material balance equation for ith tray is given by

(7)d(Mixij)dt=Li+1xi+1,jLixijViyij+Vi1yi1,j+FixFij
yij is calculated as
(8)yij=ηij(yij*yi1,j)+yi1,j

where

  • Mi = Molar liquid hold up on tray i, kmol

  • xij = Liquid fraction of component j, leaving the tray i, % mole fraction

  • Li = Total liquid flow rate leaving tray i, kmol/hr

  • Vi = Total vapor flow rate leaving tray i, kmol/hr

  • Fi = Total feed flow rate injected to tray i, kmol/hr

  • xFij = Liquid fraction of component j in feed on tray i, % mole fractions,

  • yij = vapor fraction of component j leaving the tray i, % mole fractions,

  • ηij = Murphree stage efficiency based on vapor phase of component j on tray i

  • yij* = Equilibrium vapor fraction of component j on tray i

  • Li = is an additional variable and it is related to Mi through

(9)Li=3.33lw[Mi/(AnetMDi)hw]3,6002.204MDi

where

  • lw = Length of the weir, ft

  • Anet = Net area of the tray, ft2

  • hw = Height of the weir, ft

  • MDi = Average molar density of liquid on tray i, kmol/ft3

Total material balance equation for ith general tray is calculated as

(10)dMidt=Li+1LiVi+Vi1+Fi

where

  • Li+1 = Total liquid flow rate entering to tray i, kmol/hr,

  • Vi–1 = Total vapor flow rate entering to tray i, kmol/hr,

  • Fi = Total feed flow rate injected on tray i, kmol/hr

Enthalpy balance equation for general tray i

Enthalpy balance equation for general tray i is given as

(11)d(Mihi)dt=Li+1hi+1LihiViHi+Vi1Hi1+FihFi

where

  • hi = Total molar enthalpy of liquid leaving tray i, kJ/kmol,

  • Hi = Total molar enthalpy of vapor leaving tray i, kJ/kmol,

    Enthalpy on any tray are calculated by mixing rule as given by

    (12)hi=j=1NChlijxij
    (13)Hi=j=1NCHvijyij

    where

  • hlij = Pure component enthalpy of component j in liquid, kJ/kmol,

  • Hvij = Pure component enthalpy of component j in liquid, kJ/kmol

Next section, i.e. IIIrd section produces the modeling of condenser.

IIIrd section

Component material balance equations

Reflux drum level is considered constant. This means at any time D = VNTR

Component material balance around condenser is given by

(14)MDdxD,jdt=VNTyNT,jVNTxD,j

where

  • MD = Liquid molar hold up in the reflux drum, kmol,

  • D = Distillate flow rate, kmol/hr,

  • xD,j = Liquid fraction of component j in reflux drum, % mole fractions

  • yNT,j = Vapor fraction of component j leaving tray NT, % mole fractions,

  • R = Total liquid flow rate entering to the tray NT from reflux drum, kmol/hr,

  • VNT = Total vapor flow rate leaving the tray NT, kmol/hr,

Enthalpy balance equation

The enthalpy balance equation for liquid and vapor for condenser is

(15)MDdhDdt=VNTHNTVNThDQc

where

  • hD = Total molar enthalpy of liquid leaving the reflux drum, kJ/kmol,

  • HNT = Total molar enthalpy of vapor leaving the last tray NT, kJ/kmol,

  • QC = Condenser duty, kW

Figure 22 Simulation algorithm
Figure 22

Simulation algorithm

All the above equations have been used to develop the model. The flow diagram of the simulation algorithm to develop the equation-based model of BDC is given in Figure A.2 to simulate open-loop BDC the environment of Matlab®/Simulink® has been used.

References

1. CamachoEF, BordonsC. Model predictive control. London, UK: Springer Press, 2004.Search in Google Scholar

2. MaciejowskiJM. Predictive control with constraints. London: Pearson Education Limited, 2002.Search in Google Scholar

3. NugrohoS, NazaruddinYY, TjokronegoroHA. Non-linear identification of aqueous ammonia binary distillation column based on simple hammerstein model. In: 5th Asian control conference, Melbourne, Australia, 2004.Search in Google Scholar

4. DohertySK, GommJB, WilliamsD. Experiment design considerations for non-linear system identification using neural networks. Comput Chem Eng1997;21:32746.10.1016/S0098-1354(96)00003-8Search in Google Scholar

5. HimmelblauDM. Application of artificial neural networks in chemical engineering. Korean J Chem Eng2000;17:37392.10.1007/BF02706848Search in Google Scholar

6. SinghAK, TyagiB, KumarV. Application of feed forward and recurrent neural network topologies for the modeling and identification of binary distillation column. IETE J Res2013;59:16775.10.4103/0377-2063.113038Search in Google Scholar

7. HussainMA. Review of the application of neural networks in chemical process control-simulation and online implementation. Artif Intell Eng1999;13:5568.10.1016/S0954-1810(98)00011-9Search in Google Scholar

8. QinSJ, BadgwellTA. A survey of industrial model predictive control technology. Control Eng Pract2003;11:73364.10.1016/S0967-0661(02)00186-7Search in Google Scholar

9. KonakomK, KittisupakornP, SaengchanA, MujtabaIM,Optimal policy tracking of a batch reactive distillation by neural network-based model predictive control (NNMPC) strategy. In: World congress on engineering and computer science (WCECS 2010), San Francisco, CA, 2010.Search in Google Scholar

10. ArumugasamySK, AhmadZ. Elevating model predictive control using feed forward artificial neural networks: a review. Chem Product Process Model2009;4:45.10.2202/1934-2659.1424Search in Google Scholar

11. ZareNezhadB, AminianA. Application of the neural network-based model predictive controllers in nonlinear industrial systems: case study. J Univ Chem Technol Metallurgy2011;46(1):6774.Search in Google Scholar

12. HuiLQ, HuiLW, AzizN, AhmadZ. Nonlinear process modeling of “shell” heavy oil fractionator using neural network. J Appl Sci2011.Search in Google Scholar

13. LawrynczukM. Training of neural models for predictive control. Neurocomputing2010;73:133243.10.1016/j.neucom.2009.12.015Search in Google Scholar

14. SinghAK, TyagiB, KumarV. First principle modeling and neural network–based empirical modeling with experimental validation of binary distillation column. Chem Product Process Model2013;8:5370.10.1515/cppm-2013-0011Search in Google Scholar

15. FindeisenR, AllgowerF. An introduction to nonlinear model predictive control. In: Paper presented at 21st Benelux meeting on systems and control, Veldhoven, 2002.Search in Google Scholar

16. MarquardtD. An algorithm for least squares estimation of non-linear parameters. J Soc Ind Appl Math1963:43141.Search in Google Scholar

17. AströmKJ, HägglundT. Pid controllers : theory, design, and tuning. North Carolina: Research Triangle Park, Instrument Society of America, 1995.Search in Google Scholar

18. ZieglerJG, NicholsNB. Optimum settings for automatic controllers. Trans ASME, New York, 1942;64:75968.Search in Google Scholar

19. LuybenWL. Process modeling simulation and control for chemical engineers, 2nd ed. McGraw-Hill, 1990.Search in Google Scholar

Published Online: 2014-2-6
Published in Print: 2014-6-1

©2014 by Walter de Gruyter Berlin / Boston

Downloaded on 30.11.2025 from https://www.degruyterbrill.com/document/doi/10.1515/cppm-2013-0013/pdf
Scroll to top button